Sign in to use this feature.

Years

Between: -

Subjects

remove_circle_outline
remove_circle_outline
remove_circle_outline

Journals

Article Types

Countries / Regions

Search Results (4)

Search Parameters:
Keywords = INS-aided PLLs

Order results
Result details
Results per page
Select all
Export citation of selected articles as:
12 pages, 4121 KB  
Article
Improving the Design of MEMS INS-Aided PLLs for GNSS Carrier Phase Measurement under High Dynamics
by Tisheng Zhang, Yalong Ban, Xiaoji Niu, Wenfei Guo and Jingnan Liu
Micromachines 2017, 8(5), 135; https://doi.org/10.3390/mi8050135 - 25 Apr 2017
Cited by 18 | Viewed by 4635
Abstract
The phase locked loop (PLL) bandwidth suffers a dilemma on carrier phase accuracy and dynamic stress tolerance in stand-alone global navigation satellite systems (GNSS) receivers. With inertial navigation system (INS) aiding, PLLs only need to tolerate aiding information error, instead of dynamic stress. [...] Read more.
The phase locked loop (PLL) bandwidth suffers a dilemma on carrier phase accuracy and dynamic stress tolerance in stand-alone global navigation satellite systems (GNSS) receivers. With inertial navigation system (INS) aiding, PLLs only need to tolerate aiding information error, instead of dynamic stress. To obtain accurate carrier phase under high dynamics, INS-aided PLLs need be optimally designed to reduce the impact of aiding information error. Typical micro-electro-mechanical systems (MEMS) INS-aided PLLs are implemented and tested under high dynamics. Tests using simulation show there is a step change in the aiding information at each integer second, which deteriorates the carrier phase accuracy. An improved structure of INS-aided PLLs is proposed to eliminate the step change impact. Even when the jerk is 2000 m/s3, the tracking error of the proposed INS-aided PLL is no more than 3°. Finally, the performances of stand-alone PLLs and INS-aided PLLs are compared using field tests. When the antenna jerk is 300 m/s3, the carrier phase error from the stand-alone PLLs significantly increased, while the carrier phase error from the MEMS INS-aided PLLs almost remained the same. Therefore, the proposed INS-aided PLLs can suppress tracking errors caused by noise and dynamic stress simultaneously under high dynamics. Full article
Show Figures

Figure 1

22 pages, 9131 KB  
Article
An Adaptive INS-Aided PLL Tracking Method for GNSS Receivers in Harsh Environments
by Li Cong, Xin Li, Tian Jin, Song Yue and Rui Xue
Sensors 2016, 16(2), 146; https://doi.org/10.3390/s16020146 - 23 Jan 2016
Cited by 10 | Viewed by 5986
Abstract
As the weak link in global navigation satellite system (GNSS) signal processing, the phase-locked loop (PLL) is easily influenced with frequent cycle slips and loss of lock as a result of higher vehicle dynamics and lower signal-to-noise ratios. With inertial navigation system (INS) [...] Read more.
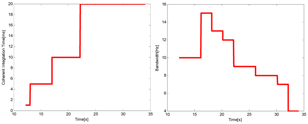
As the weak link in global navigation satellite system (GNSS) signal processing, the phase-locked loop (PLL) is easily influenced with frequent cycle slips and loss of lock as a result of higher vehicle dynamics and lower signal-to-noise ratios. With inertial navigation system (INS) aid, PLLs’ tracking performance can be improved. However, for harsh environments with high dynamics and signal attenuation, the traditional INS-aided PLL with fixed loop parameters has some limitations to improve the tracking adaptability. In this paper, an adaptive INS-aided PLL capable of adjusting its noise bandwidth and coherent integration time has been proposed. Through theoretical analysis, the relation between INS-aided PLL phase tracking error and carrier to noise density ratio (C/N0), vehicle dynamics, aiding information update time, noise bandwidth, and coherent integration time has been built. The relation formulae are used to choose the optimal integration time and bandwidth for a given application under the minimum tracking error criterion. Software and hardware simulation results verify the correctness of the theoretical analysis, and demonstrate that the adaptive tracking method can effectively improve the PLL tracking ability and integrated GNSS/INS navigation performance. For harsh environments, the tracking sensitivity is increased by 3 to 5 dB, velocity errors are decreased by 36% to 50% and position errors are decreased by 6% to 24% when compared with other INS-aided PLL methods. Full article
(This article belongs to the Section Remote Sensors)
Show Figures

Figure 1

18 pages, 937 KB  
Article
Quantitative Analysis to the Impacts of IMU Quality in GPS/INS Deep Integration
by Xiaoji Niu, Yalong Ban, Quan Zhang, Tisheng Zhang, Hongping Zhang and Jingnan Liu
Micromachines 2015, 6(8), 1082-1099; https://doi.org/10.3390/mi6081082 - 11 Aug 2015
Cited by 25 | Viewed by 6739
Abstract
In the Global Positioning System (GPS)/Inertial Navigation System (INS) deep integration system, the pure negative effect of the INS aiding is mainly the INS navigation error that is independent with the motion dynamics, which determine whether the INS aiding is worthy. This paper [...] Read more.
In the Global Positioning System (GPS)/Inertial Navigation System (INS) deep integration system, the pure negative effect of the INS aiding is mainly the INS navigation error that is independent with the motion dynamics, which determine whether the INS aiding is worthy. This paper quantitatively assesses the negative effects of the inertial aiding information from different grades of INS by modeling the phase-locked loops (PLLs) based on the scalar-based GPS/INS deep integration system under stationary conditions. Results show that the largest maneuver-independent velocity error caused by the error sources of micro-electro-mechanical System (MEMS) inertial measurement unit (IMU) is less than 0.1 m/s, and less than 0.05 m/s for the case of tactical IMU during the typical GPS update interval (i.e., 1 s). The consequent carrier phase tracking error in the typical tracking loop is below 1.2 degrees for MEMS IMU case and 0.8 degrees for the tactical IMU case, which are much less than the receiver inherent errors. Conclusions can be reached that even the low-end MEMS IMU has the ability of aiding the receiver signal tracking. The tactical grade IMU can provide higher quality aiding information and has potential for the open loop tracking of GPS. Full article
Show Figures

Figure 1

27 pages, 2009 KB  
Article
Modeling and Development of INS-Aided PLLs in a GNSS/INS Deeply-Coupled Hardware Prototype for Dynamic Applications
by Tisheng Zhang, Xiaoji Niu, Yalong Ban, Hongping Zhang, Chuang Shi and Jingnan Liu
Sensors 2015, 15(1), 733-759; https://doi.org/10.3390/s150100733 - 5 Jan 2015
Cited by 20 | Viewed by 6643
Abstract
A GNSS/INS deeply-coupled system can improve the satellite signals tracking performance by INS aiding tracking loops under dynamics. However, there was no literature available on the complete modeling of the INS branch in the INS-aided tracking loop, which caused the lack of a [...] Read more.
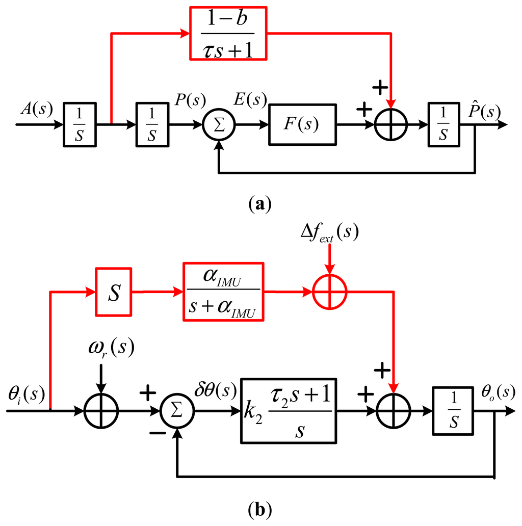
A GNSS/INS deeply-coupled system can improve the satellite signals tracking performance by INS aiding tracking loops under dynamics. However, there was no literature available on the complete modeling of the INS branch in the INS-aided tracking loop, which caused the lack of a theoretical tool to guide the selections of inertial sensors, parameter optimization and quantitative analysis of INS-aided PLLs. This paper makes an effort on the INS branch in modeling and parameter optimization of phase-locked loops (PLLs) based on the scalar-based GNSS/INS deeply-coupled system. It establishes the transfer function between all known error sources and the PLL tracking error, which can be used to quantitatively evaluate the candidate inertial measurement unit (IMU) affecting the carrier phase tracking error. Based on that, a steady-state error model is proposed to design INS-aided PLLs and to analyze their tracking performance. Based on the modeling and error analysis, an integrated deeply-coupled hardware prototype is developed, with the optimization of the aiding information. Finally, the performance of the INS-aided PLLs designed based on the proposed steady-state error model is evaluated through the simulation and road tests of the hardware prototype. Full article
(This article belongs to the Section Remote Sensors)
Show Figures

Back to TopTop