Sign in to use this feature.

Years

Between: -

Subjects

Journals

Article Types

Countries / Regions

Search Results (1)

Search Parameters:
Keywords = HPD TF3+

Order results
Result details
Results per page
Select all
Export citation of selected articles as:
15 pages, 4241 KB  
Article
High-Precision Laboratory Dryer for Characterization of the Drying Behavior of Agricultural and Food Products
by Sebastian Reyer, Sebastian Awiszus and Joachim Müller
Machines 2022, 10(5), 372; https://doi.org/10.3390/machines10050372 - 13 May 2022
Cited by 4 | Viewed by 2909
Abstract
To reduce the energy consumption during the drying of agricultural and food products, the optimization of the drying process with regard to the drying behavior and the quality of the end products is necessary. Therefore, much effort is spent designing and developing dryers [...] Read more.
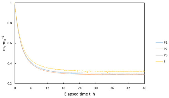
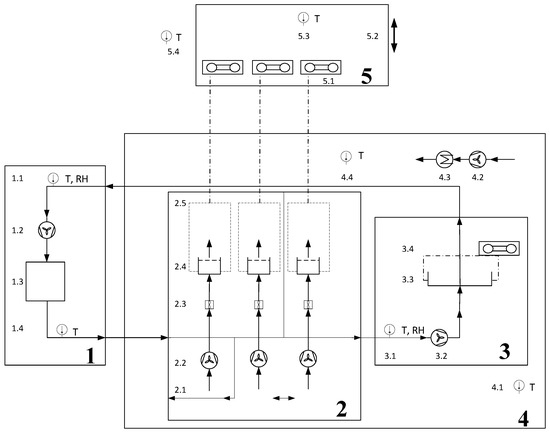
To reduce the energy consumption during the drying of agricultural and food products, the optimization of the drying process with regard to the drying behavior and the quality of the end products is necessary. Therefore, much effort is spent designing and developing dryers to study the drying behavior of a wide range of products. This often results in a trade-off between measurement accuracy and the sufficient production of dried material required for the product quality analysis. Therefore, a laboratory dryer was developed consisting of three high-precision drying columns, each able to process 600 g of sample mass, and a flatbed dryer that can be loaded with 20 kg of fresh product. Drying curves could be recorded simultaneously by electronic balances in the three precision dryers and the flatbed dryer. The high-precision laboratory dryer HPD TF3+ proved to be suitable for establishing drying curves for a defined temperature, rel. humidity and velocity of the drying air. Full article
(This article belongs to the Section Machine Design and Theory)
Show Figures

Graphical abstract

Back to TopTop