Microstructure and Texture Evolution of X85MnAl29-9 Steel During Aging
Abstract
1. Introduction
2. Materials and Methods
3. Results and Discussion
3.1. X-Ray Investigation
3.2. Microstructure Analysis
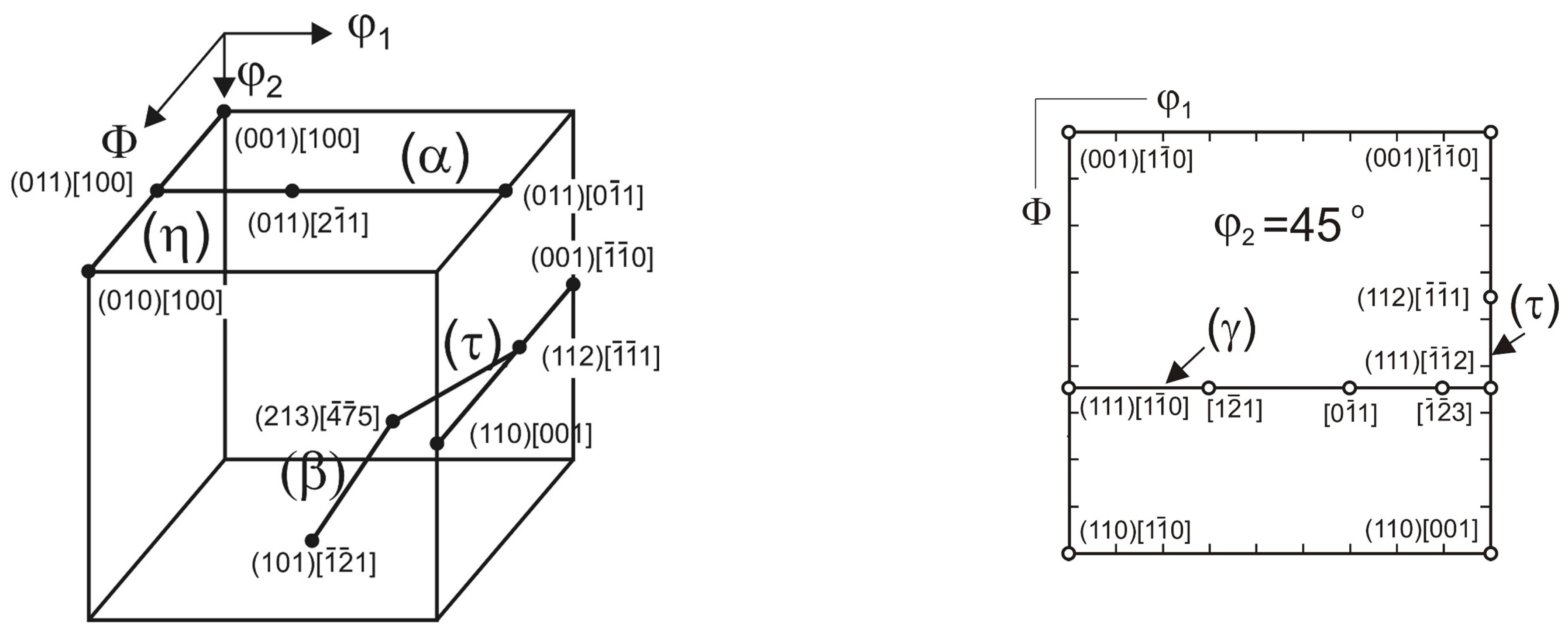
3.3. Texture Analysis
3.4. Microhardness
4. Conclusions
- The XRD analysis indicated the lattice expansion of austenite and κ′-carbide from the peak shift;
 - The microstructure of X85MnAl29-9 steel after aging at a temperature of 550 °C was composed of an austenitic matrix with carbides κ′ and κ. Small precipitations of carbide κ′ formed in the austenite as a result of spinodal decomposition. The precipitations of carbide κ formed on the boundaries of the austenite grain and along the boundaries of the twins. The process of precipitation along the grain boundaries occurred as a result of the γ → γ′ + κ reaction (austenite depleted in carbon) + κ. An extension in the aging time exerted an influence upon the intensification of spinodal decomposition and resulted in increases in the precipitation of carbides;
 - The process of the precipitation of carbides influenced the development of the austenite texture, principally described by the constituents being parts of the α-fiber: the {110}<001> Goss orientation and the {110}<112> alloy-type orientation;
 - The microhardness of the material increased simultaneously with an extension in the aging time, with the exception of the sample annealed for 100 h. This decrease was the result of the growth in the precipitations of carbide κ′ in the matrix.
 
Author Contributions
Funding
Institutional Review Board Statement
Informed Consent Statement
Data Availability Statement
Conflicts of Interest
References
- Frommeyer, G.; Brüx, U.; Neumann, P. Supra-ductile and high-strength manganese-TRIP/TWIP steels for high energy absorption purposes. ISIJ Int. 2003, 43, 438–446. [Google Scholar] [CrossRef]
 - Grässel, O.; Krüger, L.; Frommeyer, G.; Meyer, L. High strength Fe-Mn(Al, Si) TRIP/TWIP steels development-properties-application. Int. J. Plast. 2000, 16, 1391–1409. [Google Scholar] [CrossRef]
 - Frommeyer, G.; Brüx, U. Microstructures and mechanical properties of high-strength Fe-Mn-Al-C light-weight TRIPLEX steels. Steel Res. Int. 2006, 77, 627–633. [Google Scholar] [CrossRef]
 - Cui, E.X.; Chen, T.J.; Shen, Y.F.; Jia, N.; Wang, Z.D.; Fan, Z.J. Superior combination of strength and ductility in Fe-20Mn-0.6C steel processed by asymmetrical rolling. Mater. Today Commun. 2024, 40, 110064. [Google Scholar] [CrossRef]
 - Jabłońska, M.B.; Fady, A. Effect of the strain rate on the deformation mechanisms of TWIP-type steel. Mater. Sci. Eng. A 2024, 915, 147219. [Google Scholar] [CrossRef]
 - Wan, C.; Wu, W.; Zhang, X.; Zhang, L.; Song, K. Study on the low plastic behavior of expansion deformation of austenitic stainless steel. Materials 2024, 17, 1955. [Google Scholar] [CrossRef]
 - Zhang, G.; Ma, W.; Ji, P.; Zhang, B.; Zhang, X.; Zhang, J.; Zhang, X.; Ma, M.; Liu, R. The effects of partial recrystallization annealing and aging treatment on the microstructural evolution and mechanical behavior of austenitic lightweight steel. Mater. Sci. Eng. A 2023, 885, 145602. [Google Scholar] [CrossRef]
 - Dobrzański, L.A.; Grajcar, A.; Borek, W. Microstructure evolution and phase composition of high-manganese austenitic steels. J. Ach. Mater. Manu. Eng. 2008, 31, 218–225. [Google Scholar]
 - Chao, C.Y.; Liu, C.H. Effects of Mn contents on the microstructure and mechanical properties of the Fe-10Al-xMn-1.0C alloy. Mater. Trans. 2002, 43, 2635–2642. [Google Scholar] [CrossRef]
 - Kowalska, J.; Ratuszek, W.; Witkowska, M.; Zielińska-Lipiec, A. Influence of cold plastic deformation on the development of the texture in high-manganese austenitic steel. Solid State Phenom. 2013, 203–204, 115–120. [Google Scholar] [CrossRef]
 - Banis, A.; Gomez, A.; Dutta, A.; Sabirov, I.; Petrov, R.H. The effect of nano-sized κ-carbides on the mechanical properties of an Fe-Mn-Al-C alloy. Mater. Charact. 2023, 205, 113364. [Google Scholar] [CrossRef]
 - Kowalska, J.; Ryś, J.; Radziszewska, A. Favourable conditions for strain induced transformations in unstable high-manganese steel. Mater. Charact. 2024, 211, 113884. [Google Scholar] [CrossRef]
 - Yang, J.; Lee, H.W.; Park, T.M.; Lee, S.; Han, J. Comparative study of tensile properties and impact toughness of duplex lightweight steel. Mater. Sci. Eng. A 2024, 914, 147107. [Google Scholar] [CrossRef]
 - Sohn, S.S.; Lee, B.J.; Lee, S.; Kwak, J.H. Effects of aluminum content on cracking phenomenon occurring during cold rolling of three ferrite-based lightweight steel. Acta Mater. 2013, 61, 5626–5635. [Google Scholar] [CrossRef]
 - Sohn, S.S.; Lee, B.J.; Lee, S.; Kwak, J.H. Microstructural analysis of cracking phenomenon occurring during cold rolling of (0.1~0.7)C-3Mn-5Al lightweight steels. Met. Mater. Int. 2015, 21, 43–53. [Google Scholar] [CrossRef]
 - Zhang, T.; Wei, H.; Zhang, K.; Fu, X.; Cao, Y.; Zhang, X.; Li, Z.; Liu, H. Effect of cooling medium on the κ carbide precipitation behavior, microstructure and impact properties of FeMnAlC low-density steel. Mater. Today Commun. 2023, 37, 107084. [Google Scholar] [CrossRef]
 - Mazancová, E.; Mazanec, K. Stacking fault energy in high manganese alloys. Mater. Eng. 2009, 16, 26–31. [Google Scholar]
 - Grässel, O.; Frommeyer, G.; Derder, C.; Hofmann, H. Phase Transformation and Mechanical Properties of Fe-Mn-Si-Al TRIP-Steels. J. Phys. IV 1997, 110, 383–388. [Google Scholar] [CrossRef]
 - Charles, J.; Berghezan, A.; Lutts, A. Structural and Mechanical Properties of High-Alloy Manganese-Aluminum Steels. J. Phys. 1982, 43, C4–C435. [Google Scholar]
 - Sato, K.; Tagawa, K.; Inoue, Y. Age hardening of an Fe-30Mn-9Al-0.9C alloy by spinodal decomposition. Scr. Mater. 1988, 22, 899–902. [Google Scholar] [CrossRef]
 - Kalashnikov, I.S.; Acselrad, O.; Shalkevich, A.; Chumakova, L.D.; Pereira, L.C. Heat treatment and thermal stability of FeMnAlC alloys. J. Mater. Process. Technol. 2003, 136, 72–79. [Google Scholar] [CrossRef]
 - Allain, S.; Chateau, J.P.; Bouaziz, O.; Migot, S.; Guelton, N. Correlation between the calculated stacking fault energy and the plasticity mechanism in Fe-Mn-C alloys. Mater. Sci. Eng. 2004, A387–A389, 158–162. [Google Scholar] [CrossRef]
 - Frommeyer, G.; Drewers, E.J.; Engl, B. Physical and mechanical properties of iron-aluminum-(Mn, Si) lightweight steels. Metall. Res. Technol. 2000, 97, 1245–1253. [Google Scholar] [CrossRef]
 - Chang, K.M.; Chao, C.G.; Liu, T.F. Excellent combination of strength and ductility in an Fe-9Al-28Mn-1.8C alloy. Scr. Mater. 2010, 63, 162–165. [Google Scholar] [CrossRef]
 - Kim, C.; Terner, M.; Hong, H.U.; Lee, C.H.; Park, S.J.; Moon, J. Influence of inter/intra-granular κ-carbides on the deformation mechanism in lightweight Fe-20Mn-11.5Al-1.2C steel. Mater. Charact. 2020, 161, 110142. [Google Scholar] [CrossRef]
 - Sato, K.; Tagawa, K.; Inoue, Y. Modulated structure and magnetic properties of age-hardenable Fe-Mn-Al-C alloys. Metall. Trans. A 1990, 21A, 5–11. [Google Scholar] [CrossRef]
 - Sato, K.; Tagawa, K.; Inoue, Y. Spinodal decomposition and mechanical properties of an austenitic Fe-30wt.%Mn-930wt.%Al-0.930wt.%C alloy. Mater. Sci. Eng. A 1989, 111, 45–50. [Google Scholar] [CrossRef]
 - An, Y.F.; Chen, X.P.; Mei, L.; Ren, P.; Wei, D.; Cao, W.Q. Precipitation transformation pathway and mechanical behavior of nanoprecipitation strengthened Fe–Mn–Al–C–Ni austenitic low-density steel. J. Mater. Sci. Technol. 2024, 174, 157–167. [Google Scholar] [CrossRef]
 - Lee, J.W.; Liu, T.F. Phase transformations in an Fe-8Al-30Mn-1.5Si-1.5C alloy. Mater. Chem. Phys. 2001, 69, 192–198. [Google Scholar] [CrossRef]
 - Kimura, Y.; Handa, K.; Hayashi, K.; Mishima, Y. Microstructure control and ductility improvement of the two-phase γ-Fe/κ-(Fe, Mn)3AlC alloys in the Fe–Mn–Al–C quaternary system. Intermetallics 2004, 12, 607–617. [Google Scholar] [CrossRef]
 - Zhanga, J.; Jiang, Y.; Zheng, W.; Liu, Y.; Addad, A.; Ji, G.; Song, C.; Zhai, Q. Revisiting the formation mechanism of intragranular κ-carbide in austenite of a Fe-Mn-Al-Cr-C low-density steel. Scr. Mater. 2021, 199, 113836. [Google Scholar] [CrossRef]
 - Tsay, G.; Tuan, Y.; Lin, C.; Chao, C.; Liu, T. Effect of carbon on spinodal decomposition in Fe-26Mn-20Al-C alloys. Mater. Trans. 2011, 52, 521–525. [Google Scholar] [CrossRef]
 - Cheng, W.C.; Cheng, C.Y.; Hsu, C.W.; Laughlin, D.E. Phase transformation of the L12 phase to kappa-carbide after spinodal decomposition and ordering in an Fe-C-Mn-Al austenitic steel. Mater. Sci. Eng. 2015, 642, 128–135. [Google Scholar] [CrossRef]
 - Chao, C.Y.; Hwang, L.K.; Liu, T.F. Spinodal decomposition in Fe-9.0Al-30.5Mn-xC alloy. Scr. Metall. 1993, 29, 647–650. [Google Scholar] [CrossRef]
 - Cahn, J.W. On Spinodal Decomposition in Cubic Crystals. Acta Metall. 1962, 10, 179–183. [Google Scholar] [CrossRef]
 - Choo, W.K.; Kim, J.H.; Yoon, J.C. Microstructural change in austenitic Fe-30.0wt%Mn-7.8wt%Al-1,3wt%C initiated by spinodal decomposition and its influence on mechanical properties. Acta Mater. 1997, 45, 4877–4885. [Google Scholar] [CrossRef]
 - Li, S.; Li, D.; Lu, H.; Cao, P.; Xie, R. Effect of κ carbides on deformation behavior of Fe-27Mn-10Al-1C low density steel. Crystals 2022, 12, 991. [Google Scholar] [CrossRef]
 - Chen, S.; Rana, R.; Haldar, A.; Ray, R.K. Current state of Fe-Mn-Al-C low density steels. Prog. Mater. Sci. 2017, 89, 345–391. [Google Scholar] [CrossRef]
 - Wang, C.S.; Hwang, C.N.; Chao, C.G.; Liu, T.F. Phase transitions in an Fe-9Al-30Mn-2.0C alloy. Scr. Mater. 2007, 57, 809–812. [Google Scholar] [CrossRef]
 - Jeong, S.; Park, G.; Kim, B.; Moon, J.; Park, S.J.; Lee, C. Precipitation behavior and its effect on mechanical properties in weld heat-affected zone in age hardened FeMnAlC lightweight steels. Mater. Sci. Eng. A 2019, 742, 61–62. [Google Scholar] [CrossRef]
 - Gutierrez-Urrutia, I.; Raabe, D. High strength and ductile low density austenitic FeMnAlC steels: Simplex and alloys strengthened by nanoscale ordered car bides. Mater. Sci. Technol. 2014, 30, 1099–1104. [Google Scholar] [CrossRef]
 - Haase, C.; Zehnder, C.; Ingendahl, T.; Bikar, A.; Tang, F.; Hallstedt, B.; Hu, W.; Bleck, W.; Molodov, D.A. On the deformation behaviour of κ-carbide-free and κ-carbide-containing high-Mn light-weight steel. Acta Mater. 2017, 122, 332–343. [Google Scholar] [CrossRef]
 - Kim, C.; Hong, H.U.; Jang, J.H.; Lee, B.H.; Park, S.J.; Moon, J.; Lee, C.H. Reverse partitioning of Al from κ-carbide to the γ-matrix upon Ni addition and its strengthening effect in Fe–Mn–Al–C lightweight steel. Mater. Sci. Eng. A 2021, 820, 141563. [Google Scholar] [CrossRef]
 - Liu, J.; Wu, H.; He, J.; Yang, S.; Ding, C. Effect of κ-carbides on the mechanical properties and superparamagnetism of Fe–28Mn–11Al-1.5/1.7C–5Cr lightweight steels. Mater. Sci. Eng. 2022, A849, 143462. [Google Scholar] [CrossRef]
 - Yao, M.J.; Welsch, E.; Ponge, D.; Haghighat, S.M.H.; Sandlobes, S.; Choi, P.; Herbig, M.; Bleskov, I.; Hickel, T.; Lipinska-Chwalek, M.; et al. Strengthening and strain hardening mechanisms in a precipitation-hardened high-Mn lightweight steel. Acta Mater. 2017, 140, 258–273. [Google Scholar] [CrossRef]
 - Ding, H.; Liu, D.; Cai, M.; Zhang, Y. Austenite-Based Fe-Mn-Al-C Lightweight Steels: Research and Prospective. Metals 2022, 12, 1572. [Google Scholar] [CrossRef]
 - Choi, K.; Seo, C.H.; Lee, H.; Kim, S.K.; Kwak, J.H.; Chin, K.G.; Park, K.T.; Kim, N.J. Effect of aging on the microstructure and deformation behavior of austenite base lightweight Fe-28Mn-9Al-0.8C steel. Scr. Mater. 2010, 63, 1028–1031. [Google Scholar] [CrossRef]
 - Chao, C.Y.; Liu, T.F. Phase transformations in an Fe-7.8Al-29.5Mn-1.5Si-1.05C alloy. Metall. Trans. A 1993, 24A, 1957–1963. [Google Scholar] [CrossRef]
 - Lin, C.L.; Chao, C.G.; Bor, H.Y.; Liu, T.F. Relationship between microstructures and tensile properties of an Fe-30Mn-8.5Al-2.0C alloy. Mater. Trans. 2010, 51, 1084–1088. [Google Scholar] [CrossRef]
 - Huang, H.; Gan, D.; Kao, P.W. Effect of alloying on the κ phase precipitation in austenitic Fe-Mn-Al-C alloys. Scr. Metall. Mater. 1994, 30, 499–504. [Google Scholar] [CrossRef]
 - Li, M.C.; Chang, H.; Kao, P.W.; Gan, D. The effect of Mn and Al contents on the solvus of κ phase in austenitic Fe-Mn-Al-C alloys. Mater. Chem. Phys. 1999, 59, 96–99. [Google Scholar] [CrossRef]
 - Ishida, K.; Ohtani, H.; Satoh, N.; Kainuma, R.; Nishizawa, T. Phase equilibria in Fe-Mn-Al-C alloys. ISIJ Int. 1990, 30, 680–686. [Google Scholar] [CrossRef]
 - Guo, N.; Sun, C.; Fu, M.; Han, M. Misorientation-dependent twinning induced hardening and texture evolution of TWIP steel sheet in plastic deformation process. Metals 2017, 7, 348. [Google Scholar] [CrossRef]
 - Vercammen, S.; Blanpain, B.; De Cooman, B.C.; Wollants, P. Cold rolling behavior of an austenitic Fe-30Mn-3Al-3Si TWIP-steel; the importance of deformation twinning. Acta Mater. 2004, 52, 2005–2012. [Google Scholar] [CrossRef]
 - Souza, F.M.; Padilha, A.F.; Gutierrez-Urruti, I.; Raabe, D. Texture evolution in the Fe-30.5Mn-8.0Al-1.2C and Fe-30.5Mn-2.1Al-1.2C steels upon cold rolling. Rem Rev. Esc. Minas 2016, 69, 59–65. [Google Scholar] [CrossRef]
 - Brasche, F.; Haase, C.; Lipińska-Chwałek, M.; Mayer, J.; Molodov, A.D. Combined κ-carbide precipitation and recovery enables ultra-high strength and ductility in light-weight steels. Mater. Sci. Eng. A 2020, 795, 139928. [Google Scholar] [CrossRef]
 - Lee, K.; Park, S.J.; Lee, J.; Moon, J.; Kang, J.Y.; Kim, D.I.; Suh, J.Y.; Han, H.N. Effect of aging treatment on microstructure and intrinsic mechanical behaviour of Fe–31.4Mn–11.4Al–0.89C lightweight steel. J. Alloys Compd. 2016, 656, 805–811. [Google Scholar] [CrossRef]
 - Wu, C.C.; Yang, C.F.; Huang, T.L.; Tang, K.C. Effects of aging treatments on the precipitation behaviors of nano-scale (Fe, Mn)3AlCx carbides in an Fe-15Mn-8Al-1C alloy. In Proceedings of the International Symposium on Nano Science and Technology, Xiangtan, China, 23–27 October 2009. [Google Scholar]
 - Chen, X.P.; Xu, Y.P.; Ren, P.; Li, W.J.; Cao, W.Q.; Liu, Q. Aging hardening response and β-Mn transformation behaviour of high carbon high manganese austenitic low-density Fe-30Mn-10Al-2C steel. Mater. Sci. Eng. A 2017, 703, 167–172. [Google Scholar] [CrossRef]
 - Moon, J.; Park, S.J.; Lee, C.; Han, H.N.; Lee, T.H.; Lee, C.H. Microstructure Evolution and age-hardening behavior of microalloyed austenitic Fe-30Mn-9Al-0.9C light-weight steels. Metall. Mater. Trans. A 2017, 48A, 4500–4510. [Google Scholar] [CrossRef]
 - Moon, J.; Park, S.J.; Kim, S.D.; Jang, J.H.; Lee, T.H.; Lee, C.H.; Lee, B.H.; Hong, H.U.; Han, H.N. Phase transformation mechanism and hardness during ageing of an austenitic Fe-30Mn-10.5Al-1.1C-3Mo lightweight steel. J. Alloys Compd. 2019, 804, 511–520. [Google Scholar] [CrossRef]
 








| Mn | Al | C | P | S | Fe | 
|---|---|---|---|---|---|
| 29.01 | 9.52 | 0.85 | 0.004 | 0.012 | balance | 
| Sample | Iγ111/Iγ200 | Iγ111/Iγ220 | 
|---|---|---|
| pattern | 2.000 | 3.125 | 
| 30% | 2.977 | 0.791 | 
| 550 °C/30′ | 1.024 | 0.586 | 
| 550 °C/10 h | 1.181 | 0.650 | 
| 550 °C/24 h | 0.500 | 0.749 | 
| 550 °C/100 h | 0.887 | 0.182 | 
| Component | Miller Indices | Euler Angles (φ1, ϕ, φ2) | Fiber | 
|---|---|---|---|
| G (Goss) | (110)<100> | (90°, 90°, 45°) | α, τ,η | 
| B (Brass) | (110)<112> | (55°, 90°, 45°) | α, β | 
| S | (123)<634> | (59°, 37°, 63°) | β | 
| Cu (Copper) | (112)<111> | (90°, 35°, 45°) | τ, β | 
| CuT (Copper Twin) | (552)<115> | (90°, 74°, 45°) | τ | 
| RtG (Rotated Goss) | (110)<110> | (0°, 90°, 45°) | α | 
| E | (111)<110> | (0°, 55°, 45°) | γ | 
| F | (111)<112> | (90°, 55°, 45°) | γ | 
Disclaimer/Publisher’s Note: The statements, opinions and data contained in all publications are solely those of the individual author(s) and contributor(s) and not of MDPI and/or the editor(s). MDPI and/or the editor(s) disclaim responsibility for any injury to people or property resulting from any ideas, methods, instructions or products referred to in the content.  | 
© 2024 by the authors. Licensee MDPI, Basel, Switzerland. This article is an open access article distributed under the terms and conditions of the Creative Commons Attribution (CC BY) license (https://creativecommons.org/licenses/by/4.0/).
Share and Cite
Witkowska, M.; Chronowska-Przywara, K.; Kowalska, J.; Zielińska-Lipiec, A. Microstructure and Texture Evolution of X85MnAl29-9 Steel During Aging. Materials 2024, 17, 5646. https://doi.org/10.3390/ma17225646
Witkowska M, Chronowska-Przywara K, Kowalska J, Zielińska-Lipiec A. Microstructure and Texture Evolution of X85MnAl29-9 Steel During Aging. Materials. 2024; 17(22):5646. https://doi.org/10.3390/ma17225646
Chicago/Turabian StyleWitkowska, Małgorzata, Kinga Chronowska-Przywara, Joanna Kowalska, and Anna Zielińska-Lipiec. 2024. "Microstructure and Texture Evolution of X85MnAl29-9 Steel During Aging" Materials 17, no. 22: 5646. https://doi.org/10.3390/ma17225646
APA StyleWitkowska, M., Chronowska-Przywara, K., Kowalska, J., & Zielińska-Lipiec, A. (2024). Microstructure and Texture Evolution of X85MnAl29-9 Steel During Aging. Materials, 17(22), 5646. https://doi.org/10.3390/ma17225646
        
