Mechanical Properties and Crack Resistance of Basalt Fiber Self-Compacting High Strength Concrete: An Experimental Study
Abstract
1. Introduction
2. Material Selection and Scheme Design
2.1. Selection of Raw Materials
2.1.1. Cement
2.1.2. Coarse Aggregate
2.1.3. Fine Aggregate
2.1.4. Mineral Admixture
2.1.5. Admixture
2.1.6. Fiber and Mixed Water
2.2. Design of Experimental Plan
2.2.1. Mixing Ratio Design
2.2.2. Orthogonal Experimental Design
2.2.3. Preparation and Maintenance of Specimens
3. Study of the Mechanical Properties of Basalt Fiber Self-Compacting High-Strength Concrete
3.1. Compressive Strength Test
3.1.1. Test Method
3.1.2. Test Results and Analysis
3.2. Splitting Tensile Strength Test
3.2.1. Test Method
3.2.2. Test Results and Analysis
3.3. Flexural Strength Test
3.3.1. Test Method
3.3.2. Test Results and Analysis
4. Study of the Crack Resistance of the Basalt Fiber Self-Compacting High Strength Concrete
4.1. Determination of the Optimal Mix Ratio
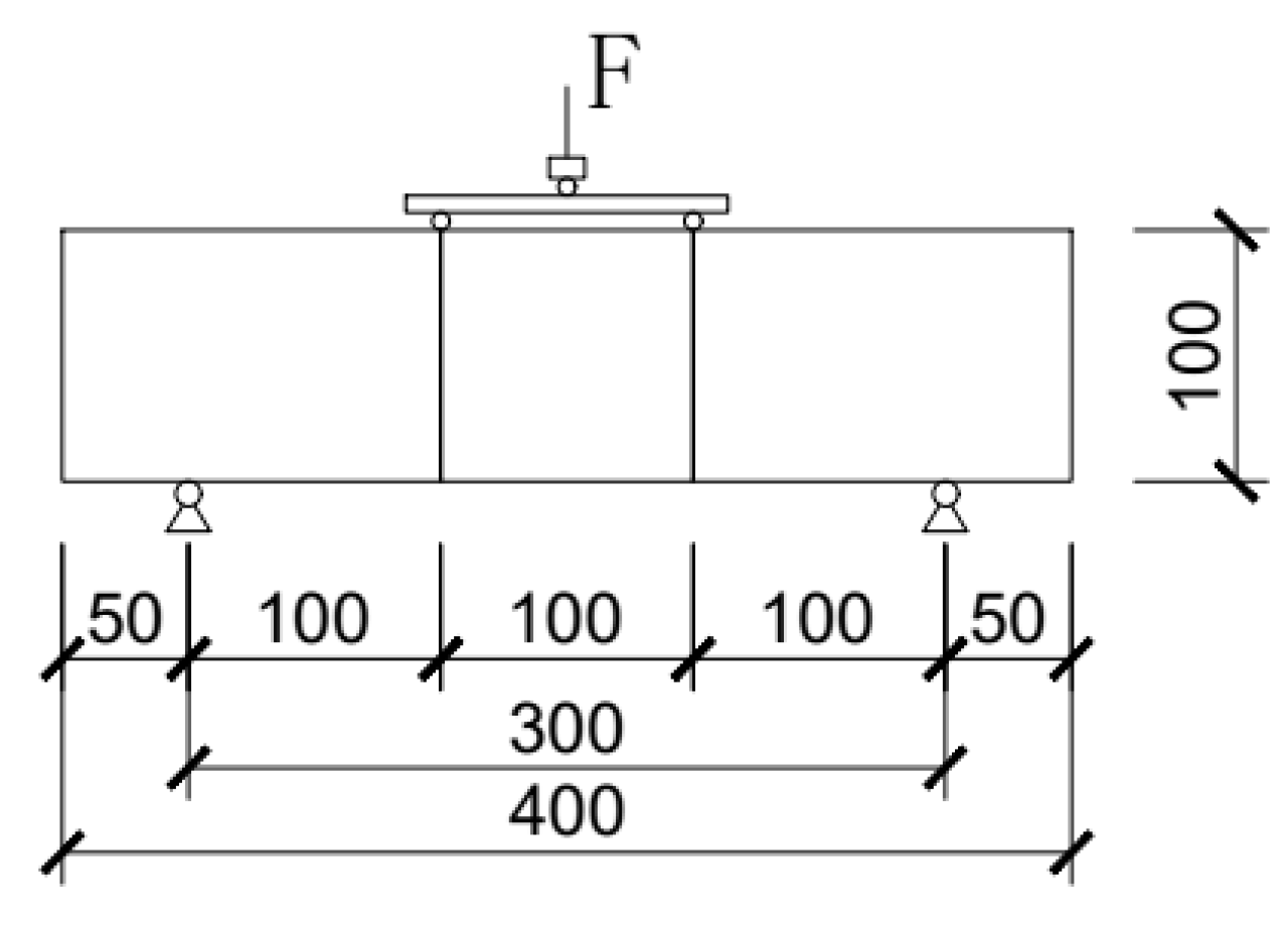
4.2. Test Method
4.3. Test Results and Analysis
4.3.1. Effect of the Fiber Volume Fraction on the Cracks in Self-Compacting High-Strength Concrete
4.3.2. Effect of Fiber Length on Cracks in the Self-Compacting High-Strength Concrete
5. Conclusions
Author Contributions
Funding
Institutional Review Board Statement
Informed Consent Statement
Data Availability Statement
Conflicts of Interest
References
- Benedetty, C.A.; Krahl, P.A.; Almeida, L.C.; Trautwein, L.M.; Siquetira, G.H.; de Andrade Silva, F. Interfacial mechanics of steel fibers in a High-Strength Fiber-Reinforced Self Compacting Concrete. Constr. Build. Mater. 2021, 301, 124344. [Google Scholar] [CrossRef]
- Prakash, R.; Raman, S.N.; Divyah, N.; Subramanian, C.; Vijayaprabha, C.; Praveenkumar, S. Fresh and mechanical characteristics of roselle fibre reinforced self-compacting concrete incorporating fly ash and metakaolin. Constr. Build. Mater. 2021, 290, 123209. [Google Scholar] [CrossRef]
- Ghosh, D.; Abd-Elssamd, A.; Ma, Z.J.; Hun, D. Development of high-early-strength fiber-reinforced self-compacting concrete. Constr. Build. Mater. 2021, 266, 121051. [Google Scholar] [CrossRef]
- Huang, W.R.; He, Y.X.; Cui, J.D.; Chen, X.; Yan, M.H.; Wang, J. Study on long-term performance of C50 machine-made sand self-compacting concrete. Concrete 2021, 11, 106–109+114. (In Chinese) [Google Scholar]
- Mou, X.Y.; Yu, Z.H.; Bao, J.W.; Zhang, P. Workability and Mechanical Properties of Self-Compacting Recycled Concrete: A Review. Bull. Chin. Ceram. Soc. 2022, 41, 1638–1648. (In Chinese) [Google Scholar]
- Gou, Y.H.; Li, L.; Yang, C.X.; Shi, Y.Q. Research Progress of Plant Fiber Reinforced Concrete. Bull. Chin. Ceram. Soc. 2022, 41, 3347–3358. (In Chinese) [Google Scholar]
- Hao, Y.L.; Tan, W.J.; Gou, P.X. Experimental study on basic properties of ultra-high-strength fiber-reinforced concrete containing ordinary Portland cement and various fiber. Concrete 2021, 8, 14–19. (In Chinese) [Google Scholar]
- Mazloom, M.; Ramezanianpour, A.A.; Brooks, J.J. Effect of silica fume on mechanical properties of high-strength concrete. Cem. Concr. Compos. 2004, 26, 347–357. [Google Scholar] [CrossRef]
- Abdelsamiela, K.; Agwa, I.S.; Tayeh, B.A.; Hafez, R.D.A. Improving the brittle behaviour of high-strength concrete using keratin and glass fibers. Adv. Concr. Constr. 2022, 12, 469–477. [Google Scholar] [CrossRef]
- Chan, R.; Santana, M.A.; Oda, A.M.; Paniguel, R.C.; Vieira, L.B.; Figueiredo, A.D.; Galobardes, I. Analysis of potential use of fibre reinforced recycled aggregate concrete for sustainable pavements. J. Clean. Prod. 2019, 218, 183–191. [Google Scholar] [CrossRef]
- Sobuz, M.H.R.; Saha, A.; Anamika, J.F.; Houda, M.; Azab, M.; Akid, A.S.M.; Rana, J. Development of Self-Compacting Concrete Incorporating Rice Husk Ash with Waste Galvanized Copper Wire Fiber. Buildings 2022, 12, 1024. [Google Scholar] [CrossRef]
- Ahmad, J.; Gonzalez-Lezcano, R.A.; Majdi, A.; Ben Kahla, N.; Deifalla, A.F.; El-Shorbagy, M.A. Glass Fibers Reinforced Concrete: Overview on Mechanical, Durability and Microstructure Analysis. Materials 2022, 15, 5111. [Google Scholar] [CrossRef]
- Alberti, M.G.; Enfedaque, A.; Gálvez, J.C. On the mechanical properties and fracture behavior of polyolefin fiber-reinforced self-compacting concrete. Constr. Build. Mater. 2014, 55, 274–288. [Google Scholar] [CrossRef]
- Hossain, K.M.A.; Lachemi, M.; Sammour, M.; Sonebi, M. Strength and fracture energy characteristics of self-consolidating concrete incorporating polyvinyl alcohol, steel and hybrid fibres. Constr. Build. Mater. 2013, 45, 20–29. [Google Scholar] [CrossRef]
- Kamal, M.M.; Safan, M.A.; Etman, Z.A. Mechanical properties of self-compacted fiber concrete mixes. Hbrc J. 2014, 10, 25–34. [Google Scholar] [CrossRef]
- Rao, B.K.; Ravindra, V. Steel fiber reinforced self-compacting concrete incorporating class fly ash. Int. J. Eng. Sci. Technol. 2010, 2, 4936–4943. [Google Scholar]
- Mazaheripour, H.; Ghanbarpour, S.; Mirmoradi, S.H. The effect of polypropylene fibers on the properties of fresh and hardened lightweight self-compacting concrete. Constr. Build. Mater. 2011, 25, 351–358. [Google Scholar] [CrossRef]
- Lawler, J.S.; Zampini, D.; Shah, S.P. Microfiber and macrofiber hybrid fiber-reinforced concrete. J. Mater. Civ. Eng. 2016, 17, 595–604. [Google Scholar] [CrossRef]
- Medina, N.F.; Barluenga, G.; Hernández-Olivares, F. Combined effect of polypropylene fibers and silica fume to improve the durability of concrete with natural pozzolans blended cement. Constr. Build. Mater. 2015, 96, 556–566. [Google Scholar] [CrossRef]
- Ramkumar, K.B.; Rajkumar, P.R.K. Impact of hybrid steel fibres on fresh and mechanical properties of Self-compacting concrete. Case Stud. Constr. Mater. 2022, 17, e01274. [Google Scholar] [CrossRef]
- Afroughsabet, V.; Ozbakkaloglu, T. Mechanical and durability properties of high-strength concrete containing steel and polypropylene fibers. Constr. Build. Mater. 2015, 94, 73–82. [Google Scholar] [CrossRef]
- Wang, X.Z.; Li, C.X.; Ling, J.Y. Experimental Study on Early Crack of Basalt Fiber Reinforced Concrete. Bull. Chin. Ceram. Soc. 2017, 36, 3860–3866. (In Chinese) [Google Scholar]
- Sor, N.H.; Ali, T.K.M.; Vali, K.S.; Ahmed, H.U.; Faraj, R.H.; Bheel, N.; Mosavi, A. The behavior of sustainable self-compacting concrete reinforced with low-density waste Polyethylene fiber. Mater. Res. Express 2022, 9, 035501. [Google Scholar] [CrossRef]
- Cogurcu, M.T. Investigation of mechanical properties of red pine needle fiber reinforced self-compacting ultra high performance concrete. Case Stud. Constr. Mater. 2022, 16, e00970. [Google Scholar] [CrossRef]
- Liu, P.; Hai, R.; Liu, J.X.; Huang, Z. Mechanical Properties and Axial Compression Deformation Property of Steel Fiber Reinforced Self-Compacting Concrete Containing High Level Fly Ash. Materials 2022, 15, 3137. [Google Scholar] [CrossRef]
- Bayraktar, O.Y.; Kaplan, G.; Gencel, O.; Benli, A.; Sutcu, M. Physico-mechanical, durability and thermal properties of basalt fiber reinforced foamed concrete containing waste marble powder and slag. Constr. Build. Mater. 2021, 288, 123128. [Google Scholar] [CrossRef]
- Wang, Y.G.; Hughes, P.; Niu, H.C.; Fan, Y. A new method to improve the properties of recycled aggregate concrete: Composite addition of basalt fiber and nano-silica. J. Clean. Prod. 2019, 236, 117602. [Google Scholar] [CrossRef]
- Majeed, S.S.; Haido, J.H.; Atrushi, D.S.; Al-Kamaki, Y.; Dinkha, Y.Z.; Saadullah, S.T.; Tayeh, B.A. Properties of self-compacted concrete incorporating basalt fibers: Experimental study and Gene Expression Programming (GEP) analysis. Comput. Concr. 2021, 28, 451–463. [Google Scholar]
- Wang, Y.G.; Li, S.P.; Hughes, P.; Yuhui, F. Mechanical properties and microstructure of basalt fibre and nano-silica reinforced recycled concrete after exposure to elevated temperatures. Constr. Build. Mater. 2020, 247, 118561. [Google Scholar]
- Niaki, M.H.; Fereidoon, A.; Ahangari, G. Effect of basalt, silica sand and fly ash on the mechanical properties of quaternary polymer concretes. Bull. Mater. Sci. 2018, 41, 69. [Google Scholar] [CrossRef]
- Fiore, V.; Scalici, T.; Di Bella, G. A review on basalt fibre and its composites. Compos. Part B Eng. 2015, 74, 74–94. [Google Scholar] [CrossRef]
- Rashno, A.; Saghaeifar, A. Durability of ultra-high-performance self-compacting concrete with hybrid fibers. Emerg. Mater. Res. 2020, 9, 331–341. [Google Scholar] [CrossRef]
- Celik, Z.; Bingol, A.F. Fracture properties and impact resistance of self-compacting fiber reinforced concrete (SCFRC). J. Mater. Civ. Eng. 2020, 53, 50. [Google Scholar] [CrossRef]
- Wittmann, F.H. Crack formation and fracture energy of normal and high strength concrete. Sadhana 2002, 27, 413–423. [Google Scholar] [CrossRef]
- Xie, H.Z.; Yang, L.Y.; Zhang, Q.H.; Huang, C.; Chen, M.X.; Zhao, K.P. Research on energy dissipation and damage evolution of dynamic splitting failure of basalt fiber reinforced concrete. Constr. Build. Mater. 2022, 330, 127292. [Google Scholar] [CrossRef]
- Grzegorz, L.G. The phenomenon of cracking in cement concretes and reinforced concrete structures: The mechanism of cracks formation, causes of their initiation, types and places of occurrence, and methods of detection—A review. Buildings 2023, 13, 765. [Google Scholar] [CrossRef]
- Gultekin, A.; Beycioglu, A.; Arslan, M.E. Fresh Properties and Fracture Energy of Basalt and Glass Fiber-Reinforced Self-Compacting Concrete. J. Mater. Civ. Eng. 2020, 34, 04021406. [Google Scholar] [CrossRef]
- Sohail, M.G.; Alnahhal, W.; Taha, A.; Abdelaal, K. Sustainable alternative aggregates: Characterization and influence on mechanical behavior of basalt fiber reinforced concrete. Constr. Build. Mater. 2020, 255, 119365. [Google Scholar] [CrossRef]
- Alyousef, R. Study and experimental investigation on performance self-compacting concrete using different type of fibers. Rev. Romana Mater. Rom. J. Mater. 2018, 48, 355–361. [Google Scholar]
- Gulsan, M.E.; AI Jawahery, M.S.; Alshawaf, A.H. Rehabilitation of normal and self-compacted steel fiber reinforced concrete corbels via basalt fiber. Adv. Concr. Constr. 2018, 6, 423–463. [Google Scholar] [CrossRef]
- Niaki, M.H.; Fereidoon, A.; Ahangari, M.G. Experimental study on the mechanical and thermal properties of basalt fiber and nanoclay reinforced polymer concrete. Compos. Struct. 2018, 191, 231–238. [Google Scholar] [CrossRef]
- Alnahhal, W.; Aljidda, O. Flexural behavior of basalt fiber reinforced concrete beams with recycled concrete coarse aggregates. Constr. Build. Mater. 2018, 169, 165–178. [Google Scholar] [CrossRef]
- Afroz, M.; Patnaikuni, I.; Venkatesan, S. Chemical durability and performance of modified basalt fiber in concrete medium. Constr. Build. Mater. 2017, 154, 191–203. [Google Scholar] [CrossRef]
- JGJ/T283-2012; Technical Specification for Application of Self-Compacting Concrete. Ministry of Housing and Urban-Rural Development of the People’s Republic of China. China Architecture & Building Press: Beijing, China, 2012.
- CECS 13-2009; Standard Test Methods for Fiber Reinforced Concrete. China Engineering Construction Standardization Association. China Planning Press: Beijing, China, 2010.
- GB/T50081-2019; Standard for Test Methods of Concrete Physical and Mechanical Properties. Ministry of Housing and Urban-Rural Development of the People’s Republic of China. China Architecture & Building Press: Beijing, China, 2019.
























| Testing Items | Fineness (%) | Loss on Ignition (%) | MgO (%) | SO3 (%) | Flexural Strength (MPa) | Compressive Strength (MPa) | ||
|---|---|---|---|---|---|---|---|---|
| 3 d | 28 d | 3 d | 28 d | |||||
| Standard value | ≤10.0 | ≤5.0 | ≤5.0 | ≤3.5 | ≥3.5 | ≥6.5 | ≥17.0 | ≥42.5 |
| Actual measured value | 2.0 | 4.07 | 1.47 | 1.75 | 5.1 | 8.3 | 24.4 | 50.1 |
| Mud Content (%) | Apparent Density (kg/m3) | Bulk Density (kg/m3) | Needle and Flake Content (%) | Crushing Value (%) | Porosity (%) |
|---|---|---|---|---|---|
| 1.2 | 2700 | 1620 | 2.8 | 9.6 | 44 |
| Gradation | Nominal Diameter (mm) | Sieve Diameter (mm) | Sieve Residue (%) | Accumulated Sieve Residue (%) |
|---|---|---|---|---|
| Gap gradation | 5~20 | 16.0 | 35.7 | 35.7 |
| 9.50 | 18.6 | 54.3 | ||
| 4.75 | 38.9 | 93.2 | ||
| 2.36 | 6.8 | 100 |
| Mud Content (%) | Fineness Modulus | Apparent Density (kg/m3) | Bulk Density (kg/m3) | Porosity (%) |
|---|---|---|---|---|
| 1.4 | 2.6 | 2600 | 1450 | 40 |
| Sieve Diameter (mm) | 5.0 | 2.5 | 1.25 | 0.630 | 0.315 | 0.16 | <0.16 |
|---|---|---|---|---|---|---|---|
| Sieve residue (%) | 0 | 7.35 | 13.33 | 31.67 | 31.83 | 14.73 | 1.09 |
| Accumulated sieve residue (%) | 0 | 7.35 | 20.68 | 52.35 | 84.18 | 98.91 | 100 |
| Testing Items | (45 μm Square Hole Sieve Residue Value) Fineness (%) | Water Demand Ratio (%) | Loss on Ignition (%) | Moisture Content (%) | SO3 (%) |
|---|---|---|---|---|---|
| Standard value | ≦12.0 | ≦95 | ≦5.0 | ≦1.0 | ≦3.0 |
| Actual measured value | 8.7 | 91 | 2.1 | 0.3 | 0.5 |
| Model | Moisture Content | NaSO4 | Cl− | Water Reduction Rate |
|---|---|---|---|---|
| Viscocrete 530 p | 3% | 0.6% | 0.01% | 28% |
| Monofilament Diameter (μm) | Length (mm) | Density (kg/m3) | Tensile Strength (MPa) | Elastic Modulus (GPa) | Elongation (%) |
|---|---|---|---|---|---|
| 16 | 6, 12, 18 | 2600 | 3000 | 81.9 | 3.22 |
| Performance Level | Ⅰ | Ⅱ | Ⅲ |
|---|---|---|---|
| Volume of coarse aggregate (m3) | 0.28~0.30 | 0.30~0.33 | 0.32~0.35 |
| Cement | Sand | Cobble | Fly Ash | Water |
|---|---|---|---|---|
| 422 | 815.5 | 825.5 | 141 | 180 |
| Horizontal Factor | Water Binder Ratio (W/B): A | Fiber Volume Fraction: B (%) | Fiber Length: C (mm) | Fly Ash Mixing Amount: D (%) |
|---|---|---|---|---|
| 1 | 0.30 | 0.1 | 6 | 20 |
| 2 | 0.32 | 0.2 | 12 | 25 |
| 3 | 0.34 | 0.3 | 18 | 30 |
| Test Number | W/B | Fiber Volume Fraction (%) | Fiber Length (mm) | Fly Ash Mixing Amount (%) |
|---|---|---|---|---|
| A | B | C | D | |
| BF-1 | 1 (0.30) | 1 (0.1) | 1 (6) | 1 (20) |
| BF-2 | 1 (0.30) | 2 (0.2) | 2 (12) | 2 (25) |
| BF-3 | 1 (0.30) | 3 (0.3) | 3 (18) | 3 (30) |
| BF-4 | 2 (0.32) | 1 (0.1) | 2 (12) | 3 (30) |
| BF-5 | 2 (0.32) | 2 (0.2) | 3 (18) | 1 (20) |
| BF-6 | 2 (0.32) | 3 (0.3) | 1 (6) | 2 (25) |
| BF-7 | 3 (0.34) | 1 (0.1) | 3 (18) | 2 (25) |
| BF-8 | 3 (0.34) | 2 (0.2) | 1 (6) | 3 (30) |
| BF-9 | 3 (0.34) | 3 (0.3) | 2 (12) | 1 (20) |
| Number | Test Name | Specimen Size (mm3) | Number of Groups | Number/Group | Number of Specimens (Pieces) |
|---|---|---|---|---|---|
| 1 | Compressive strength | 100 × 100 × 100 | 9 | 3 | 9 × 3 = 27 |
| 2 | Splitting tensile strength | 100 × 100 × 100 | 9 | 3 | 9 × 3 = 27 |
| 3 | Flexural strength | 100 × 100 × 400 | 9 | 3 | 9 × 3 = 27 |
| 4 | Early crack resistance | 800 × 600 × 100 | 6 | 1 | 6 × 1 = 6 |
| Number | A W/B | Fiber Volume Fraction: B (%) | Fiber Length: C (mm) | Fly Ash Mixing Amount: D (%) | Compressive Strength (MPa) |
|---|---|---|---|---|---|
| BF-1 | 1 (0.30) | 1 (0.1) | 1 (6) | 1 (20) | 55.10 |
| BF-2 | 1 (0.30) | 2 (0.2) | 2 (12) | 2 (25) | 58.20 |
| BF-3 | 1 (0.30) | 3 (0.3) | 3 (18) | 3 (30) | 57.60 |
| BF-4 | 2 (0.32) | 1 (0.1) | 2 (12) | 3 (30) | 54.30 |
| BF-5 | 2 (0.32) | 2 (0.2) | 3 (18) | 1 (20) | 54.70 |
| BF-6 | 2 (0.32) | 3 (0.3) | 1 (6) | 2 (25) | 53.10 |
| BF-7 | 3 (0.34) | 1 (0.1) | 3 (18) | 2 (25) | 51.90 |
| BF-8 | 3 (0.34) | 2 (0.2) | 1 (6) | 3 (30) | 52.80 |
| BF-9 | 3 (0.34) | 3 (0.3) | 2 (12) | 1 (20) | 52.50 |
| Items | A W/B | Fiber Volume Fraction: B (%) | Fiber Length: C (mm) | Fly Ash Mixing Amount: D (%) |
|---|---|---|---|---|
| K1 | 170.9 | 161.3 | 161.0 | 162.3 |
| K2 | 162.1 | 165.7 | 165.0 | 163.2 |
| K3 | 157.2 | 163.2 | 164.2 | 164.7 |
| K1- | 56.70 | 53.77 | 53.67 | 54.10 |
| K2- | 54.03 | 55.23 | 55.00 | 54.40 |
| K3- | 52.40 | 54.40 | 54.73 | 54.90 |
| R | 4.30 | 1.46 | 1.33 | 0.80 |
| Number | A W/B | Fiber Volume Fraction: B (%) | Fiber Length: C (mm) | Fly Ash Mixing Amount: D (%) | Splitting Tensile Strength MPa |
|---|---|---|---|---|---|
| BF-1 | 1 (0.30) | 1 (0.1) | 1 (6) | 1 (20) | 3.36 |
| BF-2 | 1 (0.30) | 2 (0.2) | 2 (12) | 2 (25) | 4.45 |
| BF-3 | 1 (0.30) | 3 (0.3) | 3 (18) | 3 (30) | 4.25 |
| BF-4 | 2 (0.32) | 1 (0.1) | 2 (12) | 3 (30) | 3.92 |
| BF-5 | 2 (0.32) | 2 (0.2) | 3 (18) | 1 (20) | 4.18 |
| BF-6 | 2 (0.32) | 3 (0.3) | 1 (6) | 2 (25) | 3.64 |
| BF-7 | 3 (0.34) | 1 (0.1) | 3 (18) | 2 (25) | 3.80 |
| BF-8 | 3 (0.34) | 2 (0.2) | 1 (6) | 3 (30) | 3.59 |
| BF-9 | 3 (0.34) | 3 (0.3) | 2 (12) | 1 (20) | 4.31 |
| Items | A W/B | Fiber Volume Fraction: B (%) | Fiber Length: C (mm) | Fly Ash Mixing Amount: D (%) |
|---|---|---|---|---|
| K1 | 12.06 | 11.07 | 10.59 | 11.85 |
| K2 | 11.73 | 12.22 | 12.69 | 11.88 |
| K3 | 11.70 | 12.20 | 12.23 | 11.76 |
| K1- | 4.02 | 3.69 | 3.53 | 3.95 |
| K2- | 3.91 | 4.06 | 4.23 | 3.96 |
| K3- | 3.90 | 4.07 | 4.08 | 3.92 |
| R | 0.12 | 0.38 | 0.7 | 0.04 |
| Number | A W/B | Fiber Volume Fraction: B (%) | Fiber Length: C (mm) | Fly Ash Mixing Amount: D (%) | Splitting Tensile Strength MPa |
|---|---|---|---|---|---|
| BF-1 | 1 (0.30) | 1 (0.1) | 1 (6) | 1 (20) | 4.67 |
| BF-2 | 1 (0.30) | 2 (0.2) | 2 (12) | 2 (25) | 5.48 |
| BF-3 | 1 (0.30) | 3 (0.3) | 3 (18) | 3 (30) | 5.55 |
| BF-4 | 2 (0.32) | 1 (0.1) | 2 (12) | 3 (30) | 5.45 |
| BF-5 | 2 (0.32) | 2 (0.2) | 3 (18) | 1 (20) | 5.68 |
| BF-6 | 2 (0.32) | 3 (0.3) | 1 (6) | 2 (25) | 5.27 |
| BF-7 | 3 (0.34) | 1 (0.1) | 3 (18) | 2 (25) | 4.95 |
| BF-8 | 3 (0.34) | 2 (0.2) | 1 (6) | 3 (30) | 5.16 |
| BF-9 | 3 (0.34) | 3 (0.3) | 2 (12) | 1 (20) | 5.31 |
| Items | A W/B | Fiber Volume Fraction: B (%) | Fiber Length: C (mm) | Fly Ash Mixing Amount: D (%) |
|---|---|---|---|---|
| K1 | 15.69 | 15.06 | 15.09 | 15.66 |
| K2 | 16.41 | 16.32 | 16.23 | 15.69 |
| K3 | 15.42 | 16.14 | 16.17 | 16.17 |
| K1- | 5.23 | 5.02 | 5.03 | 5.22 |
| K2- | 5.47 | 5.44 | 5.41 | 5.23 |
| K3- | 5.14 | 5.38 | 5.39 | 5.39 |
| R | 0.33 | 0.42 | 0.38 | 0.17 |
| Number | Factor Combination | Assessment Indicators | Efficacy Coefficient | Total Efficacy Coefficient | ||||
|---|---|---|---|---|---|---|---|---|
| Compressive Strength (MPa) | Splitting Tensile Strength (MPa) | Flexural Strength (MPa) | d1 | d2 | d3 | d | ||
| BF-1 | A1B1C1D1 | 55.10 | 3.36 | 4.67 | 0.945 | 0.755 | 0.822 | 0.669 |
| BF-2 | A1B2C2D2 | 58.20 | 4.45 | 5.48 | 1.000 | 1.000 | 0.965 | 0.988 |
| BF-3 | A1B3C3D3 | 57.60 | 4.25 | 5.55 | 0.988 | 0.955 | 0.977 | 0.936 |
| BF-4 | A2B1C2D3 | 54.30 | 3.92 | 5.45 | 0.930 | 0.881 | 0.960 | 0.808 |
| BF-5 | A2B2C3D1 | 54.70 | 4.18 | 5.68 | 0.938 | 0.939 | 1.000 | 0.881 |
| BF-6 | A2B3C1D2 | 53.10 | 3.64 | 5.27 | 0.911 | 0.818 | 0.928 | 0.727 |
| BF-7 | A3B1C3D2 | 51.90 | 3.80 | 4.95 | 0.890 | 0.854 | 0.871 | 0.726 |
| BF-8 | A3B2C1D3 | 52.80 | 3.59 | 5.16 | 0.906 | 0.807 | 0.908 | 0.708 |
| BF-9 | A3B3C2D1 | 52.50 | 4.31 | 5.31 | 0.901 | 0.969 | 0.935 | 0.853 |
| Items | A W/B | Fiber Volume Fraction: B (%) | Fiber Length: C (mm) | Fly Ash Mixing Amount: D (%) |
|---|---|---|---|---|
| K1− | 0.864 | 0.734 | 0.701 | 0.801 |
| K2− | 0.805 | 0.859 | 0.883 | 0.814 |
| K3− | 0.762 | 0.839 | 0.848 | 0.817 |
| R | 0.102 | 0.125 | 0.182 | 0.016 |
| Test Piece Number | Crack Length/Maximum Crack Width for Each Blade Number (mm) | ||||||
|---|---|---|---|---|---|---|---|
| 1 | 2 | 3 | 4 | 5 | 6 | 7 | |
| NC | 596/0.3 | 362/0.27 | 622/0.28 | 502/0.3 | 583/0.32 | 317/0.28 | 565/0.32 |
| K-0.1-12 | 525/0.25 | - | 346/0.2 | 453/0.28 | 533/0.2 | - | 418/0.22 |
| K-0.2-6 | 422/0.25 | 350/0.18 | 328/0.2 | - | 302/0.15 | - | 450/0.2 |
| K-0.2-12 | 262/0.1 | - | 319/0.18 | - | 324/0.2 | 145/0.18 | - |
| K-0.2-18 | - | 292/0.18 | - | 158/0.16 | - | - | - |
| K-0.3-12 | - | - | 185/0.12 | - | 125/0.06 | - | - |
| Test Piece Number | Early Crack Resistance Performance Evaluation Indicators | ||||
|---|---|---|---|---|---|
| n/piece | a/mm2/piece | b/piece/m2 | c/mm2/m2 | η | |
| NC | 7 | 75.53 | 14.58 | 1101.23 | 0 |
| K-0.1–12 | 5 | 52.95 | 10.42 | 551.74 | 0.499 |
| K-0.2–6 | 5 | 43.66 | 10.42 | 454.96 | 0.587 |
| K-0.2–12 | 4 | 21.82 | 8.33 | 181.76 | 0.835 |
| K-0.2–18 | 2 | 19.39 | 4.17 | 80.86 | 0.927 |
| K-0.3–12 | 2 | 7.43 | 4.17 | 30.98 | 0.972 |
Disclaimer/Publisher’s Note: The statements, opinions and data contained in all publications are solely those of the individual author(s) and contributor(s) and not of MDPI and/or the editor(s). MDPI and/or the editor(s) disclaim responsibility for any injury to people or property resulting from any ideas, methods, instructions or products referred to in the content. |
© 2023 by the authors. Licensee MDPI, Basel, Switzerland. This article is an open access article distributed under the terms and conditions of the Creative Commons Attribution (CC BY) license (https://creativecommons.org/licenses/by/4.0/).
Share and Cite
Xue, Z.; Qi, P.; Yan, Z.; Pei, Q.; Zhong, J.; Zhan, Q. Mechanical Properties and Crack Resistance of Basalt Fiber Self-Compacting High Strength Concrete: An Experimental Study. Materials 2023, 16, 4374. https://doi.org/10.3390/ma16124374
Xue Z, Qi P, Yan Z, Pei Q, Zhong J, Zhan Q. Mechanical Properties and Crack Resistance of Basalt Fiber Self-Compacting High Strength Concrete: An Experimental Study. Materials. 2023; 16(12):4374. https://doi.org/10.3390/ma16124374
Chicago/Turabian StyleXue, Zhicheng, Pengfei Qi, Ziran Yan, Qiang Pei, Jintu Zhong, and Qinjian Zhan. 2023. "Mechanical Properties and Crack Resistance of Basalt Fiber Self-Compacting High Strength Concrete: An Experimental Study" Materials 16, no. 12: 4374. https://doi.org/10.3390/ma16124374
APA StyleXue, Z., Qi, P., Yan, Z., Pei, Q., Zhong, J., & Zhan, Q. (2023). Mechanical Properties and Crack Resistance of Basalt Fiber Self-Compacting High Strength Concrete: An Experimental Study. Materials, 16(12), 4374. https://doi.org/10.3390/ma16124374

