Next Article in Journal / Special Issue
Effects of Process Parameters on Cold Spray Additive Manufacturing of Quasicrystalline Al93Fe3Cr2Ti2 Alloy
Previous Article in Journal / Special Issue
Wet Ball Milling Applied to Production of Composites and Coatings Based on Ti, W, and Nb Carbides
 
 
Font Type:
Arial Georgia Verdana
Font Size:
Aa Aa Aa
Line Spacing:
Column Width:
Background:
Article

Cu-10 wt.% Al Alloys Produced by Spark Plasma Sintering of Powder Blends and a Mechanically Alloyed Mixture: A Comparative Investigation

by
Aigul A. Ondar
1,2,
Dina V. Dudina
1,3,*,
Tatiana F. Grigoreva
1,
Evgeniya T. Devyatkina
1,
Sergey V. Vosmerikov
1,
Arina V. Ukhina
1,
Maksim A. Esikov
3,4,
Alexander G. Anisimov
3 and
Nikolay Z. Lyakhov
1
1
Institute of Solid State Chemistry and Mechanochemistry SB RAS, Kutateladze str. 18, Novosibirsk 630090, Russia
2
Novosibirsk State University, Pirogova str. 1, Novosibirsk 630090, Russia
3
Lavrentyev Institute of Hydrodynamics SB RAS, Lavrentyev Ave. 15, Novosibirsk 630090, Russia
4
Novosibirsk State Technical University, K. Marx Ave. 20, Novosibirsk 630073, Russia
*
Author to whom correspondence should be addressed.
Powders 2023, 2(3), 515-524; https://doi.org/10.3390/powders2030032
Submission received: 6 March 2023 / Revised: 11 May 2023 / Accepted: 4 July 2023 / Published: 10 July 2023
(This article belongs to the Special Issue Particle Technologies)

Abstract

Cu–Al bronzes are interesting metallic materials, demonstrating higher hardness, higher wear resistance, higher corrosion resistance and a lower friction coefficient as compared with unalloyed copper. The powder metallurgy approach to the fabrication of these alloys presents opportunities to tailor their phase composition and grain size. In the present work, the structural characteristics, phase composition and properties of Cu-10 wt.% Al alloys obtained by spark plasma sintering (SPS) of powder blends and a powder obtained by mechanical alloying (based on Cu(Al) solid solution) are reported. Alloys with different interaction degrees between the metals were obtained by SPS. The blends demonstrated better sinterability than the mechanically alloyed powder: a nearly fully dense alloy was obtained by SPS of the blend at 480 °C, whereas a temperature of 800 °C was necessary to consolidate the mechanically alloyed powder. The hardness and electrical conductivity of the sintered alloys were comparatively analyzed. It was shown that the Cu-10 wt.% Al alloys obtained without the mechanical alloying stage possess hardness and electrical conductivity comparable to those of the alloys obtained from the mechanically milled powder.

1. Introduction

Copper is one of the first metals that mankind learned to process. It was first used 10,000 years ago and has not lost its relevance to the present day. The properties of copper alloys depend on the nature of the alloying elements and the processing conditions. Cu–Al bronzes are known for their mechanical strength, wear resistance and corrosion resistance, which are higher than those of pure copper [1,2]. The Cu–Al alloys are usually produced commercially in the cast and wrought forms. However, casting and deformation processing are not the only technologies suitable for alloy development. Bronzes are also produced by powder metallurgy [3,4]. The most common powder metallurgy bronzes are Cu–Sn alloys (with different levels of porosity).
Recently, in laboratories, the powder metallurgy approach has been successfully applied to the formation of Cu–Al alloys to explore the possibilities of producing materials with fine grain sizes and different alloying levels [5,6,7,8,9,10,11]. Shaik and Golla [5] produced Cu-15 wt.% Al alloys by mechanical milling and hot pressing. The consolidation was conducted at 500 °C and a varying pressure (100–500 MPa). A high microhardness (6.2 GPa) was achieved for the alloy after hot pressing at 500 MPa. The alloy consisted of a solid solution (Cu0.78Al0.22) and the Cu9Al4 intermetallic phase. Kim et al. [11] investigated the properties of composite materials formed from a mixture with a composition of Al-50 vol.% Cu. The hardness of the composites sintered at a low temperature (380 °C) was nearly twice that calculated using the rule of mixtures for the binary system of metals. An increase in hardness was due to the formation of thin layers of intermetallics at the interfaces between Al and Cu particles. Only partial alloying between the metals allowed maintaining the thermal conductivity of the composite at a high level (200 W m−1 K−1).
In the powder metallurgy processing, metallic scrap (chips) is an alternative raw material for the production of alloys [12] and composites [13,14]. The starting powder mixtures can be prepared by blending or mechanical alloying. The use of the prealloyed powders enables the formation of sintered alloys with a uniform distribution of the elements. At the same time, the metallic powders formed by high-energy ball milling [15] possess a defect structure and are strain-hardened. They may require higher pressures and temperatures to be sintered than the blended powders, which are softer and easier to deform. It is important to note that the preparation of powder blends is less energy-consuming than the process of mechanical alloying.
In the equilibrium state, at room temperature, the Cu-10 wt.% Al composition corresponds to the Cu(Al) solid solution [1]. However, if the alloys are obtained via fast or low-temperature processing, they do not necessarily reach the single-phase state. In the Cu-10 wt.% Al alloys, strengthening is achieved via solid solution strengthening, grain boundary strengthening and strengthening due to the presence of hard particles of Cu–Al intermetallics (if those remain in the microstructure). In these alloys, a high hardness and a low friction coefficient (equal to 0.3) in a pair with steel can be achieved [6]. In our previous work, we reported the properties of the Cu-10 wt.% Al bronze produced by sintering of a mechanically alloyed powder, which consisted of a solid solution as a major phase and Cu9Al4 as a minor phase [8]. Spark plasma sintering (SPS) [16,17,18] was selected as a consolidation method. It allows rapid heating of conductive materials by a pulsed direct current with a simultaneous application of uniaxial pressure.
The goal of the present work was to compare the properties of the Cu-10 wt.% Al alloys obtained by sintering of powder blends with those of the alloys sintered from the prealloyed powder.

2. Materials and Methods

The starting materials for preparing the blends were copper (PMS-1 grade, 99.7%) and two aluminum (PAD-6 grade, 99.9%, referred to below as “fine”, and PA-4 grade, 98%, referred to as “coarse”) powders. The blends were prepared by mixing the powders in a mortar, as the quantities required to prepare the laboratory size specimens are small (~7 g per sample). The use of low-energy mixing devices is possible if the alloys are prepared on an industrial scale. The details of the preparation of the mechanically alloyed powder via high-energy ball milling can be found in ref. [8].
The blends and mechanically alloyed powder were sintered using a SPS Labox 1575 apparatus (SINTER LAND Inc., Nagaoka, Japan). A graphite die with a 20 mm internal diameter and graphite punches were used. The tooling was made of fine-grained graphite (Ellor® + 50, Mersen, France). The temperature was measured using a thermocouple inserted into a hole in the die wall (for sintering of the blends) and a pyrometer (for sintering of the mechanically alloyed powder). The sintering conditions of the samples are given in Table 1 (Results and Discussion section). The sintering temperatures were 480 °C for the blends and 700 °C and 800 °C for the mechanically alloyed powder. The samples were held at the maximum temperature for 5 min and 20 min for the blends and for 5 min for the mechanically alloyed powder. The heating rate was 40 °C min−1 and 100 °C min−1 during the SPS of the blends and the mechanically alloyed powder, respectively. A uniaxial pressure of 20 MPa or 40 MPa was applied during the SPS of the blend. The mechanically alloyed powder was sintered at 40 MPa.
The morphology of the powders and microstructure of the sintered alloys were studied via scanning electron microscopy and energy-dispersive spectroscopy using a Hitachi Tabletop TM-1000 microscope (Tokyo, Japan) with an elemental analysis unit (Oxford Instruments, Abingdon, UK). The back-scattered electron imaging mode was used for recording the images. Point spectra were collected from characteristic areas of the microstructure of the alloys. The porosity of the alloys sintered from the blends was determined by analyzing the optical images of the cross-sections of the samples in OLYMPUS Stream Image Analysis software “Stream Essentials 1.9.1” (Tokyo, Japan). The X-ray diffraction (XRD) patterns of the powders and sintered alloys were recorded with a D8 ADVANCE diffractometer (Bruker AXS, Karlsruhe, Germany), using Cu Kα radiation. The quantitative analysis of the phase composition of the alloys was carried out using TOPAS 4.2 software (Bruker AXS, Karlsruhe, Germany).
Vickers hardness of the alloys was measured on polished cross-sections using a DuraScan 50 hardness tester (EMCO-TEST, Kuchl, Austria) at a load of 1 kg. The direction of indentation was normal to the pressing direction during SPS. The average value of hardness was determined from 10 measurements. The electrical conductivity of the alloys was measured using the eddy current method [19] on a custom-made set-up and is reported relative to the International Annealed Copper Standard (%IACS). An average value of electrical conductivity was determined from three measurements.

3. Results and Discussion

The morphologies of the elemental Al and Cu powders and the prealloyed Cu–Al powder are shown in Figure 1. The coarse Al powder consists of particles 10–45 μm in size (Figure 1a). The fine Al powder consists of particles in the range of 3–10 μm (Figure 1b). The Al particles are spherical. The average size of the Cu powder is 40 μm (Figure 1c), the particles possess a dendritic shape. The mechanically alloyed Cu–Al powder has a platelet shape (Figure 1d).
The fast sintering of the Cu-10 wt.% Al blends via SPS allows for the achievement of different alloying levels in the material, depending on the sintering parameters. Before a Cu(Al) solid solution forms, Al-rich and Cu-rich phases appear. For the SPS processing of the blends, a temperature of 480 °C was selected. The real temperature of the conductive samples (in the low SPS temperature range) is about 30–40 degrees higher than the measured temperature [20]. Even when this difference is added, the temperature remains below the lowest melting point eutectic in the Cu–Al system (548 °C) [1].
Figure 2 shows the XRD patterns of the alloys obtained from the powder blends. The calculated phase contents in the alloys are presented in Table 1. In the alloy produced using the coarse Al powder, the Al particles are not fully consumed, as indicated by reflections of metallic aluminum (Figure 2a). The CuAl2 and Cu9Al4 intermetallics are present in the alloy at low concentrations, as their reflections are weak. In the microstructure of this alloy (Figure 3a,b), particles with a core-shell structure are observed. The shells of the particles demonstrate a layered structure. The inclusions in the core interior are believed to be particles of CuAl2 formed via grain boundary diffusion of copper into aluminum and precipitation of the phase from the Al(Cu) solid solution upon cooling. In the alloys formed from the fine Al particles, aluminum fully reacted with copper to form the Cu9Al4 phase and Cu(Al) solid solutions (Figure 2b–d). As aluminum dissolves in copper, the lattice parameter of the latter increases [8], and its XRD peaks shift to lower angles. The presence of asymmetrical lines in the XRD patterns of the alloy (Figure 2b–d) is due to the presence of reflections from Cu(Al) solid solutions.
Several zones of the microstructure of the Cu-10 wt.% Al alloy obtained from the powder blend using the fine Al powder (5 min, 40 MPa) are shown in Figure 4a,c,e. The spectra taken from the points marked in the images are presented in Figure 4b,d,f. It is seen that, as one moves from dark-gray to gray, and then further to light-gray regions, the Al signals become weaker, and its concentration decreases. The brighter areas are richer in copper. In the alloys shown in Figure 3d,f, the dark islands appear to be CuAl2, which is present at a low concentration. Increasing the holding time of the sample at the sintering temperature to 20 min leads to further alloying between the metals, the dark-gray areas disappearing from the microstructure of the alloy (Figure 3h).
The microstructural features of the alloys allow us to discuss the possible diffusion events in the system upon heating and soaking at 480 °C. In the Cu–Al system, a reaction of self-propagating high-temperature synthesis is possible upon heating (when the intermetallic phases are synthesized) [21]. This means that an additional temperature rise can occur locally in the reaction mixture. Therefore, during SPS at a measured temperature of 480 °C, the formation of transient melt (appearing and rapidly reacting with the residual solid copper) cannot be completely ruled out. As the sample is heated to 480 °C, copper diffuses into the aluminum particles. Evidence of this was obtained on the sample prepared using the coarse Al powder. In the volume of Al particles, bright inclusions are visible, distributed along the grain boundaries, as mentioned above (Figure 4b). As reported by Joseph et al. [22], in the composite formed by SPS of a mixture of Al and an Al–Cu–Fe alloy (the maximum temperature of the process was 550 °C), copper contained in the alloy diffused into the aluminum matrix, which led to the formation of CuAl2 precipitates in the sintered alloy.
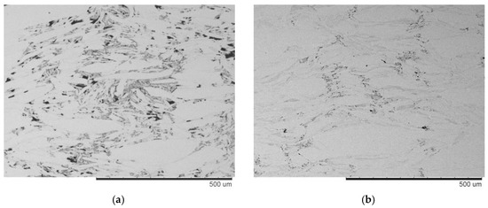
The mechanically alloyed powder was mainly a Cu(Al) solid solution, with Cu9Al4 as the minor phase (Figure 5a). The alloys sintered from this powder at 700 °C and 800 °C are solid solutions (Figure 5b,c). As the powder had a platelet shape (Figure 1d), the particles formed stacks upon pressing during SPS, such that the sintered alloy had a layered structure (Figure 6a,b). The mechanically alloyed powder could not be sintered at temperatures below 700 °C into robust compacts using a holding time of 5 min.
The residual porosity, Vickers hardness and electrical conductivity of Cu-10 wt.% Al alloys obtained by SPS of the powder blends and mechanically alloyed mixture are summarized in Table 1. The alloys obtained from the powder blends showed low porosities (1–2%). Even after SPS at 700 °C, the porosity of the alloy sintered from the prealloyed powder was still high (15%). After SPS at 800 °C, the porosity of the alloy was lower, amounting to 6%. The alloy, in which the aluminum phase was largely preserved, demonstrated the lowest hardness and the highest electrical conductivity in the studied series. The interaction between the metals led to a decrease in the electrical conductivity of the alloys and an increase in their hardness. The alloys, in which aluminum was nearly fully consumed in the formation of the intermetallic phases or solid solutions, demonstrated close values of electrical conductivity. The alloy sintered from the prealloyed powder demonstrated a hardness of 280 HV1, while the alloy sintered from the powder blend for 20 min had a hardness of 190 HV1, which is lower but still comparable to that of the former. The lower hardness of the alloy produced from the blend is due to the presence of the unalloyed copper. A further increase in the sintering time can be instrumental for the homogenization of the alloy composition.
The microstructure and property data reported above indicate that, if ball-milling devices are unavailable in a technological line, SPS of the blends can still produce materials with an acceptable level of properties. As the particle size of the starting powder, the temperature and the sintering time are key parameters determining the phase composition of the alloys formed from the powder blends, a variety of alloys can be obtained by changing these parameters.
In future research, it would be interesting to determine the tribological properties of these alloys depending on the alloying level achieved during sintering. Furthermore, the peculiarities of diffusion between copper and aluminum during SPS, if any, should be elucidated by comparing the reaction product growth processes in samples heated in a conventional furnace with those heated by pulsed electric current.

4. Summary

Cu-10 wt.% Al materials with different alloying degrees were obtained by SPS of powder blends and a mechanically alloyed mixture. During SPS of the blends, the alloying degree depended on the size of the starting Al particles and the sintering time. The blends demonstrated higher sinterability than the powder obtained by mechanical alloying, requiring lower temperatures for densification. Nearly fully dense alloys were produced from the blends via SPS at 480 °C (holding time 5–20 min). It was shown that, from the powder blends, it is possible to form alloys with hardness and electrical conductivity comparable to those of alloys obtained from the mechanically alloyed mixture. The alloy sintered from the powder blend for 20 min was composed of Cu, Cu(Al) and Cu9Al4, and had a hardness of 190 HV1 and an electrical conductivity of 10% IACS. If a higher hardness is necessary, one can resort to mechanical alloying at the powder preparation stage. In summary, this study has demonstrated the competitiveness of the powder blend reaction mixture approach with the approach based on mechanical alloying, provided a fine Al powder is used for composing the blends. Cu-10 wt.% Al alloys with a high hardness and an appreciable electrical conductivity have been obtained from powder blends formed using a fine Al powder.

Author Contributions

Conceptualization, D.V.D. and T.F.G.; methodology, A.A.O. and A.G.A.; investigation, A.V.U., E.T.D., S.V.V., A.G.A., M.A.E. and A.A.O.; writing—original draft preparation, A.A.O.; writing—review and editing, D.V.D., E.T.D. and S.V.V.; supervision, D.V.D. and A.G.A.; project administration, A.G.A. and N.Z.L.; funding acquisition, A.G.A. and N.Z.L. All authors have read and agreed to the published version of the manuscript.

Funding

This work was supported by the Ministry of Science and Higher Education of the Russian Federation (projects #121032500062-4 and #121121600298-7).

Institutional Review Board Statement

Not applicable.

Informed Consent Statement

Not applicable.

Data Availability Statement

The data required to reproduce the results of this study are provided in the Materials and Methods section.

Acknowledgments

The authors are grateful to Boris B. Bokhonov for useful discussions and Vyacheslav V. Markushin for his help in preparing the metallographic samples of the alloys.

Conflicts of Interest

The authors declare no conflict of interest. The funders had no role in the design of the study; in the collection, analyses, or interpretation of data; in the writing of the manuscript; or in the decision to publish the results.

References

  1. Brandes, E.A.; Brook, G.B. (Eds.) Smithells Metal Reference Handbook, 7th ed.; Butterworth-Heinemann: Oxford, UK, 1998. [Google Scholar]
  2. Website of Copper Development Association Inc. Available online: https://www.copper.org (accessed on 1 March 2023).
  3. ASM International Handbook Committee. ASM Handbook, Powder Metal Technologies and Applications; ASM International: Cleveland, OH, USA, 1998; Volume 7. [Google Scholar]
  4. German, R.M. Sintering: From Empirical Observations to Scientific Principles; Butterworth-Heinemann: Oxford, UK, 2014; 544p. [Google Scholar]
  5. Shaik, M.A.; Golla, B.R. Densification, microstructure and properties of mechanically alloyed and hot-pressed Cu–15 wt% Al alloy. J. Mater. Sci. 2018, 53, 14694–14712. [Google Scholar] [CrossRef]
  6. Shaik, M.A.; Golla, B.R. Development of highly wear resistant Cu-Al alloys processed via powder metallurgy. Tribol. Int. 2019, 136, 127–139. [Google Scholar] [CrossRef]
  7. Shaik, M.A.; Golla, B.R. Microstructure, mechanical and wear property correlation of Al bronze alloys. Powder Metall. 2023, 66, 54–63. [Google Scholar] [CrossRef]
  8. Dudina, D.V.; Grigoreva, T.F.; Kvashnin, V.I.; Devyatkina, E.T.; Vosmerikov, S.V.; Ukhina, A.V.; Novoselov, A.N.; Legan, M.A.; Esikov, M.A.; Lukyanov, Y.L.; et al. Microstructure and properties of Cu-10 wt% Al bronze obtained by high-energy mechanical milling and spark plasma sintering. Mater. Lett. 2022, 312, 131671. [Google Scholar] [CrossRef]
  9. Zhai, W.; Lu, W.; Zhang, P.; Zhou, M.; Liu, X.; Zhou, L. Microstructure, mechanical and tribological properties of nickel-aluminium bronze alloys developed via gas atomization and spark plasma sintering. Mater. Sci. Eng. A 2017, 707, 325–336. [Google Scholar] [CrossRef]
  10. Kim, K.; Kim, D.; Park, K.; Cho, M.; Cho, S.; Kwon, H. Effect of intermetallic compounds on the thermal and mechanical properties of Al–Cu composite materials fabricated by spark plasma sintering. Materials 2019, 12, 1546. [Google Scholar] [CrossRef] [PubMed]
  11. Kim, D.; Kim, K.; Kwon, H. Investigation of formation behaviour of Al–Cu intermetallic compounds in Al–50vol%Cu composites prepared by spark plasma sintering under high pressure. Materials 2021, 14, 266. [Google Scholar] [CrossRef] [PubMed]
  12. Paraskevas, D.; Vanmeensel, K.; Vleugels, J.; Dewulf, W.; Duflou, J.R. The use of Spark Plasma Sintering to fabricate a two-phase material from blended aluminium alloy scrap and gas atomized powder. Proc. CIRP 2015, 26, 455–460. [Google Scholar] [CrossRef]
  13. Dias, A.N.O.; da Silva, A.; Rodrigues, C.A.; de Lourdes Noronha Motta Melo, M.; Rodrigues, G.; Silva, G. Effect of high energy milling time of the aluminum bronze alloy obtained by powder metallurgy with niobium carbide addition. Mater. Res. 2017, 20, 747–754. [Google Scholar] [CrossRef]
  14. Ferreira, L.F.P.; Bayraktar, E.; Miskioglu, I.; Katundi, D. Design of hybrid composites from scrap aluminum bronze chips. In Mechanics of Composite and Multi-Functional Materials; Springer: Berlin/Heidelberg, Germany, 2017; Volume 7, pp. 131–138. [Google Scholar]
  15. Dudina, D.V.; Bokhonov, B.B. Materials development using high-energy ball milling: A review dedicated to the memory of M.A. Korchagin. J. Compos. Sci. 2022, 6, 188. [Google Scholar] [CrossRef]
  16. Olevsky, E.A.; Dudina, D.V. Field-Assisted Sintering: Science and Applications; Springer International Publishing: Cham, Switzerland, 2018; 425p. [Google Scholar]
  17. Abedi, M.; Asadi, A.; Vorotilo, S.; Mukasyan, A.S. A critical review on spark plasma sintering of copper and its alloys. J. Mater. Sci. 2021, 56, 19739–19766. [Google Scholar] [CrossRef]
  18. Abedi, M.; Sovizi, S.; Azarniya, A.; Giuntini, D.; Seraji, M.E.; Hosseini, H.R.M.; Amutha, C.; Ramakrishna, S.; Mukasyan, A. An analytical review on Spark Plasma Sintering of metals and alloys: From processing window, phase transformation, and property perspective. Crit. Rev. Solid State Mater. Sci. 2022, 48, 169–214. [Google Scholar] [CrossRef]
  19. Crowley, J.D.; Rabson, T.A. Contactless method of measuring resistivity. Rev. Sci. Instrum. 1976, 47, 712–715. [Google Scholar] [CrossRef]
  20. Kvashnin, V.I.; Dudina, D.V.; Ukhina, A.V.; Koga, G.Y.; Georgarakis, K. The benefit of the glassy state of reinforcing particles for the densification of aluminum matrix composites. J. Compos. Sci. 2022, 6, 135. [Google Scholar] [CrossRef]
  21. Itin, V.I.; Naiborodenko, Y.S. High-Temperature Synthesis of Intermetallic Compounds; Tomsk State University Publishing: Tomsk, Russia, 1989; 214p. (In Russian) [Google Scholar]
  22. Joseph, A.; Gauthier-Brunet, V.; Joulain, A.; Bonneville, J.; Dubois, S.; Monchoux, J.-P.; Pailloux, F. Mechanical properties of Al/ω-Al-Cu-Fe composites synthesized by the SPS technique. Mater. Charact. 2018, 145, 644–652. [Google Scholar] [CrossRef]
Figure 1. Morphology of the starting powders: (a) coarse Al powder, (b) fine Al powder, (c) Cu powder and (d) mechanically alloyed Cu-10 wt.% Al powder mixture.
Figure 1. Morphology of the starting powders: (a) coarse Al powder, (b) fine Al powder, (c) Cu powder and (d) mechanically alloyed Cu-10 wt.% Al powder mixture.
Powders 02 00032 g001
Figure 2. X-ray diffraction (XRD) patterns of the sintered alloys obtained from the Cu-10 wt.% Al powder blends by SPS at 480 °C: (a) coarse Al powder, 5 min, 40 MPa; (b) fine Al powder, 5 min, 20 MPa; (c) fine Al powder, 5 min, 40 MPa; (d) fine Al powder, 20 min, 40 MPa. The lines of pure copper (according to PDF card #00-04-0836) are plotted as a reference.
Figure 2. X-ray diffraction (XRD) patterns of the sintered alloys obtained from the Cu-10 wt.% Al powder blends by SPS at 480 °C: (a) coarse Al powder, 5 min, 40 MPa; (b) fine Al powder, 5 min, 20 MPa; (c) fine Al powder, 5 min, 40 MPa; (d) fine Al powder, 20 min, 40 MPa. The lines of pure copper (according to PDF card #00-04-0836) are plotted as a reference.
Powders 02 00032 g002
Figure 3. Microstructure of the Cu-10 wt.% Al alloy obtained from the powder blend: (a,b) coarse Al powder, 5 min, 40 MPa; (c,d) fine Al powder, 5 min, 20 MPa; (e,f) fine Al powder, 5 min, 40 MPa; (g,h) fine Al powder, 20 min, 40 MPa. The phases are marked in (b,d,f,h).
Figure 3. Microstructure of the Cu-10 wt.% Al alloy obtained from the powder blend: (a,b) coarse Al powder, 5 min, 40 MPa; (c,d) fine Al powder, 5 min, 20 MPa; (e,f) fine Al powder, 5 min, 40 MPa; (g,h) fine Al powder, 20 min, 40 MPa. The phases are marked in (b,d,f,h).
Powders 02 00032 g003aPowders 02 00032 g003b
Figure 4. Characteristic zones of the microstructure of the Cu-10 wt.% Al alloy obtained from the powder blend (fine Al powder, 480 °C, 5 min, 40 MPa) (a,c,e) and corresponding point spectra taken in locations marked with a red “+” sign (b,d,f). In the spectra, horizontal axis—energy, keV; vertical axis—counts, arbitrary units.
Figure 4. Characteristic zones of the microstructure of the Cu-10 wt.% Al alloy obtained from the powder blend (fine Al powder, 480 °C, 5 min, 40 MPa) (a,c,e) and corresponding point spectra taken in locations marked with a red “+” sign (b,d,f). In the spectra, horizontal axis—energy, keV; vertical axis—counts, arbitrary units.
Powders 02 00032 g004aPowders 02 00032 g004b
Figure 5. XRD patterns of the mechanically alloyed Cu-10 wt.% Al powder (a) and alloys obtained from the mechanically alloyed powder by SPS (at 700 °C (b) and 800 °C (c)). The lines of pure copper (according to PDF card #00-04-0836) are plotted as a reference.
Figure 5. XRD patterns of the mechanically alloyed Cu-10 wt.% Al powder (a) and alloys obtained from the mechanically alloyed powder by SPS (at 700 °C (b) and 800 °C (c)). The lines of pure copper (according to PDF card #00-04-0836) are plotted as a reference.
Powders 02 00032 g005
Figure 6. Microstructure of Cu-10 wt.% Al alloys obtained by SPS of the mechanically alloyed mixture: (a) 700 °C and (b) 800 °C.
Figure 6. Microstructure of Cu-10 wt.% Al alloys obtained by SPS of the mechanically alloyed mixture: (a) 700 °C and (b) 800 °C.
Powders 02 00032 g006
Table 1. The powder composition, sintering conditions, phase composition, residual porosity, Vickers hardness and electrical conductivity of Cu-10 wt.% Al alloys obtained by spark plasma sintering of powder blends and a mechanically alloyed mixture.
Table 1. The powder composition, sintering conditions, phase composition, residual porosity, Vickers hardness and electrical conductivity of Cu-10 wt.% Al alloys obtained by spark plasma sintering of powder blends and a mechanically alloyed mixture.
PowderSintering ConditionsPhase Contents, wt.%Residual Porosity, %Vickers Hardness, HV1Electrical Conductivity, % IACS *
Blend, coarse Al powder480 °C, 5 min, 40 MPaCu: 83 ± 3
CuAl2: 8 ± 1
Cu9Al4: 4 ± 1
Al: 5 ± 1
2.0 ± 0.370 ± 356 ± 3
Blend, fine Al powder480 °C, 5 min, 40 MPaCu: 35 ± 1
Cu(Al): 23 ± 1
Cu9Al4: 42 ± 1
1.0 ± 0.3160 ± 1516 ± 1
Blend, fine Al powder480 °C, 5 min, 20 MPaCu: 30 ± 1
Cu(Al): 25 ± 1
Cu9Al4: 45 ± 1
2.0 ± 0.3120 ± 1015 ± 1
Blend, fine Al powder480 °C, 20 min, 40 MPaCu: 24 ± 1
Cu(Al): 30 ± 1
Cu9Al4: 46 ± 1
1.0 ± 0.3190 ± 1010 ± 1
Mechanically alloyed mixture700 °C, 5 min, 40 MPaCu(Al): 10015280 ± 20 **12 ± 1 **
Mechanically alloyed mixture800 °C, 5 min, 40 MPaCu(Al): 1006280 ± 20 **15 ± 1 **
* International Annealed Copper Standard; ** data from ref. [8].
Disclaimer/Publisher’s Note: The statements, opinions and data contained in all publications are solely those of the individual author(s) and contributor(s) and not of MDPI and/or the editor(s). MDPI and/or the editor(s) disclaim responsibility for any injury to people or property resulting from any ideas, methods, instructions or products referred to in the content.

Share and Cite

MDPI and ACS Style

Ondar, A.A.; Dudina, D.V.; Grigoreva, T.F.; Devyatkina, E.T.; Vosmerikov, S.V.; Ukhina, A.V.; Esikov, M.A.; Anisimov, A.G.; Lyakhov, N.Z. Cu-10 wt.% Al Alloys Produced by Spark Plasma Sintering of Powder Blends and a Mechanically Alloyed Mixture: A Comparative Investigation. Powders 2023, 2, 515-524. https://doi.org/10.3390/powders2030032

AMA Style

Ondar AA, Dudina DV, Grigoreva TF, Devyatkina ET, Vosmerikov SV, Ukhina AV, Esikov MA, Anisimov AG, Lyakhov NZ. Cu-10 wt.% Al Alloys Produced by Spark Plasma Sintering of Powder Blends and a Mechanically Alloyed Mixture: A Comparative Investigation. Powders. 2023; 2(3):515-524. https://doi.org/10.3390/powders2030032

Chicago/Turabian Style

Ondar, Aigul A., Dina V. Dudina, Tatiana F. Grigoreva, Evgeniya T. Devyatkina, Sergey V. Vosmerikov, Arina V. Ukhina, Maksim A. Esikov, Alexander G. Anisimov, and Nikolay Z. Lyakhov. 2023. "Cu-10 wt.% Al Alloys Produced by Spark Plasma Sintering of Powder Blends and a Mechanically Alloyed Mixture: A Comparative Investigation" Powders 2, no. 3: 515-524. https://doi.org/10.3390/powders2030032

APA Style

Ondar, A. A., Dudina, D. V., Grigoreva, T. F., Devyatkina, E. T., Vosmerikov, S. V., Ukhina, A. V., Esikov, M. A., Anisimov, A. G., & Lyakhov, N. Z. (2023). Cu-10 wt.% Al Alloys Produced by Spark Plasma Sintering of Powder Blends and a Mechanically Alloyed Mixture: A Comparative Investigation. Powders, 2(3), 515-524. https://doi.org/10.3390/powders2030032

Article Metrics

Back to TopTop