Solar Photovoltaic Diagnostic System with Logic Verification and Integrated Circuit Design for Fabrication
Abstract
1. Introduction
2. Prior Art
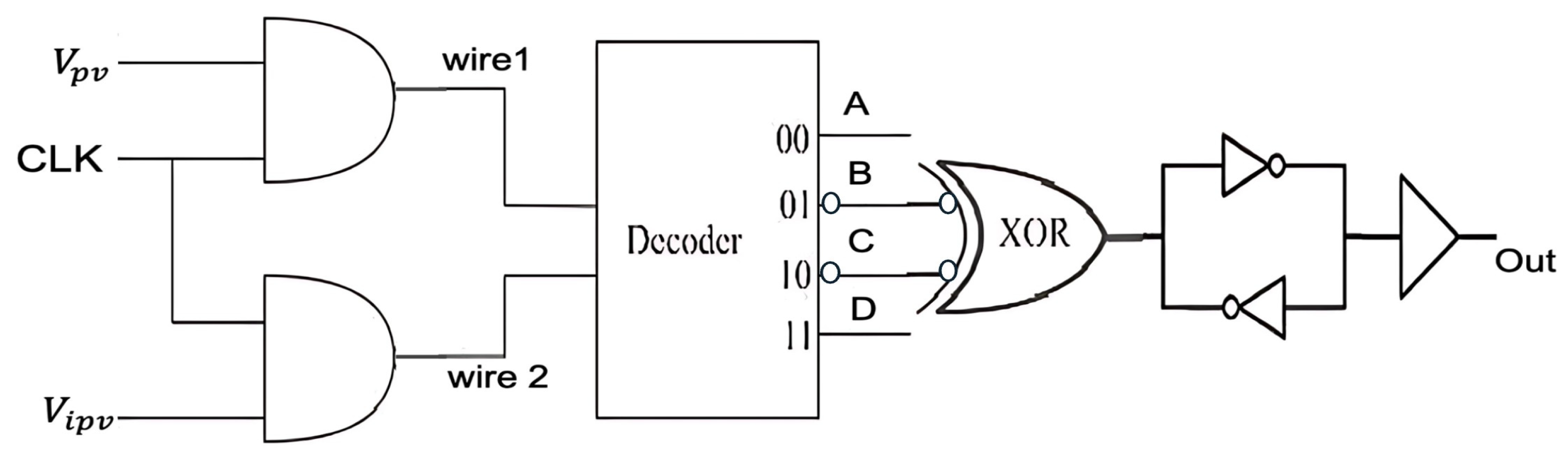
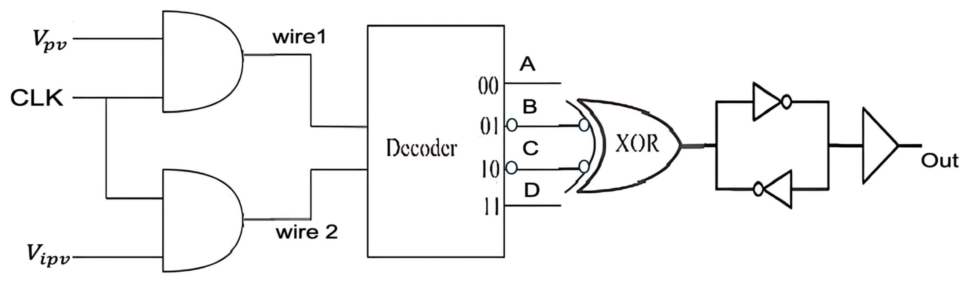
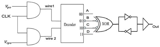
3. Proposed System Architecture
4. FPGA-Based Verification for SPD System
4.1. Code Implementation
| //Step 1: Read Inputs Input Vpv, Vipv, CLK |
| //Step 2: Generate gated signals wire1 = AND(Vpv, CLK) wire2 = AND(Vipv, CLK) |
| //Step 3: Invert intermediate signals NotWire1 = NOT(wire1) NotWire2 = NOT(wire2) |
| //Step 4: Create condition logic Temp1 = NotWire1 AND NotWire2 Temp2 = NotWire1 AND wire2 Temp3 = wire1 AND NotWire2 Temp4 = wire1 AND wire2 |
| //Step 5: Output logic from decoder A = NOT(Temp1)//No input from SP (idle) B = NOT(Temp2)//Short Circuit (SC) C = NOT(Temp3)//Open Circuit (OC) D = NOT(Temp4)//Normal panel condition |
| //Step 6: Output states to LEDs LEDR0 = wire1//Voltage line status LEDR1 = wire2//Current line status LEDR2 = A//Idle or no signal LEDR3 = B//SC detected LEDR4 = C//OC detected LEDR5 = D//Normal condition |
| //Step 7: Fault detection using XOR logic XORout = B XOR C |
| //Step 8: Memory latch to hold fault state Buff1 = NOT(XORout) Buff2 = NOT(Buff1) LEDR6 = Buff2//Latched output (1 if SC or OC occurred) |
| END |
4.2. SPD System Functionality Test Results
5. ASIC Based Implementation
5.1. Voltage Sensing and Current Sensing Microcircuits
5.2. Activation Clock Signal Circuit
5.3. Logic Driver Circuit and Logic Gate
5.4. Custom Memory Circuit Design
6. ASIC Implementation: Layout and Fabrication
7. Conclusions
Author Contributions
Funding
Institutional Review Board Statement
Informed Consent Statement
Data Availability Statement
Conflicts of Interest
Abbreviations
ASIC | Application-Specific Integrated Circuit |
CMOS | Complementary Metal–Oxide Semiconductor |
CSC | Current-Sensing Circuit |
DA | Differential Amplifier |
FPGA | Field-Programmable Gate Array |
HDL | Hardware Description Language |
IMP | Current at Maximum Power Point |
ISC | Short-Circuit Current |
LDC | Logic Driver Circuit |
OC | Open Circuit |
PMP | Maximum Power Point |
PV | Photovoltaic |
SC | Short Circuit |
SP | Solar Panel |
SPD | Solar Panel Diagnostic |
SQ-L | Shockley–Queisser Limit |
TSMC | Taiwan Semiconductor Manufacturing Company |
VMP | Voltage at Maximum Power Point |
VOC | Open-Circuit Voltage |
VSC | Voltage-Sensing Circuit |
References
- Benestad, R.E.; Schmidt, G.A. Solar trends and global warming. J. Geophys. Res. Atmos. 2009, 114, D14101. [Google Scholar] [CrossRef]
- Jones, A.C.; Hawcroft, M.K.; Haywood, J.M.; Jones, A.; Guo, X.; Moore, J.C. Regional climate impacts of stabilizing global warming at 1.5 K using solar geoengineering. Earth’s Future 2018, 6, 230–251. [Google Scholar] [CrossRef]
- Li, Z.; Yue, J.; Xiang, Y.; Chen, J.; Bian, Y.; Chen, H. Multiresolution analysis of the relationship of solar activity, global temperatures, and global warming. Adv. Meteorol. 2018, 2018, 2078057. [Google Scholar] [CrossRef]
- Al-Ghussain, L. Global warming: Review on driving forces and mitigation. Environ. Prog. Sustain. Energy 2019, 38, 13–21. [Google Scholar] [CrossRef]
- Singh, S.; Kajal, P.; Dhar, A.; Mathews, N.; Boix, P.P.; Powar, S. Reduced global warming potential in carbon-based perovskite solar modules: Cradle-to-gate life cycle analysis. J. Clean. Prod. 2023, 426, 139136. [Google Scholar] [CrossRef]
- Podder, A.K.; Roy, N.K.; Pota, H.R. MPPT methods for solar PV systems: A critical review based on tracking nature. IET Renew. Power Gener. 2019, 13, 1615–1632. [Google Scholar] [CrossRef]
- Ali, A.; Almutairi, K.; Padmanaban, S.; Tirth, V.; Algarni, S.; Irshad, K.; Islam, S.; Zahir, M.H.; Shafiullah, M.; Malik, M.Z. Investigation of MPPT techniques under uniform and non-uniform solar irradiation condition—A retrospection. IEEE Access 2020, 8, 127368–127392. [Google Scholar] [CrossRef]
- Manna, S.; Singh, D.K.; Akella, A.K.; Kotb, H.; AboRas, K.M.; Zawbaa, H.M.; Kamel, S. Design and implementation of a new adaptive MPPT controller for solar PV systems. Energy Rep. 2023, 9, 1818–1829. [Google Scholar] [CrossRef]
- Ahmed, S.T.; Annamalai, A. Improving geo-location performance of lora with adaptive spreading factor. In Proceedings of the 2023 IEEE 13th Symposium on Computer Applications & Industrial Electronics (ISCAIE), Penang Island, Malaysia, 21–22 May 2023. [Google Scholar]
- Sarang, S.A.; Raza, M.A.; Panhwar, M.; Khan, M.; Abbas, G.; Touti, E.; Altamimi, A.; Wijaya, A.A. Maximizing solar power generation through conventional and digital MPPT techniques: A comparative analysis. Sci. Rep. 2024, 14, 8944. [Google Scholar] [CrossRef]
- Solórzano, J.; Egido, M.A. Automatic fault diagnosis in PV systems with distributed MPPT. Energy Convers. Manag. 2013, 76, 925–934. [Google Scholar] [CrossRef]
- García, E.; Ponluisa, N.; Quiles, E.; Zotovic-Stanisic, R.; Gutiérrez, S.C. Solar panels string predictive and parametric fault diagnosis using low-cost sensors. Sensors 2022, 22, 332. [Google Scholar] [CrossRef] [PubMed]
- Hwang, H.-R.; Kim, B.-S.; Cho, T.-H.; Lee, I.-S. Implementation of a fault diagnosis system using neural networks for solar panel. Int. J. Control Autom. Syst. 2019, 17, 1050–1058. [Google Scholar] [CrossRef]
- Garaj, M.; Hong, K.Y.; Chung, H.S.; Zhou, J.; Lo, A.W. Photovoltaic panel health diagnostic system for solar power plants. In Proceedings of the 2019 IEEE Applied Power Electronics Conference and Exposition (APEC), Anaheim, CA, USA, 17–21 March 2019. [Google Scholar]
- Dhanraj, J.A.; Mostafaeipour, A.; Velmurugan, K.; Techato, K.; Chaurasiya, P.K.; Solomon, J.M.; Gopalan, A.; Phoungthong, K. An effective evaluation on fault detection in solar panels. Energies 2021, 14, 7770. [Google Scholar] [CrossRef]
- Selvaraj, T.; Rengaraj, R.; Venkatakrishnan, G.; Soundararajan, S.; Natarajan, K.; Balachandran, P.; David, P.; Selvarajan, S. Environmental fault diagnosis of solar panels using solar thermal images in multiple convolutional neural networks. Int. Trans. Electr. Energy Syst. 2022, 2022, 2872925. [Google Scholar] [CrossRef]
- Bodnár, I.; Kozsely, G. Development of solar panel diagnostic system. In Proceedings of the 2022 23rd International Carpathian Control Conference (ICCC), Sinaia, Romania, 29 May–1 June 2022. [Google Scholar]
- Spataru, S.; Sera, D.; Kerekes, T.; Teodorescu, R. Diagnostic method for photovoltaic systems based on light I–V measurements. Sol. Energy 2015, 119, 29–44. [Google Scholar] [CrossRef]
- Chine, W.; Mellit, A.; Lughi, V.; Malek, A.; Sulligoi, G.; Pavan, A.M. A novel fault diagnosis technique for photovoltaic systems based on artificial neural networks. Renew. Energy 2016, 90, 501–512. [Google Scholar] [CrossRef]
- Available online: https://en.wikipedia.org/wiki/Voltage_divider (accessed on 27 May 2025).
- Kuon, I.; Rose, J. Measuring the gap between FPGAs and ASICs. In Proceedings of the 2006 ACM/SIGDA 14th International Symposium on Field Programmable Gate Arrays, Monterey, CA, USA, 22–24 February 2006. [Google Scholar]
- Hu, Y.; Liu, Y.; Liu, Z. A survey on convolutional neural network accelerators: GPU, FPGA and ASIC. In Proceedings of the 2022 14th International Conference on Computer Research and Development (ICCRD), Shenzhen, China, 7–9 January 2022. [Google Scholar]
- Reddy, B.N.K.; Seetharamulu, B.; Krishna, G.S.; Vani, B.V. An FPGA and ASIC implementation of cubing architecture. Wirel. Pers. Commun. 2022, 125, 3379–3391. [Google Scholar] [CrossRef]
- Boutros, A.; Betz, V. FPGA architecture: Principles and progression. IEEE Circuits Syst. Mag. 2021, 21, 4–29. [Google Scholar] [CrossRef]
- Ahmed, A.A.; Ahmed, S. A real-time car towing management system using ml-powered automatic number plate recognition. Algorithms 2021, 14, 317. [Google Scholar] [CrossRef]
- Wang, T.; Gong, L.; Wang, C.; Yang, Y.; Gao, Y.; Zhou, X.; Chen, H. Via: A novel vision-transformer accelerator based on fpga. IEEE Trans. Comput.-Aided Des. Integr. Circuits Syst. 2022, 41, 4088–4099. [Google Scholar] [CrossRef]
- Vaithianathan, M.; Patil, M.; Ng, S.F.; Udkar, S. Comparative study of FPGA and GPU for high- performance computing and AI. ESP Int. J. Adv. Comput. Technol. (ESP-IJACT) 2023, 1, 37–46. [Google Scholar]
- Machupalli, R.; Hossain, M.; Mandal, M. Review of ASIC accelerators for deep neural network. Microprocess. Microsyst. 2022, 89, 104441. [Google Scholar] [CrossRef]
- Taraate, V. ASIC Design and Synthesis; Springer: Berlin/Heidelberg, Germany, 2021. [Google Scholar]
- Matthus, C.D.; Buhr, S.; KreiBig, M.; Ellinger, F. High gain and high bandwidth fully differential difference amplifier as current sense amplifier. IEEE Trans. Instrum. Meas. 2020, 70, 2000911. [Google Scholar] [CrossRef]
- Ge, Z.; Liu, S.; Li, Z.; Yoshie, O.; Sun, J. Ota: Optimal transport assignment for object detection. In Proceedings of the IEEE/CVF Conference on Computer Vision and Pattern Recognition, Nashville, TN, USA, 20–25 June 2021. [Google Scholar]
- Riaz, A.; Medard, M.; Duffy, K.R.; Yazicigil, R.T. A universal maximum likelihood GRAND decoder in 40nm CMOS. In Proceedings of the 2022 14th International Conference on COMmunication Systems NETworkS (COMSNETS), Bangalore, India, 4–8 January 2022. [Google Scholar]
- Srinivas, C.; Bhargav, G.S.; Chandan, S.P.; Vimala, P. Comparative analysis of decoders using static dynamic CMOS logic. In Proceedings of the 2023 International Conference on Advances in Electronics, Communication, Computing and Intelligent Information Systems (ICAECIS), Bangalore, India, 19–21 April 2023. [Google Scholar]
- Alam, S.; Hutchins, J.; Shukla, N.; Asifuzzaman, K.; Aziz, A. CMOS-based single-cycle in-memory XOR/XNOR. IEEE Access 2024, 12, 49528–49534. [Google Scholar] [CrossRef]
- Kandpal, J.; Tomar, A.; Adhikari, S.; Joshi, V. Design of low power and high speed XOR/XNOR circuit using 90 nm CMOS technology. In Proceedings of the 2019 2nd International Conference on Innovations in Electronics, Signal Processing and Communication (IESC), Shillong, India, 1–2 March 2019. [Google Scholar]
- Binzaid, S.; Divi, A.; Rokonuzzaman, M. Simplifying complex digital sequential circuit by an innovative mixed-signal circuit alternative. Comput. Electr. Eng. 2024, 115, 109126. [Google Scholar] [CrossRef]
- Kim, M.-K.; Kim, I.-J.; Lee, J.-S. CMOS-compatible ferroelectric NAND flash memory for high-density, low-power, and high-speed three-dimensional memory. Sci. Adv. 2021, 7, eabe1341. [Google Scholar] [CrossRef]
- Bobda, C.; Mbongue, J.M.; Chow, P.; Ewais, M.; Tarafdar, N.; Vega, J.C.; Eguro, K.; Koch, D.; Handagala, S.; Leeser, M.; et al. The future of FPGA acceleration in datacenters and the cloud. ACM Trans. Reconfig. Technol. Syst. (TRETS) 2022, 15, 1–42. [Google Scholar] [CrossRef]
- Khursheed, A.; Khare, K. Optimized buffer insertion for efficient interconnects designs. Int. J. Numer. Model. Electron. Netw. Devices Fields 2020, 33, e2748. [Google Scholar] [CrossRef]
- Ndjountche, T. CMOS Analog Integrated Circuits; CRC Press: Boca Raton, FL, USA, 2019. [Google Scholar]
- Dong, M.; Clark, G.; Leenheer, A.J.; Zimmermann, M.; Dominguez, D.; Menssen, A.J.; Heim, D.; Gilbert, G.; Englund, D.; Eichenfield, M. High-speed programmable photonic circuits in a cryogenically compatible, visible–near-infrared 200 mm CMOS architecture. Nat. Photonics 2022, 16, 59–65. [Google Scholar] [CrossRef]
- Rai, P.K.; Srivastava, S.; Johri, A. Design, Layout and Simulation of 8 bit Arithmetic and Logic Circuits Pad frame using C5 Process for deep submicron CMOS. In Proceedings of the 2018 International Conference on Advanced Computation and Telecommunication (ICACAT), Bhopal, India, 28–29 December 2018. [Google Scholar]
- Baker, R.J. CMOS: Circuit Design, Layout, and Simulation; John Wiley & Sons: Hoboken, NJ, USA, 2019. [Google Scholar]
- Wang, C.; Zhang, F.; Lu, F.; Chen, Q.; Li, C.; Wang, A. A study of transient voltage peaking in diode-based ESD protection structures in 28 nm CMOS. IEEE Access 2020, 8, 87164–87172. [Google Scholar] [CrossRef]
- Liu, M.; Zhu, K.; Gu, J.; Shen, L.; Tang, X.; Sun, N.; Pan, D.Z. Towards decrypting the art of analog layout: Placement quality prediction via transfer learning. In Proceedings of the 2020 Design, Automation & Test in Europe Conference & Exhibition (DATE), Grenoble, France, 9–13 March 2020. [Google Scholar]
- Xu, B.; Zhu, K.; Liu, M.; Lin, Y.; Li, S.; Tang, X.; Sun, N.; Pan, D.Z. MAGICAL: Toward fully automated analog IC layout leveraging human and machine intelligence. In Proceedings of the 2019 IEEE/ACM International Conference on Computer-Aided Design (ICCAD), Westminster, CO, USA, 4–7 November 2019. [Google Scholar]
- Quan, H.J.; Jiao, A.Y.; Li, Z.Z.; Chen, Y. Process research of seal ring groove based on magnetic abrasive finishing. Int. J. Manuf. Technol. Manag. 2018, 32, 565–579. [Google Scholar] [CrossRef]
- Dallaev, R.; Pisarenko, T.; Papež, N.; Holcman, V. Overview of the Current State of Flexible Solar Panels and Photovoltaic Materials. Materials 2023, 16, 5839. [Google Scholar] [CrossRef] [PubMed]
- Yuan, J.; Svensson, C. High-speed CMOS circuit technique. IEEE J. Solid-State Circuits 1989, 24, 62–70. [Google Scholar] [CrossRef]













| Feature | FPGA | ASIC |
|---|---|---|
| Full Form | Field-Programmable Gate Array | Application-Specific Integrated Circuit |
| Reprogrammability | Yes—multiple reconfigurations allowed | No–fixed functionality |
| Logic Elements/Blocks | 2–5 million programmable logic blocks | Fixed-function logic circuits |
| Programming Language | HDL (VHDL/Verilog) | Circuit design + physical design |
| Programming Tool | Intel Quartus, Vivado, Libero | Cadence Virtuoso, Synopsys |
| Used Platform in This Work | Intel DE-10 Lite (Cyclone IV-based) | Cadence Virtuoso with TSMC 180 nm |
| Application Suitability | Low to medium volume, prototyping | High volume chip integration |
| Inputs | AND Block | Decoder Output | XOR/Memory Output | |||
|---|---|---|---|---|---|---|
| clk | Vpv | Vipv | wire1 | wire2 | ||
| 0 | 0 | 0 | 0 | 0 | A | 0 |
| 0 | 0 | 1 | 0 | 0 | A | 0 |
| 0 | 1 | 0 | 0 | 0 | A | 0 |
| 0 | 1 | 1 | 0 | 0 | A | 0 |
| 1 | 0 | 0 | 0 | 0 | A | 0 |
| 1 | 0 | 0 | 0 | 0 | A | 0 |
| 1 | 0 | 1 | 0 | 1 | B (Short) | 1 |
| 1 | 1 | 0 | 1 | 0 | C (Open) | 1 |
| 1 | 1 | 1 | 1 | 1 | D | 0 |
Disclaimer/Publisher’s Note: The statements, opinions and data contained in all publications are solely those of the individual author(s) and contributor(s) and not of MDPI and/or the editor(s). MDPI and/or the editor(s) disclaim responsibility for any injury to people or property resulting from any ideas, methods, instructions or products referred to in the content. |
© 2025 by the authors. Licensee MDPI, Basel, Switzerland. This article is an open access article distributed under the terms and conditions of the Creative Commons Attribution (CC BY) license (https://creativecommons.org/licenses/by/4.0/).
Share and Cite
Divi, A.; Binzaid, S. Solar Photovoltaic Diagnostic System with Logic Verification and Integrated Circuit Design for Fabrication. Solar 2025, 5, 24. https://doi.org/10.3390/solar5020024
Divi A, Binzaid S. Solar Photovoltaic Diagnostic System with Logic Verification and Integrated Circuit Design for Fabrication. Solar. 2025; 5(2):24. https://doi.org/10.3390/solar5020024
Chicago/Turabian StyleDivi, Abhitej, and Shuza Binzaid. 2025. "Solar Photovoltaic Diagnostic System with Logic Verification and Integrated Circuit Design for Fabrication" Solar 5, no. 2: 24. https://doi.org/10.3390/solar5020024
APA StyleDivi, A., & Binzaid, S. (2025). Solar Photovoltaic Diagnostic System with Logic Verification and Integrated Circuit Design for Fabrication. Solar, 5(2), 24. https://doi.org/10.3390/solar5020024

