Next Article in Journal
A Hybrid LQR-Predictive Control Strategy for Real-Time Management of Marine Current Turbine System
Previous Article in Journal
Simultaneous Maximization of Speed and Sensitivity in the Optimal Coordination of Directional Overcurrent Protections
 
 
Font Type:
Arial Georgia Verdana
Font Size:
Aa Aa Aa
Line Spacing:
Column Width:
Background:
Article

A Rapid Single-Phase Blackout Detection Algorithm Based on Clarke–Park Transformations

by
Avelina Alejo-Reyes
1,
Julio C. Rosas-Caro
1,*,
Antonio Valderrabano-González
1,
Jesus E. Valdez-Resendiz
2,*,
Johnny Posada
3 and
Juana E. Medina-Alvarez
4
1
Facultad de Ingeniería, Universidad Panamericana, Álvaro del Portillo 49, Zapopan 45010, Jalisco, Mexico
2
School of Engineering and Sciences, Tecnologico de Monterrey, Monterrey 64700, Nuevo Leon, Mexico
3
Facultad de Ingeniería y Ciencias Básicas, Grupo de Investigación en Energía, GIEN, Universidad Autónoma de Occidente, Cali 760001, CP, Colombia
4
Departamento de Ingeniería Industrial, Universidad Politécnica de Altamira, Nuevo Libramiento Altamira Km. 3, Santa Amalia, Altamira 89602, Tamaulipas, Mexico
*
Authors to whom correspondence should be addressed.
Electricity 2026, 7(1), 8; https://doi.org/10.3390/electricity7010008
Submission received: 18 December 2025 / Revised: 13 January 2026 / Accepted: 16 January 2026 / Published: 19 January 2026

Abstract

This paper presents a detection algorithm for identifying when a sinusoidal signal becomes zero, which can provide information about its amplitude. This method can be used to detect voltage interruptions in a single-phase sinusoidal waveform, which may be applied in the rapid recognition of power outages in single-phase electrical systems. The method requires the measurement of a voltage signal. Other analysis methods, like calculating the Root Mean Square (RMS), are based on window sampling and require storing a relatively larger amount of samples in the system memory; an advantage of the proposed method is that it does not require as many samples, but its main advantage is its ability to reduce the detection time compared to other approaches. Techniques like the RMS value or amplitude detection through FFT typically require one full AC cycle to change from a 100% to 0% output signal and then detect a blackout, whereas the proposed method achieves detection within only a quarter cycle without considering additional rate-of-change enhancements, which can be further applied. The algorithm treats the measured single-phase voltage as the α component of an αβ Clarke pair and generates the β component by introducing a 90° electrical delay through a delayed replica of the original signal. The resulting αβ signals are then transformed into the dq reference frame in which the d component is used for outage detection, as it rapidly decreases from 100% to 0% within a quarter cycle following an interruption. This rapid response makes the proposed method suitable for applications that demand minimal detection latency, such as battery backup systems. Both simulation and experimental results validate the effectiveness of the approach.

1. Introduction

The global transition toward sustainable energy has accelerated the deployment of renewable energy production systems [1,2]. Reducing greenhouse gas emissions is highly desirable to mitigate the effects of climate change [3,4]. Solar photovoltaic arrays, wind turbines, and other renewable technologies have become essential components of modern power systems [5]. As their penetration increases, electrical grids are evolving into cleaner and more distributed architectures, where the reliable integration of renewables plays a fundamental role. However, this shift also introduces new engineering challenges, particularly in the probable intermittency of renewable energy generation.
Variations in solar irradiation, wind speed, and environmental conditions lead to fluctuating power output from some renewable energy generation systems, which must be compensated for to maintain power system stability [6,7,8].
In this context, the increasing penetration of renewable energy sources and the resulting intermittency have motivated the necessity of local backup and support systems like energy storage systems or uninterruptible power supply (UPS) capable of maintaining power continuity during short-term interruptions [9,10]. Battery energy storage systems (BESSs) can also be used as local backup systems, which are necessary to bridge momentary interruptions and sustain critical loads during upstream disturbances [11,12,13]. BESSs are increasingly deployed to smooth renewable variability and decouple generation from consumption, while also providing backup energy during outages [14,15].
Super-capacitor-based, battery-based, and other energy storage systems are promising for compensating for this disadvantage and providing backup power during sudden interruptions caused by disconnection due to drops in renewable generation or unexpected grid failures [16,17].
Uninterruptible power supply (UPS) systems represent one of the most widely adopted solutions for providing such backup capability [18,19,20,21]. While traditionally associated with critical loads such as data centers, medical equipment, and industrial processes, UPS systems are increasingly integrated into renewable-based microgrids and distributed energy systems [22]. In these applications, particularly in standby and line-interactive configurations, fast and reliable detection of grid interruptions is essential to minimize transfer delays and ensure seamless operation of the backup system.
Two main strategies exist for integrating energy storage backup systems, including inline and online systems, as shown in Figure 1.
(i) Inline or online systems (see Figure 1a), which are a type of UPS systems, are always processing power from the input side, which charges the battery or stores energy, and produce the output. This method allows for zero interruption time when the grid has a power outage; on the other hand, processing power all the time reduces efficiency. This method is recommended in prior systems in which a shutdown may be very expensive [23,24]. (ii) The second typical configuration is standby systems (see Figure 1b); these systems remain electrically disconnected during normal grid operation and activate only through a switch when an interruption is detected [25,26]. They are more efficient, but there may be a short delay from the power interruption to when the system backup is activated. A third type of system called line-interactive systems try to offer a hybrid operation. Stand-by systems are more efficient since the power is not processed until it is needed, but they require an algorithm to detect outages rapidly, and the time required to start the power backup may result in a delay in the process.
Detecting power interruptions in single-phase AC systems is more challenging than in three-phase systems. Three-phase systems offer redundancy; for example, if the voltage in one phase is zero due to natural zero crossing, we can validate the other two phases, which are different from zero (only one phase crosses zero at the same time).
Since we cannot trust the instantaneous voltage value, there exist analytical methods to detect power interruptions in single-phase systems. Some of them rely on analyzing sampled data within a specified time window [27,28]. One widely applied method is the calculation of the Root Mean Square (RMS) in which a threshold voltage can be established and then supervised online. There are other methods that include current-based protection quantities to discriminate abnormal supply conditions that can precede or accompany interruptions [29,30,31], but those methods are used for particular equipment or transmission lines, with functionalities like fault location, but they are not designed for a generic UPS system. Another method that can be used is fundamental component amplitude evaluation through FFT. This method requires at least one window of the signal (usually one cycle) before the detection signal transitions from nominal to zero. This constraint directly increases the blackout response time of energy storage backup systems. A faster algorithm is highly desirable and beneficial, and it would be even better if that algorithm requires less memory (for digital systems) and computational power compared to traditional methods.
All detection methods naturally have a delay due to the nature of signal processing principles. RMS-based and FFT-based techniques necessitate an observation window to reliably estimate the amplitude of the signal. In digital implementations, these methods also have relatively large memory requirements to store sampled data and increase computational burden due to repeated numerical operations. As a result, the detection latency is not only determined by the window length but also by the processing architecture. Those techniques work fine, but a faster and simpler method is highly desirable.
This work introduces a detection algorithm for identifying when a sinusoidal signal becomes zero. The proposed method has an input of an Alternating Current (AC) sinusoidal signal and provides as an output a Direct Current (DC) signal proportional to the amplitude of the signal. These characteristics are advantages shared with the Root Mean Square (RMS) calculation method. This method, like the RMS calculation method, can also be used to detect voltage blackouts in a single-phase system. The main advantages of the proposed method are that it requires fewer mathematical operations and less digital memory, and it is capable of identifying changes in the amplitude more quickly than the RMS calculation method. With the proposed method, a complete power interruption makes the output signal change from 100% to 0% within a quarter of an AC cycle. This does not mean the action has to be performed in a quarter of a cycle (the time may be shorter according to the established strategy). The method treats the measured voltage as the α component of a Clarke pair and synthesizes the β component by applying a 90° delay. With both components available, the α–β signals are transformed into the d-q reference frame, and the d-axis component is shown to collapse from full scale to zero in only a quarter cycle following an interruption.
The rest of this paper details the theoretical basis of the proposed algorithm, its implementation, and its performance. Simulation and experimental results validate its effectiveness and demonstrate its advantages over conventional techniques in applications requiring minimal detection latency.

2. The Park and Clarke Transformations

In this section, we will introduce the transformations used in the method, named after the engineers who proposed them, the Park and Clarke transformations, which have been studied mainly for three-phase electrical machines and power systems.

2.1. The Clarke Transformation (From abc to αβ)

The Clarke transformation, named after Edith Clarke, can be used to transform a set of three-phase balanced signals (abc) into a set of two-phase orthogonal signals (αβ). The transformation can be analyzed in a broader range of applications with a third output signal (αβ0); however, this work will make use of the case we refer to as balanced. In this case, the input of the transformation is the set of three sinusoidal signals, a, b, and c, of the same amplitude and shifted 120° (see Figure 2), and the output is the set of two sinusoidal signals, α and β, of the same amplitude and shifted 90° (see Figure 2).
Signal a is used as a phase reference, where α is in phase with a, while β lags 90° behind α, signal b lags 120° behind a, and signal c lags 120° behind b (or 240° behind a) (see Figure 2).
Given the input signals abc, the balanced version of the Clarke transformation is defined by the following equations:
α = 2 3 a 1 2 b 1 2 c .
β = 2 3 3 2 b 3 2 c .
These equations can be expressed in matrix form as
α β = 2 3 1 1 2 1 2 0 3 2 3 2 a b c .
where α represents the component aligned with phase a, and β represents the orthogonal component derived from phases b and c.
The combined use of the Clarke and Park transformations in the proposed method is explained in the following subsections.

2.2. The Park Transformation αβ to dq

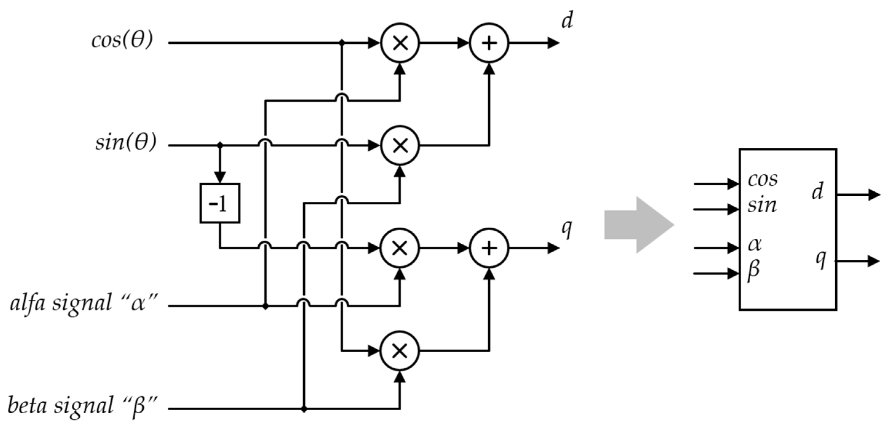
The Park transformation, initially introduced by Robert H. Park in 1929, was developed for the analysis of three-phase electrical machines. Initially, it was used to transform a set of three-phase signals (abc) into DC components that represent the components of the signals geometrically projected over a reference vector, which we call the rotating reference frame (dq). The reference vector (or angle) has to be provided. In the original Park transformation, the reference angle was the rotor’s position. That reference angle can be referred to as θ (theta).
The Park transformation may have a set of three-phase input signals (abc), but it also may have set αβ as input. That means we can go from αβ to dq, as explained in [32]. Given the αβ signals, the Park transformation is defined by the following equations:
d = α cos θ + β sin θ .
q = α sin θ + β cos θ .
These equations can be expressed in matrix form as
d q = cos θ sin θ sin θ cos θ α β .
where d represents the direct-axis component aligned with the rotating reference frame, and q represents the quadrature-axis component orthogonal to the d-axis. And the inverse transformation can be expressed as
α β = cos θ sin θ sin θ cos θ d q .
These kinds of equations can be represented in block diagrams, which illustrate the signal flow and the associated mathematical operations. Figure 3 illustrates the implementation of Equation (7), along with a black box equivalent that can be used in more complex diagrams.

2.3. How to Get the sin(θ) and cos(θ) of an Angle from the α-β Components

As shown in (7), the values of sin(θ) and cos(θ) are required for the transformation from αβ to dq.
Let us consider that instead of a rotor position, we have a reference vector v, and the components of vector v can be expressed as
v α = V cos θ .
v β = V sin θ .
where V is the magnitude of the reference vector, which can be expressed as
V = v α 2 + v β 2 .
Then, if we have the components αβ of a transformed set of signals, we can obtain the sin(θ) and cos(θ) with the following formulas:
cos θ = v α v α 2 + v β 2 .
sin θ = v β v α 2 + v β 2
We can define a space vector (or pair of components αβ) as the reference to implement the inverse Park transformation, and then we can get the sin(θ) and cos(θ) algebraically from (12).
A block implementation of (11) and (12) may be used with αβ signals as input and the sin(θ) and cos(θ) as output; see Figure 4.

3. The Proposed Method

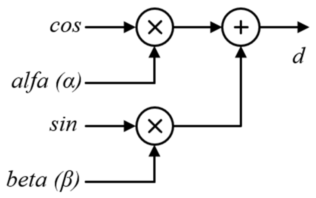
Finally, the proposed method is shown in Figure 5. The input of the detector is a signal that represents the single-phase supply voltage, which is treated as the α component of the Clarke pair. The system uses the input signal as α and obtains β with a 90° delay. The block diagram of the transformation from αβ to sin and cos is shown in Figure 3. The block diagram of the transformation from α-β-sin-cos to dq is shown in Figure 4.
Considering we are only interested in the d signal, the last block diagram of the transformation from α-β-sin-cos to dq can be simplified if we include only the transformation from α-β-sin-cos to d, as shown in Figure 6.
From a physical and geometric perspective, the decay of the d-axis component during the interruption can be interpreted through the behavior of the space vector in the αβ plane. Under normal operation, the single-phase voltage (treated as the α component), together with its synthesized β counterpart, forms a rotating vector with constant magnitude. When a power interruption occurs, both α and β components are expected to simultaneously collapse toward zero, but the β component is generated through a delay, causing a delay in the detection; still, this delay is only a quarter of the ac cycle.
Figure 7 shows a simulation of the system; the simulation was carried out in the synopsys saber software, and a power interruption was generated particularly during a zero crossing of the signal, which is the hardest time to detect it. We can see how the generated d signal falls from one to zero in a quarter of the ac cycle, equivalent to 4.1 mS in the 60 Hz system.

4. Results and Discussion

In order to demonstrate the effectiveness of the proposed method, some experiments were carried out using the Piecewise Linear Electrical Circuit Simulation (PLECS 4.9) software in its standalone version. Figure 8 illustrates how the conceptual scheme presented in Figure 5 was translated into the simulation environment, while Figure 9 shows the RTBox 1 platform employed for real-time hardware implementation.
In the experimental setup, the RTBox was used as the main real-time interface to connect the proposed strategy with the measuring and validation devices. Internally, the RTBox generates a conditioned sinusoidal reference signal of 3.3 V at 60 Hz, which is routed to an output port. To emulate a voltage interruption, this signal is multiplied by a pulsed signal of 0–1 V at 6 Hz with a 0.7 duty cycle, producing a controlled blackout-type signal.
A transport delay block is then applied to introduce a 90° phase displacement, allowing the generation of the corresponding α and β components required by the proposed strategy. Cosine and sine signals are connected to changeover switch blocks to avoid d and q signals when the system is not working. Finally, the resulting d signal is sent to the output ports of the RTBox to validate correct interruption detection and system response. This implementation enables repeatable and controlled testing conditions for validating the proposed methodology in real time.
In the experiment, a 60 Hz sinusoidal signal was generated. Then, a voltage interruption was emulated; the time of the voltage interruption was chosen exactly at the zero crossing, which is the most challenging time to detect, as it can be mistaken for a natural crossing.
Figure 10 shows a close-up view at 5 ms/div of the sinusoidal signal with the interruption, shown in blue, and the result of applying the proposed strategy, shown in magenta.
When the magenta signal in Figure 10 remains at its maximum value during the interrupted sinusoidal waveform, the system operates correctly; when this signal drops to zero, it indicates that a power interruption has occurred. The magenta signal is proportional to the amplitude of the AC signal.
Figure 11 includes a 60 Hz sinusoidal signal without an interruption as a reference to illustrate the quarter-cycle delay of the proposed strategy. It can be observed that the magenta signal drops to zero when the green signal reaches its maximum value.
Finally, a comparative validation was performed against a conventional RMS-based method to assess the effectiveness of the proposed strategy. This is illustrated in Figure 12. Here, the signal affected by blackout conditions is illustrated in red, the RMS output is shown in green, and the response obtained using the proposed strategy is shown in blue. The fast reaction of the proposed methodology becomes evident.
Note: Although the operations used in the proposed method are known techniques, the main contribution of this work is not a particular operation, but the identification that the integration of those operations leads to a simple and robust indicator of single-phase power interruptions that may reduce the computational resources and the time used in other approaches, like the RMS calculation method.

5. Conclusions

This work introduces a detection algorithm for identifying when a sinusoidal signal becomes zero. The proposed method has an input of a sinusoidal signal and provides as an output a DC signal proportional to the amplitude of the signal. These characteristics are advantages shared with the RMS calculation method. This method can be used to detect voltage blackouts in a single-phase system. The main advantages of the proposed method in comparison to the RMS calculation method are that it requires fewer mathematical operations and less digital memory, and it is capable of identifying changes in the amplitude more quickly than the RMS calculation.
The proposed method combines the use of Clarke and Park transformations. Unlike conventional approaches that rely on window-based sampling techniques, such as RMS estimation or FFT-based fundamental amplitude extraction, the proposed method requires only a quarter or ac cycle to detect the interruption while requiring few computational resources and memory, since it requires few mathematical operations.
The method works by treating the single-phase voltage as the α component of a Clarke pair and generating the β component through a 90° electrical delay; the method enables the transformation of the signal into the dq reference frame, where the d component serves as an effective and fast indicator of power interruptions.
The main contribution of the proposed approach lies in its ability to detect a complete power interruption within a quarter of an AC cycle. Both simulation and experimental results demonstrate that the detection signal transitions from its nominal value to zero in approximately 4.1 ms in a 60 Hz system. This response time is faster than that of traditional methods, which typically require at least one full cycle to drop the output signal from 100% to 0%. Such a reduction in detection latency is advantageous for energy storage backup systems, where fast and reliable switching reduces the latency of power backup.
Additionally, the proposed algorithm is characterized by its simplicity and practical applicability. It avoids complex signal processing techniques and does not require extensive buffering of sampled data, making it suitable for low-cost implementations. The experimental validation using a real-time hardware platform confirms the feasibility of deploying the method in practical power electronic systems.

6. Patents

The method presented in this work is currently under patent application in Mexico. The intellectual property protection process is ongoing, and therefore, certain implementation details are intentionally described at a high level. This does not affect the reproducibility of the main concepts and results discussed in this paper.

Author Contributions

Authors A.A.-R. and J.C.R.-C. contributed to the conceptualization of the article; A.A.-R. and J.E.M.-A. contributed to the methodology; authors J.C.R.-C. and A.V.-G. contributed to the validation; J.E.V.-R. and J.E.M.-A. contributed to the software; J.C.R.-C. and J.P. contributed to the formal analysis; and A.A.-R. and J.C.R.-C. wrote the draft and prepared the manuscript. All authors have read and agreed to the published version of the manuscript.

Funding

This research received no external funding.

Institutional Review Board Statement

Not applicable.

Informed Consent Statement

Not applicable.

Data Availability Statement

The original contributions presented in this study are included in the article. Further inquiries can be directed to the corresponding authors.

Acknowledgments

The authors would like to thank Universidad Panamericana in Mexico, Tecnologico de Monterrey, and Universidad Autónoma de Occidente in Colombia.

Conflicts of Interest

The authors declare no conflicts of interest.

References

  1. de Oliveira Azevedo, R.; Rotella, P., Jr.; Chicco, G.; Áquila, G.; Rocha, L.; Peruchi, R. Identification and analysis of impact factors on the economic feasibility of wind energy investments. Int. J. Energy Res. 2020, 45, 3671–3697. [Google Scholar] [CrossRef]
  2. Amupolo, A.; Nambundunga, S.; Chowdhury, S.; Grün, G. Techno-economic feasibility of off-grid renewable energy electrification schemes: A case study of an informal settlement in Namibia. Energies 2022, 15, 4235. [Google Scholar] [CrossRef]
  3. Lewis, D.D.; Patrick, A.; Jones, E.S.; Alden, R.E.; Hadi, A.A.; McCulloch, M.D.; Ionel, D.M. Decarbonization Analysis for Thermal Generation and Regionally Integrated Large-Scale Renewables Based on Minutely Optimal Dispatch with a Kentucky Case Study. Energies 2023, 16, 1999. [Google Scholar] [CrossRef]
  4. Abed, E.; Al-Rawashdeh, M. The importance of using renewable energy in municipalities. Int. Res. J. Mod. Eng. Technol. Sci. 2023, 5, 764–774. [Google Scholar]
  5. Piotrowska, K.; Piasecka, I.; Kłos, Z.; Marczuk, A.; Kasner, R. Assessment of the Life Cycle of a Wind and Photovoltaic Power Plant in the Context of Sustainable Development of Energy Systems. Materials 2022, 15, 7778. [Google Scholar] [CrossRef]
  6. Amir, M.; Prajapati, A.; Refaat, S. Dynamic performance evaluation of grid-connected hybrid renewable energy-based power generation for stability and power quality enhancement in smart grids. Front. Energy Res. 2022, 10, 861282. [Google Scholar] [CrossRef]
  7. Sharma, V.; Garg, P.; Sharma, A.; Bharti, N. A comprehensive review: Mitigating techniques for power variability due to integration of renewable energy sources with the grid. J. Electron. Electr. Eng. 2023, 2, 152–163. [Google Scholar] [CrossRef]
  8. Akkur, M.; Singh, S.; Gill, A.; Kapse, V. The consequences and barriers of power system voltage stability in the integration of solar and wind energy: An in-depth analysis. Multidiscip. Rev. 2024, 6, 2023ss052. [Google Scholar] [CrossRef]
  9. Oureilidis, K.; Malamaki, K.; Gallos, K.; Tsitsimelis, A.; Dikaiakos, C.; Gkavanoudis, S.; Cvetkovic, M.; Mauricio, J.M.; Ortega, J.M.M.; Ramos, J.L.M.; et al. Ancillary Services Market Design in Distribution Networks: Review and Identification of Barriers. Energies 2020, 13, 917. [Google Scholar] [CrossRef]
  10. Alpízar-Castillo, J.; Ramírez-Elizondo, L.; Bauer, P. Assessing the Role of Energy Storage in Multiple Energy Carriers toward Providing Ancillary Services: A Review. Energies 2022, 16, 379. [Google Scholar] [CrossRef]
  11. Biswas, S.; Singh, M.; Centeno, V. Chance-Constrained Optimal Distribution Network Partitioning to Enhance Power Grid Resilience. IEEE Access 2021, 9, 42169–42181. [Google Scholar] [CrossRef]
  12. Bekhradian, R.; Sanaye-Pasand, M. A Comprehensive Survey on Islanding Detection Methods of Synchronous Generator-Based Microgrids: Issues, Solutions and Future Works. IEEE Access 2022, 10, 76202–76219. [Google Scholar] [CrossRef]
  13. Kraemer, R.; Dias, D.; Silva, A.; Martins, M.; Ludwig, M. Cost and Cybersecurity Challenges in the Commissioning of Microgrids in Critical Infrastructure: COGE Case Study. Energies 2022, 15, 2860. [Google Scholar] [CrossRef]
  14. Mexis, I.; Todeschini, G. Battery Energy Storage Systems in the United Kingdom: A Review of Current State-of-the-Art and Future Applications. Energies 2020, 13, 3616. [Google Scholar] [CrossRef]
  15. Mora, C.; Montoya, O.; Trujillo, E. Mixed-Integer Programming Model for Transmission Network Expansion Planning with Battery Energy Storage Systems (BESS). Energies 2020, 13, 4386. [Google Scholar] [CrossRef]
  16. Obulesu, D. Supercapacitor–battery hybrid storage systems for grid-tied photovoltaic setups to improve energy management and system stability. J. Inf. Syst. Eng. Manag. 2025, 10, 780–788. [Google Scholar]
  17. Elkhidir, L.; Khan, K.; Al-Muhaini, M.; Khalid, M. Enhancing Transient Response and Voltage Stability of Renewable Integrated Microgrids. Sustainability 2022, 14, 3710. [Google Scholar] [CrossRef]
  18. Clemente, A.; Costa-Castelló, R. Redox Flow Batteries: A Literature Review Oriented to Automatic Control. Energies 2020, 13, 4514. [Google Scholar] [CrossRef]
  19. Zhao, B.; Song, Q.; Liu, W.; Xiao, Y. Next-Generation Multi-Functional Modular Intelligent UPS System for Smart Grid. IEEE Trans. Ind. Electron. 2013, 60, 3602–3618. [Google Scholar] [CrossRef]
  20. He, G.; Zheng, S.; Dong, Y.; Li, G.; Zhang, W. Model Predictive Voltage Control of Uninterruptible Power Supply Based on Extended-State Observer. Energies 2022, 15, 5489. [Google Scholar] [CrossRef]
  21. He, G.; Zhao, L.; Dong, Y.; Li, G.; Zhang, W. A Novel VSG Control Strategy for UPS Voltage Source Inverter with Impulsive Load. Energies 2022, 15, 4702. [Google Scholar] [CrossRef]
  22. Lashab, A.; Séra, D.; Hahn, F.; Camurça, L.; Liserre, M.; Guerrero, J. A Reduced Power Switches Count Multilevel Converter-Based Photovoltaic System with Integrated Energy Storage. IEEE Trans. Ind. Electron. 2021, 68, 8231–8240. [Google Scholar] [CrossRef]
  23. Parker, M.; McMahon, R. Investigations into the charge times of lead–acid cells under different partial-state-of-charge regimes. Batteries 2024, 10, 201. [Google Scholar] [CrossRef]
  24. Lee, H.; Kim, Y.; Kim, S. Current sensorless pole–zero cancellation output voltage control for uninterruptible power supply systems with a three-phase inverter. Energies 2024, 17, 1738. [Google Scholar] [CrossRef]
  25. Bayhan, S.; Kömürcügil, H.; Bayram, I. Deadbeat control of a three-phase T-type inverter with output LC filter for UPS applications. In Proceedings of the 2021 IEEE 30th International Symposium on Industrial Electronics (ISIE), Kyoto, Japan, 20–23 June 2021; IEEE: New York, NY, USA, 2021; pp. 1–6. [Google Scholar]
  26. Alves, R.P.; Augusto, A.; Fortes, M.Z. Analysis of power quality parameters when comparing UPS of different technologies. ITEGAM-J. Eng. Technol. Ind. Appl. 2021, 7, 23–30. [Google Scholar]
  27. Tweve, E.; Kichonge, B.; Kivevele, T. Impacts of Nonlinear Loads on the Power Quality of Solar Microgrids and Proposed Mitigation Strategies. Energy Sci. Eng. 2025, 13, 1960–1982. [Google Scholar] [CrossRef]
  28. Liu, Z.; Mei, E.; Fan, J.; Zhang, Y. Design and Implementation of Single-Phase Power Quality Monitor Based on IM1281B. J. Phys. Conf. Ser. 2022, 2290, 012046. [Google Scholar] [CrossRef]
  29. Alnaib, I.; Alyozbaky, O.; Abbawi, A. A New Approach to Detecting and Classifying Multiple Faults in IEEE 14-Bus System. East.-Eur. J. Enterp. Technol. 2020, 5, 6–16. [Google Scholar] [CrossRef]
  30. Upadhyay, A. Investigating Advanced Techniques for Power System Protection, Fault Detection, and Restoration to Enhance the Reliability and Resilience of Electrical Grids. Int. J. Sci. Res. Eng. Manag. 2025, 9, 405. [Google Scholar]
  31. Biswal, C.; Sahu, B.; Mishra, M.; Rout, P. Real-Time Grid Monitoring and Protection: A Comprehensive Survey on the Advantages of Phasor Measurement Units. Energies 2023, 16, 4054. [Google Scholar] [CrossRef]
  32. MathWorks. MathWorks Documentation Park Transform Sps. Available online: https://la.mathworks.com/help/sps/ref/parktransform.html (accessed on 13 December 2025).
Figure 1. Main types of UPS systems. (a) An inline (or online) system and (b) an offline (or standby) system.
Figure 1. Main types of UPS systems. (a) An inline (or online) system and (b) an offline (or standby) system.
Electricity 07 00008 g001
Figure 2. Signals in the Clarke transformation (abc) and (αβ).
Figure 2. Signals in the Clarke transformation (abc) and (αβ).
Electricity 07 00008 g002
Figure 3. Implementation of (7) in a block diagram of signals.
Figure 3. Implementation of (7) in a block diagram of signals.
Electricity 07 00008 g003
Figure 4. Implementation of (11) and (12) in a block diagram of flowing signals.
Figure 4. Implementation of (11) and (12) in a block diagram of flowing signals.
Electricity 07 00008 g004
Figure 5. The proposed detector of a single-phase signal.
Figure 5. The proposed detector of a single-phase signal.
Electricity 07 00008 g005
Figure 6. The transformation from α-β to d (for obtaining only the d signal).
Figure 6. The transformation from α-β to d (for obtaining only the d signal).
Electricity 07 00008 g006
Figure 7. Simulation of the proposed method.
Figure 7. Simulation of the proposed method.
Electricity 07 00008 g007
Figure 8. Schematic diagram of the proposed system implemented in PLECS in its standalone version.
Figure 8. Schematic diagram of the proposed system implemented in PLECS in its standalone version.
Electricity 07 00008 g008
Figure 9. RTBox platform used for real-time hardware implementation.
Figure 9. RTBox platform used for real-time hardware implementation.
Electricity 07 00008 g009
Figure 10. Sinusoidal signal with fault and application of the proposed strategy at 5 mS per division.
Figure 10. Sinusoidal signal with fault and application of the proposed strategy at 5 mS per division.
Electricity 07 00008 g010
Figure 11. Illustration of the quarter-cycle delay in the application of the proposed strategy.
Figure 11. Illustration of the quarter-cycle delay in the application of the proposed strategy.
Electricity 07 00008 g011
Figure 12. Comparison of the response time required with the proposed strategy and RMS method.
Figure 12. Comparison of the response time required with the proposed strategy and RMS method.
Electricity 07 00008 g012
Disclaimer/Publisher’s Note: The statements, opinions and data contained in all publications are solely those of the individual author(s) and contributor(s) and not of MDPI and/or the editor(s). MDPI and/or the editor(s) disclaim responsibility for any injury to people or property resulting from any ideas, methods, instructions or products referred to in the content.

Share and Cite

MDPI and ACS Style

Alejo-Reyes, A.; Rosas-Caro, J.C.; Valderrabano-González, A.; Valdez-Resendiz, J.E.; Posada, J.; Medina-Alvarez, J.E. A Rapid Single-Phase Blackout Detection Algorithm Based on Clarke–Park Transformations. Electricity 2026, 7, 8. https://doi.org/10.3390/electricity7010008

AMA Style

Alejo-Reyes A, Rosas-Caro JC, Valderrabano-González A, Valdez-Resendiz JE, Posada J, Medina-Alvarez JE. A Rapid Single-Phase Blackout Detection Algorithm Based on Clarke–Park Transformations. Electricity. 2026; 7(1):8. https://doi.org/10.3390/electricity7010008

Chicago/Turabian Style

Alejo-Reyes, Avelina, Julio C. Rosas-Caro, Antonio Valderrabano-González, Jesus E. Valdez-Resendiz, Johnny Posada, and Juana E. Medina-Alvarez. 2026. "A Rapid Single-Phase Blackout Detection Algorithm Based on Clarke–Park Transformations" Electricity 7, no. 1: 8. https://doi.org/10.3390/electricity7010008

APA Style

Alejo-Reyes, A., Rosas-Caro, J. C., Valderrabano-González, A., Valdez-Resendiz, J. E., Posada, J., & Medina-Alvarez, J. E. (2026). A Rapid Single-Phase Blackout Detection Algorithm Based on Clarke–Park Transformations. Electricity, 7(1), 8. https://doi.org/10.3390/electricity7010008

Article Metrics

Back to TopTop