Next Article in Journal
Grid-Forming Inverter Integration for Resilient Distribution Networks: From Transmission Grid Support to Islanded Operation
Previous Article in Journal
Theoretical and Experimental Study on the Overvoltage in the PWM Inverter–Cable–Induction Machine Association
 
 
Font Type:
Arial Georgia Verdana
Font Size:
Aa Aa Aa
Line Spacing:
Column Width:
Background:
Article

Absolutely Selective Single-Phase Ground-Fault Protection Systems for Bunched Cable Lines

by
Aleksandr Novozhilov
1,
Zhanat Issabekov
1,*,
Timofey Novozhilov
2,
Bibigul Issabekova
1 and
Lyazzat Tyulyugenova
1
1
Department of “Electric Power Engineering”, Faculty of Energy, Toraighyrov University, Building A, Lomov Street, 64, Pavlodar 140008, Kazakhstan
2
Department of “Power Supply of Industrial Enterprises”, Power Engineering Institute, Omsk State Technical University, Mira Avenue, 11, Omsk 644050, Russia
*
Author to whom correspondence should be addressed.
Electricity 2026, 7(1), 2; https://doi.org/10.3390/electricity7010002
Submission received: 12 November 2025 / Revised: 20 December 2025 / Accepted: 29 December 2025 / Published: 2 January 2026
(This article belongs to the Topic Advances in Power Science and Technology, 2nd Edition)

Abstract

Electrical energy in urban and industrial power supply networks is mainly transmitted through 6–10-kV cable networks with an isolated neutral, where most lines are made as bunches of cables. Up to 75–90% of electrical faults in these cable networks belong to single-phase ground faults (SGFs), which can cause more severe accidents accompanied by significant economic damage. Widely known simple and directional protections against SGFs are relatively selective and, hence, often incapable of properly responding to SGFs in a network with such lines and detecting a cable with SGFs in the bunch of a damaged line. These disadvantages can be eliminated by using new, simple, and inexpensive, absolutely selective protections capable of detecting a cable with SGFs in a damaged line. We suggest the techniques and devices based on zero-sequence current transformers and ring measuring converters for building up such protection systems. The methods for calculating zero-sequence currents in cables of a bunched cable line, depending on the SGF point and the currents in the responding elements, are developed, as well as a procedure for determining a damaged cable and methods for estimating the responding element thresholds and the length of the protection dead zone.

1. Introduction

The main part of electric energy in urban and industrial power supply systems is distributed to consumers through 6–10 kV cable networks with an isolated neutral. They usually have a complex structure that depends on the location and number of power sources, switchgears, and power consumers [1,2,3,4], as well as manufacturing technology and the presence of large consumers. Communication lines play a significant role in such cable networks [5,6,7,8]. They are used to redistribute electric power between power sources and switchgears over a city or industrial enterprise [9,10,11]. The power transmitted through a cable line can attain 5–70 mVA. To transmit this power, a power line is usually made in the form of a bunch of several cables with core cross sections of 70–240 mm2.
Single-phase ground faults (SGFs) are among the main faults [12,13,14,15] in cable lines with isolated neutral; their percentage is at least 75–90% of the total number of electrical faults [16]. Single-cable lines are usually protected against SGFs [12,13,14,15] with the use of a device based on measuring SGF current. SGF current is measured with a zero current transformer (ZCT) at the beginning of a line. A feed-through ZCT with a ring core with the secondary winding wound on is typically used for these purposes. To ensure selectivity, this protection device should be offset from zero-sequence currents during SGFs in buses of a substation, which significantly limits the protection sensitivity. In addition, this protection device has relative selectivity [12,13], since it protects not only a cable line against SGFs but also its full load.
The sensitivity of SGF protections can be enhanced by using an additional residual directional relay. This eliminates the need to offset the protection from the intrinsic current of a protected line [12,13,14,15] and its load. However, this protection is also relatively selective [12,13].
If a line is made as a bunch of two cables, then the line protection uses one ZCT, which is put simultaneously on both cables, or one ZCT per cable. In the latter case, the secondary windings of the ZCT are parallel or series-aiding connected. The design of this protection and its disadvantages are similar to the protection of a single-cable line [12]. If there are more cables in a bunch, then ZCTs are mounted on all cables, and their secondary windings are series-aiding or parallel-connected. Mixed connections of windings are recommended for certain protection types [12,16].
Selective disconnection of a damaged network element is a fundamental requirement for SGF relay protection systems in 6–10-kV cable networks. Therefore, two-directional zero-sequence overcurrent protections with a stepwise selection of response time of ZZP-1 or MiCOM type are mounted in each communication line. These protections are relatively selective; a zero-sequence voltage source is required to ensure their operation. In relay protection, this voltage is derived from the open-delta connected secondary winding of a three-phase measuring voltage transformer [12,13,14,15]. In addition, these protections are incapable of detecting a cable where an SGF occurred in bunched cable lines.
Since the number of connections at communication line buses permanently changes in a network, the calculation of directional current protection thresholds is quite complex and depends on many factors. Therefore, it is not always possible to configure these protections so that they properly respond to SGFs in a network with such a line. In addition, a failure of the protection during one of the stages can lead to a long and labor-intensive search for the cause of the protected line break. Moreover, in a complex network, the search time can exceed two hours, as determined by the requirement for electrical installations. In addition, in the case where an SGF occurs in a bunched cable line, additional time is required after the protection operation for detecting a damaged cable in this bunch.
The above disadvantages can be avoided by using absolutely selective protections capable of automatically detecting a damaged cable.
Thus, the design of new, absolutely selective SPG protection devices capable of detecting a damaged cable is relevant.
The structure of this paper is as follows. Section 2 is devoted to the design of an absolutely selective SGF protection for a two-cable bunched line, which is capable of detecting a damaged cable in this line. Protection devices and techniques for calculating fault currents in the cables depending on the fault location are described, and currents in the measuring elements of the protection and dead zone size are determined in this section. Section 3 considers features of the protection design for a line in the form of a bunch of more than two cables, simulates fault currents in the cables of this line, and analyzes the operation of the measuring element of the protection. Section 4 describes the results of our work and discusses them. Final Section 5 provides the conclusions drawn during this work.

2. Protection of Two-Cable Lines

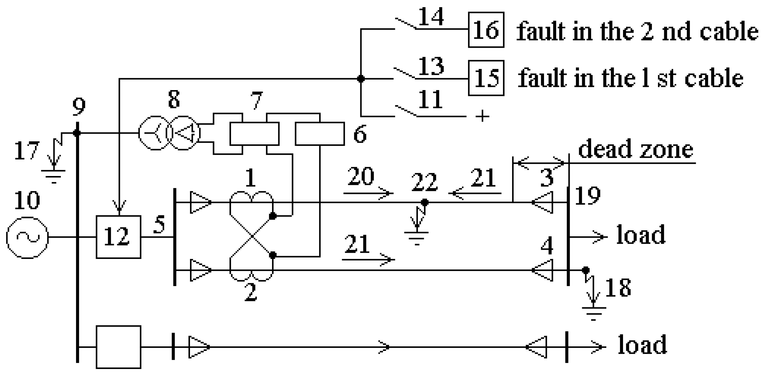
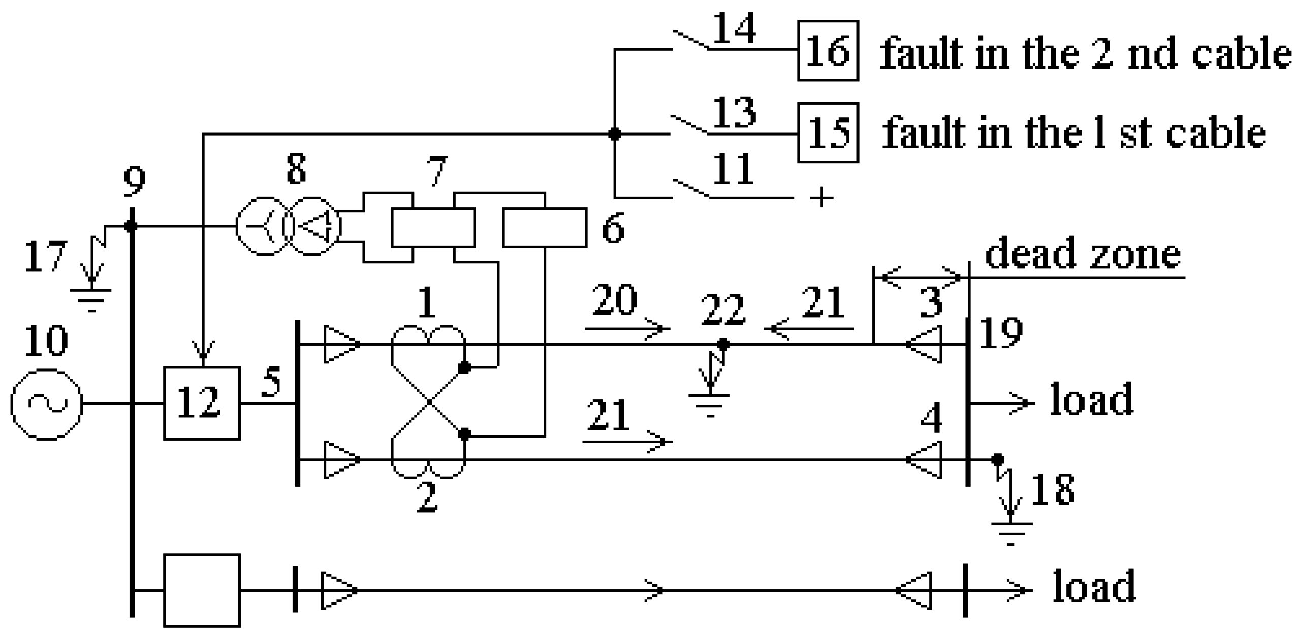
To ensure absolute selectivity of the SGF protection system of a line consisting of two cables and its capability of automatically detecting a damaged cable, we suggest the protection technique where SGF currents in these cables are compared [17,18]. The protection circuit with the use of this technique is shown in Figure 1. Here, series-opposing secondary windings 1 and 2 of a ZCT at cables 3 and 4 of protected line 5 are connected to serially connected current windings of RT-40/02 current relay 6 [8,9,16] and power-directional relay 7. The voltage winding of power-directional relay 7 is connected to buses 9 of power source 10 through measuring voltage transformer 8. In this protection circuit, the power-directional relay is intended to detect a damaged cable upon SGFs in this line.
Normally open contact 11 of current relay 6 is connected to the trip circuit of breaker 12 and to signal relays 15 and 16 through normally open contacts 13 and 14 of the left and right end positions of power-directional relay 7.
Since the cables in protected line 5 are similar, then zero-sequence currents 20 and 21 flowing through the ZCT in these cables are equal in magnitude in the event of a ground fault at points 17 or 18 at buses 9 and 19 of the substation and load. As a result, the difference between the currents in secondary windings 1 and 2 of the ZCT and the current in the current windings of current relay 6 and power-directional relay 7 is zero.
In the case of an SGF in any of cables 3 and 4 of this line between the ZST and load bus 19, e.g., at point 22, zero-sequence currents 20 and 21 flowing through the ZST in cables 3 and 4 of the line are not equal in magnitude. Therefore, the difference between currents in secondary windings 1 and 2 of the ZST and, hence, the current in the current windings of current relay 6 and power-directional relay 7 are nonzero.
Figure 1 shows that the current in the current windings of current relay 6 and power-directional relay 7 is maximal if an SGF occurs at point 22 at the beginning of cable 3, that is, immediately after the ZST, and this current is zero in the case of an SGF in buses 9 and 19. Since the operating current of current relay 6 Iop ≠ 0, the protection that uses this technique has a dead zone on the side of load bus 19. The protection operating current Iop depends on the difference in the parameters of cables in the bunch and ZST measurement errors. In turn, the size of the dead zone depends on the operating current Iop of the fault detector of the protection and the total capacity C of all connections to the substation bus 9 with respect to ground, except for protected line 5.
The length of the protection dead zone is estimated by the dependence of currents 20 and 21 on SGF point 22 at different C values. However, it is difficult to derive these dependencies because all known techniques [19,20,21,22] calculate SGF currents in single-cable lines.
Hence, the zero-sequence currents I 1 and I 2 in cables 3 and 4 (currents 20 and 21 in Figure 1) are suggested to be calculated using the simplified circuit shown in Figure 2. This circuit is obtained from an equivalent-T cable circuit [23] under the following assumptions:
  • The active resistance of the cable insulation with respect to the ground is high, and the leakage current is small in an undamaged cable; hence, they can be neglected, and the SGF current calculation error does not exceed 0.5–1.0%;
  • Taking into account data in Table 1 [24], the inductive resistances X0 of cable lines can also be neglected, since they are significantly lower than the active resistance R0. In this case, the error in SGF currents is 3–10%.
Figure 2. Simplified circuit for calculating zero-sequence currents in a two-cable line.
Figure 2. Simplified circuit for calculating zero-sequence currents in a two-cable line.
Electricity 07 00002 g002
In the circuit in Figure 2, R1.1–R1.4 are the active resistances and C1.1 and C1.2 are phase capacitances with respect to the ground of the segments of a damaged cable of a two-cable line; R2.1 and R2.2 are the active resistances and C2.2 is the phase capacitance with respect to the ground of the safe cable; ISGF is the SGF current at point 22, and I is the total zero-sequence current of all connections.
When detecting an SGF, the difference in the zero-sequence currents in the damaged and safe cables is as follows:
Δ I = I 1 I 2 .
The elements of this circuit are found as follows. This line is usually made from two identical cables. Therefore, the active resistances and capacitance of the damaged cable are calculated as follows:
R 1.1 = R 1.2 = R 0 l S G F / 2 ;   R 1.3 = R 1.4 = R 0 ( l c l S G F ) / 2 ; C 1.1 = C 0 l S G F ;   C 1.2 = C 0 ( l c l S G F ) ,
where lc and lSGF are the cable length and the distance from its beginning to SGF point 22; R0 and C0 are the active resistance and phase capacitance of the cable with respect to the ground per kilometer of its length.
The active resistances and the capacitance of the safe cable of
R 2.1 = R 2.2 = R 0 l c / 2   and   C 1 = C 2 = C 0 l c
Since other lines of a network are made from N cables of different types and lengths, the total capacitance of all connections except for line 5 is defined as
C Σ = n = 1 N C 0 n l C n
where lcn is the length of the nth cable; C0n is the phase capacitance with respect to the ground of the nth cable per kilometer of its length. The voltage Uc in the calculation circuit is set equal to the voltage of the damaged phase of a cable with respect to the ground.
It is quite difficult to derive analytical expressions for the dependencies I 1 = f ( l S G F ) and I 2 = f ( l S G F ) even with the use of the simplified calculation circuit in Figure 2. However, these dependencies can be calculated for different capacitance values with the use of the well-known and quite simple circuit simulation software Electronics Workbench Version 5.12 (25 February 2024) [25]. Zero-sequence currents in a line of two cables of 6 kV in voltage were calculated based on data from Table 1 for an Al cable of 25 mm2 in cross section and 1 km in length with the capacitance C = 0.5 and 1.0 μF. The results are shown in Figure 3a,b.
If the minimal protection operation current Iop is known, then the dead zone boundary lop can be easily found from the dependence I = f ( l S G F ) and Iop, as shown in Figure 3. These figures clearly show that the dead zone length depends on the total capacitance C of the connections to substation buses, and an increase in C reduces this zone.
The protection operation current Iop depends on the imbalance current Iimb caused by the difference in the parameters of cables in the bunch of the protected line and the ZCT measurement errors:
Iop = Iimbkoff
where koff = 1.2–1.25 is the safety factor.
The easiest way of determining the imbalance current Iimb is experimental by connecting all connections to the protected line 5. Iimb can also be calculated based on the total error of current transformers of the protection, which is about 10%, according to [8,9].
If an SGF occurs in a bunched cable line and a protection system operates, a damaged cable is detected by the direction of current in the current winding circuit of power-directional relay 7. For example, if the current in the winding of current relay 6 and the current winding of power-directional relay 7 exceeds the protection operation current Iop upon an SGF in cable 3 of power transmission line 5, then current relay 6 actuates, its normally open contact 11 closes, and it disconnects power transmission line 5 from common buses 9 with the help of breaker 12. In this case, the direction of current in the current winding of power-directional relay 7 is such that it closes its normally open contact 13 and actuates signal relay 15. Actuation of this signal relay indicates the occurrence of an SGF in cable 3. If an SGF occurs in cable 4, then the current in the current winding of relay 7 changes direction and closes normally open contact 14 of power-directional relay 7 and actuates signal relay 16. Actuation of this signal relay indicates the occurrence of an SGF in cable 4.
Since this protection has a dead zone ldz, a similar protection system should be mounted at the end of a protected line to cover the dead zone. This enables supporting the reliability of the protection under non-ideal operating conditions upon possible fluctuations ΔI under actual operating conditions, including resistance to failures or parameter drifts.
In 2006, an absolutely selective protection system against single-phase ground faults in bunched cable lines was mounted at the Aksu Ferroalloy Plant in the communication line between the main switchgear (MSG-10) of the main step-down substation (SDS-1) and switchgear SG-1. No false operation of this protection was reported by the maintenance personnel.
As a result, the protection of this line is absolutely selective, has no dead zone, and is capable of detecting a cable where an SGF has occurred.

3. Protection of Lines with More than Two Cables in a Bunch

3.1. Features of Protection Design

The analysis of the circuit shown in Figure 1 shows that the protection technique suggested for a line with more than two cables increases the number of required instruments, which several times increases the cost and reduces the reliability of power transmission line protection. This can be avoided by using a protection with the circuit shown in Figure 4. It includes a measuring transducer (1), a fault detector (2), a trip signal producing unit (3), and a damage signaling unit (4).
To simplify the explanation, we consider the protection of a line with only three cables in the bunch. In this case, measuring transducer 1 is made in the form of three ring cores. Cores 5 and 6 and cores 6 and 7 have common windings 8 and 9 made from insulated wire. Cores 5 and 6 and their windings have a common plastic case, which ensures a sufficiently rigid structure of the measuring transducer. When assembling, cables 10, 11, and 12 are inserted into these cores as shown in Figure 4.
Fault detector 2 is made in the form of two current relays, 13 and 14, which have two normally open contacts and one normally closed contact (contacts 15, 16, and 17 for relay 13 and contacts 18, 19, and 20 for relay 14, respectively). The windings of current relays 13 and 14 are connected to the terminals of windings 8 and 9 of the measuring transducer. The connection diagram of contacts 15–17 and 18–20, which enables detecting a damaged cable, is shown in Figure 4. The output of the fault detector in the form of terminals 21, 22, and 23 is connected to the trip signal-producing unit 3 and the damage signaling unit 4, which are intermediate and signal relays, respectively.

3.2. Simulation of Zero-Sequence Currents in Line Cables

To estimate currents in windings 8 and 9 in the event of SGF in any of the cables of a line, it is necessary to know zero-sequence currents flowing in each of them. To calculate the zero-sequence currents I1, I2, and I3 flowing in cables 10, 11, and 12, the simplified calculation scheme shown in Figure 2 can be used.
If a line consists of three cables and an SGF occurs in cable 10, the active resistances of parts of this cable and its phase capacitance with respect to the ground are determined in the same way as for a two-cable line. Safe cables 11 and 12 are replaced by one equivalent cable. The active resistances of this equivalent cable are reduced by two times, and the phase capacitance with respect to the ground is doubled. The currents in safe cables 11 and 12 are set to be equal to half the value of the calculated current in the equivalent cable.
The simulated dependences I1 = f(lSGF), I2 = f(lSGF), and I3 = f(lSGF) in the event of an SGF in the first and second cables are shown in Figure 5a,b. They have been derived with the use of Electronics Workbench software for a 6-kV line with Al cables of 25 mm2 in cross section and 1 km in length; the extrinsic capacitance C = 1.0 μF.
Thus, the suggested technique for calculating currents can be used when an SGF occurs in an arbitrary cable of a line consisting of several cables.

3.3. Simulation of Currents in Measuring Transducer Windings

The magnetic field strength in a ring core with the mean radius Rmean is defined as follows [24,25]:
Hc = I/(2πRmean)
If the magnetic permeability of core steel μc is assumed to be constant, then the magnetic induction and the magnetic flux produced by the current I in it are as follows:
B c = μ 0 μ c H c   and   Ф c = S c B c
(Sc is the core cross-sectional area). As a result, the EMF in the ring core winding of wc turns induced by this m.
Magnetic flux is defined as follows:
Ec = 4.44fwcBcSc,
where f is the network frequency. The current in the fault detector winding is defined as follows:
Ifd = Ec/(Zfd + Zc),
where Zfd and Zc are the impedances of the fault detector and the measuring transducer winding, respectively.
The above mathematical expressions show that the current in the fault detector from the magnetic flux in a cable is proportional to the zero-sequence current in the cable. Hence, the ratio of currents I to Ifd can be considered [12,13] the current ratio KI of a ring current transformer. Thus, KI of the measuring transducer is mainly determined by the ring magnet size and its permeability, as well as the number of turns in windings 8 and 9 and the electrical parameters of these windings and the windings of current relays 13 and 14. For example, KI = 2.9 for the ring core of a T-0.66 current transformer with the winding of 500 turns and an RT-40/02 current relay as the fault detector.

3.4. Fault Detector Operation

Since magnetic fluxes from ring cores 5 and 6 and 6 and 7 flow through windings 8 and 9, the currents Ifd1 and Ifd2 in the windings of relays 13 and 14 are calculated as follows:
Ifd1 = (I1 − I2)KI and Ifd2 = (I2 − I3)KI,
where I1, I2, and I3 are the zero-sequence currents in cables 10–12.
According to Figure 5a, I1 = 1.8 A, I2 = 0.3 A, and I3 = 0.3 A upon an SGF at the beginning of cable 10. Therefore,
Ifd1 = (1.8 − 0.3)/2.9 = 0.52 A and Ifd2 = (0.3 − 0.3)/2.9 = 0.
If an SGF occurs at the beginning of cable 11, I1 = 0.3 A, I2 = 1.8 A, and I3 = 0.3 A. Hence,
Ifd1 = (0.3 − 1.8)/2.9 = −0.52 A and Ifde2 = (1.8 − 0.3)/2.9 = 0.52 A.
In the case of SGF at the beginning of cable 12, I1 = 0.3 A, I2 = 0.3 A, and I3 = 1.8 A, and,
Ifd1 = (0.3 − 0.3)/2.9 = 0 and Ifd2 = (0.3 − 1.8)/2.9 = −0.52 A.
Since the currents Ifd1 and Ifd2 in the windings of relays 13 and 14 depend on the zero-sequence currents I1, I2, and I3 in cables 10–12 during an SGF, the circuit of the logical part of fault detector 2 shown in Figure 4 is used to detect a damaged cable in a bunch of cables of a power transmission line. According to this circuit and Equation (7), if an SGF occurs in cable 10, current relay 13 actuates, its contacts 15 and 17 close, and contact 16 opens. In view of the state of the contacts of relay 14, a signal about an SGF in cable 10 is sent to output 21 through the circuit with contacts 17 and 20; units 3 and 4 generate a line trip signal and a signal about damage to this cable.
According to Equation (8), in the case of SGF in cable 11, current relays 13 and 14 actuate; contacts 15 and 17 of relay 13 and contacts 18 and 19 of relay 14 close, and contacts 16 (relay 13) and 20 (relay 14) open. In view of the state of the contacts of relays 13 and 14, a signal about an SGF in cable 11 is sent to output 22 through the circuit with contacts 15 and 18; units 3 and 4 generate a line trip signal and a signal about damage to this cable.
According to Equation (9), in the case of SGF in cable 12, current relay 14 actuates; its contacts 18 and 19 close, and contact 20 opens. In view of the state of the contacts of relays 13 and 14, a signal about an SGF in cable 12 is sent to output 23 through the circuit with contacts 16 and 19; units 3 and 4 generate a line trip signal and a signal about damage to this cable.
The SGF protection operation current Iop is determined in the same way as in the previously considered case of a two-cable line. The dead zone lop is also determined from the dependence ΔI = f(lSGF) and Iop, as shown in Figure 5. The dead zone length is evidently independent of the cable where the SGF has occurred.

4. Results and Discussion

Electrical power supply of cities and large enterprises is almost always performed through 6–10 kV cable networks with an isolated neutral. In such networks, power transmission lines to large consumers are made as bunched cables. Most faults in such cables are single-phase ground faults. In practice, widely known simple and directional protections are used to protect against them. Their operation is based on measuring zero-sequence currents in a line; therefore, these protections are relatively selective and can improperly respond to zero-sequence currents in a network. In addition, they cannot detect a cable with SGF in the bunch of a damaged line. These disadvantages can be eliminated by using simple protections for bunched cable lines where the difference in zero-sequence currents in these cables is measured to ensure their absolute selectivity, and their direction is measured to determine a damaged cable in the bunch. These protections are essentially new. Therefore, theoretical foundations are required for their design and the justification of the operation of such protections. As a result of the development of these theoretical foundations, the following results have been obtained.
A technique for protecting a line of two cables against SGFs in a network with an isolated neutral is developed. It is based on measuring the difference in the magnitudes of zero-sequence currents in these cables and makes it possible to design absolutely selective protections in contrast to known ones. These protections are almost the only ones capable of providing absolute selectivity without the use of a zero-sequence voltage transformer. This enables protecting complex multi-stage lines against SGFs, which cannot always be ensured by known protection systems.
One of the main disadvantages of the known protections of two-cable lines against single-phase ground faults is their incapability of detecting a damaged cable. Hence, after tripping a damaged line, service personnel should perform a number of complex and labor-intensive engineering and organizational measures for detecting a damaged cable. The suggested technique for detecting a cable damaged during an SGF in a two-cable line is based on measuring the direction of the current in the current windings of the fault detector relay caused by the difference in the values of the zero-sequence currents in the two cables. The SGF protection systems that use this technique are currently almost the only quite simple and cheap systems capable of near instantaneously and reliably detecting a damaged cable in such lines.
Parameters of the protection of a bunched cable line are estimated from the dependence of zero-sequence current in each cable of this bunch on the SGF point in one of them. A simple and quite accurate method is suggested for their calculation with the use of the widely known and fairly simple circuit simulation software Electronics Workbench. The calculations by this method have shown that the protection suggested for a line of several cables has a dead zone. The length of this zone depends on the fault detector operation threshold, the protected line length, and the total capacitance of all connections at substation buses with respect to the ground. To eliminate the dead zone, a similar protection should be mounted at the end of a protected line.
The further improvement of real protection systems for bunched cable lines could consist of refusal to use electromechanical power directional relays, which consume a significant amount of electricity and require a zero-sequence voltage source for operation. In addition, this refusal can reduce the protection dead zone.

5. Conclusions

A technique for protecting a line with an arbitrary number of cables in a bunch against single-phase ground faults in a network with an isolated neutral has been developed. It is based on measuring the difference in magnetic flux values in ring cores put on these cables. Unlike known methods, this technique makes it possible to design absolutely selective protections capable of detecting a damaged cable in the bunch without using a zero-sequence voltage transformer. To signal about an SGF, we have designed an original measuring element in the form of several ring cores with common windings for protection systems that use this technique. The number of the ring cores is taken to be equal to the number of cables in a bunch, and the number of common windings is one less. To detect single-phase earth faults in cables in a line, current relays are used, the number of which is equal to the number of windings. A cable damaged on an SGF in the line is detected by certain combinations of contacts of these current relays. This design of the measuring element and fault detector minimizes the number of current relays and does not need a power-directional relay and a zero-sequence voltage measuring transformer. This, undoubtedly, greatly simplifies and, hence, increases the reliability of the suggested protection design, which has no analogs in world practice.

Author Contributions

Conceptualization, A.N. and T.N.; methodology, A.N. and T.N.; software, A.N., Z.I. and B.I.; validation, A.N. and T.N.; formal analysis, Z.I., B.I. and L.T.; investigation, Z.I., B.I. and L.T.; resources, Z.I., B.I. and L.T.; data curation, Z.I., B.I. and L.T.; writing—original draft preparation, B.I., A.N. and T.N.; writing—review and editing, A.N.; visualization, Z.I., B.I. and L.T.; supervision, A.N.; project administration, A.N. and T.N.; funding acquisition, Z.I. All authors have read and agreed to the published version of the manuscript.

Funding

This research was funded by the Committee of Science of the Ministry of Science and Higher Education of the Republic of Kazakhstan (grant no. AP23486411).

Data Availability Statement

The raw data supporting the conclusions of this article will be made available by the authors on request.

Acknowledgments

The authors have reviewed and edited the output and take full responsibility for the content of this publication.

Conflicts of Interest

The authors declare no conflicts of interest.

References

  1. Lin, Y.; Xu, Z. Cable Sheath Loss Reduction Strategy Research Based on the Coupled Line Model. IEEE Trans. Power Deliv. 2015, 30, 2303–2311. [Google Scholar] [CrossRef]
  2. Faibisovich, D.L. Handbook on the Design of Electrical Networks, 4th ed.; ENAS: Moskow, Russia, 2012; p. 376. (In Russian) [Google Scholar]
  3. Lakervi, E.; Holmes, E.J. Electricity Distribution Network Design, 2nd ed.; IET: London, UK, 1995; p. 325. [Google Scholar]
  4. Ermilov, A. Fundamentals of Power Supply of Industrial Enterprises; Energoatomizdat: Moscow, Russia, 1963; p. 344. (In Russian) [Google Scholar]
  5. Brown, M. Power Supply Cookbook, 2nd ed.; Butterworth–Heinemann: Waltham, MA, USA, 2001; p. 257. ISBN 0-7506-7329-X. [Google Scholar]
  6. Pelissier, R. Energy Systems; Translated from French; Higher School: Moscow, Russia, 1982; p. 568. (In Russian) [Google Scholar]
  7. Mohamed, A. El-Sharkawi Electric Energy: An Introduction, 3rd ed.; Power Electronics and Applications Series; CRC Press: Boca Raton, FL, USA, 2012; p. 606. ISBN 1466503033. [Google Scholar]
  8. Andreev, V. Relay Protection and Automatics of Power Supply Systems, 4th ed.; Vyssshaya Shkola: Moscow, Russia, 2006; p. 639. (In Russian) [Google Scholar]
  9. Gurevich, V. Power Supply Devices and Systems of Relay Protection; CRC Press: Boca Raton, FL, USA, 2017; p. 248. [Google Scholar] [CrossRef]
  10. Walter, A.E. Protective Relaying Theory and Applications; CRC Press: Boca Raton, FL, USA, 2004; p. 428. [Google Scholar]
  11. Anthony, M.S. Protective Relay Principles; CRC Press: Boca Raton, FL, USA, 2010; p. 195. ISBN 9780824753726. [Google Scholar]
  12. Berkovich, M.A.; Molchanov, V.V.; Semenov, V.A. Fundamentals of Relay Protection Technology; Energoatomizdat: Moscow, Russia, 1984; p. 376. (In Russian) [Google Scholar]
  13. Atwa, O.S.E. Practical Power System and Protective Relays Commissioning; Academic Press: Cambridge, MA, USA; Elsevier Inc.: Amsterdam, The Netherlands, 2019. [Google Scholar] [CrossRef]
  14. Fan, M.; Xia, J.; Meng, X.; Zhang, K. Single-Phase Grounding Fault Types Identification Based on Multi-Feature Transformation and Fusion. Sensors 2022, 22, 3521. [Google Scholar] [CrossRef] [PubMed]
  15. ABB Oy, Distribution Automation. Distribution Automation Handbook; ABB Oy, Distribution Automation: Helsinki, Finland, 2011; p. 20. [Google Scholar]
  16. Korogodsky, V.I.; Kuzhekov, S.P.; Paperno, L.B. Relay Protection of Electric Motors with Voltage Above 1000 V; Energoatomizdat: Moscow, Russia, 1987; p. 248. (In Russian) [Google Scholar]
  17. Novozhilov, A.N.; Novozhilov, T.A.; Goryunov, V.I.; Issabekov, Z.B. Device for Protecting a Power Transmission Line from Two Parallel-Connected Cables in a Network with an Isolated Neutral from a Single-Phase Ground Fault. RK Patent 31077, 15 May 2016. [Google Scholar]
  18. Novozhilov, T.A.; Novozhilov, A.N.; Petrova, E.V.; Tyulyugenova, L.B.; Issabekov, Z.B. A device for protecting a power transmission line consisting of two parallel-connected cables from a single-phase earth fault. RU Patent 2827609, 28 August 2025. Biluten №24.—5 p. [Google Scholar]
  19. Ataullayev, N.; Norqulov, A.; Muxammadov, B.; Majidov, A.; Togayev, I. Principles of protection against single phase earth faults in networks with capacitive current compensation. In E3S Web of Conferences; EDP Sciences: Hulis, France, 2024; Volume 548, p. 06008. [Google Scholar] [CrossRef]
  20. Novozhilov, A.; Issabekov, Z.; Novozhilov, T.; Issabekova, B.; Tyulyugenova, L. Single-Phase Earth-Fault Protection of Power Cable of a Salt-Producing Floating Platform. Energies 2025, 18, 5234. [Google Scholar] [CrossRef]
  21. Menshov, B.G. Calculation of ground fault current in quarry electrical networks. Min. Mach. Autom. 1970, 4, 65–67. (In Russian) [Google Scholar]
  22. Novozhilov, A.N.; Kolesnikov, E.N.; Novozhilov, T.A.; Kudabaev, D.A. Simulation of fault-to-ground currents in the winding of an asynchronous motor stator in a network with insulated neutral. Eng. Phys. Russ. Electr. Eng. 2013, 84, 89–93. [Google Scholar] [CrossRef]
  23. Peretyatko, Y.; Spinul, L.; Shcherba, M. Theoretical Fundamentals of Electrical Engineering; Igor Sikorsky Kyiv Polytechnic Institute: Kyiv, Ukraine, 2021; p. 136. [Google Scholar]
  24. Orlov, I.N. Electrical Engineering Handbook: (in 3 Volumes); Energiya: Moscow, Russia, 1981; Volume 2, p. 640. (In Russian) [Google Scholar]
  25. Petruzzellis, T. Build Your Own Electronics Workshop: Everything You Need to Design a Work Space, Use Test Equipment, Build and Troubleshoot Circuits (TAB Electronics Technician Library), 1st ed.; McGraw-Hill/TAB Electronics: New York, NY, USA, 2004; p. 428. ISBN 0071447245. [Google Scholar]
Figure 1. Circuit of a two-cable line protection capable of detecting a damaged cable.
Figure 1. Circuit of a two-cable line protection capable of detecting a damaged cable.
Electricity 07 00002 g001
Figure 3. Zero-sequence currents simulated: (a)—at extrinsic capacitance C = 0.5 µF, (b)—at extrinsic capacitance C = 1.0 µF.
Figure 3. Zero-sequence currents simulated: (a)—at extrinsic capacitance C = 0.5 µF, (b)—at extrinsic capacitance C = 1.0 µF.
Electricity 07 00002 g003
Figure 4. Design of the measuring transducer and circuit of absolutely selective protection of a three-cable line.
Figure 4. Design of the measuring transducer and circuit of absolutely selective protection of a three-cable line.
Electricity 07 00002 g004
Figure 5. Zero-sequence currents in line cables simulated: (a)—at extrinsic capacitances C = 0.5 µF, (b)—at extrinsic capacitances C = 1.0 µF.
Figure 5. Zero-sequence currents in line cables simulated: (a)—at extrinsic capacitances C = 0.5 µF, (b)—at extrinsic capacitances C = 1.0 µF.
Electricity 07 00002 g005
Table 1. Active and inductive resistances and capacitive reactance of three-core cables.
Table 1. Active and inductive resistances and capacitive reactance of three-core cables.
Cable Core Cross Section,
mm2
Parameters of Elements of the Equivalent Circuit of a 6-kV Cable per Kilometer of Length
AlCu6 kV Voltage10 kV Voltage
R 0 , ohm X 0 , ohm C 0 , μF X 0 , ohm C 0 , μF
64.903.00.120.20.1330.18
102.941.790.110.210.1220.21
161.841.120.1020.230.1130.24
251.170.7160.0910.280.0990.26
350.840.5140.0870.310.0950.27
500.5890.3590.0830.360.0900.29
700.420.2560.080.40.0860.31
950.310.1890.0780.420.0830.35
1200.2450.150.0760.460.0810.37
1500.1960.120.0740.510.0790.44
1850.1590.0970.0730.530.0770.45
2400.1250.0750.0710.580.0750.46
Disclaimer/Publisher’s Note: The statements, opinions and data contained in all publications are solely those of the individual author(s) and contributor(s) and not of MDPI and/or the editor(s). MDPI and/or the editor(s) disclaim responsibility for any injury to people or property resulting from any ideas, methods, instructions or products referred to in the content.

Share and Cite

MDPI and ACS Style

Novozhilov, A.; Issabekov, Z.; Novozhilov, T.; Issabekova, B.; Tyulyugenova, L. Absolutely Selective Single-Phase Ground-Fault Protection Systems for Bunched Cable Lines. Electricity 2026, 7, 2. https://doi.org/10.3390/electricity7010002

AMA Style

Novozhilov A, Issabekov Z, Novozhilov T, Issabekova B, Tyulyugenova L. Absolutely Selective Single-Phase Ground-Fault Protection Systems for Bunched Cable Lines. Electricity. 2026; 7(1):2. https://doi.org/10.3390/electricity7010002

Chicago/Turabian Style

Novozhilov, Aleksandr, Zhanat Issabekov, Timofey Novozhilov, Bibigul Issabekova, and Lyazzat Tyulyugenova. 2026. "Absolutely Selective Single-Phase Ground-Fault Protection Systems for Bunched Cable Lines" Electricity 7, no. 1: 2. https://doi.org/10.3390/electricity7010002

APA Style

Novozhilov, A., Issabekov, Z., Novozhilov, T., Issabekova, B., & Tyulyugenova, L. (2026). Absolutely Selective Single-Phase Ground-Fault Protection Systems for Bunched Cable Lines. Electricity, 7(1), 2. https://doi.org/10.3390/electricity7010002

Article Metrics

Back to TopTop