Power System Transient Stability Analysis Considering Short-Circuit Faults and Renewable Energy Sources †
Abstract
1. Introduction
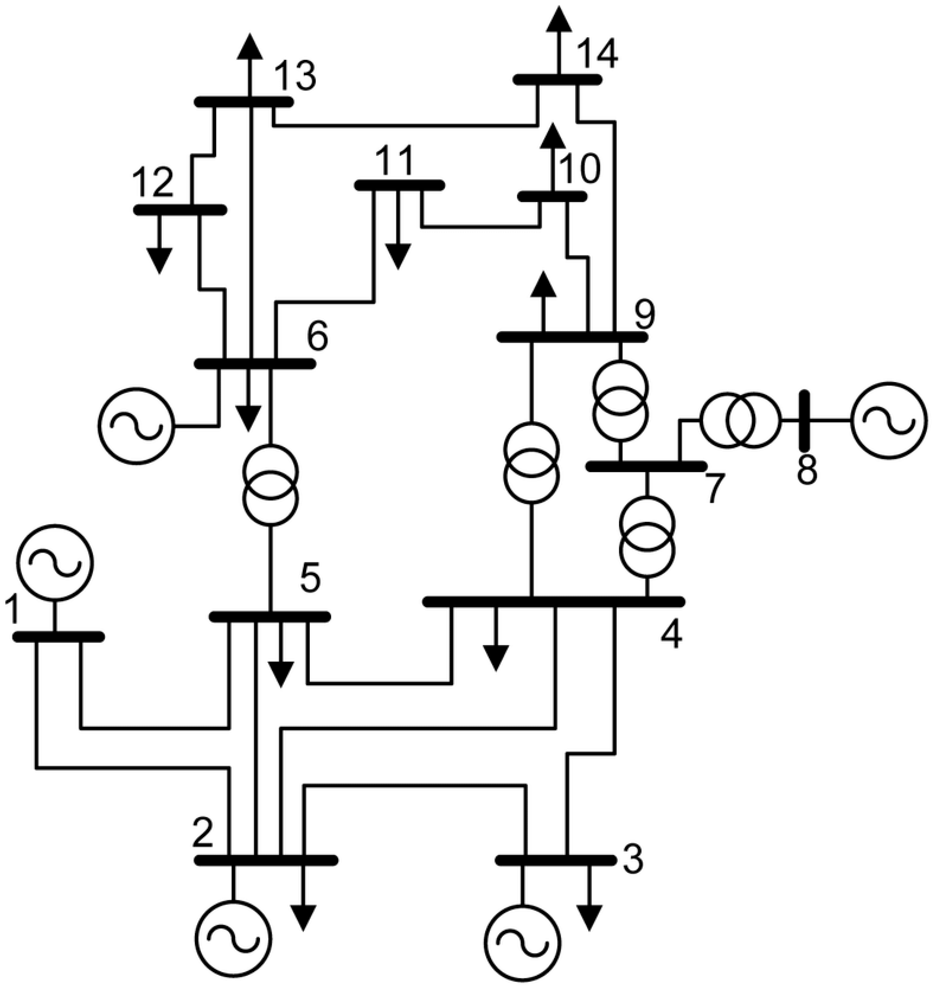
2. System Modeling
2.1. Generator Model
2.2. Transformer Model
2.3. Transmission Line Model
2.4. Load Model
2.5. Wind Power Conversion System
2.6. Solar PV Generator Model
3. Simulation Results
3.1. Case 1: Without RES Integration and a Fault
3.2. Case 2: Without RES Integration and with a Three-Phase Short-Circuit Fault
3.3. Case 3: With RES Integration and without a Fault
3.4. Case 4: With RES Integration and a Three-Phase Short-Circuit Fault
4. Conclusions
Author Contributions
Funding
Institutional Review Board Statement
Informed Consent Statement
Data Availability Statement
Conflicts of Interest
References
- Tina, G.M.; Maione, G.; Licciardello, S. Evaluation of technical solutions to improve transient stability in power systems with wind power generation. Energies 2022, 15, 7055. [Google Scholar] [CrossRef]
- Flynn, D.; Rather, Z.; Ardal, A.; D’Arco, S.; Hansen, A.D.; Cutululis, N.A.; Wang, Y. Technical impacts of high penetration levels of wind power on power system stability. Wiley Interdiscip. Rev. Energy Environ. 2017, 6, e216. [Google Scholar] [CrossRef]
- Kundur, P.; Paserba, J.; Ajjarapu, V.; Andersson, G.; Bose, A.; Canizares, C.; Vittal, V. Definition and classification of power system stability IEEE/CIGRE joint task force on stability terms and definitions. IEEE Trans. Power Syst. 2004, 19, 1387–1401. [Google Scholar]
- Kaur, R.; Kumar, D. Transient stability improvement of IEEE 9 bus system using power world simulator. MATEC Web Conf. 2016, 57, 01026. [Google Scholar] [CrossRef]
- Djemai, N. Optimization of the Integration of Decentralized Energy Resources (DER) into Distribution Networks in a Deregulated Electricity Market. Ph.D. Thesis, University of Mohamed Khider Biskra, Biskra, Algiers, 2016. [Google Scholar]
- Boubakeur, M.H. Contribution to Improving the Efficiency of Electricity Networks through the Integration and Flexible Control of Wind Energy and FACTS Systems. Ph.D. Thesis, University of Mohamed Khider Biskra, Biskra, Algiers, 2017. [Google Scholar]
- Alhamrouni, I.; Abdul Kahar, N.H.; Salem, M.; Swadi, M.; Zahroui, Y.; Kadhim, D.J.; Mohamed, F.A.; Alhuyi Nazari, M. A Comprehensive Review on the Role of Artificial Intelligence in Power System Stability, Control, and Protection: Insights and Future Directions. Appl. Sci. 2024, 14, 6214. [Google Scholar] [CrossRef]
- Shahzad, S.; Jasińska, E. Renewable Revolution: A Review of Strategic Flexibility in Future Power Systems. Sustainability 2024, 16, 5454. [Google Scholar] [CrossRef]
- Abdelaal, A.K.; El-Hameed, M.A. Application of Robust Super Twisting to Load Frequency Control of a Two-Area System Comprising Renewable Energy Resources. Sustainability 2024, 16, 5558. [Google Scholar] [CrossRef]
- Hernández-Mayoral, E.; Madrigal-Martínez, M.; Mina-Antonio, J.D.; Iracheta-Cortez, R.; Enríquez-Santiago, J.A.; Rodríguez-Rivera, O.; Martínez-Reyes, G.; Mendoza-Santos, E. A comprehensive review on power-quality issues, optimization techniques, and control strategies of microgrid based on renewable energy sources. Sustainability 2023, 15, 9847. [Google Scholar] [CrossRef]
- Alam, S.; Chowdhury, T.A.; Dhar, A.; Al-Ismail, F.S.; Choudhury, M.S.H.; Shafiullah, M.; Hossain, I.; Hossain, A.; Ullah, A.; Rahman, S.M. Solar and wind energy integrated system frequency control: A critical review on recent developments. Energies 2023, 16, 812. [Google Scholar] [CrossRef]
- Boubii, C.; El Kafazi, I.; Bannari, R.; El Bhiri, B.; Bossoufi, B.; Kotb, H.; AboRas, K.M.; Emara, A.; Nasiri, B. Synergizing Wind and Solar Power: An Advanced Control System for Grid Stability. Sustainability 2024, 16, 815. [Google Scholar] [CrossRef]
- Meegahapola, L.; Sguarezi, A.; Bryant, J.S.; Gu, M.; Conde, D.E.R.; Cunha, R.B.A. Power system stability with power-electronic converter interfaced renewable power generation: Present issues and future trends. Energies 2020, 13, 3441. [Google Scholar] [CrossRef]
- Shair, J.; Li, H.; Hu, J.; Xie, X. Power system stability issues, classifications and research prospects in the context of high-penetration of renewables and power electronics. Renew. Sustain. Energy Rev. 2021, 145, 111111. [Google Scholar] [CrossRef]
- Machowski, J.; Lubosny, Z.; Bialek, J.W.; Bumby, J.R. Power System Dynamics: Stability and Control; John Wiley & Sons: Hoboken, NJ, USA, 2020. [Google Scholar]
- Wu, Q.-H.; Bose, A.; Singh, C.; Chow, J.H.; Mu, G.; Sun, Y.; Liu, Z.; Li, Z.; Liu, Y. Control and stability of large-scale power system with highly distributed renewable energy generation: Viewpoints from six aspects. CSEE J. Power Energy Syst. 2023, 9, 8–14. [Google Scholar]
- Ahmed, F.; Al Kez, D.; McLoone, S.; Best, R.J.; Cameron, C.; Foley, A. Dynamic grid stability in low carbon power systems with minimum inertia. Renew. Energy 2023, 210, 486–506. [Google Scholar] [CrossRef]
- Gulzar, M.M. Designing of Robust Frequency Stabilization Using Optimized MPC-(1+PIDN) Controller for High Order Interconnected Renewable Energy Based Power Systems. Prot. Control Mod. Power Syst. 2023, 8, 1–14. [Google Scholar] [CrossRef]
- Taher, A.M.; Hasanien, H.M.; Aleem, S.H.A.; Tostado-Véliz, M.; Ćalasan, M.; Turky, R.A.; Jurado, F. Optimal model predictive control of energy storage devices for frequency stability of modern power systems. J. Energy Storage 2023, 57, 106310. [Google Scholar] [CrossRef]
- Caire, R. Management and Strategies for Driving Decentralized Production. Ph.D. Thesis, INP Grenoble, Saint-Martin-d’Hères, France, April 2004. [Google Scholar]
- Richardot, O. Coordinated Voltage Adjustment in Distribution Networks Using Decentralized Generation. Ph.D. Thesis, Institut National Polytechnique de Grenoble-INPG, Saint-Martin-d’Hères, France, October 2006. [Google Scholar]
- Yahya, A.O.M.; Mahmoud, A.O.; Youm, I. Study and modeling of a photovoltaic generator. Renew. Energy Rev. 2008, 11, 473–483. [Google Scholar]
- Yuan, Z.; Zhao, C.; Cortés, J. Reinforcement learning for distributed transient frequency control with stability and safety guarantees. Syst. Control Lett. 2024, 185, 105753. [Google Scholar] [CrossRef]
- Odonkor, E.N.; Moses, P.M.; Akumu, A.O. Intelligent ANFIS-based distributed generators energy control and power dispatch of grid-connected microgrids integrated into distribution network. Int. J. Electr. Electron. Eng. Telecommun. 2024, 13, 112–124. [Google Scholar] [CrossRef]
- Zakariya, M.; Teh, J. A systematic review on cascading failures models in renewable power systems with dynamics perspective and protections modeling. Electr. Power Syst. Res. 2023, 214, 108928. [Google Scholar] [CrossRef]









| Bus | V [p.u.] | Phase [rad] | P Gen [p.u.] | Q Gen [p.u.] | P Load [p.u.] | Q Load [p.u.] |
|---|---|---|---|---|---|---|
| Bus 1 | 1.0625 | 11.9952 | 3.5203 | −0.28197 | 0 | 0 |
| Bus 2 | 1.0495 | 11.8729 | 0.4 | 0.9486 | 0.3038 | 0.1778 |
| Bus3 | 1.0064 | 11.6342 | 0 | 0.59736 | 1.3188 | 0.266 |
| Bus 4 | 0.97871 | 11.6661 | 0 | 0 | 0.6692 | 0.056 |
| Bus 5 | 0.98813 | 11.7258 | 0 | 0 | 0.1064 | 0.0224 |
| Bus 6 | 1.0619 | 11.5751 | 0 | 0.44433 | 0.1568 | 0.105 |
| Bus 7 | 1.0233 | 11.5949 | 0 | 0 | 0 | 0 |
| Bus 8 | 1.083 | 11.595 | 0 | 0.33402 | 0 | 0 |
| Bus 9 | 0.99993 | 11.5573 | 0 | 0 | 0.413 | 0.2324 |
| Bus 10 | 1.0001 | 11.5535 | 0 | 0 | 0.126 | 0.0812 |
| Bus 11 | 1.0254 | 11.5615 | 0 | 0 | 0.049 | 0.0252 |
| Bus 12 | 1.0379 | 11.5535 | 0 | 0 | 0.0854 | 0.0224 |
| Bus 13 | 1.0279 | 11.5521 | 0 | 0 | 0.189 | 0.0812 |
| Bus 14 | 0.98612 | 11.529 | 0 | 0 | 0.2086 | 0.07 |
Disclaimer/Publisher’s Note: The statements, opinions and data contained in all publications are solely those of the individual author(s) and contributor(s) and not of MDPI and/or the editor(s). MDPI and/or the editor(s) disclaim responsibility for any injury to people or property resulting from any ideas, methods, instructions or products referred to in the content. |
© 2024 by the authors. Licensee MDPI, Basel, Switzerland. This article is an open access article distributed under the terms and conditions of the Creative Commons Attribution (CC BY) license (https://creativecommons.org/licenses/by/4.0/).
Share and Cite
Brik, A.; Kouba, N.E.Y.; Ladjici, A.A. Power System Transient Stability Analysis Considering Short-Circuit Faults and Renewable Energy Sources. Eng. Proc. 2024, 67, 42. https://doi.org/10.3390/engproc2024067042
Brik A, Kouba NEY, Ladjici AA. Power System Transient Stability Analysis Considering Short-Circuit Faults and Renewable Energy Sources. Engineering Proceedings. 2024; 67(1):42. https://doi.org/10.3390/engproc2024067042
Chicago/Turabian StyleBrik, Amel, Nour El Yakine Kouba, and Ahmed Amine Ladjici. 2024. "Power System Transient Stability Analysis Considering Short-Circuit Faults and Renewable Energy Sources" Engineering Proceedings 67, no. 1: 42. https://doi.org/10.3390/engproc2024067042
APA StyleBrik, A., Kouba, N. E. Y., & Ladjici, A. A. (2024). Power System Transient Stability Analysis Considering Short-Circuit Faults and Renewable Energy Sources. Engineering Proceedings, 67(1), 42. https://doi.org/10.3390/engproc2024067042

