A Novel MPPT-Based Solar Irradiance Estimator: Integration of a Hybrid Incremental Conductance Integral Backstepping Algorithm for PV Systems with Experimental Validation †
Abstract
:1. Introduction
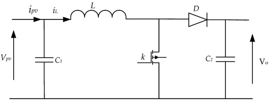
2. Design of the Proposed System
3. Results and Discussion
4. Conclusions
Author Contributions
Funding
Institutional Review Board Statement
Informed Consent Statement
Data Availability Statement
Conflicts of Interest
References
- Fouad, R.H.; Ashhab, M.S.; Mukattash, A.; Idwan, S. Simulation and Energy Management of an Experimental Solar System through Adaptive Neural Networks. IET Sci. Meas. Technol. 2012, 6, 427. [Google Scholar] [CrossRef]
- Harrison, A.; Nfah, E.M.; de Dieu Nguimfack Ndongmo, J.; Alombah, N.H. An Enhanced P&O MPPT Algorithm for PV Systems with Fast Dynamic and Steady-State Response under Real Irradiance and Temperature Conditions. Int. J. Photoenergy 2022, 2022, 6009632. [Google Scholar] [CrossRef]
- Harrison, A.; de Dieu Nguimfack Ndongmo, J.; Alombah, N.H. Robust Nonlinear Control and Maximum Power Point Tracking in PV Solar Energy System under Real Environmental Conditions. In Proceedings of the ASEC 2022, 3rd International Electronic Conference on Applied Sciences, Online, 1–15 December 2022; MDPI: Basel, Switzerland, 2022; p. 49. [Google Scholar]
- Li, L.-L.; Lin, G.-Q.; Tseng, M.-L.; Tan, K.; Lim, M.K. A Maximum Power Point Tracking Method for PV System with Improved Gravitational Search Algorithm. Appl. Soft Comput. 2018, 65, 333–348. [Google Scholar] [CrossRef]
- Harrison, A.; Alombah, N.H. A New High-Performance Photovoltaic Emulator Suitable for Simulating and Validating Maximum Power Point Tracking Controllers. Int. J. Photoenergy 2023, 2023, 4225831. [Google Scholar] [CrossRef]
- Moshksar, E.; Ghanbari, T. Real-time Estimation of Solar Irradiance and Module Temperature from Maximum Power Point Condition. IET Sci. Meas. Technol. 2018, 12, 807–815. [Google Scholar] [CrossRef]
- Harrison, A.; Alombah, N.H.; de Dieu Nguimfack Ndongmo, J. Solar Irradiance Estimation and Optimum Power Region Localization in PV Energy Systems under Partial Shaded Condition. Heliyon 2023, 9, e18434. [Google Scholar] [CrossRef] [PubMed]
- Cristaldi, L.; Faifer, M.; Rossi, M.; Ponci, F. A Simple Photovoltaic Panel Model: Characterization Procedure and Evaluation of the Role of Environmental Measurements. IEEE Trans. Instrum. Meas. 2012, 61, 2632–2641. [Google Scholar] [CrossRef]
- Tan, R.H.G.; Tai, P.L.J.; Mok, V.H. Solar Irradiance Estimation Based on Photovoltaic Module Short Circuit Current Measurement. In Proceedings of the 2013 IEEE International Conference on Smart Instrumentation, Measurement and Applications (ICSIMA), Kuala Lumpur, Malaysia, 25–27 November 2013; IEEE: Toulouse, France, 2013; pp. 1–4. [Google Scholar]
- Cruz-Colon, J.; Martinez-Mitjans, L.; Ortiz-Rivera, E.I. Design of a Low Cost Irradiance Meter Using a Photovoltaic Panel. In Proceedings of the 2012 38th IEEE Photovoltaic Specialists Conference, Austin, TX, USA, 3–8 June 2012; IEEE: Toulouse, France, 2012; pp. 002911–002912. [Google Scholar]
- Husain, N.S.; Zainal, N.A.; Mahinder Singh, B.S.; Mohamed, N.M.; Mohd Nor, N. Integrated PV Based Solar Insolation Measurement and Performance Monitoring System. In Proceedings of the 2011 IEEE Colloquium on Humanities, Science and Engineering, Penang, Malaysia, 5–6 December 2011; IEEE: Toulouse, France, 2011; pp. 710–715. [Google Scholar]
- Carrasco, M.; Mancilla-David, F.; Ortega, R. An Estimator of Solar Irradiance in Photovoltaic Arrays With Guaranteed Stability Properties. IEEE Trans. Ind. Electron. 2014, 61, 3359–3366. [Google Scholar] [CrossRef]
- Laudani, A.; Fulginei, F.R.; Salvini, A.; Carrasco, M.; Mancilla-David, F. A Fast and Effective Procedure for Sensing Solar Irradiance in Photovoltaic Arrays. In Proceedings of the 2016 IEEE 16th International Conference on Environment and Electrical Engineering (EEEIC), Florence, Italy, 7–10 June 2016; IEEE: Toulouse, France, 2016; pp. 1–4. [Google Scholar]
- Harrison, A.; Alombah, N.H.; de Dieu Nguimfack Ndongmo, J. A New Hybrid MPPT Based on Incremental Conductance-Integral Backstepping Controller Applied to a PV System under Fast-Changing Operating Conditions. Int. J. Photoenergy 2023, 2023, 9931481. [Google Scholar] [CrossRef]
- Senapati, M.K.; Pradhan, C.; Calay, R.K. A Computational Intelligence Based Maximum Power Point Tracking for Photovoltaic Power Generation System with Small-signal Analysis. Optim. Control Appl. Methods 2023, 44, 617–636. [Google Scholar] [CrossRef]
- Priyadarshi, N.; Padmanaban, S.; Kiran Maroti, P.; Sharma, A. An Extensive Practical Investigation of FPSO-Based MPPT for Grid Integrated PV System Under Variable Operating Conditions with Anti-Islanding Protection. IEEE Syst. J. 2019, 13, 1861–1871. [Google Scholar] [CrossRef]
- Priyadarshi, N.; Bhaskar, M.S.; Sanjeevikumar, P.; Azam, F.; Khan, B. High-power DC-DC Converter with Proposed HSFNA MPPT for Photovoltaic Based Ultra-fast Charging System of Electric Vehicles. IET Renew. Power Gener. 2022; Early View. [Google Scholar] [CrossRef]
- Priyadarshi, N.; Sanjeevikumar, P.; Bhaskar, M.; Azam, F.; Taha, I.B.M.; Hussien, M.G. An Adaptive TS-fuzzy Model Based RBF Neural Network Learning for Grid Integrated Photovoltaic Applications. IET Renew. Power Gener. 2022, 16, 3149–3160. [Google Scholar] [CrossRef]
- Pradhan, C.; Senapati, M.K.; Malla, S.G.; Nayak, P.K.; Gjengedal, T. Coordinated Power Management and Control of Standalone PV-Hybrid System with Modified IWO-Based MPPT. IEEE Syst. J. 2021, 15, 3585–3596. [Google Scholar] [CrossRef]
- Glasner, I.; Appelbaum, J. Advantage of Boost vs. Buck Topology for Maximum Power Point Tracker in Photovoltaic Systems. In Proceedings of the 19th Convention of Electrical and Electronics Engineers in Israel, Jerusalem, Israel, 5–6 November 1996; IEEE: Toulouse, France, 1996; pp. 355–358. [Google Scholar]
- Harrison, A.; Dieu Nguimfack-Ndongmo, J.d.; Alombah, N.H.; Aloyem Kazé, C.V.; Kuate-Fochie, R.; Asoh, D.A.; Nfah, E.M. Robust Nonlinear MPPT Controller for PV Energy Systems Using PSO-Based Integral Backstepping and Artificial Neural Network Techniques. Int. J. Dyn. Control 2023. [Google Scholar] [CrossRef]
- Harrison, A.; Henry, N. A New Piecewise Segmentation Based Solar Photovoltaic Emulator Using Artificial Neural Networks and a Nonlinear Backstepping Controller. Appl. Sol. Energy 2023, 59, 283–304. [Google Scholar] [CrossRef]
- de Dieu Nguimfack-Ndongmo, J.; Harrison, A.; Alombah, N.H.; Kuate-Fochie, R.; Ajesam Asoh, D.; Kenné, G. Adaptive Terminal Synergetic-Backstepping Technique Based Machine Learning Regression Algorithm for MPPT Control of PV Systems under Real Climatic Conditions. ISA Trans. 2023; in press. [Google Scholar] [CrossRef]




| Ref. | Year | Method of Solar Irradiance Estimation | MPPT Algorithm | Key Remarks |
|---|---|---|---|---|
| [9] | 2013 | Short-circuit current method | N/A |
|
| [10] | 2012 | Short-circuit/open-circuit voltage method | N/A |
|
| [11] | 2011 | Interpolation method | N/A | Requires fitted data |
| [12] | 2014 | PV-model-based | N/A | Requires some internal parameters of the PV model, which are not often fully available |
| [13] | 2016 | Analytical method | N/A | Analytical equation relies on internal parameters of the PV model |
| [19] | 2021 | N/A | Hybrid P&O-based Modified Invasive Weed optimization algorithm | MPPT not evaluated for irradiance estimation |
| [16] | 2019 | N/A | Hybrid PSO fuzzy logic controller | MPPT not evaluated for irradiance estimation |
| [17] | 2022 | N/A | Firefly optimization MPPT algorithm | MPPT not evaluated for irradiance estimation |
| [18] | 2022 | N/A | TS fuzzy Radial Basis Neural Network | MPPT not evaluated for irradiance estimation |
| [6] | 2018 | MPPT-Based | Conventional algorithm |
|
| [Proposed] | 2023 | MPPT-Based | H-INC-IBS |
|
Disclaimer/Publisher’s Note: The statements, opinions and data contained in all publications are solely those of the individual author(s) and contributor(s) and not of MDPI and/or the editor(s). MDPI and/or the editor(s) disclaim responsibility for any injury to people or property resulting from any ideas, methods, instructions or products referred to in the content. |
© 2023 by the authors. Licensee MDPI, Basel, Switzerland. This article is an open access article distributed under the terms and conditions of the Creative Commons Attribution (CC BY) license (https://creativecommons.org/licenses/by/4.0/).
Share and Cite
Harrison, A.; Alombah, N.H.; Kamel, S.; Kotb, H.; Ghoneim, S.S.M.; El Myasse, I. A Novel MPPT-Based Solar Irradiance Estimator: Integration of a Hybrid Incremental Conductance Integral Backstepping Algorithm for PV Systems with Experimental Validation. Eng. Proc. 2023, 56, 262. https://doi.org/10.3390/ASEC2023-15966
Harrison A, Alombah NH, Kamel S, Kotb H, Ghoneim SSM, El Myasse I. A Novel MPPT-Based Solar Irradiance Estimator: Integration of a Hybrid Incremental Conductance Integral Backstepping Algorithm for PV Systems with Experimental Validation. Engineering Proceedings. 2023; 56(1):262. https://doi.org/10.3390/ASEC2023-15966
Chicago/Turabian StyleHarrison, Ambe, Njimboh Henry Alombah, Salah Kamel, Hossam Kotb, Sherif S. M. Ghoneim, and Ilyass El Myasse. 2023. "A Novel MPPT-Based Solar Irradiance Estimator: Integration of a Hybrid Incremental Conductance Integral Backstepping Algorithm for PV Systems with Experimental Validation" Engineering Proceedings 56, no. 1: 262. https://doi.org/10.3390/ASEC2023-15966
APA StyleHarrison, A., Alombah, N. H., Kamel, S., Kotb, H., Ghoneim, S. S. M., & El Myasse, I. (2023). A Novel MPPT-Based Solar Irradiance Estimator: Integration of a Hybrid Incremental Conductance Integral Backstepping Algorithm for PV Systems with Experimental Validation. Engineering Proceedings, 56(1), 262. https://doi.org/10.3390/ASEC2023-15966

