Automating the Study of a Linearized Model of Diabetes Mellitus and Tuning a PID Controller for This Model †
Abstract
1. Introduction
- Analysis of the selected model for the possibility of its linearization [15].
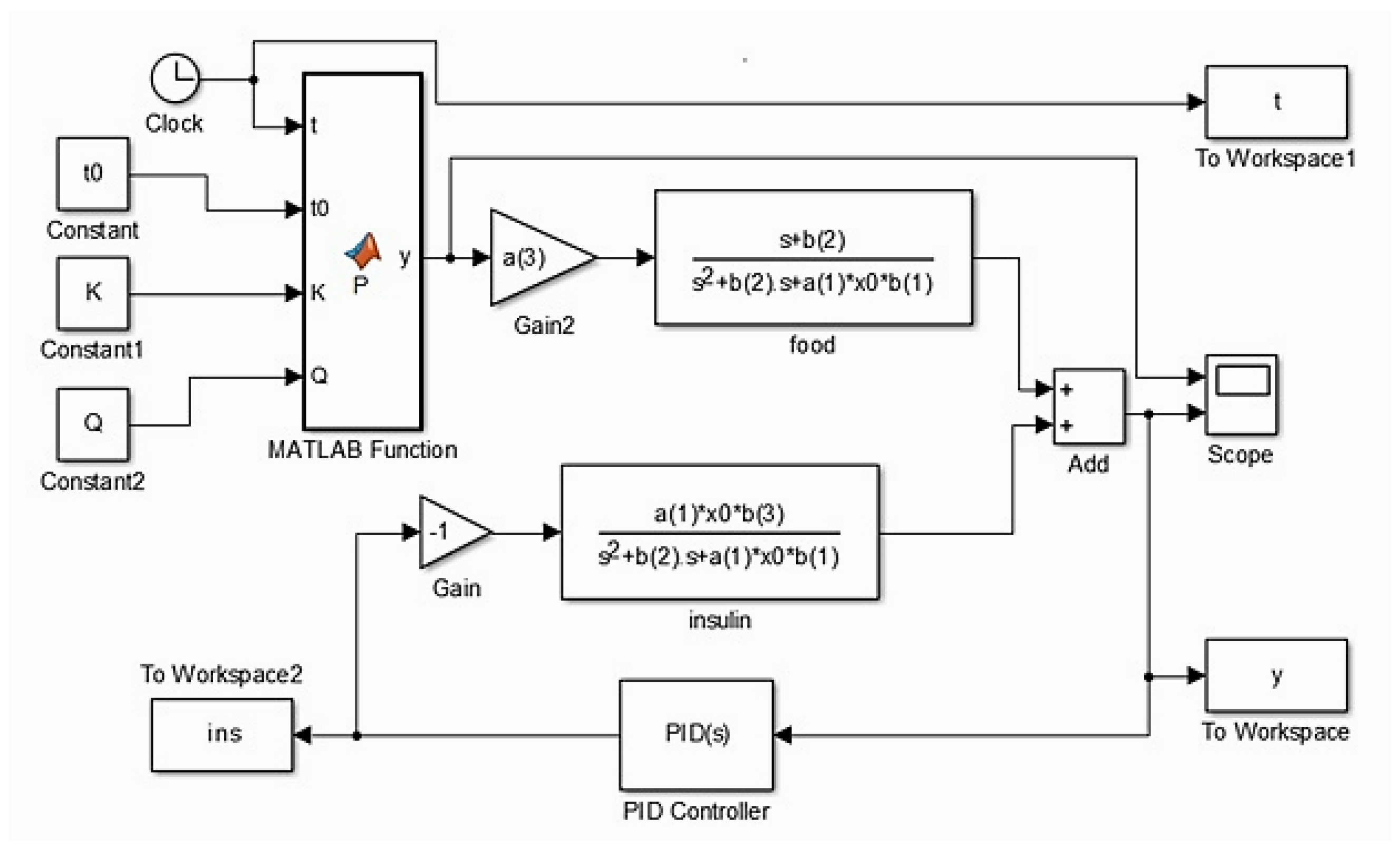
- Obtaining the transfer functions of the sugar level by food intake and insulin injection, building a mathematical model of the control object (human) in the MATLAB/Simulink environment.
- Testing of transient graphs of a patient and a healthy person in the original and linearized models during the transient time.
- Evaluation of the suitability of a linearized model for the development of a PID controller for an insulin pump control system.
- Study of various engineering methods for the synthesis of controllers and the choice of the most adequate method for the synthesis of the PID controller by the CHR method, taking into account the features of the linearized system.
- Synthesis of the PID controller by the CHR method.
- Creation of a control system model with the PID controller in the MATLAB/Simulink environment.
- Development of an algorithm for determining controller parameters from the transient curve in a model of a patient, with the possibility of automatically adjusting these parameters to obtain a given blood sugar level.
- Performing simulations with various parameters of the linearized mathematical model to check the operability of this model.
2. Materials and Methods
Rationale for Choosing a Mathematical Model
- Obtaining a tabular function (graph) of the transient with zero controller settings, with individual parameters and of the model.
- Determination of the boundary value of the regulator.
- Calculation of the regulator’s coefficients.
- Calculation of the transient process with the regulator.
- Comparison of the transient process of step 4 of the algorithm with the transient process of a “healthy person”.
- If the difference exceeds the admissible one, decrease by ”a” and pass to step 3.
- Otherwise, the tuning is completed.
- The first point of the set, obviously (0; 0), was marked as “extreme”; the current set length is k = 1.
- Since the maximum value of the transient function was about 400, we took the value = 0.5, which is small enough in comparison with the maximum and simultaneously much larger than the accuracy of calculations in MATLAB (it is equal to the system constant ; in this way, the gross rounding errors were leveled.
- The “outermost” point of the set was assigned to the current point.
- We proceed to the next point of the transient table function and check if condition (2) holds.
- If condition (2) is unfulfilled, then we proceed to item 4.
- If condition (2) is satisfied, the point was added to the set—it becomes a “last” point, and the length of the set increased by k = k + 1.
- The condition k = (n + 1) was checked—for the uniqueness of the approximating polynomial the set must contain at least (n + 1) points, where n is the degree of the polynomial.
- If the condition k = (n + 1) is unfulfilled, pass to item 3.
- Otherwise, the set is formed—end.
- Since the PID controller is an external device to the control object, it cannot be implemented in the control object;
- The food intake and insulin production (or injection) subsystems in the diabetic patient are practically unrelated to each other;
- The characteristics of each diabetic patient’s model are individual and can vary quite widely.
- Initialization of model parameters—assignment of the specific values for and ;
- Modeling;
- Processing of simulation results (vectors [t, y] returned by the model).
3. Results & Discussions
- Gain K = 12 … 24;
- Time constant of the integrator = 0.01…0.05 h;
- Derivation time constant = 0.004…0.008 h.
4. Conclusions
- Based on the study and analysis of existing mathematical models of diabetes mellitus, in terms of the application (to them) of methods of the theory of linear automatic control systems, a non-linear model was chosen that is consistent with the known physiological facts while having a minimal set of equations and parameters.
- The selected model, with some assumptions, has been modified and linearized.
- A mathematical model of the control object (human) was built in the MATLAB/Simulink environment, and, based on the simulation results, a conclusion about the suitability of the linearized model for the development of the PID controller of the insulin pump control system was formed.
- In the MATLAB/Simulink environment, a model of a control system with a PID controller was built; an algorithm, implemented as an m-file, was created to determine the parameters of the controller; and the adequacy of the algorithm was experimentally verified.
- The impact of changing the model parameters during the control process was evaluated due to the possible significant variation in these parameters when moving from one patient (digital model) to another.
- The insignificant influence of sufficiently large deviations of the model parameters on the controller parameters was experimentally established, and a conclusion was formed about the stability of the control object with a PID controller to changes in the parameters of the control object model.
- Improving regulation by introducing a relay element into the control loop that turns off the insulin pump when a certain relatively low sugar level is reached in order to prevent hypoglycemia [5];
- Study of the system with a regulator with multiple periodic meals to study the effect of breaks between meals;
- Development of a more convenient interface for the controller parameter setting program.
Author Contributions
Funding
Institutional Review Board Statement
Informed Consent Statement
Data Availability Statement
Conflicts of Interest
References
- Dedov, I.I.; Shestakova, M.V.; Aleksandrov, A.A.; Galstyan, G.R.; Grigoryan, O.R.; Esayan, R.M.; Kalashnikov, V.Y.; Kuraeva, T.L.; Lipatov, D.V.; Mayorov, A.Y.; et al. Algorithms of Specialized Medical Care for Patients with Diabetes Mellitus: Clinical Guidelines, 10th ed.; Diabetes Mellitus: Moscow, Russia, 2021; 14p. [Google Scholar]
- Shapoval, I.N.; Nikitina, S.Y.; Ageeva, L.I. (Eds.) Healthcare in Russia. 2019: Statistical Collection; Rosstat: Moscow, Russia, 2019; 170p. [Google Scholar]
- Pfeiffer, E.F.; Thum, C.; Clemens, A.H. The artificial beta cell-a continuous control of blood sugar by external regulation of insulin infusion (glucose-controlled insulin infusion system). Horm. Metab. Res. 1974, 6, 339–342. [Google Scholar] [CrossRef] [PubMed]
- Clemens, A.H.; Chang, P.H.; Myers, R.W. The development of Biostator, a glucose controlled insulin infusion system (GCIIS). Horm. Metab. Res. 1977, 7, 23–33. [Google Scholar]
- Steil, G.M.; Rebrin, K.; Darwin, C.; Hariri, F.; Saad, M.F. Feasibility of automating insulin delivery for the treatment of type 1 diabetes. Diabetes 2006, 55, 3344–3350. [Google Scholar] [CrossRef] [PubMed]
- Davoust, A.; Gavigan, P.; Ruiz-Martin, C.; Trabes, G.; Esf, iari, B.; Wainer, G.; James, J. An architecture for integrating BDI agents with a simulation environment. In Engineering Multi-Agent Systems; Springer International Publishing: Cham, Switzerland, 2020; pp. 67–84. [Google Scholar]
- Mikhalsky, A.I.; Novoseltseva, J.A. Modeling of a continuous glycemic curve. In Proceedings of the 12th International Conference “Managing the Development of Large-scale Systems”, Moscow, Russia, 1–3 October 2019; IPU RAS: Moscow, Russia, 2019. [Google Scholar]
- Sorensen, J.T. A Physiologic Model of Glucose Metabolism in Man and Its Use to Design and Assess Improve Insulin Therapies for Diabetes. Ph.D. Thesis, Department of Chemical Engineering, MIT, Cambridge, MA, USA, 1985. [Google Scholar]
- Steil, G.M.; Clark, B.; Kanderian, S.; Rebrin, K. Modeling insulin action for development of a closed-loop artificial pancreas. Diabetes Technol. Ther. 2005, 7, 94–108. [Google Scholar] [CrossRef] [PubMed]
- Cobelli, C.; Federspil, G.; Pacini, G.; Salvan, A.; Scandellari, C. An integrated mathematical model of the dynamics of blood glucose and its hormonal control. Math. Biosci. 1982, 58, 27–60. [Google Scholar] [CrossRef]
- Bergman, R.N.; Ider, Y.Z.; Bowden, C.R.; Cobelli, C. Quantitative estimation of insulin sensitivity. Am. J. Physiol. Endocrinol. Metab. 1979, 236, E667. [Google Scholar] [CrossRef] [PubMed]
- Hovorka, R.; Canonico, V.; Chassin, L.J.; Haueter, U.; Massi-Benedetti, M.; Federici, M.O.; Pieber, T.R.; Schaller, H.C.; Schaupp, L.; Vering, T.; et al. Nonlinear model predictive control of glucose concentration in subjects with type 1 diabetes. Physiol. Meas. 2004, 25, 905–920. [Google Scholar] [CrossRef] [PubMed]
- Doodnath, A.; Kong, A.; Sastry, M.K.S. Optimal Linear Control of Blood Glucose. In Proceedings of the WRI World Congress on Computer Science and Information Engineering 2009, Los Angeles, CA, USA, 31 March–2 April 2009; Volume 5. [Google Scholar]
- Davis, M.J. Differential model of diabetes mellitus. In Mathematical Modelling; Andrews, J.G., McLone, R.R., Eds.; Butterworths: London, UK, 1976; Volume 260, pp. 128–139. [Google Scholar]
- Kozeko, L.G.; Tsirulyova, V.M.; Shapovalova, I.A. The Study and Numerical Implementation of the Mathematical Model of the Task of Correcting Blood Sugar Levels. Study and Implementation of Numerical Mathematical Model the Task of Adjusting the Level of Sugar in the Blood. TVSU Ser. Chem. 2018, 1, 169–178. [Google Scholar]
- Kuropatkin, P.V. Theory of Automatic Control; A Textbook for Electrotechnics Specialties of Universities; Vysshaya Shkola: Moscow, Russia, 1973; 527p. [Google Scholar]
- Andrikov, D.A.; Kurbanov, S.V. Development of a Linear Model of Diabetes Mellitus with a PID Controller and a Method for Automatic Adjustment of the PID Controller. In Intelligent Sustainable Systems; Lecture Notes in Networks and Systems; Nagar, A.K., Jat, D.S., Marín-Raventos, G., Mishra, D.K., Eds.; Springer: Singapore, 2022; Volume 333. [Google Scholar]
- Denisenko, V.V. PID controllers: Questions of realization the modification no 1. Mod. Autom. Technol. 2008, 4, 86–99. [Google Scholar]
- Ziegler, J.G.; Nichols, N.B. Optimum settings for automatic controllers. Trans. ASME 1942, 64, 759–768. [Google Scholar] [CrossRef]
- Chien, K.L.; Hrones, J.A.; Reswick, J.B. On automatic control of generalized passive systems. Trans. ASME 1952, 74, 175–185. [Google Scholar] [CrossRef]
- Denisenko, V.V. PID controllers: Principles of construction and modification. Mod. Autom. Technol. 2006, 4, 66–74. (In Russian) [Google Scholar]
- Turchak, L.I. The Fundamentals of Numerical Methods; Nauka: Moscow, Russia, 1987; 320p. [Google Scholar]



| Controller | Step Response | Frequency Parameters | ||||
|---|---|---|---|---|---|---|
| Type | K | K | ||||
| P | 1/a | 0.5/ | ||||
| PI | 0.9/a | 3L/K | 0.4/ | 0.8/K | ||
| PID | 1.2/a | 0.9L/K | 0.5L/K | 0.6/ | 0.5/K | 0.125/K |
| Controller | No Overshoot | 20% Overshoot | ||||
|---|---|---|---|---|---|---|
| Type | K | K | ||||
| P | 0.3/a | 0.7/a | ||||
| PI | 0.35/a | 1.2L/K | 0.6/a | 1.0L/K | ||
| PID | 0.6/a | 1.0L/K | 0.5L/K | 0.95/a | 1.4L/K | 0.47L/K |
| Controller | No Overshoot | 20% Overshoot | ||||
|---|---|---|---|---|---|---|
| Type | K | K | ||||
| P | 0.3/a | 0.7/a | ||||
| PI | 0.6/a | 4L/K | 0.7/a | 2.3L/K | ||
| PID | 0.95/a | 2.4L/K | 0.42L/K | 1.2/a | 2.0L/K | 0.42L/K |
Disclaimer/Publisher’s Note: The statements, opinions and data contained in all publications are solely those of the individual author(s) and contributor(s) and not of MDPI and/or the editor(s). MDPI and/or the editor(s) disclaim responsibility for any injury to people or property resulting from any ideas, methods, instructions or products referred to in the content. |
© 2023 by the authors. Licensee MDPI, Basel, Switzerland. This article is an open access article distributed under the terms and conditions of the Creative Commons Attribution (CC BY) license (https://creativecommons.org/licenses/by/4.0/).
Share and Cite
Andrikov, D.; Kurbanov, S. Automating the Study of a Linearized Model of Diabetes Mellitus and Tuning a PID Controller for This Model. Eng. Proc. 2023, 33, 42. https://doi.org/10.3390/engproc2023033042
Andrikov D, Kurbanov S. Automating the Study of a Linearized Model of Diabetes Mellitus and Tuning a PID Controller for This Model. Engineering Proceedings. 2023; 33(1):42. https://doi.org/10.3390/engproc2023033042
Chicago/Turabian StyleAndrikov, Denis, and Sinan Kurbanov. 2023. "Automating the Study of a Linearized Model of Diabetes Mellitus and Tuning a PID Controller for This Model" Engineering Proceedings 33, no. 1: 42. https://doi.org/10.3390/engproc2023033042
APA StyleAndrikov, D., & Kurbanov, S. (2023). Automating the Study of a Linearized Model of Diabetes Mellitus and Tuning a PID Controller for This Model. Engineering Proceedings, 33(1), 42. https://doi.org/10.3390/engproc2023033042

