Simulation and Modeling of Data Transmission Process in Boreholes Using Intelligent Drill Pipe for a Laboratory Experiment
Abstract
1. Introduction
2. Intelligent Drill Pipe Telemetry
3. Small-Scale Intelligent Drill Pipe Experiment
4. Experimental Tests
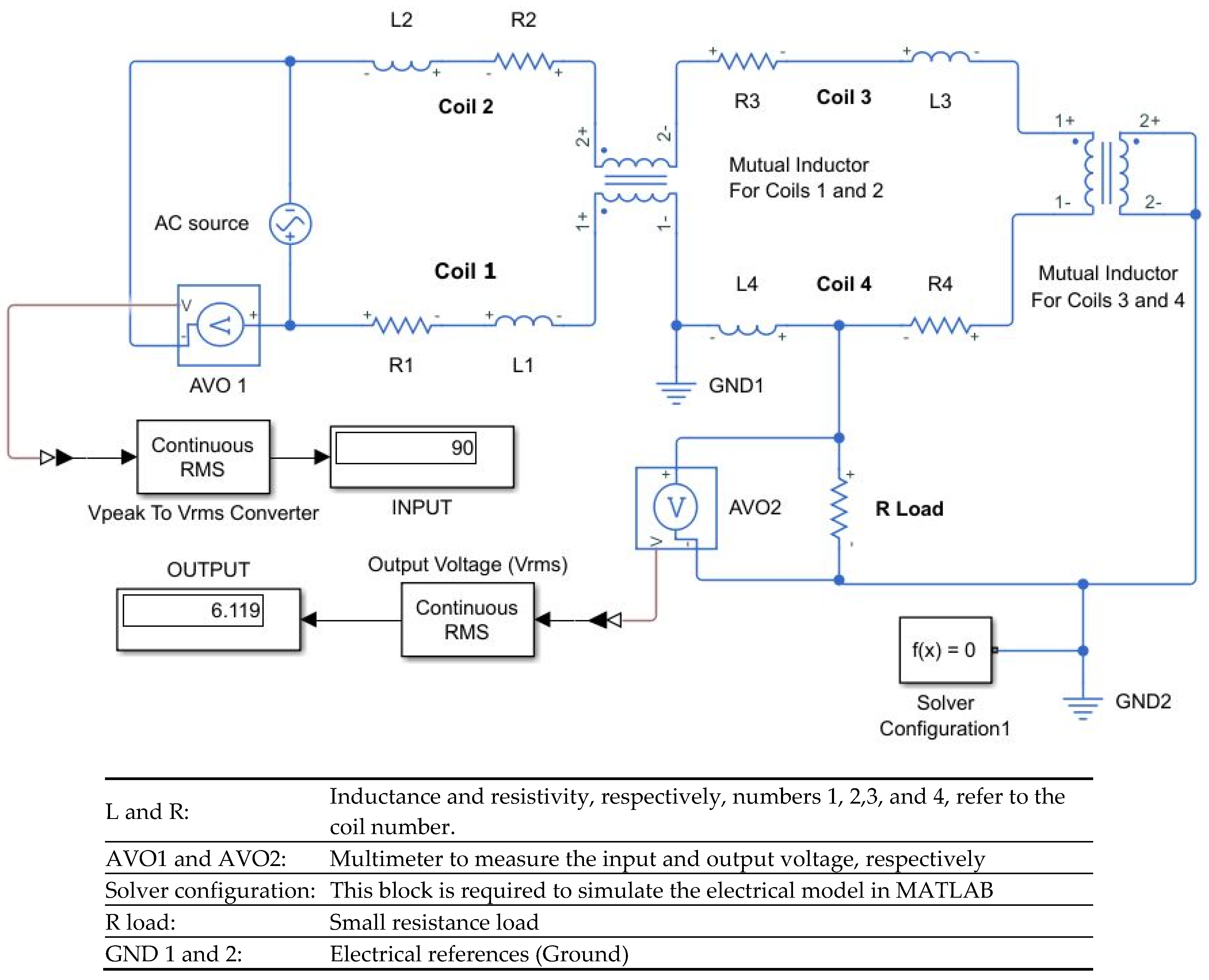
5. Model Simulating Data Transmission Process Using Intelligent Drill Pipes
- : Permeability of free space (4π × 10−7) H/m
- : Relative permeability of material (for copper ≈ 1)
- N: Number of turns (here is 500 for each coil)
- A: Cross-sectional area of a coil in m2 (A = πr2)
- r: Radius of the pipe in m.
- l: Length of coil in m (here is 3 cm)
6. Discussions
Limitations and Merits
7. Conclusions and Recommendations
- An effective model for simulating and forecasting the data transmission process in intelligent drill pipe systems was created using MATLAB Simulink.
- With a correlation coefficient (R2) above 0.9 for every test performed, the model’s validation using experimental data showed a significant correlation between the measured and estimated results.
- The model’s dependability and applicability were confirmed by its accurate reproduction of important aspects of the experimental setup, such as phase shifting and voltage input–output correlations.
- Without requiring significant physical testing, the established model and unique laboratory prototype offer a workable framework for maximizing and enhancing the efficiency of data transmission in boreholes.
- The research provides an adaptable and scalable method for examining controllable operating parameters in intelligent drill pipe systems.
Author Contributions
Funding
Data Availability Statement
Acknowledgments
Conflicts of Interest
References
- Hovda, S.; Wolter, H.; Kaasa, G.; Ølberg, T.S. Potential of Ultra High-Speed Drill String Telemetry in Future Improvements of the Drilling Process Control. In Proceedings of the IADC/SPE Asia Pacific Drilling Technology Conference and Exhibition, Jakarta, Indonesia, 25 August 2008; p. SPE-115196-MS. [Google Scholar]
- Pixton, D.S. Very High-Speed Drill String Communications Networks; Final Technical Report, Report# 41229R14; National Energy Technology Laboratory: Houston, TX, USA, 2005. Available online: https://netl.doe.gov/node/3660 (accessed on 11 August 2022).
- Russell, R.B.; Hernandez, M.; MacNeill, D.W.; Reeves, M.E.; Hamel, P. ‘Intelligent’ Wired Drill-Pipe System Allows Operators to Take Full Advantage of Latest Downhole Sensor Developments. In Proceedings of the International Petroleum Technology Conference, Kuala Lumpur, Malaysia, 3–5 December 2008; p. IPTC-12449-MS. [Google Scholar]
- Allen, S.; McCartney, C.; Hernandez, M.; Reeves, M.; Baksh, A.; MacFarlane, D. Step-Change Improvements with Wired-Pipe Telemetry. In Proceedings of the SPE/IADC Drilling Conference and Exhibition, Amsterdam, The Netherlands, 17–19 March 2009; p. SPE-119570-MS. [Google Scholar]
- Gravdal, J.E. Real-Time Evaluation of Kick during Managed Pressure Drilling based on Wired Drill Pipe Telemetry. In Proceedings of the International Petroleum Technology Conference, Doha, Qatar, 7–9 December 2009; p. IPTC-13959-MS. [Google Scholar]
- Siahaan, H.B.; Bjørkevoll, K.S.; Gravdal, J.E. Possibilities of Using Wired Drill Pipe Telemetry During Managed Pressure Drilling in Extended Reach Wells. In Proceedings of the SPE Intelligent Energy Conference & Exhibition, Utrecht, The Netherlands, 1–3 April 2014; p. SPE-167856-MS. [Google Scholar]
- Teelken, R.R.; Jaring, C.; Craig, A.; Allan, R.; Roberts, H.; Hatch, A.; Shepherd, N. Implementation of Wired Drill Pipe Saved Multiple Days Per Well, by Addressing Performance Limiters, Increasing Drilling Efficiency. In Proceedings of the IADC/SPE Drilling Conference and Exhibition, Fort Worth, TX, USA, 1–3 March 2016; p. SPE-178798-MS. [Google Scholar]
- Grymalyuk, S.; Schimanski, M.; Lilledal, L. Innovative Expandable Under Reamer Technology in Combination with Wired Drill Pipe Technology. In Proceedings of the Abu Dhabi International Petroleum Exhibition & Conference, Abu Dhabi, United Arab Emirates, 7–10 November 2016; p. SPE-183518-MS. [Google Scholar]
- Israel, R.; McCrae, D.; Sperry, N.; Gorham, B.; Thompson, J.; Raese, K.; Pink, S.; Coit, A. Delivering Drilling Automation II—Novel Automation Platform and Wired Drill Pipe Deployed on Arctic Drilling Operations. In Proceedings of the SPE Annual Technical Conference and Exhibition, Dallas, TX, USA, 24–26 September 2018; p. SPE-191574-MS. [Google Scholar]
- Macpherson, J.; Roders, I.; Schoenborn, K.; Mieting, R.; Lopez, F. Smart Wired Pipe: Drilling Field Trials. In Proceedings of the SPE/IADC International Drilling Conference and Exhibition, The Hague, The Netherlands, 5–7 March 2019; p. SPE-194095-MS. [Google Scholar]
- Silvester, I.I.; Høgset, T.; Torvund, S.; Saxena, S. Qualification & Testing of a Powered Wired Drill Pipe Solution. In Proceedings of the IADC/SPE International Drilling Conference and Exhibition, Galveston, TX, USA, 3–5 March 2020; p. SPE-199604-MS. [Google Scholar]
- Silvester, I.; Høgset, T.; Rørvik, H.; Cooper, F. Results from a Customer Demonstration of a Powered Wired Drill Pipe Solution. In Proceedings of the IADC/SPE International Drilling Conference and Exhibition, Galveston, TX, USA, 8–10 March 2022; p. SPE-208723-MS. [Google Scholar]
- Teelken, R.; Wilenski, T.; Mulholland, J.; Øygarden, H.A.; Lidal, T.O. Novel Use of Wired Drill Pipe for Real-Time Remotely Operating Controls System During Well Completions. In Proceedings of the SPE Norway Subsurface Conference, Bergen, Norway, 27 April 2022; p. SPE-209549-MS. [Google Scholar]
- Namuq, M.A.; Hasso, E.A.; Jamal, M.A. Leading Academic Lab Experimental Trial Demonstrating the Intelligent Drill Pipe Technology Functionality. Zhongguo Shiyou Daxue Xuebao (Ziran Kexue Ban)/J. China Univ. Pet. (Ed. Nat. Sci.) 2023, 47, 1159–1173. [Google Scholar]
- Fakolujo, K.M.; Mamman, H.; Sobowale, A.; Arab, R. Maximizing Reservoir Contact Using Memory Quality LWD Logs in Real-Time from High-Bandwidth Wired Drill Pipe Telemetry Technology. In Proceedings of the SPE Annual Technical Conference and Exhibition, San Antonio, TX, USA, 9 October 2023; p. SPE-214850-MS. [Google Scholar]
- Pink, S.; Horstmann, M. Use of Wired Drill Pipe, Along-String Measurements, and Advanced LWD Imaging Enhances Wellbore Condition Understanding and Improves Well Delivery Time, While Telemetry-Optimized Ultradeep Resistivity Measurements Enable Precise Geological Well Placement. In Proceedings of the SPE Norway Subsurface Conference, Bergen, Norway, 17 April 2024; p. SPE-218479-MS. [Google Scholar]
- Namuq, M.A.; Reich, M. Laboratory Experiments on Pressure Wave Propagation in Drill Strings (Mud Pulse Telemetry). Oil Gas Eur. Mag. 2010, 36, OG119–OG125. [Google Scholar]
- Namuq, M.A.; Reich, M.; Al-Zoubi, A. Numerical Simulation and Modeling of a Laboratory MWD Mud Siren Pressure Pulse Propagation in Fluid-Filled Pipe. Oil Gas Eur. Mag. 2012, 38, OG125–OG130. [Google Scholar]
- Namuq, M.A.; Reich, M.; Bernstein, S. Continuous wavelet transformation—A novel approach for better detection of mud pulses. J. Pet. Sci. Eng. 2013, 110, 232–242. [Google Scholar] [CrossRef]
- de Almeida, I.N., Jr.; Antunes, P.D.; Gonzalez, F.O.C.; Yamachita, R.A.; Nascimento, A.; Goncalves, J.L. A Review of Telemetry Data Transmission in Unconventional Petroleum Environments Focused on Information Density and Reliability. J. Softw. Eng. Appl. 2015, 8, 455–462. [Google Scholar]
- Adam, W.A. Wired-drill pipe field trials reveal potential benefits over traditional pipe. J. Pet. Technol. 2013, 65, 105–107. [Google Scholar]
- Lawrence, L.; Redmond, B.; Russell, R.B.; MacNeill, D.; Reeves, M.E.; Hernandez, M. Intelligent Wired Drill-Pipe System Provides Significant Improvements in Drilling Performance on Offshore Australia Development. In Proceedings of the Offshore Technology Conference, Houston, TX, USA, 4–7 May 2009; p. OTC-20067-MS. [Google Scholar]
- Reeves, M.E.; Payne, M.L.; Ismayilov, A.G.; Jellison, M.J. Intelligent drill string field trials demonstrate technology functionality. In Proceedings of the SPE/IADC Drilling Conference, Amsterdam, The Netherlands, 23–25 February 2005; p. SPE-92477-MS. [Google Scholar]
- Boylestad, R.L. Introductory Circuit Analysis, 10th ed.; Prentice Hall: Saddle River, NJ, USA, 2002; ISBN 9780130974174. [Google Scholar]
- Sehsah, O.; Ghazzawi, A.; Vie, G.J.; Al-Tajar, T.; Ali, A.; Al-Mohammed, A.H.; Itani, M.; Ullah, S.; Escalera, H.; Balka, M. Intelligent Drilling System: Expanding the Envelope of Wired Drill Pipe. In Proceedings of the Abu Dhabi International Petroleum Exhibition & Conference, Abu Dhabi, United Arab Emirates, 13 November 2017; p. SPE-188321-MS. [Google Scholar]
- Jellison, M.J.; Prideco, G.; Hall, D.R. Intelligent Drill Pipe Creates the Drilling Network. In Proceedings of the SPE Asia Pacific Oil and Gas Conference and Exhibition, Jakarta, Indonesia, 9–11 September 2003; p. SPE-80454-MS. [Google Scholar]
- Sugiura, J.; Samuel, R.; Oppelt, J.; Ostermeyer, G.P.; Hedengren, J.; Pastusek, P. Drilling Modeling and Simulation: Current State and Future Goals. In Proceedings of the SPE/IADC Drilling Conference and Exhibition, London, UK, 17 March 2015; p. SPE-173045-MS. [Google Scholar]
















| Telemetry Technologies | ||||
|---|---|---|---|---|
| Features | Electromagnetic | Acoustics | Mud Pulses | Wire-Drill-Pipe |
| Transmission rate [bps] | 10 | 20 | 120 | 57,000 |
| Maximum depth [ft] | 18,000 | 12,000 | 40,320 | unlimited |
| Data quantity | Medium | Low | High | Very high |
| Signal attenuation | High | High | Medium | N/A |
| Signal interference | High | Medium | Medium | Low |
| Costs | Medium | Medium | Low | High |
| Lab Physical Features | Dimension and Unit |
|---|---|
| Coil diameter (OD of pipe) | 6.35 cm |
| Number of pipes (sections) | 3 |
| Length of each pipe section | 30 cm |
| Pipe thickness | 1 cm |
| The diameter of the copper wire used for forming the coils | 0.55 mm |
| Number of turns for each coil | 500 turns |
| The distance between every two adjacent coils from center to center of the coil’s turn | 6.5 cm |
| Length of each coil | 3 cm |
| Thickness of each coil | 0.7 cm |
| Test No. | Measured LAB Results | ||
|---|---|---|---|
| Vinput | Vout | (Vout/Vinput) * 100 | |
| (Volt RMS) | (Volt RMS) | (%) | |
| 1 | 10.2 | 0.2 | 2.0 |
| 2 | 14.3 | 0.5 | 3.5 |
| 3 | 20.8 | 0.9 | 4.3 |
| 4 | 30.8 | 1.7 | 5.5 |
| 5 | 41 | 2 | 4.9 |
| 6 | 49 | 3 | 6.1 |
| 7 | 52 | 3.5 | 6.7 |
| 8 | 61 | 4 | 6.6 |
| 9 | 70 | 4.9 | 7.0 |
| 10 | 70.3 | 5 | 7.1 |
| 11 | 80 | 5.6 | 7.0 |
| 12 | 80.2 | 5.8 | 7.2 |
| 13 | 90 | 6.4 | 7.1 |
| 14 | 90.1 | 6.5 | 7.2 |
| 15 | 99.8 | 7.1 | 7.1 |
| Average Gain | 5.96 | ||
| Test No. | Measured LAB Results | Model Estimations | |
|---|---|---|---|
| Vinput | Vout | Vout | |
| (Volt RMS) | (Volt RMS) | (Volt RMS) | |
| 1 | 10.2 | 0.2 | 0.79 |
| 2 | 14.3 | 0.5 | 1.11 |
| 3 | 20.8 | 0.9 | 1.61 |
| 4 | 30.8 | 1.7 | 2.39 |
| 5 | 41 | 2 | 2.78 |
| 6 | 49 | 3 | 3.3 |
| 7 | 52 | 3.5 | 4.04 |
| 8 | 61 | 4 | 4.14 |
| 9 | 70 | 4.9 | 4.8 |
| 10 | 70.3 | 5 | 5.47 |
| 11 | 80 | 5.6 | 5.41 |
| 12 | 80.2 | 5.8 | 6.24 |
| 13 | 90 | 6.4 | 6.1 |
| 14 | 90.1 | 6.5 | 7.01 |
| 15 | 99.8 | 7.1 | 7.77 |
Disclaimer/Publisher’s Note: The statements, opinions and data contained in all publications are solely those of the individual author(s) and contributor(s) and not of MDPI and/or the editor(s). MDPI and/or the editor(s) disclaim responsibility for any injury to people or property resulting from any ideas, methods, instructions or products referred to in the content. |
© 2024 by the authors. Licensee MDPI, Basel, Switzerland. This article is an open access article distributed under the terms and conditions of the Creative Commons Attribution (CC BY) license (https://creativecommons.org/licenses/by/4.0/).
Share and Cite
Namuq, M.A.; Hasso, E.A.; Jamal, M.A.; Namuq, K.A.; Yu, Y. Simulation and Modeling of Data Transmission Process in Boreholes Using Intelligent Drill Pipe for a Laboratory Experiment. Modelling 2024, 5, 1961-1979. https://doi.org/10.3390/modelling5040102
Namuq MA, Hasso EA, Jamal MA, Namuq KA, Yu Y. Simulation and Modeling of Data Transmission Process in Boreholes Using Intelligent Drill Pipe for a Laboratory Experiment. Modelling. 2024; 5(4):1961-1979. https://doi.org/10.3390/modelling5040102
Chicago/Turabian StyleNamuq, Mohammed A., Ezideen A. Hasso, Mohammed A. Jamal, Koran A. Namuq, and Yibing Yu. 2024. "Simulation and Modeling of Data Transmission Process in Boreholes Using Intelligent Drill Pipe for a Laboratory Experiment" Modelling 5, no. 4: 1961-1979. https://doi.org/10.3390/modelling5040102
APA StyleNamuq, M. A., Hasso, E. A., Jamal, M. A., Namuq, K. A., & Yu, Y. (2024). Simulation and Modeling of Data Transmission Process in Boreholes Using Intelligent Drill Pipe for a Laboratory Experiment. Modelling, 5(4), 1961-1979. https://doi.org/10.3390/modelling5040102

