Optimizing Nonlinear Lateral Control for an Autonomous Vehicle
Abstract
1. Introduction
2. Materials and Methods
2.1. Suboptimal Control
2.1.1. Optimization Procedure of Finite Horizon
2.1.2. Affine Systems Suboptimal Discrete Nonlinear Control
2.1.3. Suboptimal Control of the Land Vehicle
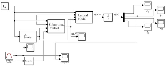
2.2. Numerical Simulation
2.2.1. Configuration of Numerical Simulations
2.2.2. Properties of Matrices Q and R
2.2.3. Symmetry of Matrices Q and R
2.2.4. Positive Definiteness of Matrices Q and R
3. Results
4. Discussion
- The proposed control algorithm uses the nonlinear dynamical model of the vehicle for the controller synthesis while the proposed controllers published in the literature are based on the linearized model of the vehicle.
- The synthesis of the suboptimal control avoids the solution of the Bellman equation.
Author Contributions
Funding
Institutional Review Board Statement
Informed Consent Statement
Data Availability Statement
Acknowledgments
Conflicts of Interest
Abbreviations
| IMU | Inertial Measurement Unit |
| LQR | Linear–quadratic regulator |
| MPC | Model Predictive Control |
| NMPC | Nonlinear Model Predictive Control |
| c.g. | center of gravity |
References
- Jin, C.; Shao, L.; Lex, L.; Eichberger, A. Vehicle side slip angle observation with road friction adaptation. IFAC PapersOnLine 2017, 50, 3406–3411. [Google Scholar] [CrossRef]
- Xiong, L.; Xia, X.; Lu, Y.; Liu, W.; Gao, L.; Song, S.; Han, Y.; Yu, Z. IMU-based automated vehicle slip angle and attitude estimation aided by vehicle dynamics. Sensors 2019, 19, 1930. [Google Scholar] [CrossRef] [PubMed]
- Shao, K.; Zheng, J.; Deng, B.; Huang, K.; Zhao, H. Active steering control for vehicle rollover risk reduction based on slip angle estimation. IET Cyber-Syst. Robot. 2020, 2, 132–139. [Google Scholar] [CrossRef]
- Wang, Y.; Nguyen, B.M.; Fujimoto, H.; Hori, Y. Multirate estimation and control of body slip angle for electric vehicles based on onboard vision system. IEEE Trans. Ind. Electron. 2013, 61, 1133–1143. [Google Scholar] [CrossRef]
- Zhang, W. A robust lateral tracking control strategy for autonomous driving vehicles. Mech. Syst. Signal Process. 2021, 150, 107238. [Google Scholar] [CrossRef]
- Tagne, G.; Talj, R.; Charara, A. Higher-order sliding mode control for lateral dynamics of autonomous vehicles, with experimental validation. In Proceedings of the 2013 IEEE intelligent vehicles symposium (IV), Gold Coast, Australia, 23–26 June 2013. [Google Scholar]
- Fekih, A.; Seelem, S. Effective fault-tolerant control paradigm for path tracking in autonomous vehicles. Syst. Sci. Control Eng. 2015, 3, 177–188. [Google Scholar] [CrossRef]
- Wang, G.; Liu, L.; Meng, Y.; Gu, Q.; Bai, G. Integrated path tracking control of steering and differential braking based on tire force distribution. Int. J. Control Autom. Syst. 2022, 20, 536–550. [Google Scholar] [CrossRef]
- Moreno-Gonzalez, M.; Artuñedo, A.; Villagra, J.; Join, C.; Fliess, M. Speed-Adaptive Model-Free Path-Tracking Control for Autonomous Vehicles: Analysis and Design. Vehicles 2023, 5, 698–717. [Google Scholar] [CrossRef]
- Barari, A.; Saraygord Afshari, S.; Liang, X. Coordinated control for path-following of an autonomous four in-wheel motor drive electric vehicle. Proc. Inst. Mech. Eng. Part C 2022, 236, 6335–6346. [Google Scholar] [CrossRef] [PubMed]
- Chen, G.; Hua, M.; Zong, C.; Zhang, B.; Huang, Y. Comprehensive chassis control strategy of FWIC-EV based on sliding mode control. IET Intell. Transp. Syst. 2019, 13, 703–713. [Google Scholar] [CrossRef]
- Rajamani, R. Vehicle Dynamics and Control; Springer Science & Business Media: New York, NY, USA, 2012; pp. 15–46. [Google Scholar]
- Nguyen, A.T.; Rath, J.; Guerra, T.M.; Palhares, R.; Zhang, H. Robust set-invariance based fuzzy output tracking control for vehicle autonomous driving under uncertain lateral forces and steering constraints. IEEE Trans. Intell. Transp. Syst. 2020, 22, 5849–5860. [Google Scholar] [CrossRef]
- Taghavifar, H.; Rakheja, S. Path-tracking of autonomous vehicles using a novel adaptive robust exponential-like-sliding-mode fuzzy type-2 neural network controller. Mech. Syst. Signal Process. 2019, 130, 41–55. [Google Scholar] [CrossRef]
- Kirk, D.E. Optimal Control Theory: An Introduction; Courier Corporation: New York, NY, USA, 2004; pp. 67–86. [Google Scholar]
- Santos-Sánchez, O.; García, O.; Romero, H.; Salazar, S.; Lozano, R. Finite horizon nonlinear optimal control for a quadrotor: Experimental results. Optim. Control Appl. Methods 2021, 42, 54–80. [Google Scholar] [CrossRef]
- Ángeles-Rojas, D.; Santos-Sánchez, O.J.; Salazar, S.; Lozano, R. Finite Horizon Nonlinear Suboptimal Control for an Autonomous Soaring UAV. Math. Probl. Eng. 2022, 2022, 2214217. [Google Scholar] [CrossRef]
- Castillo, F.; López-Gutíerrez, R.; Santos-Sánchez, O.J.; Osorio, A.; Salazar, S.; Lozano, R. Finite Horizon Nonlinear Energy Optimizing Control in a Force Augmenting Hybrid Exoskeleton for the Elbow Joint. IEEE Trans. Control Syst. Technol. 2019, 28, 2681–2688. [Google Scholar] [CrossRef]
- Van den Bos, A. Appendix B: Vectors and Matrices. In Parameter Estimation for Scientists and Engineers; John Wiley & Sons, Ltd: Hoboken, NJ, USA, 2007. [Google Scholar] [CrossRef]
- Gilbert, G.T. Positive Definite Matrices and Sylvester’s Criterion. Am. Math. Mon. 1991, 98, 1. [Google Scholar] [CrossRef]










| Variables | Description |
|---|---|
| Distance between the center of gravity (c.g.) and the center of the lane | |
| Orientation error between the orientation of the vehicle and the road orientation | |
| Front wheel steering angle | |
| Longitudinal velocity of the c.g. of the vehicle | |
| Rate of change of the desired orientation of the vehicle | |
| Individual cornering stiffness (front tires) | |
| Individual cornering stiffness (rear tires) | |
| Distance of front steer axle from the c.g. | |
| Distance of rear steer axle from the c.g. |
| Parameter | Value | Unit |
|---|---|---|
| m | 1573 | Kg |
| 2873 | Kgm | |
| 1.1 | m | |
| 1.58 | m | |
| 80,000 | N/rad | |
| 80,000 | N/rad |
Disclaimer/Publisher’s Note: The statements, opinions and data contained in all publications are solely those of the individual author(s) and contributor(s) and not of MDPI and/or the editor(s). MDPI and/or the editor(s) disclaim responsibility for any injury to people or property resulting from any ideas, methods, instructions or products referred to in the content. |
© 2023 by the authors. Licensee MDPI, Basel, Switzerland. This article is an open access article distributed under the terms and conditions of the Creative Commons Attribution (CC BY) license (https://creativecommons.org/licenses/by/4.0/).
Share and Cite
Revueltas, L.; Santos-Sánchez, O.-J.; Salazar, S.; Lozano, R. Optimizing Nonlinear Lateral Control for an Autonomous Vehicle. Vehicles 2023, 5, 978-993. https://doi.org/10.3390/vehicles5030053
Revueltas L, Santos-Sánchez O-J, Salazar S, Lozano R. Optimizing Nonlinear Lateral Control for an Autonomous Vehicle. Vehicles. 2023; 5(3):978-993. https://doi.org/10.3390/vehicles5030053
Chicago/Turabian StyleRevueltas, Lorien, Omar-Jacobo Santos-Sánchez, Sergio Salazar, and Rogelio Lozano. 2023. "Optimizing Nonlinear Lateral Control for an Autonomous Vehicle" Vehicles 5, no. 3: 978-993. https://doi.org/10.3390/vehicles5030053
APA StyleRevueltas, L., Santos-Sánchez, O.-J., Salazar, S., & Lozano, R. (2023). Optimizing Nonlinear Lateral Control for an Autonomous Vehicle. Vehicles, 5(3), 978-993. https://doi.org/10.3390/vehicles5030053

