Next Article in Journal
Next-Generation Nitrate, Ammonium, Phosphate, and Potassium Ion Monitoring System in Closed Hydroponics: Review on State-of-the-Art Sensors and Their Applications
Previous Article in Journal
Differentiation of Soybean Genotypes Concerning Seed Physiological Quality Using Hyperspectral Bands
 
 
Font Type:
Arial Georgia Verdana
Font Size:
Aa Aa Aa
Line Spacing:
Column Width:
Background:
Article

Mathematical Modeling of the Processes of Mowing, Oriented Feeding, and Chopping of Stalk Forage by a Forage Harvester

by
Tokhtar Abilzhanuly
1,
Ruslan Iskakov
2,*,
Serik Nurgozhayev
1,
Daniyar Abilzhanov
1,
Olzhas Seipataliyev
1 and
Dauren Kosherbay
1
1
Scientific Production Center of Agricultural Engineering, Department of Animal Husbandry Mechanization, Almaty 050005, Kazakhstan
2
Technical Faculty, S.Seifullin Kazakh Agrotechnical Research University, Astana 010000, Kazakhstan
*
Author to whom correspondence should be addressed.
AgriEngineering 2024, 6(4), 4766-4785; https://doi.org/10.3390/agriengineering6040273
Submission received: 17 October 2024 / Revised: 19 November 2024 / Accepted: 27 November 2024 / Published: 10 December 2024
(This article belongs to the Section Agricultural Mechanization and Machinery)

Abstract

The design and technological scheme of a small-sized forage harvester with a capture width of 1.35 m equipped with a device oriented along the length of the stems was developed in this study. As a result of theoretical studies, the process of the movement of mass into the chamber of the mowing rotor due to centrifugal forces was revealed. The speed of mass movement and the average size of crushed particles with the mowing rotor were determined. The oriented feeding process of stems in the chamber of the chopping rotor is mathematically described in this paper. An analytical expression is obtained for determining the average size of crushed particles by the forage harvester, that is, a mathematical model of the processes of mowing, oriented feeding, and the chopping of stem fodder by the forage harvester. Laboratory and field tests of a forage harvester equipped with a device oriented along the length of the stems were conducted. The combine harvester’s productivity was 6.14 t/h when mowing alfalfa. Special experiments were conducted to determine the average size of crushed particles after the mowing rotor. The average size of crushed particles with the mowing rotor was 147.4 mm, while the theoretical value was 144 mm. The difference between these values was only 2.31%. A special experiment was conducted on the combine without an orienting device to compare the quality indicators. The mass fractions of crushed particles of up to 50 mm in length when the combine was operating with and without an orienting device were 79.3 and 46.7, respectively. Accordingly, the average length of crushed particles was 33.79 mm and that without an orienting device was 77.07 mm. The theoretical value of the average length of crushed particles was 34.9 mm (i.e., the difference between the theoretical and actual value of the average size of the crushed particles was only 3.25%). All this proves that when the combine harvester was operated with an orienting device, there was a significant increase in the quality indicators of the chopped feed, and the reliability of the theoretical studies and the resulting mathematical model were determined.

1. Introduction

The organization of small dairy and fattening farms is one of the goals of increasing the production of livestock products. At the same time, it is necessary to prepare chopped hay, haylage, and corn silage for feeding cattle. To prepare these feeds, farms need to have small-sized forage harvesters.
If a farm has 100 dairy cows, then about 300 to 380 tons of silage will be required to feed them for 200 days. This amount of silage can be produced from a corn field of 4 to 4.5 hectares. In this case, the rational value of the combine’s capture width should be 1.4 m. At the same time, this combine provides corn mowing in two rows and, by picking up hay from the windrow, helps in the preparation of haylage and chopped hay.
Currently, leading countries produce self-propelled and trailed combines. Self-propelled combines are equipped with horizontal rotary headers, drum cutting devices, and mass flow accelerators. They are highly productive and are designed for mowing high-yielding grasses and corn stalks. However, they do not help in the collection of hay from the windrow (i.e., they are not used for harvesting chopped hay and haylage). It is known that self-propelled, high-performance combines are used on large farms. Trailed combines are employed in a single row and have a capture width of 2 to 2.4 m. Single-row combines have low productivity, and they do not have universal functionalities—they do not provide grass mowing or pick up hay from a swath. Many trailed combines provide corn mowing from two and three rows and are equipped with a segment-finger stretcher device, auger, and cutting drum. These forage harvesters are additionally equipped with a pick-up, which enables hay to be picked up from a windrow (i.e., for the preparation of chopped hay and haylage). In addition, segment-finger cutting units have low reliability when mowing high-yielding grasses and corn stalks. These disadvantages limit their use on small farms. In terms of the versatility of trailed machines, combines with L-shaped knives provide grass mowing and prepare silage, haylage, and chopped hay. However, with a capture width of 2.0 m or more, they are expensive. In addition, grass headers provide the formation of a swath with a capture width of 1.2 to 1.4 m. In this regard, for a small-sized combine, a rational capture width is 1.3 is 1.4 m for mowing corn from two rows. Such a combine harvester has a productivity of 0.5 ha/h when mowing corn and can mow the required area on the farm in 8–10 h. At the same time, a rotor with an L-shaped knife mows the stalk feed, and the mown pre-chopped mass is fed with a screw to a blade chopping rotor, with a chaotic arrangement of stems. Therefore, the average lengths of the chopped particles do not coincide with the calculated cutting length. On the other hand, for the preparation of high-quality silage and haylage, the average length should be about 30 mm. Therefore, the development of a small-sized forage harvester that ensures the high-quality preparation of silage, haylage, and chopped hay under farm conditions is a solution to an urgent problem in agriculture.
Mowing and chopping are the main purposes of a forage harvester. Chopping plays an important role in the procurement and preparation of feed [1]. As is known, chopping involves the process of changing the size of particles from large to small [2]. The distribution of particles of different sizes across the working zones of chopping tends to reduce the size of particles at the outlet of the chopping device [3,4]. First, reducing the size of the crushed particles should be the process by which the preparation of feed is carried out [5]. The work in [6] notes that failure to regulate the size of crushed particles is the main drawback of forage harvesters. To eliminate this drawback, the Federal Scientific Center for Forage Production and Agroecology, named after V.R. Williams, developed a new chopping drum for the KPI-2.4 combine.
The work in [7] presents an analysis of the factors influencing the technological process performed by forage harvesters and concludes that it is advisable to control the feed of plant mass into the combine chopper. The work in [8] developed a self-propelled forage harvester for collecting straw, which aimed to implement the cutting, leveling, modulating, chopping, and spreading of straw for forage and fodder crops. The work in [9] notes that combines for harvesting green forage corn face such problems as high soil moisture and soft soil in the field, inappropriate operating parameters, and low reliability and adaptability. These problems often lead to the clogging of the header, significant crop losses, and increased energy consumption. The work in [10] emphasizes a two-phase method, which is quite widespread in harvesting grain crops and forage grasses. To implement this, farmers prefer harvesting units with a frontal header.
To reduce the power consumption of a flat-cut chopper, a mathematical model of the optimal design of a chopper with a minimum chopping power was developed in [11], provided that the chopping effect of the chopper was ensured. In [12], a mathematical model of a forage harvester and each working unit was created, and an adaptive control system for the load on a forage harvester with adaptive feedback was developed. To more scientifically and effectively distribute the power in real time, the system uses a simplified algorithm for optimizing the threshold distribution of the load on the efficiency of the working unit. In [13], a mathematical model was developed that focuses on the justification of the pointed surfaces of the working bodies of the chopper. In recent years, mathematical and computer modeling methods have been used in scientific research [14,15].
In [16], an electric feed chopper with a cylindrical cutting head was designed. In the chopper, the rotational speed of the feed rollers and the cutting cylinder, the inclination angle of the knife spiral, and the grip angle of the knives are adjustable. Due to these capabilities, these variables can be optimized for any type of feed, and this information can be used to design suitable machines for chopping any type of feed. Alfalfa was used for testing the machine where its test matrix was determined using the response surface modeling (RSM) method. The results showed that on average, the power requirement for chopping alfalfa was reduced from 12.6 to 9.7% by increasing the inclination angle of the spiral from 0 to 10 degrees and from 10 to 20 degrees, respectively.
In recent years, “Rostselmash” developed the RSM1401 self-propelled forage harvester. It is equipped with grass headers with a cutting width of 5 and 6 m and corn headers with a cutting width of 4.5 and 6 m. In addition, the device for pressing the mown mass has changed. As a result, the maximum pressing force is 2600 kg, which makes the machine operate more stably on heavy windrows with a linear meter of 20 kg/m or more [17]. Self-propelled harvesters are equipped with rotary-type headers for grass and coarse-stemmed crops, as well as a pick-up that ensures the procurement of chopped hay [18]. The Tekharkkom enterprise developed the KPK-2.1 “Bulat” trailed forage harvester. It is equipped with a grass header and a pick-up, which ensures the procurement of silage, haylage, and chopped hay and the preparation of green mass for the direct feeding of animals [19]. The KPK-3000 “Polesie” combine harvester ensures the chopping of stems into particles up to 10 mm in size in a volume of 80.6% and a degree of grain crushing of 98.4%. When feeding animals with such finely chopped silage, the feed intake improved by 30%, milk yield increased by 1.5 to 2.0 L, and animal weight increased by 200 g/day [20]. In [21], it is noted that the use of forage harvesters with a larger cutting width turned out to be more effective in terms of production costs per harvested hectare. In [22], the effect of cutting height (10, 15, and 30 cm) on the yield, nutritional value, and chemical composition of silage corn was considered. This experiment was conducted under arid climate conditions, and silage corn was harvested using three types of self-propelled silage harvesters. The cutting height increased linearly with the speed of the silage harvesters. When rolling plant material with rollers of the same diameter, the layer was compacted more than when rolling it with rollers of different diameters [23]. In [24], graphs are presented on the dependence of the cutting length on the orientation angle of the stems in the windrow. Technical characteristics of self-propelled forage harvesters are given. The diameters of the chopping drums are within 610 to 750 mm, and their width is within 650 to 855 mm. In [25], a relationship was found between the quality of the cut, energy consumption, and the angle of feed of the forage mass. With an optimized angle of inclination of the combine harvester cutting drum, the energy consumption per unit of work decreased by approximately 11.35%. This study showed the relationship between the angle of the feed of the mass and the orientation along the length of the stalk mass. In [26], experimental studies were conducted to optimize the peripheral speed of the rotation of the cutting rotor, the feed rate of the mass, and the angle of inclination of the feed of the mass into the chamber of the chopping rotor. A good quality of chopped forage and minimal specific energy consumption were obtained with a peripheral speed of the cutting rotor of 1000 min−1, a feed rate of 3.5 m/s, and a feed angle of 8.8°. In [27], a significant increase in the friction forces on the side surfaces of the knives installed on the cutting drum of the forage harvester was established with an increase in their number. The results in [28] showed that the implementation of counter-cutting and main knives of cutting pairs in the form of an Archimedes spiral made it possible to reduce the friction force. In [29], attention was focused on combining a number of processes in one device, taking into account the intensification of forage preparation.
An analysis of literary sources showed that researchers are currently engaged in optimizing the parameters of the processes of mowing and chopping stalk forage using forage harvesters. Here, the influence of the circumferential speed of the chopping working element, the feed rate into the chopping rotor chamber, the angle of inclination of the cutting drum, and the angle of inclination of the feed into the chopper chamber on the quality of the chopped forage is mainly considered.
Researchers have also studied the average length of crushed particles in the processes of hammer crushers. However, the processes under consideration differ from the operation of forage harvester cutting pairs.
The results of the review also show that, to date, no research has been conducted to develop a device that ensures that the average size of crushed particles matches the calculated cutting length of the stem feed.
Therefore, it is necessary to conduct research on the processes of a forage harvester aimed at improving the quality of chopped stem feed, corresponding to the requirements for harvesting haylage and silage. Based on the above, the purpose of this study was to develop a small-sized forage harvester with a device that orients along the length of the stems to obtain a mathematical model of the processes of mowing, oriented feeding, and the chopping of stem feed with quality indicators.
To achieve these goals, the following tasks were set:
-
To substantiate the design and technological scheme of a small-sized forage harvester with a device that orients along the length of the stems;
-
To obtain a mathematical model of the processes of mowing, oriented feeding, and the chopping of the stem feed;
-
To conduct laboratory and field tests of a forage harvester with and without an orienting device.

2. Materials and Methods

When developing the design and technological scheme of the combine and conducting theoretical research and laboratory and field tests, the object of this research was the technological processes of mowing, oriented feeding, and the chopping of stem fodder by a forage harvester.
When developing the design and technological scheme of the combine, the shortcomings of existing machines were taken into account; therefore, it was proposed to develop a design and technological scheme of the combine with a capture width of 1.35 m and with a device for orienting the length of the stems at the entrance to the chamber of the chopping rotor.
When developing the orienting device, the following hypothesis was proposed: if an oriented feed is provided into the chamber of the chopping rotor, then the cut stems in many cases should have a size close to the estimated cutting length. This can ensure an increase in the quality indicators of chopped stem feed. When a forage harvester is operating, to clarify the essence of the process of directed movement of particles into the chamber of the mowing rotor, a differential equation of motion of a point in rectangular coordinates is compiled.
The solution of the equation makes it possible to determine the speed of movement of the stems in the direction of the mowing rotor chamber.
In considering the processes of mowing the stems and the mass entering the chamber of the mowing rotor, as well as the process of mowing the lower part of the stems, the average length of the chopped stems with the mowing rotor was determined.
Next, the process of feeding stems into the chamber of the chopping rotor with the orienting drum was considered.
In theoretical studies, methods for solving problems of theoretical mechanics and probability theory have been applied.
A theoretical study obtained an analytical expression for determining the average length of crushed particles after the operation of the crushing rotor (i.e., the processes of mowing and crushing stems were considered from beginning to end).
Laboratory and field studies were conducted to check the quality of the combine harvester operation with and without an orienting device, as well as the reliability of the theoretical studies.
Experiments on mowing and chopping alfalfa with and without an orienting drum were conducted in three repetitions, with the unit moving at a distance of 50 m. By weighing the mown mass and determining the unit’s movement time, the combine’s productivity was determined. F1976 electric scales were used to weigh the mass.
To weigh samples and determine the mass fraction of each class along the cutting length, electric scales of South Korean manufacturer “CAS” MW-II were used.

3. Results and Discussion

3.1. Justification of the Design and Technological Scheme of a Combine with a Device That Orients Along the Length of the Stems

A mounted forage harvester consists of a mowing and chopping rotor, a cantilever auger, and a deflector.
When this combine is in operation, the mown mass is fed into the chamber of the mowing rotor using the cantilever auger. In this case, the mass is fed into the chamber of the blade chopping rotor in a chaotic arrangement, where depending on the arrangement, the stems fall under the knives and are cut with different cutting lengths.
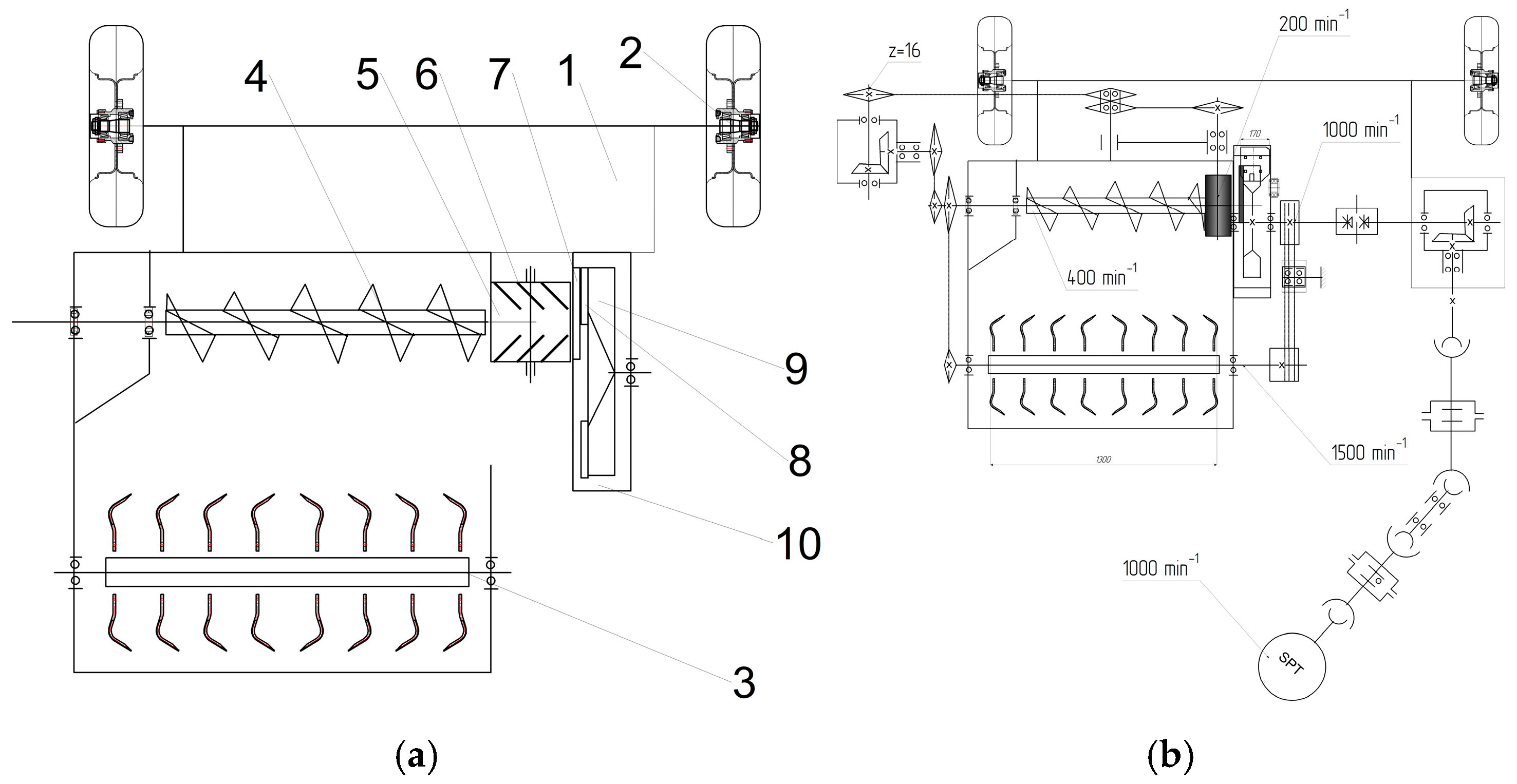
Therefore, to eliminate this drawback, a special orienting device was developed that ensures the feeding of stems into the chopping chamber along the length of the stems. In this case, this combine consists of a frame (1), wheels (2), a mowing rotor (3), a console auger (4), an orienting drum (5) with inclined blades (6), a counter-cutting plate (7), a chopping radial knife (8), an ejection blade (9), and a deflector (10) (Figure 1a).
To determine the relationship between the various units of the combine and their operating modes, a kinematic diagram of the combine is given (Figure 1b). This shows that the drive from the tractor power take-off shaft is transmitted to a bevel gearbox. The secondary shaft of the gearbox is connected to the shaft of the chopping rotor via a clutch. Then, the drive is transmitted from the blade chopping rotor via a belt drive to the mowing rotor and then to the cantilever auger, from which the orienting drum receives the drive via the bevel gearbox.
The main assembly units of a forage harvester are the mowing rotor and the cantilever auger (Figure 2), as well as the orienting drum and the blade chopping rotor (Figure 3).
According to the developed drawing documentation, the mowing rotor at the ends of the knives is 570 mm, and the bladed chopping rotor at the ends of the knives and blades is 900 mm. In the working position, the axis of the mowing rotor, depending on the cutting height of the mown grass, should be within 360 to 370 mm from the ground surface. In this case, the lower points of the housing of the chopping rotor and the auger are 350 mm from the ground surface, where the cross-section of the auger outlet neck is installed at the bottom in the third quarter of the circumference of the grinding rotor (Figure 4).
In addition, the combine’s wheel axle is secured via a side joint, so the machine’s ground clearance is adjustable.
It is clear from Figure 4 that the mowing rotor and auger are located close to each other. The mown mass enters the cantilever auger housing through the upper part of the auger chamber.
When the combine is operating, the auger (4) moves the mown mass and feeds it to the orienting drum (5). In this case, this drum presses the mass (i.e., the stem feed is oriented vertically), and the blades (6) move the mass to the center of the drum. Then, the process of pressing is carried out vertically and horizontally, the stems undergo spatial orientation, and the process of feeding into the grinding chamber along the length of the stems is ensured. Here, such a spatial orientation should ensure that the average size of the crushed particles coincides with the estimated cutting length of the stem feed.
Taking into account the width of the formed swath of the header, the arrangement of corn stalks in two rows, and the reduction in the cost of a small-sized forage harvester, a capture width of 1.4 m was chosen for the harvester being developed.
Therefore, when developing the machine, it is expected that it should ensure high-quality harvesting of stem fodder on small farms.

3.2. Obtaining a Mathematical Model of the Processes of Mowing, Oriented Feeding, and the Chopping of Stalk Forage by a Forage Harvester

When the forage harvester moves, the front bar tilts the stems at an angle. In this case, the rotor knives meet the stems at the moment the plant stem is located in the direction of the tangent circle of the knife rotation. Here, the knife along the length will be located perpendicular to the length of the stem (Figure 5).
Figure 5 shows the position of the mowing rotor, which meets stem AC at point B. To determine the angle of rotation of the cut part of stem AB, the distance from the outer point of the front bar A to the center of the mowing rotor O is also given and is designated by the letter d.
The distance from the ground surface to point B is indicated by line BD, and that to the circumference of the mowing rotor—the value of the height of the plant cut by the mowing rotor—is indicated by the letter δ.
The distance from the circumference of the mowing rotor to point K is indicated by the letter S, and that to the outer surface of the front beam is indicated by the letter B.
Figure 1 (position 3) shows a diagram of the operation of a radial mowing rotor, and Figure 2a shows its general appearance.
During the mowing process, the stem is cut at point B and is carried away by the knife, and the cut end of the stem will rotate relative to point A. In this case, the centrifugal force F m will act on the stem, and when the knife passes through the horizontal axis of the rotor, the cut stem is re-cut into particles of length l:
l = A B b ,
where AB is the length of the side of the triangle ABO, m; and b is the distance from the end of the rotor knife to the outer wall of the front beam, m.
To determine the length of the cut stem, it is necessary to calculate the values of the angles α, φ, and β:
α = arcsin R / d ;   φ = arccos R / d ;   and   β = 90 φ ,
where d is the distance between the rotor center and the outer wall of the front beam, m; and R is the radius of the mowing rotor, m.
Now, we can determine the length of the cut stem piece:
l = d × cos α b .
The mass of a stem particle of length l is determined by the following formula:
m l = l × m y .
where m y is the specific gravity of grass stems, kg/m.
When this mass rotates, a significant centrifugal force F acts on the stem, making this stem move in the radial direction.
First, we determine the value of F:
F = m l × v 2 r ,
where v is the circumferential velocity of the stem’s center of gravity, m/s; and r is the radius of rotation of the center of gravity of a stem of length lAB (lAB = d × cos α), m.
r = d × cos α 2 .
The time for one revolution of the mowing rotor is determined by the following formula:
t 1 = 1 n c = 60 n p ,
where n c and n p are the second and minute rotation frequencies of the mowing rotor, respectively.
The time required to rotate the rotor by an angle φ is determined by the following formula:
t φ = 60 φ n p   360 = φ 6 n p ,
During this time, the center of gravity of the stem describes an arc:
l d = 2 π r × α 360 = 2 π d × cos α 2 α 360 = π d × cos α × α 360 .
The linear velocity of the center of gravity of the stem is determined by the following formula:
v = l d t φ = π d × n p α × cos α 60 φ .
In this case, the stem is acted upon by the centrifugal force F, so the stem with acceleration αi must move in the radial direction. The action of this force is equal to the force of inertia F [28]. Therefore, this equality is expressed by the following equation:
m l d v i d t = m l v 2 r , d v i d t = v 2 r ,
where v i is the speed of movement of the stem in the radial direction, m/s.
To solve the differential equation, we consider the change in velocity v i in the interval of time from 0 to t φ and the speed of movement of the stem from 0 up to the speed of movement of the stem in the radial direction at the moment of expiration of time tφ.
To determine the speed of movement of the stem at the moment of cutting (i.e., at the moment of expiration of time tφ), it is necessary to integrate Equation (9), taking into account the above limits of the speed of movement and the time of rotation of the stem:
0 v i t d v i = v 2 r 0 t φ d t , v i t = v 2 r t φ .
The path of movement of the stem before its cut l n is determined by the following formula:
l n = v i t t φ = v 2 t φ 2 r .
where the length of the cut stem at point M will be equal to
l c 1 = d × cos α b + l n
The lower part of the stem of length BC is cut at the height level δ. From triangle BCD, the length of stem BC is determined by the following formulas, and we also perform intermediate calculations to determine the length of the cut part of the stem l c 2 on section BC:
B C = B D sin α , B D = S + δ ; S = R O K , O K = R cos β , S = R R cos β = R ( 1 cos β ) , B D = R ( 1 cos β ) + δ , B C = R ( 1 cos β ) + δ sin α .
Here, to determine the length of the cut part of the stem l c 2 , the value of the slope of the stem can be neglected, because the stem after the cut at point B will occupy the original vertical position. Therefore, the length of the cut part is determined by the following formula:
l c 2 = B C δ = R ( 1 cos β ) + δ sin α δ = R ( 1 cos β ) + δ 1 sin α sin α .
After cutting the stem at point M, the upper part of the stem will move downward under its own weight.
According to the design, the knives of the mowing rotor are arranged along its circumference along a helical line. Therefore, one knife is arranged along a separate circumference of the mowing rotor. In this case, the stem cut at point M enters the chamber of the mowing rotor at a certain distance due to the movement of the unit. In this case, the stem entering the chamber of the chopping rotor is cut again after one turn of the knife. This cut part of the stem determines the third average length of the particles crushed by the mowing rotor, and it is determined by the following formula:
l c 3 = v a × t 1 = v a × 60 n p .
where v a is the speed of the unit, m/s; and t 1 is the time required for one revolution of the mowing rotor, s.
It follows that the value of this length of crushed particles determines the effect of the speed of the unit on the average size of the crushed particles. In taking into account all parts of the stems cut by the mowing rotor, the average length of the crushed particles is determined by the following formula:
l c 0 = l c 1 + l c 2 + l c 3 3 .
To orient the stems in horizontal and vertical planes, an orienting drum is installed at the end of the cantilever auger before entering the crushing chamber. It has orienting blades on both sides (Figure 6). During operation, the drum blades turn the stems lying transversely in the direction of movement and arrange them lengthwise in the direction of movement of the mass (i.e., the blades press the mass in the horizontal plane).
From here, it is clear that the supplied layer is pressed in horizontal and vertical planes (i.e., the stems are oriented lengthwise when entering the rotor grinding chamber). As shown in Figure 4, the orienting drum with its blades orients the stems lengthwise, and the stems are fed with width b0 into the chamber of the blade grinder (Figure 7).
Figure 7 schematically shows the position of the cantilever auger and the orienting drum. The letter b denotes the distance between the ends of the blades of the orienting drum, and Lc0 denotes the length of the stems located between the two blades of the orienting drum.
This figure also shows the current value of the length of the particle cut by the combine’s grinding rotor, and p denotes the length of the projection lpi onto the horizontal (i.e., the minimum value of the average length of the ground particles).
When orienting, stems of length l c 0 can be positioned with a maximum angle of inclination from the feed velocity vector v n :
γ m = arcsin b 0 l c 0 .
The feed rate v n is determined by the following formula:
v n = ω b R b = π n b 30 R b .
In this case, a layer of length P is separated from the mass entering the grinding chamber with radial knives. The value of P is determined by the following formula:
P = v n × t p .
where t p is the time required to turn the rotor by the angle formed between adjacent knives, s.
This time is determined by the following formula:
t p = 60 n c K
where n c is the rotation frequency of the knife rotor, min−1; and K is the number of knives installed on the rotor, pcs.
Substituting the feed rate and rotor rotation time into Formula (19), we obtain
P = π n b 30 R b × 60 n c K = 2 π n b R b n c K .
where P is the length of the layer cut by the knife of the grinding rotor, m; n b is the rotation frequency of the orienting drum, min−1; and R b is the radius of the orienting drum, m.
In this case, the length of the crushed particles lpi depends on the value of the angle γ, and in this case, the current value of the length of the crushed particles is determined by the following formula:
l p i = P cos γ i = 2 π n b R b n c K cos γ i .
where γi is the current value of the angle of inclination of the crushed particles from the horizontal, degrees.
During the grinding process, the angle γi changes from 0 to γm.
As can be seen from Figure 7, the orienting drum presses the mass, and the stems are oriented in the vertical plane. In addition, the layer fed into the grinding chamber is also pressed by the knives before cutting. Therefore, the location of the stems at the entrance to the grinding rotor chamber will be considered in the horizontal plane. In this case, the average value of function (21) is determined by the following formula:
l p c = 0 γ m P cos γ i d γ i γ m = 0 arcsin b 0 l c 0 2 π n b R b n c K d γ i cos γ i γ m = 2 π n b R b n c K × arcsin b 0 l c 0 × 0 arcsin b 0 l c 0 d γ i cos γ i .
In Formula (22), the solution of the integral 0 arcsin b 0 l c 0 d γ i cos γ i is given in [13]; therefore, the final solution of Formula (22) is given and has the following form:
l p c = 2 π n b R b n c K × arcsin b 0 l c 0 × ln t g π 4 + arcsin b 0 l c 0 2
Thus, an analytical expression is obtained that determines the average size of crushed particles depending on the parameters of the mowing rotor, the orienting device, and the crushing rotor (i.e., a mathematical model of the process of harvesting the stalk mass is obtained). From this, it is clear that the parameters of the mowing and crushing rotors, as well as the feed auger, are well known, and they are installed as in existing machines.
The obtained expression considers the process of the movement of the cut stem in the chamber of the mowing rotor and determines the length of the cut particles of the stem feed. The average length of the particles crushed by the mowing rotor was determined.
Next, the angle of inclination of the stems in the horizontal plane was determined from the average length of the crushed particles. In this case, the arrangement of the stems in the vertical plane was not considered. This assumption was made due to the fact that the mass is pressed by the orienting drum, and when entering the chamber of the crushing rotor, falling under the blows of the radial knives, the mass is additionally pressed to a minimum value. Therefore, only the arrangement of the stems in the horizontal plane was considered.
In these calculations, the parameters of the mowing and chopping rotors and the orienting drum were selected at the following values: the rotation frequencies of the mowing rotor, chopping rotor, and orienting drum were 1250, 850, and 170 min−1, respectively; the radii of the mowing rotor and orienting drum were 0.285 and 0.15 m, respectively; b = 0.05 m; α = 0.335 m; δ = 0.15 m; and b 0 = 0.1 m.
In taking into account the above parameters of forage harvesters, calculations were made using the obtained analytical expressions. In this case, the average sizes of the particles crushed by the mowing rotor were l c 1 = 0.208 m, l c 2 = 0.187 m, l c 3 = 0.037 m, and l c 0 = 0.144 m, and the final size of the average length of the crushed particles was equal to l c = 0.0349 m.

3.3. Conducting Laboratory and Field Tests of a Forage Harvester with and Without an Orienting Device

A small-sized forage harvester was developed with grant funding from the Ministry of Science and Higher Education of the Republic of Kazakhstan, project no. AP19676816.
An experimental model of the combine was developed and manufactured, and laboratory and field tests were conducted on the “Aidarbaev E.” peasant farm, Yenbekshikazakh district, Almaty region (Kazakhstan).
The tests were conducted on mowing alfalfa with a moisture content of 82.45%, a yield of 1.64 kg/m2, and a combine harvester width of 1.35 m (Figure 8). During the tests, at a unit speed of 0.77 m/s, the combine harvester productivity was 6.14 t/h.
During the tests, the kinematic operating modes were established, which were used in theoretical calculations; namely, the rotation frequencies of the mowing rotor, orienting drum, and auger were 1250, 170, and 306 min−1, respectively.
In this case, special experiments were carried out with an orienting drum (Figure 9).
The experiment was conducted under the above-mentioned kinematic conditions, and samples were obtained for the analysis of the quality of the crushed feed.
To conduct a comparative experiment, the orienting drum and auger were removed. Another extended auger was installed in the auger body, experiments were conducted on this auger, and the combine worked without the orienting drum (Figure 10).
Special experiments were conducted to determine the average length of crushed particles using only the mowing rotor. The console auger was closed with a special cover so that the mown mass was immediately thrown onto the field. The experiments were conducted in the above-mentioned kinematic modes—at unit speed v 0 = 0.77 m/s and n c = 1250 min−1 (Figure 11).
After the experiments, the samples were sorted to determine the average size of the crushed particles. The average length of the crushed particles was within 144.24 to 150.47 mm, with an average value of 147.4 mm.
As a result of theoretical calculations, the average length of the crushed particles of the mowing rotor was equal to 144 mm, and its actual value was 147.4 mm. Therefore, it is possible to determine the actual value of the angle γm using Formula (16), with known values of b 0 = 100, l c 0 = 147.4, and γ m = 42°43′. From this, it can be assumed that the pre-crushed stems enter the orienting drum with an average angle of 42.7°.
The standard deviation in the sorted samples was 3.124 mm, with a variation coefficient of 2.12%. As a result of the calculation using the obtained analytical expressions, the average length of the crushed particles lc0 was 144 mm. The difference between the theoretical and actual values of the average length of the crushed particles was only 2.31%, which proves the reliability of the theoretical studies of this considered process of forage harvester operation.
Further, samples were also analyzed in the processes of the operation of the combine with and without an orienting device.
When the combine was operating with an orienting device, the average length of the crushed particles was 33.8 mm, the standard deviation in the disassembled samples was 0.96 mm, and the coefficient of variation was 2.54%.
It is known that the estimated length of the crushed particles is 34.9 mm, so the difference between the theoretical and actual values is 3.25%.
All this proves the reliability of the obtained mathematical model, as well as the operability of the orienting device and the structural and technological removal of the combine.
After the completion of the test, samples were disassembled to analyze the quality of the crushed feed. The results are shown in Table 1.
The analysis of the quality indicators of chopped alfalfa when the combine was operating with an orienting device showed that the mass fraction with sizes of up to 30 and 50 mm was 21.6% higher compared to the combine without this device. In addition, the average length of the chopped particles coincides with the calculated value of the average size of the chopped particles (error—3.2%). It is also seen here that the average size of the chopped particles when the combine was operating without an orienting device was 2.26 times higher compared to that with an orienting device.
In addition, it should be noted here that the process of the orientation of the stems occurs dynamically. The supplied mass is pressed vertically by the orienting drum, and the blades of the orienting drum move the mass to the middle of the drum (i.e., the stems are oriented horizontally). In this case, the action is the same as if you take a bunch of stems and press them with your hand, causing the stems to become oriented along the entire length.
In order to obtain the orientation process under static conditions, a special experiment was conducted showing the operation of the orienting drum (Figure 12a,b).
Figure 12a shows the beginning of the horizontal formation of stems, and Figure 12b shows the exit of the mass from under the orienting drum. Then, the oriented stems enter the chamber of the grinding rotor and are cut with a thickness of lpi.
The reliability of this position is demonstrated through the comparative experiments presented in Table 1, which indicate that the quality of crushed feed is better, and the value of the average size of crushed particles coincides with the calculated and theoretical values.
Thus, the test results show the efficiency of the orienting device and the reliability of the theoretical studies.

3.4. Discussion of the Research Results on the Substantiation of the Design and Technological Scheme of the Combine and Obtaining a Mathematical Model of Mowing and Chopping Grass

The main difference in the conducted research is that the design of the small-sized forage harvester includes a device that orients the stems along the length when entering the chamber of the chopping rotor. We have not found such an orienting device in existing combines.
In addition, the main difference is the receipt of a mathematical model of the process of mowing and chopping grass by a mowing rotor, the oriented feeding of stems into the chopping chamber, and the chopping of stems by a blade-knife rotor of the combine. It should also be noted here that a new process of entering the chamber of the mowing rotor with a certain speed was identified. As a result of this research, an analytical expression was obtained for determining the average size of the chopped particles. From this, it is clear that as a result of theoretical research, all processes occurring in the mowing and chopping of stalk forage in a forage harvester were considered (i.e., a rational calculation method was obtained for determining the average size of chopped particles in such forage harvesters).
Previous studies have provided theoretical results in determining the average size of crushed particles in hammer mills [29,30]. However, these analytical expressions cannot determine the average size of crushed particles in forage harvesters.
A review of the designs shows that a forage harvester consists of a mowing device, a feed auger, a chopping device, and an ejection device or flow accelerator.
Self-propelled forage harvesters are equipped with horizontal rotary headers, which ensure the mowing of tall corn stalks.
Trailed combine harvesters have headers equipped with segment-finger cutting devices, and small-sized forage harvesters are equipped with L-shaped knives.
If we analyze the design of the mowing devices of forage harvesters, then horizontal rotary headers are used in self-propelled high-performance combines for mowing and chopping tall grasses and corn stalks.
Segment-finger cutting devices are used in the designs of trailed combines. These combines for picking up hay from windrows are equipped with special pick-ups.
Forage harvesters equipped with L-shaped knives are highly versatile. They mow grass and corn stalks and also pick up hay from a windrow; therefore, they are used for making silage, haylage, and chopped hay.
However, they do not provide high-quality grinding of stem feed.
For the final crushing of stem fodder in forage harvesters, drums and radial-blade crushing devices are used.
In this case, drum chopping devices are used in self-propelled forage harvesters, and the peripheral speed of drum chopping devices is within the range of 35 to 40 m/s. Therefore, for the highly productive unloading of chopped mass, they are equipped with a special flow accelerator.
Small-sized forage harvesters equipped with an L-shaped mowing rotor and a radial-blade chopping device have a simple design and are universal: they provide hay collection from a swath.
Here, in all combines, the transportation of the mown mass to the crushing devices is carried out with a screw working element. Therefore, the feeding of stems into the crushing chamber is carried out in a chaotic arrangement.
In drum grinders, good grinding quality is achieved by moving the mass along the surface of the deck; they are hit by knives several times, which achieves good grinding quality.
In machines equipped with a radial-blade chopping device, the mass fed by the auger will be chopped once and thrown out by the blades of the chopping device. As stated above, these machines have a simple design and a significant drawback—the poor-quality chopping of the stem feed.
Therefore, we proposed, for the first time, a special orienting device that ensures the high-quality chopping of stem fodder during the preparation of silage, haylage, and chopped hay.
To determine the efficiency of the orienting device, special experiments were conducted during alfalfa mowing with and without the orienting device. Two console augers of 0.825 and 1.17 m in length were manufactured for this experiment.
To determine a reliable mathematical model, the qualitative indicators of chopped forage were determined at all stages of the combine’s operation. When mowing grass with a forage harvester, the average size of chopped particles was determined only by the mowing rotor—147.4 mm—and the theoretical value of this size was 144 mm. The difference between the two values is only 2.31%, which indicates the reliability of the obtained analytical expressions in the first stage of the combine’s operation.
The results of the laboratory and field research tests show that the mass fraction of crushed particles with a cutting length of 30 to 50 mm is significantly greater when the combine is operating with an orienting device vs. without.
The average size of crushed particles without an orienting device is very large (77.07 mm). This proves the validity of our proposed hypothesis.
The average size of crushed particles when the combine is operating with an orienting device is 33.79 mm, and the theoretical value of the average size of crushed particles determined by the obtained analytical expressions is 34.9 mm. The discrepancy between these values is only 3.25%. This proves the reliability of theoretical studies and the high efficiency of the orienting device. It is clear here that the results of theoretical studies are intended for combines with a mowing rotor with L-shaped knives and a blade chopping rotor with radial knives.
A limitation of the obtained analytical expressions may be that some clarifications are required for the application of the obtained theoretical dependencies for calculating the quality indicators of the process of chopping stem feed in drum choppers of forage harvesters.
Here, the theoretical studies conducted may be refinements of existing theoretical studies to determine the quality indicators of the chopping devices of other forage harvesters.

4. Conclusions

1. A design and technological scheme of a forage harvester was developed, consisting of a mowing and chopping rotor, a cantilever auger with an orienting drum, and a deflector. When feeding feed into the chopping chamber, the orienting drum presses the layer of mass, and the drum blades move the feed to the center of the drum (i.e., the stems of the feed layer are oriented in the vertical and horizontal planes).
2. As a result of theoretical studies, the process of mass movement into the chamber of the mowing rotor due to centrifugal forces was revealed. The speed of mass movement and the average sizes of crushed particles with the mowing rotor were determined, and a mathematical model of the processes of the mowing, oriented feeding, and crushing of stalk forages by a forage harvester was obtained.
3. To compare the quality indicators, a special experiment was conducted on the operation of a combine harvester with and without an orienting device. The mass fractions of crushed particles with a length of up to 50 mm when the combine was operating with and without an orienting device were 79.3 and 46.7%, respectively. Accordingly, the average length of crushed particles was 33.79 mm, and that without an orienting device was 77.07 mm. The theoretical value of the average length of crushed particles was 34.9 mm, and so the difference between the theoretical and actual values for the average size of crushed particles was only 3.25. Therefore, the reliability of the theoretical studies was determined.

Author Contributions

Conceptualization, T.A. and S.N.; methodology, T.A.; software, D.A.; validation, R.I.; formal analysis, D.A. and R.I.; investigation, D.A. and O.S.; resources, S.N. and D.A.; data curation, O.S. and D.K.; writing—original draft preparation, T.A. and O.S.; writing—review and editing, T.A. and R.I.; visualization, D.K.; supervision, T.A.; project administration, T.A.; funding acquisition, T.A. All authors have read and agreed to the published version of the manuscript.

Funding

This research was funded by the Science Committee of the Ministry of Science and Higher Education of the Republic of Kazakhstan, grant number AP19676816.

Institutional Review Board Statement

Not applicable.

Informed Consent Statement

Not applicable.

Data Availability Statement

The data are contained in this article.

Conflicts of Interest

The authors declare no conflicts of interest.

References

  1. Racz, A.; Csoke, B. Comminution of Single Real Waste Particles in a Swing-Hammer Shredder and Axial Gap Rotary Shear. Powder Technol. 2021, 390, 182–189. [Google Scholar] [CrossRef]
  2. Zhang, Y.N.; Chen, F.P.; Zhang, Y.N.; Zhang, Y.X.; Du, X.Z. Experimental Investigations of Interactions Between a Laser-Induced Cavitation Bubble and a Spherical Particle. Exp. Therm. Fluid Sci. 2018, 98, 645–661. [Google Scholar] [CrossRef]
  3. Iskakov, R.M.; Issenov, S.S.; Iskakova, A.M.; Halam, S.; Beisebekova, D.M. Heat-and-Moisture Transfer at the Feed Meal Particles Drying and Grinding. Life Sci. J. 2013, 10, 497–502. [Google Scholar]
  4. Iskakov, R.M.; Iskakova, A.M.; Nurushev, M.Z.; Khaimuldinova, A.K.; Karbayev, N.K. Method for the Production of Fat from Raw Materials and Animal Waste. J. Pure Appl. Microbiol. 2021, 15, 716–724. [Google Scholar] [CrossRef]
  5. Moiceanu, G.; Paraschiv, G.; Voicu, G.; Dinca, M.; Negoita, O.; Chitoiu, M. Energy Consumption at Size Reduction of Lignocellulose Biomass for Bioenergy. Sustainability 2019, 11, 9. [Google Scholar] [CrossRef]
  6. Ermolaev, V.I.; Otroshko, S.A.; Shevtsov, A.V. New chopping working element for forage harvesters. Mach. Equip. Village 2010, 11, 14–15. (In Russian) [Google Scholar]
  7. Gubernskiy, A.Y.; Pronin, V.Y. Analysis of factors influencing the technological process performed by a forage harvester. Bull. Russ. State Agrar. Corresp. Univ. 2011, 11, 86–93. (In Russian) [Google Scholar]
  8. Tian, F.; Xia, K.; Wang, J.; Song, Z.; Yan, Y.; Li, F.; Wang, F. Design and Experiment of Self-Propelled Straw Forage Crop Harvester. Adv. Mech. Eng. 2021, 13, 16878140211024455. [Google Scholar] [CrossRef]
  9. Xue, Z.; Fu, J.; Fu, Q.; Li, X.; Chen, Z. Modeling and Optimizing the Performance of Green Forage Maize Harvester Header Using a Combined Response Surface Methodology—Artificial Neural Network Approach. Agriculture 2023, 13, 1890. [Google Scholar] [CrossRef]
  10. Findura, P.; Nadykto, V.; Kyurchev, V.; Mankovecký, J. Justification of the Unit Design Diagram for Mowing Agricultural Crops Simultaneously with Their Stuble Chopping. Acta Technol. Agric. 2024, 27, 35–42. [Google Scholar] [CrossRef]
  11. Yang, A.; Xiang, W.; Yan, B.; Duan, Y.; Lv, J.; Wu, M. Optimization and Test of Structural Parameters of Flat Hob Chopper. Agriculture 2022, 12, 824. [Google Scholar] [CrossRef]
  12. Wang, Z.; Gong, Q.; Li, F.; Gao, A.; Ren, L.; Song, Y. Research on Optimal Control Algorithm for Power Characteristics Segmentation of Forage Harvester. INMATEH—Agric. Eng. 2023, 69, 21–34. [Google Scholar] [CrossRef]
  13. Iskakov, R.M.; Mamirbaeva, I.K.; Gulyarenko, A.A.; Silaev, M.Y.; Gusev, A.S. Improved Hammers for Crushers in Feed Production. Russ. Eng. Res. 2022, 42, 987–992. [Google Scholar] [CrossRef]
  14. Sugirbay, A.; Hu, G.-R.; Chen, J.; Mustafin, Z.; Muratkhan, M.; Iskakov, R.; Chen, Y.; Zhang, S.; Bu, L.; Dulatbay, Y.; et al. A Study on the Calibration of Wheat Seed Interaction Properties Based on the Discrete Element Method. Agriculture 2022, 12, 1497. [Google Scholar] [CrossRef]
  15. Sugirbay, A.; Zhao, K.; Liu, G.; Hu, G.; Chen, J.; Mustafin, Z.; Iskakov, R.; Kakabayev, N.; Muratkhan, M.; Khan, V.; et al. Double Disc Colter for a Zero-Till Seeder Simultaneously Applying Granular Fertilizers and Wheat Seeds. Agriculture 2023, 13, 1102. [Google Scholar] [CrossRef]
  16. Jamshidpouya, M.; Najafi, G.; Hashjin, T.T. Design, Fabrication and Evaluation of Electric Forage Chopper with Adjustable Helix Angle. J. Agric. Sci. Technol. 2019, 20, 923–938. [Google Scholar]
  17. Forage Harvester RSM 1401: Version 2017: Prospectus. Mach. Equip. Village 2017, 1, 10–11. (In Russian)
  18. Osobov, V.I. Self-propelled forage harvesters on the Russian market. Mach. Equip. Village 2012, 3, 12–15. (In Russian) [Google Scholar]
  19. Kosilov, N.I.; Stoyan, S.V.; Kosilov, D.N. Forage harvester trailed combine KPK-2.1 “Bulat”. Achiev. Sci. Technol. 2006, 6, 43–44. (In Russian) [Google Scholar]
  20. Buklagina, G.V. Harvesting corn for silage and perennial grasses for hay and haylage in different phases of vegetation. Eng. Tech. Support Agro-Ind. Complex 2002, 4, 1091. (In Russian) [Google Scholar]
  21. Kmiecik, L.L.; Zimmermann, G.G.; Jasper, S.P.; Savi, D.; Neto, L.S.; Sobenko, L.R. Whole-Plant Corn Silage Harvesting Modalities: Energy Efficiency and Operational Performance. An. Acad. Bras. Cienc. 2023, 95, e20220312. [Google Scholar] [CrossRef] [PubMed]
  22. Kmiecik, L.L.; Zimmermann, G.G.; Jasper, S.P.; Savi, D.; Neto, L.S.; Sobenko, L.R. Nutritional Value and Chemical Composition of Corn Silage Depending on Cutting Height and Forage. Rom. Agric. Res. 2024, 41, 55–66. [Google Scholar] [CrossRef]
  23. Urbansky, B.M. Analysis of the power supply device circuit. Eng. Tech. Support Agro-Ind. Complex 2001, 1, 83. (In Russian) [Google Scholar]
  24. Andreeva, E.V. Justification of the speed mode of a forage harvester when picking up windrows of wilted grasses; dependence of the cutting length on the orientation angle of the stems in the windrow. Eng. Tech. Support Agro-Ind. Complex 2006, 4, 1127. (In Russian) [Google Scholar]
  25. Wang, Z.; Song, Z.; Liu, P.; Ren, L.; Song, Y. Development and Experiment of Crop Feeding Angle Parameter Model in Chopping Roll of Hay Cutter. Nongye Jixie Xuebao/Trans. Chin. Soc. Agric. Mach. 2024, 55, 200–211. [Google Scholar]
  26. Xue, Z.; Fu, J.; Chen, Z.; Wang, F.-D.; Han, S.-P.; Ren, L.-Q. Optimization experiment on parameters of chopping device of forage maize harvester. Jilin Daxue Xuebao (Gongxueban)/J. Jilin Univ. (Eng. Technol. Ed.) 2020, 50, 739–748. [Google Scholar]
  27. Kuzmenko, V.; Kholodyuk, O.; Kotov, B.; Bratishko, V. Beater-knife cutting devices of forage harvesting machines and ways for their improvement. Eng. Rural. Dev. 2023, 23, 732–738. [Google Scholar]
  28. Nalobina, O.; Vasylchuk, N.; Bundza, O.; Vitaliy, P.; Martyniuk, V. Reaper blade system for harvesting sunflowers. INMATEH—Agric. Eng. 2023, 69, 196–204. [Google Scholar] [CrossRef]
  29. Abilzhanuly, T.; Iskakov, R.; Abilzhanov, D.; Darkhan, O. Determination of the Average Size of Preliminary Grinded Wet Feed Particles in Hammer Grinders. East.-Eur. J. Enterp. Technol. 2023, 1, 34–43. [Google Scholar] [CrossRef]
  30. Targ, S.M. Brief Course of Theoretical Mechanics: Textbook for Higher Technical Schools, 20th ed.; Moscow Higher School: Moscow, Russia, 2010; 416p, ISBN 978-5-06-006193-2. (In Russian) [Google Scholar]
Figure 1. Structural and technological (a) and kinematic (b) schemes of the combine. 1—frame; 2—wheels; 3—mowing rotor; 4—console auger; 5—orienting drum; 6—inclined blades; 7—counter-cutting plate; 8—chopping radial knife; 9—ejection blade; 10—deflector.
Figure 1. Structural and technological (a) and kinematic (b) schemes of the combine. 1—frame; 2—wheels; 3—mowing rotor; 4—console auger; 5—orienting drum; 6—inclined blades; 7—counter-cutting plate; 8—chopping radial knife; 9—ejection blade; 10—deflector.
Agriengineering 06 00273 g001
Figure 2. General views of the mowing rotor (a) 1—mowing rotor; 2—bearing housing; 3—ears; and console auger (b) 1—shaft; 2—pipe; 3—blade; 4—plug.
Figure 2. General views of the mowing rotor (a) 1—mowing rotor; 2—bearing housing; 3—ears; and console auger (b) 1—shaft; 2—pipe; 3—blade; 4—plug.
Agriengineering 06 00273 g002
Figure 3. General views of the orienting drum (a) 1—drum shaft; 2—drum; 3—plug; 4—orienting blades; 5—fingers; and blade grinding rotor (b) 1—blade; 2—disk; 3—knife.
Figure 3. General views of the orienting drum (a) 1—drum shaft; 2—drum; 3—plug; 4—orienting blades; 5—fingers; and blade grinding rotor (b) 1—blade; 2—disk; 3—knife.
Agriengineering 06 00273 g003aAgriengineering 06 00273 g003b
Figure 4. General view of the combine from the feed auger side.
Figure 4. General view of the combine from the feed auger side.
Agriengineering 06 00273 g004
Figure 5. Diagram of the stem mowing process with a radial knife rotor.
Figure 5. Diagram of the stem mowing process with a radial knife rotor.
Agriengineering 06 00273 g005
Figure 6. General view of the orienting drum. 5—compressing drum, 6—angular plates.
Figure 6. General view of the orienting drum. 5—compressing drum, 6—angular plates.
Agriengineering 06 00273 g006
Figure 7. Scheme of mass feeding with the orienting drum into the chamber of the blade crusher. 1—auger; 2—orienting drum; 3—blade grinding rotor.
Figure 7. Scheme of mass feeding with the orienting drum into the chamber of the blade crusher. 1—auger; 2—orienting drum; 3—blade grinding rotor.
Agriengineering 06 00273 g007
Figure 8. Fragment of a combine harvester in operation when mowing and chopping alfalfa.
Figure 8. Fragment of a combine harvester in operation when mowing and chopping alfalfa.
Agriengineering 06 00273 g008
Figure 9. General view of a cantilever auger with an orienting drum.
Figure 9. General view of a cantilever auger with an orienting drum.
Agriengineering 06 00273 g009
Figure 10. General view of the modified console auger.
Figure 10. General view of the modified console auger.
Agriengineering 06 00273 g010
Figure 11. Combine harvester operation when mowing alfalfa.
Figure 11. Combine harvester operation when mowing alfalfa.
Agriengineering 06 00273 g011
Figure 12. General view of the process of stem orientation by the orienting drum. (a) The beginning of the horizontal formation of stems. (b) The process of stems exiting from under the orienting drum.
Figure 12. General view of the process of stem orientation by the orienting drum. (a) The beginning of the horizontal formation of stems. (b) The process of stems exiting from under the orienting drum.
Agriengineering 06 00273 g012
Table 1. Qualitative indicators of crushed particles during the operation of the combine with and without an orienting device.
Table 1. Qualitative indicators of crushed particles during the operation of the combine with and without an orienting device.
Qualitative Indicators of Crushed ParticlesUnit of MeasurementIndicators When Working with a Combine Harvester with an Orienting DeviceIndicators When Operating a Combine Without an Orienting Device
1Mass fraction of crushed particles up to 30 mm%53.832.2
2Mass fraction of crushed particles up to 50 mm%79.346.7
3Maximum size of crushed particlesmm140280
4Average length of crushed particlesmm33.7977.07
5Theoretical average length of crushed particlesmm34.9-
6Average length of crushed particles with a mowing rotormm 147.4
7Theoretical value of average length of crushed particles with a mowing rotormm 144.0
Disclaimer/Publisher’s Note: The statements, opinions and data contained in all publications are solely those of the individual author(s) and contributor(s) and not of MDPI and/or the editor(s). MDPI and/or the editor(s) disclaim responsibility for any injury to people or property resulting from any ideas, methods, instructions or products referred to in the content.

Share and Cite

MDPI and ACS Style

Abilzhanuly, T.; Iskakov, R.; Nurgozhayev, S.; Abilzhanov, D.; Seipataliyev, O.; Kosherbay, D. Mathematical Modeling of the Processes of Mowing, Oriented Feeding, and Chopping of Stalk Forage by a Forage Harvester. AgriEngineering 2024, 6, 4766-4785. https://doi.org/10.3390/agriengineering6040273

AMA Style

Abilzhanuly T, Iskakov R, Nurgozhayev S, Abilzhanov D, Seipataliyev O, Kosherbay D. Mathematical Modeling of the Processes of Mowing, Oriented Feeding, and Chopping of Stalk Forage by a Forage Harvester. AgriEngineering. 2024; 6(4):4766-4785. https://doi.org/10.3390/agriengineering6040273

Chicago/Turabian Style

Abilzhanuly, Tokhtar, Ruslan Iskakov, Serik Nurgozhayev, Daniyar Abilzhanov, Olzhas Seipataliyev, and Dauren Kosherbay. 2024. "Mathematical Modeling of the Processes of Mowing, Oriented Feeding, and Chopping of Stalk Forage by a Forage Harvester" AgriEngineering 6, no. 4: 4766-4785. https://doi.org/10.3390/agriengineering6040273

APA Style

Abilzhanuly, T., Iskakov, R., Nurgozhayev, S., Abilzhanov, D., Seipataliyev, O., & Kosherbay, D. (2024). Mathematical Modeling of the Processes of Mowing, Oriented Feeding, and Chopping of Stalk Forage by a Forage Harvester. AgriEngineering, 6(4), 4766-4785. https://doi.org/10.3390/agriengineering6040273

Article Metrics

Back to TopTop