Research on Control of Ammonia Fuel Leakage and Explosion Risks in Ship Engine Rooms
Abstract
1. Introduction
2. Numerical Model and Validation
2.1. The Basic Theories of Leakage, Diffusion, and Explosion
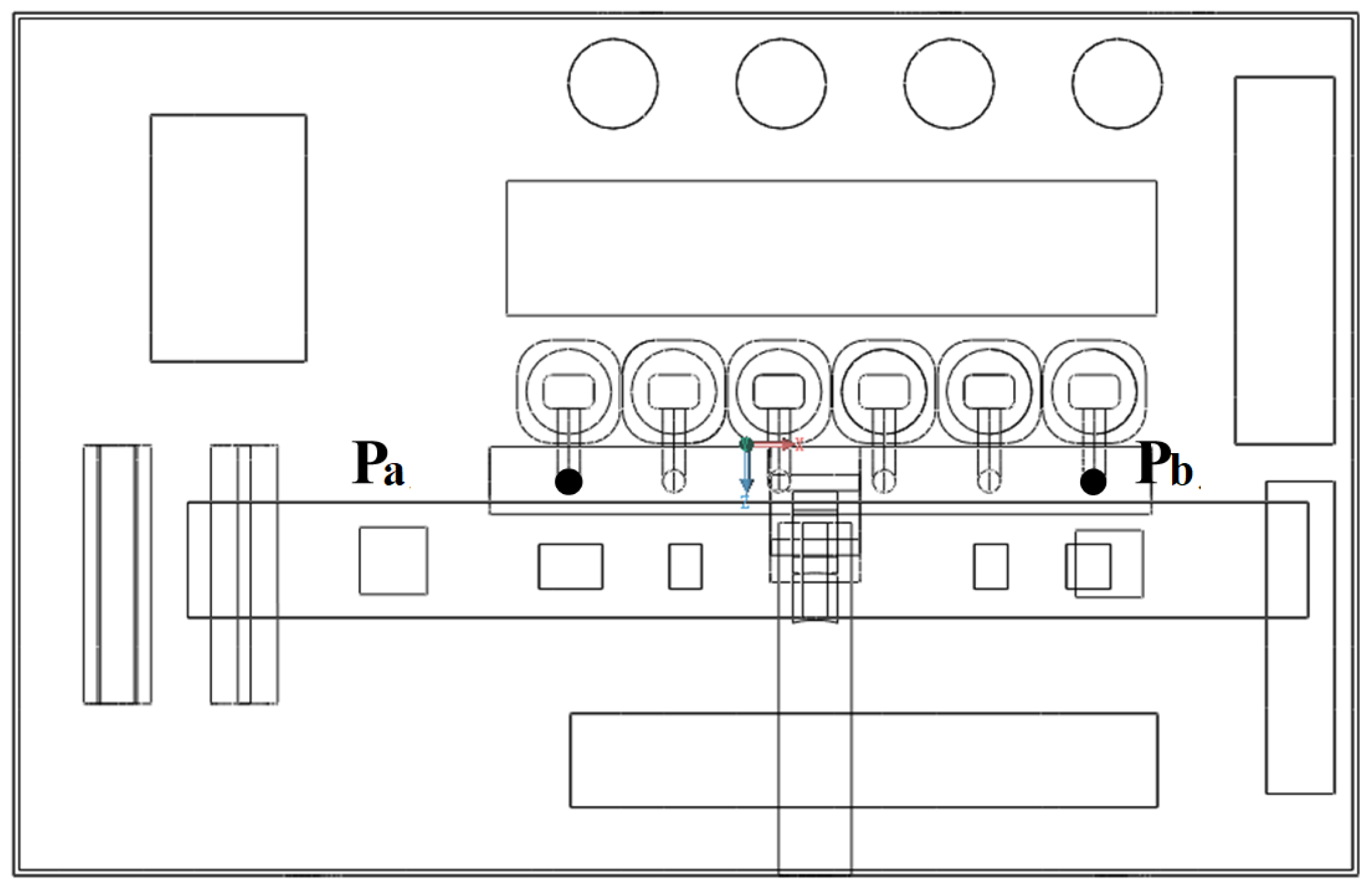
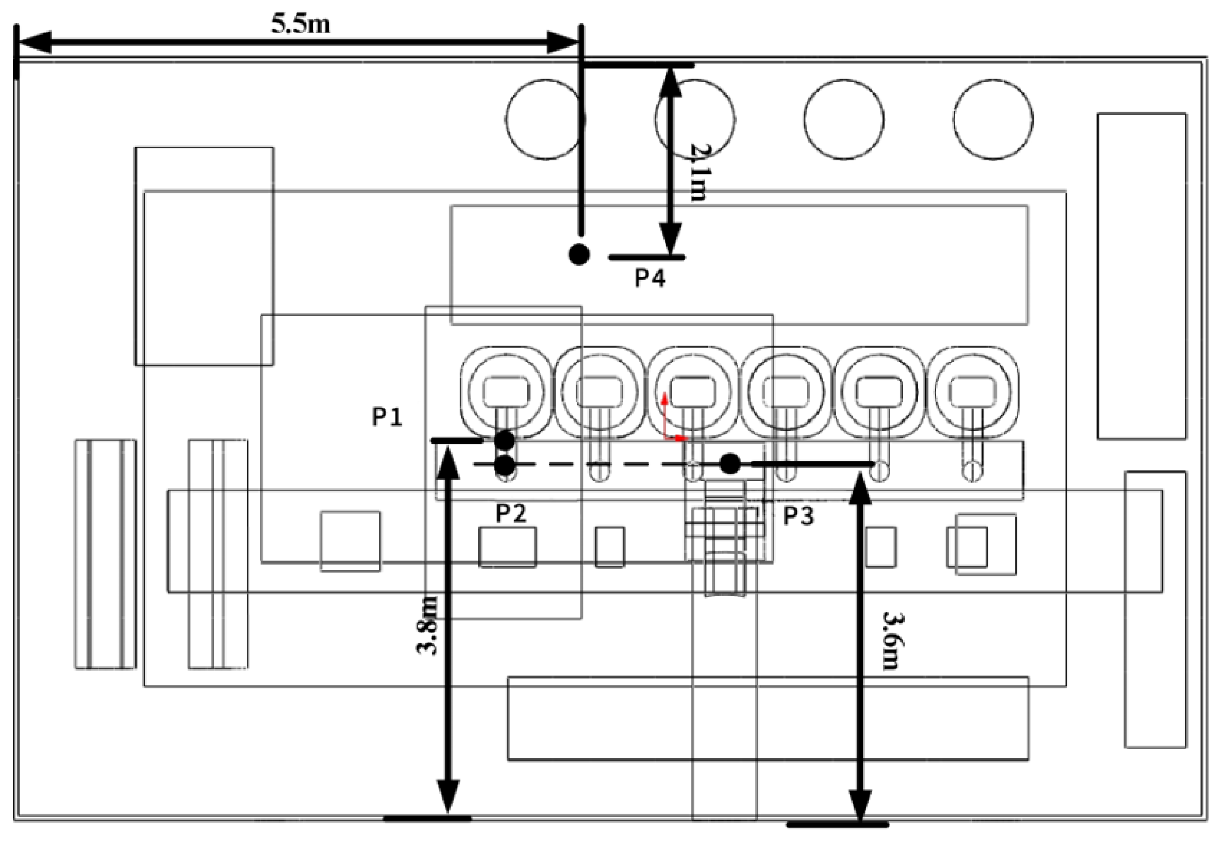
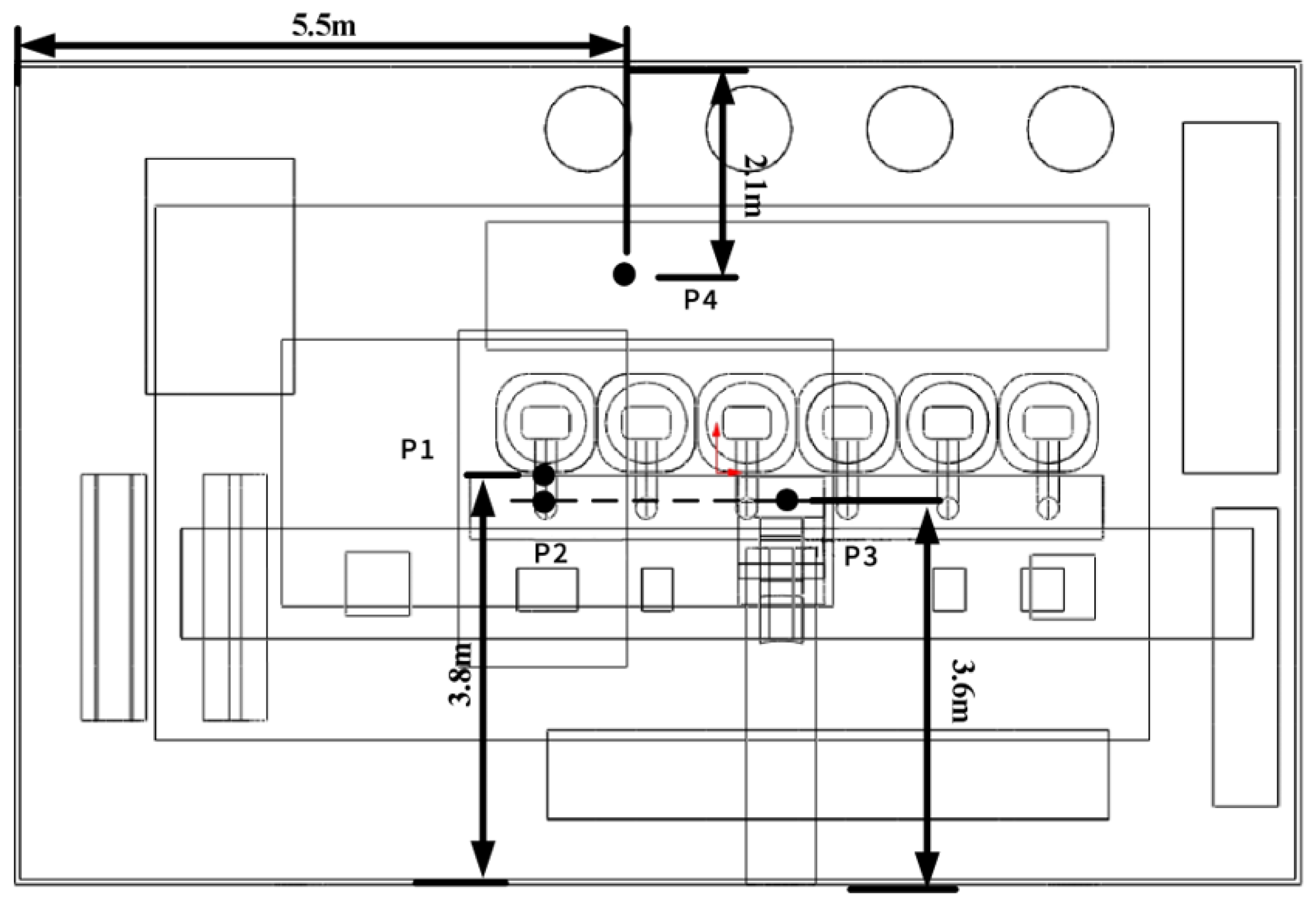
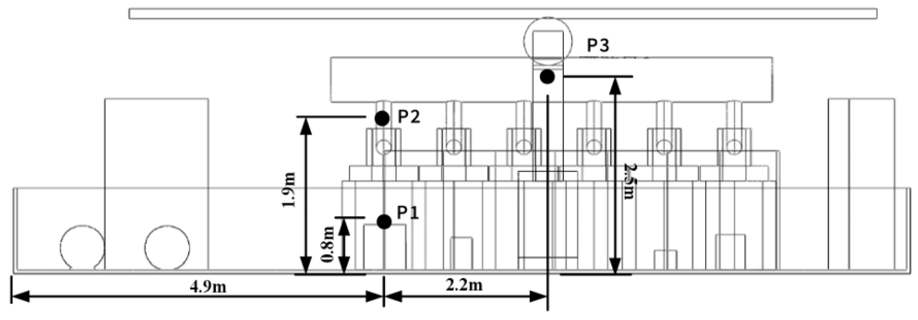
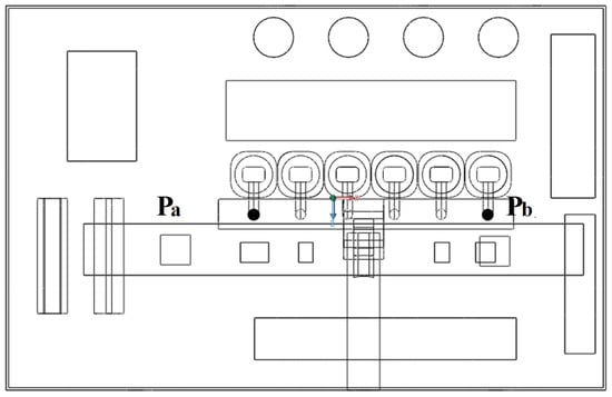
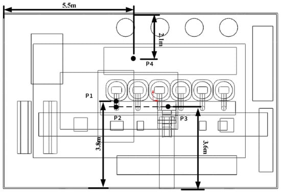
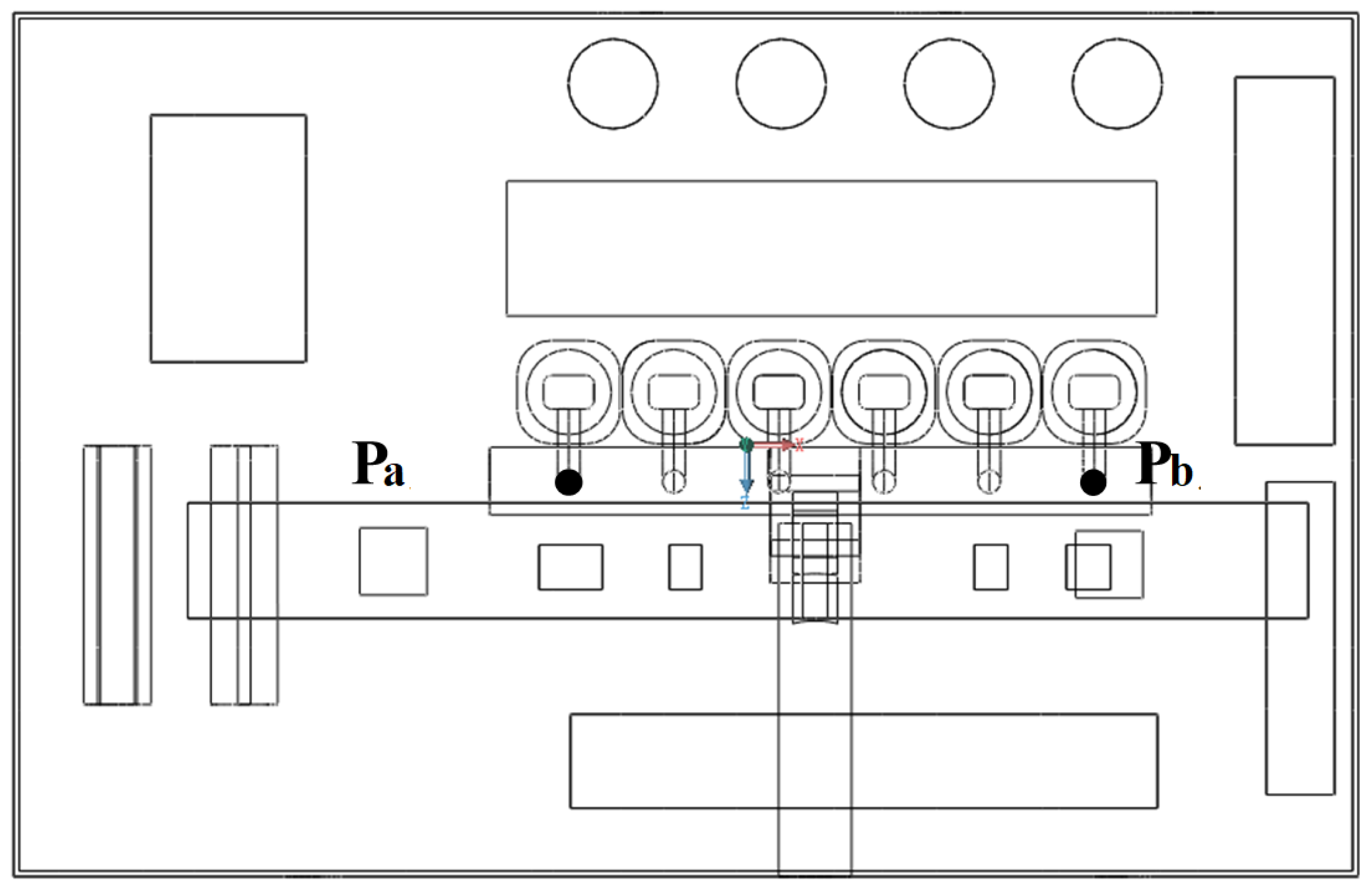
2.2. Establishment of the Cabin Model
2.3. Grid Independence Verification
2.4. Method Reliability Verification
2.5. Sensitivity Analysis
3. Results and Discussion
3.1. The Distribution of Leakage Points
3.2. Ammonia Fuel Diffusion Analysis at Leakage Point 1
3.3. Ammonia Fuel Diffusion Analysis at Leakage Point 2
3.4. Ammonia Fuel Diffusion Analysis at Leakage Point 3
3.5. Ammonia Fuel Diffusion Analysis at Leakage Point 4
3.6. Set Air Outlet 1
3.7. Set Air Outlet 2
3.8. Set the Air Intake Port
4. Conclusions
Author Contributions
Funding
Institutional Review Board Statement
Informed Consent Statement
Data Availability Statement
Conflicts of Interest
References
- International Maritime Organization. 2023 IMO Strategy on Reduction of GHG Emissions from Ships. Available online: https://www.imo.org/en/OurWork/Environment/Pages/2023-IMO-Strategy-on-Reduction-of-GHG-Emissions-from-Ships.aspx (accessed on 10 July 2023).
- International Energy Agency. Global Energy Review: CO2 Emissions in 2020. Available online: https://www.iea.org/articles/global-energy-review-co2-emissions-in-2020 (accessed on 1 March 2021).
- KMST. Marine Safety Investigation Report on the AUTO BANNER; Korea Maritime Safety Tribunal Marine Safety Investigation Team: Seoul, Republic of Korea, 2020. [Google Scholar]
- NTSB. Fire Aboard Roll-On/Roll-Off Vehicle Carrier Höegh Xiamen; NTSB: Jacksonville, FL, USA, 2020. [Google Scholar]
- Jang, H.; Mujeeb-Ahmed, M.P.; Wang, H.; Park, C.; Hwang, I.; Jeong, B.; Zhou, P.; Mickeviciene, R. Regulatory gap analysis for risk assessment of ammonia-fuelled ships. Ocean Eng. 2023, 287, 115751. [Google Scholar] [CrossRef]
- Geretto, C.; Yuen, S.C.K.; Nurick, G.N. An experimental study of the effects of degrees of confinement on the response of square mild steel plates subjected to blast loading. Int. J. Impact Eng. 2015, 79, 32–44. [Google Scholar] [CrossRef]
- Zhang, B.; Liu, Y.; Zhu, W.; Gopalaswami, N.; Mannan, M.S. Experimental study of bund overtopping caused by a catastrophic failure of tanks. Ind. Eng. Chem. Res. 2017, 56, 12227–12235. [Google Scholar] [CrossRef]
- Atherton, W. An Empirical Investigation of Catastrophic and Partial Failures of Bulk Storage Vessels and Subsequent Bund Wall Overtopping and Dynamic Pressures. Ph.D. Thesis, Liverpool John Moores University, Liverpool, UK, 2008. [Google Scholar]
- Zhao, Y.; Li, Y.; Li, W.; Gao, Y.; Wang, Q.; Ai, D. Risk Analysis of Fuel Leakage and Explosion in LNG-Powered Ship Cabin Based on Computational Fluid Dynamics. Fire 2025, 8, 192. [Google Scholar] [CrossRef]
- Zhang, S.; Ma, H.; Huang, X.; Peng, S.; Du, J.; Zhao, W. Numerical simulation on natural gas explosion and prevention measures design under water–gas compartment in utility tunnel. Tunn. Undergr. Space Technol. 2022, 130, 104754. [Google Scholar] [CrossRef]
- Lu, Y.; Fan, R.; Lu, H.; Wang, Z.; Cao, X.; Yang, Z. Influence of vent size on characteristics of hydrogen explosion venting: Experimental investigation and numerical simulation. Int. J. Hydrogen Energy 2024, 142, 413–425. [Google Scholar] [CrossRef]
- Zheng, K.; Song, Z.; Song, C.; Jia, Q.; Ren, J.; Chen, X. Investigation on the explosion of ammonia/hydrogen/air in a closed duct by experiments and numerical simulations. Int. J. Hydrogen Energy 2024, 79, 1267–1277. [Google Scholar] [CrossRef]
- Nubli, H.; Fajri, A.; Prabowo, A.R.; Sohn, J.M. CFD implementation to mitigate the LNG leakage consequences: A review of explosion accident calculation on LNG-fueled ships. Procedia Struct. Integr. 2022, 41, 343–350. [Google Scholar] [CrossRef]
- Li, Z.; Wu, J.; Liu, M.; Li, Y.; Ma, Q. Numerical analysis of the characteristics of gas explosion process in natural gas compartment of utility tunnel using FLACS. Sustainability 2019, 12, 153. [Google Scholar] [CrossRef]
- Ren, J.; Bai, C.; Chang, C.; Peng, X.; Li, B.; Jing, Q. Experimental and numerical simulation study on the dispersion and explosion process of solid-liquid-air mixed three phase components. Combust. Flame 2024, 261, 113336. [Google Scholar] [CrossRef]
- Tan, S.; Xia, S.; Cheng, H.; Cheng, S. Numerical simulation of in-vessel steam explosion for China third-generation PWR. Nucl. Eng. Des. 2024, 424, 113258. [Google Scholar] [CrossRef]
- Wang, G.; Cao, A.; Wang, X.; Yu, R.; Huang, X.; Lin, J. Numerical simulation of the dynamic responses and damage of underground cavern under multiple explosion sources. Eng. Fail. Anal. 2021, 120, 105085. [Google Scholar] [CrossRef]
- Glingler, T.; Dongiovanni, D.N.; Caruso, G.; D’Onorio, M. Hydrogen explosion risk for EU-DEMO reactor considering tungsten dust reaction with steam. Fusion Eng. Des. 2025, 215, 114945. [Google Scholar] [CrossRef]
- Lee, I.; Lee, M.C. A study on the optimal design of a ventilation system to prevent explosion due to hydrogen gas leakage in a fuel cell power generation facility. Int. J. Hydrogen Energy 2016, 41, 18663–18686. [Google Scholar] [CrossRef]
- Song, L.; Deng, J.; Lu, J.; Wang, B.; Xue, D. Transient response analysis of multi-layer sloshing fluid in LNG tank. J. Phys. Conf. Ser. 2021, 2076, 012024. [Google Scholar] [CrossRef]
- Verfondern, K.; Dienhart, B. Pool spreading and vaporization of liquid hydrogen. Int. J. Hydrogen Energy 2007, 32, 2106–2117. [Google Scholar] [CrossRef]
- Duong, P.A.; Lee, J.; Ryu, B.R.; Kang, H. A preliminary safety assessment of fuel gas supply system in the engine room of the ammonia fuelled ship. J. Mar. Eng. Technol. 2025, 1–20. [Google Scholar] [CrossRef]
- Luketa-Hanlin, A. A review of large-scale LNG spills: Experiments and modeling. J. Hazard. Mater. 2006, 132, 119–140. [Google Scholar] [CrossRef]
- Li, X.J.; Zhou, R.P.; Konovessis, D. CFD analysis of natural gas dispersion in engine room space based on multi-factor coupling. Ocean Eng. 2016, 111, 524–532. [Google Scholar] [CrossRef]
- Liu, A.; Xu, C.; Lu, X.; Zhou, X.; Xu, W. Coupling effect of multiple factors on the diffusion behavior of leaking natural gas in utility tunnels: A numerical study and PIV experimental validation. Gas Sci. Eng. 2023, 118, 205086. [Google Scholar] [CrossRef]
- Liu, Y.; Harikrishnan, B.; Kolluru, R.; Mastorakos, E. Computational fluid dynamics simulation of ammonia leakage scenarios during ship-to-ship bunkering. Ocean Eng. 2024, 312, 119136. [Google Scholar] [CrossRef]
- Gopalaswami, N.; Kakosimos, K.; Zhang, B.; Liu, Y.; Mentzer, R.; Mannan, M.S. Experimental and numerical study of liquefied natural gas (LNG) pool spreading and vaporization on water. J. Hazard. Mater. 2017, 334, 244–255. [Google Scholar] [CrossRef] [PubMed]
- Sun, Y.; Cao, X.; Liang, F.; Bian, J. Investigation on underwater gas leakage and dispersion behaviors based on coupled Eulerian-Lagrangian CFD model. Process Saf. Environ. Prot. 2020, 136, 268–279. [Google Scholar] [CrossRef]
- Xinhong, L.; Guoming, C.; Renren, Z.; Hongwei, Z.; Jianmin, F. Simulation and assessment of underwater gas release and dispersion from subsea gas pipelines leak. Process Saf. Environ. Prot. 2018, 119, 46–57. [Google Scholar] [CrossRef]
- Wang, X.; Tan, Y.; Zhang, T.; Zhang, J.; Yu, K. Diffusion process simulation and ventilation strategy for small-hole natural gas leakage in utility tunnels. Tunn. Undergr. Space Technol. 2020, 97, 103276. [Google Scholar] [CrossRef]
- Cao, X.; Wang, Z.; Lu, Y.; Wang, Y. Numerical simulation of methane explosion suppression by ultrafine water mist in a confined space. Tunn. Undergr. Space Technol. 2021, 109, 103777. [Google Scholar] [CrossRef]
- Zhang, Y.; Wang, Y.H.; Zhao, X.; Tong, R.P. Dynamic probabilistic risk assessment of emergency response for intelligent coal mining face system, case study: Gas overrun scenario. Resour. Policy 2023, 85, 103995. [Google Scholar] [CrossRef]
- Cai, J.; Wu, J.; Wang, Y.; Fan, C.; Zhou, R. Experimental investigation of natural gas leakage and dispersion characteristics in utility tunnels under the effects of real facility layout and forced ventilation. Tunn. Undergr. Space Technol. 2025, 155, 106187. [Google Scholar] [CrossRef]
- Lu, H.; Guo, B.; Yao, J.; Yan, Y.; Chen, X.; Xu, Z.; Liu, B. CFD analysis on leakage and diffusion of hydrogen-blended natural gas pipeline in soil-brick gutter coupling space. Int. J. Hydrogen Energy 2025, 100, 33–48. [Google Scholar] [CrossRef]
- Wang, Y.; Wu, M.; Du, J.; Gong, K. Simulation of the Consequence of Gas Leakage and Explosion Accident in Canteen Based on FLACS. J. Liaoning Univ. Pet. Chem. Technol. 2022, 42, 35–40. [Google Scholar]
- Chen, H.; Xu, P.; Wan, Z.; Song, W.; Yang, G.; Wu, J. Analysis of convection and boil-off in multi-scale membrane LNG tanks under sloshing excitations. Appl. Therm. Eng. 2025, 259, 124863. [Google Scholar] [CrossRef]























































| Grid Name | P1 | Error | P2 | Error | P3 | Error | P4 | Error |
|---|---|---|---|---|---|---|---|---|
| A (coarse mesh) | 301.52 | 0.42% | 302.79 | 0.62% | 300.01 | 0.29% | 298.80 | 0.35% |
| B (medium mesh) | 300.48 | 0.08% | 300.31 | 0.20% | 301.24 | 0.12% | 299.64 | 0.07% |
| C (fine mesh) | 300.25 | - | 300.92 | - | 300.89 | - | 299.85 | - |
| Grid Name | P1 | Error | P2 | Error | P3 | Error | P4 | Error |
|---|---|---|---|---|---|---|---|---|
| A (coarse mesh) | 0.65 | 8.33% | 0.46 | 12.20% | 0.57 | 6.56% | 1.92 | 3.52% |
| B (medium mesh) | 0.59 | 1.69% | 0.42 | 2.44% | 0.59 | 3.28% | 2.04 | 2.51% |
| C (fine mesh) | 0.60 | - | 0.41 | - | 0.61 | - | 1.99 | - |
| Measuring Point | Airflow Velocity | Measured Data/m/s | Numerical Simulation/m/s | Relative Error % |
|---|---|---|---|---|
| A | Maximum value | 4.23 | 4.18 | 1.18% |
| Minimum value | 0.02 | 0.02 | 0.47% | |
| Amplitude | 4.19 | 4.16 | 0.07% | |
| B | Maximum value | 0.69 | 0.72 | 4.34% |
| Minimum value | 0.11 | 0.11 | 1.36% | |
| Amplitude | 0.58 | 0.60 | 3.44% |
Disclaimer/Publisher’s Note: The statements, opinions and data contained in all publications are solely those of the individual author(s) and contributor(s) and not of MDPI and/or the editor(s). MDPI and/or the editor(s) disclaim responsibility for any injury to people or property resulting from any ideas, methods, instructions or products referred to in the content. |
© 2025 by the authors. Licensee MDPI, Basel, Switzerland. This article is an open access article distributed under the terms and conditions of the Creative Commons Attribution (CC BY) license (https://creativecommons.org/licenses/by/4.0/).
Share and Cite
Wang, Z.; Zhu, J.; Liu, X.; Zhong, J.; Liang, P. Research on Control of Ammonia Fuel Leakage and Explosion Risks in Ship Engine Rooms. Fire 2025, 8, 271. https://doi.org/10.3390/fire8070271
Wang Z, Zhu J, Liu X, Zhong J, Liang P. Research on Control of Ammonia Fuel Leakage and Explosion Risks in Ship Engine Rooms. Fire. 2025; 8(7):271. https://doi.org/10.3390/fire8070271
Chicago/Turabian StyleWang, Zhongcheng, Jie Zhu, Xiaoyu Liu, Jingjun Zhong, and Peng Liang. 2025. "Research on Control of Ammonia Fuel Leakage and Explosion Risks in Ship Engine Rooms" Fire 8, no. 7: 271. https://doi.org/10.3390/fire8070271
APA StyleWang, Z., Zhu, J., Liu, X., Zhong, J., & Liang, P. (2025). Research on Control of Ammonia Fuel Leakage and Explosion Risks in Ship Engine Rooms. Fire, 8(7), 271. https://doi.org/10.3390/fire8070271

