Next Article in Journal
Control of the SiC Polytypes in SiC Bonded Diamond Materials
Next Article in Special Issue
Compositional Effects on Mechanical Performance of Zirconia–Magnesia–Alumina Ceramics
Previous Article in Journal
Ferroelectric and Piezoelectric Properties of (Mg1/3Nb2/3)4+-Doped Bismuth Sodium Titanate Ceramics
Previous Article in Special Issue
Binder Jetting for Functional Testing of Ceramic Sanitaryware
 
 
Font Type:
Arial Georgia Verdana
Font Size:
Aa Aa Aa
Line Spacing:
Column Width:
Background:
Article

Synergistic Effects of SiCw and Ni Addition on the Densification and Mechanical Properties of (M0.2Ti0.2Ta0.2V0.2Nb0.2)B2 (M=Hf, Zr, or Cr) High-Entropy Ceramics

1
School of Materials Science and Engineering, Engineering Research Center of Matamaterials and Microdevices, Shijiazhuang Tiedao University, Shijiazhuang 050043, China
2
CARS Engineering Consulting Corporation Limited, Beijing 100089, China
3
GRINM (Guangdong) Institute for Advanced Materials and Technology, Foshan 528051, China
*
Authors to whom correspondence should be addressed.
Ceramics 2025, 8(3), 89; https://doi.org/10.3390/ceramics8030089
Submission received: 14 June 2025 / Revised: 16 July 2025 / Accepted: 17 July 2025 / Published: 18 July 2025
(This article belongs to the Special Issue Mechanical Behavior and Reliability of Engineering Ceramics)

Abstract

The improvement of densification and fracture toughness in high-entropy ceramics is important to realizing their practical applications. In this study, SiC whiskers and metal Ni additions were incorporated to solve these problems of high-entropy boride ceramics. The influence of sintering temperatures (1450–1650 °C) on the densification, microstructure, hardness, fracture toughness, and bending strength of (M0.2Ti0.2Ta0.2V0.2Nb0.2)B2-SiCw-Ni (M=Hf, Zr, or Cr) composites prepared by hot-pressing technology were studied. Results showed that when SiC whiskers and metal Ni additions were used as additives, increasing sintering temperatures from 1450 to 1600 °C promoted the densification of high-entropy boride ceramics. This was mainly attributed to the high sintering driving force. However, when the temperature further increased to 1650 °C, their densification behavior decreased. At a sintering temperature of 1600 °C, these high-entropy borides ceramics all had the highest densification behavior, leading to their high hardness and fracture toughness. The highest relative density was 96.3%, the highest hardness was 22.02 GPa, and the highest fracture toughness was 13.25 MPa·m1/2, which was improved by the co-function of SiC whiskers and plastic metal Ni. Meanwhile, in the adopted sintering temperature range of 1450 to 1650 °C, the highest bending strength at room temperature of these high-entropy boride ceramics could reach 320.8 MPa. Therefore, this research offers an effective densification, strengthening, and toughening method for high-entropy boride composites at a low sintering temperature.

1. Introduction

High-entropy boride (HEB) ceramics, as a new of category of ceramics, have received significant research attention owing to their outstanding characteristics of a high melting temperature, enhanced corrosion resistance, high hardness, good oxidation resistance properties, and so on [1,2,3,4,5]. Meanwhile, they exhibit potential applications in the fields of cutting tools, thermal protective materials, wear-resistant materials, microwave materials, and ultra-high-temperature materials [6,7,8]. In 2016, high-entropy boride ceramics were synthesized for the first time by Gild et al. [2], and their relative density could reach about 92% using spark plasma sintering (SPS) technology. Since then, the preparation (various synthesizing methods of high-entropy powders and sintering technologies of bulk materials) and properties (hardness, fracture toughness, bending strength, oxidation resistance, and so on) of high-entropy boride ceramics or composites has been a research hotspot. For high-entropy boride ceramics or composites, many studies have realized improved densification behavior and increased properties. However, high temperature (>1800 °C) is still required for sintering densification owing to a high covalent bonding strength and a low interdiffusion coefficient [9,10,11]. Therefore, low-temperature densification is necessary to obtain high-entropy boride ceramics or composites with high densification and excellent properties.
Liquid phase sintering can realize the low-temperature densification of high-entropy boride ceramics or composites by promoting mass transfer in the formed liquid phase. In recent years, most research has also focused on the development of high-entropy ceramics using the metallic phase as a sintering aid, which can effectively improve low-temperature densification and further result in excellent properties [5,12,13,14]. Xu et al. [5] prepared (Hf,Zr,Ta,Nb,Ti)B2 composites by introducing 5 vol% cobalt as a sintering aid via spark plasma sintering (SPS) at 1500 °C; the relative density was 99.5% and the hardness reached 24.90 ± 1.39 GPa. Luo et al. [13] also fabricated (Ti,Zr,Nb,Ta,Mo)C-Co materials via the liquid phase sintering of SPS using Co as a sintering aid at 1350 °C; the hardness was 24.11 ± 0.75 GPa and fracture toughness reached 4.07 ± 0.13 MPa·m1/2. Additionally, Anwer et al. [15] successfully prepared (Ti,V,Nb,Ta,W)C cermets with full densification using 12 vol% Ni as a binder by pressureless sintering at a temperature > 1360 °C. Meanwhile, high-entropy boride composites, using Ni as a sintering aid by pressureless sintering at 1450~1650 °C, were successfully fabricated, and the highest relative density could reach 99.8% [16]. Therefore, it was concluded that the introduction of a metal phase could effectively realize the low-temperature densification of high-entropy diboride and improve its fracture toughness, which is beneficial for broadening its applications.
Now, fracture toughness in high-entropy ceramics or composites has been improved by introducing a metal phase as a secondary phase. For example, in high-entropy carbide composites, a (Ti,V,Nb,Ta,W)C composite with 12 vol% Ni had a fracture toughness of 9.2 MPa·m1/2 [15] and a (Zr0.25Hf0.25Ta0.25Ti0.25)C composite with Ni-Co metal had a fracture toughness of 14.2 MPa·m1/2 [17]. In high-entropy diboride composites, a (Hf0.2V0.2Ta0.2Ti0.2Nb0.2)B2 composite with 15 wt% Ni metal also had a fracture toughness of 9.2 MPa·m1/2 [16]. Although fracture toughness has been evidently improved, some new toughening strategies need to be further developed. For example, fiber or whisker toughening is an effective method for improving the fracture toughness of composites. Using β-SiC whiskers or nanowires as a toughening agent has realized the toughening of high-entropy ceramics [18]. Luo et al. [19] successfully prepared dense, textured, and toughed (Ti0.2Zr0.2Hf0.2Nb0.2Ta0.2)C-SiCw ceramics, and the introduction of 15 wt% SiCw led to a fracture toughness of 4.3 ± 0.3 MPa·m1/2. Sun et al. [20] fabricated (HfZrTaTiW)C-SiCnw (SiC nanowire) composites with a fracture toughness of 6.2 MPa·m1/2 by two-step spark plasma sintering. However, there is presently no available literature on the investigation of high-entropy boride composites by incorporating SiC whiskers.
Therefore, in this study, low sintering densification and improved mechanical properties of high-entropy boride composites using metallic Ni and SiC whiskers as additives were realized by hot-pressing technology. The influence of different sintering temperatures on densification, microstructure evolution, hardness, fracture toughness, and bending strength at room temperature of three high-entropy boride composites (M0.2Ti0.2Ta0.2V0.2Nb0.2)B2-SiCw-Ni (M=Hf, Zr, or Cr) were investigated.

2. Experimental

Three high-entropy boride powders ((M0.2Ti0.2Ta0.2V0.2Nb0.2)B2, M=Hf, Zr, or Cr) were synthesized using a boro/carbothermic reduction process, and the synthetic process was based on previous research [16]. Ni metal powders (A.R., purity: 99 wt%, with a particle size range of 1~3 µm) and β-SiC whiskers (purity: 99 wt%, Shandong Hengshi New Material Technology Co. Ltd., Shandong, China, particle length: 50~100 µm) were chosen as additives. In this study, three high-entropy boride composites ((M0.2Ti0.2Ta0.2V0.2Nb0.2)B2, M=Hf, Zr, or Cr) with 12 vol.% Ni and 23 vol.% SiC whiskers were prepared by hot-pressing sintering technology, and were named HEBHf-SiCw-Ni, HEBZr-SiCw-Ni, and HEBCr-SiCw-Ni, respectively. The 12 vol.% Ni metal additive was a reasonable amount obtained from our published literature [16] and 23 vol.% SiC whiskers were added after being supported by previous experiments. The detailed preparation process was as follows. Firstly, to realize the high dispersion of SiC whiskers in the composites, they were ultrasonically dispersed for 30 min in ethyl alcohol solution. Secondly, weighted high-entropy diboride powders, Ni metal powders, and dispersed SiC whiskers were ball-milled for 3 h. Next, the powders were mixed, dried for 24 h at 60 °C, and further sieved. Finally, after as-prepared powders were pre-compacted in the graphite mold under a pressure of 3 MPa by a hydraulic machine, they were densified by hot-pressing sintering technology. The final sintering temperatures were 1450 °C, 1500 °C, 1550 °C, 1600 °C, and 1650 °C. The heating rate was 5 °C/min and the holding temperature time was 1 h. The applied loading force was 30 MPa, and Ar gas was used as the protective atmosphere. After sintering, three HEB-SiCw-Ni composites with a size dimension of 40 × 40 × 40 mm were successfully prepared.
The phase compositions of as-prepared HEBHf-SiCw-Ni, HEBZr-SiCw-Ni, and HEBCr-SiCw-Ni composites were measured by X-ray diffraction (XRD, D/MAX) technology. The microstructures of the fractural surfaces of as-prepared HEBHf-SiCw-Ni, HEBZr-SiCw-Ni, and HEBCr-SiCw-Ni composites were analyzed by scanning electron microscopy (SEM, SU-4700, Hitachi, Tokyo, Japan). The corresponding elemental composition was analyzed by energy dispersive spectrometry (EDS). The densification behavior (apparent porosity and bulk density) was analyzed by the Archimedes method using the following Equation (1).
B = G 2 G 1 G 2 G 3
where G1 was the mass of high-entropy samples in the dry state (g); G2 was the mass of high-entropy samples after water absorption in air (g); and G3 was the buoyant weight of the high-entropy samples after water absorption in water (g).
The relative density of as-prepared HEBHf-SiCw-Ni, HEBZr-SiCw-Ni, and HEBCr-SiCw-Ni composites was calculated by dividing measured bulk densities by theoretical densities estimated according to the rule of mixtures. Vickers hardness was measured and analyzed by a hardness tester (MHVD-30IS, Bony Precision Measuring Instruments Co., Ltd., Shanghai, China) for which the loading force was 30 kg and the time was set to 10 s. In addition, the fracture toughness KI.C. was calculated according to the following Equation (2) [16].
K I . C . = 0.15 H . V . 30 i = 1 4 l i 2
The room bending strength was analyzed by a three-point bending tester, and the size of HEB composites was 4 × 3 × 35 mm. The span distance was 30 mm and the loading rate was 0.5 mm/min. The average value of five measured composites was used as the data.

3. Results and Discussion

Commercially available β-SiC whiskers showed severe agglomeration and they formed the large elliptic shape in Figure 1a. The local enlarged SEM image in Figure 1b exhibits that the SiC whiskers had a rod-like shape with a smooth surface. However, these raw agglomerated SiC whiskers were not suitable for direct application in composites, as their inclusion would work against the improvement of composites. Therefore, ultrasonic treatment was used to realize the high dispersion of SiC whiskers, and the results are shown in Figure 1c,d. The SiC whiskers had good monodispersity, showing that the ultrasonic treatment effectively opened the agglomeration of SiC whiskers. Therefore, these prepared SiC whiskers were suitable as the toughening agent in HEB composites. The average diameter of these prepared β-SiC whiskers was about 0.39 μm.
In order not to damage the morphology of SiC whiskers, ball milling at a low rotating speed was adopted to realize the uniform mixing of HEB powders and ultrasonic dispersed SiC whiskers. The morphologies of mixed HEBHf, HEBZr, or HEBCr powders and SiC whiskers are shown Figure 2a–c, respectively. It is seen that SiC whiskers were uniformly dispersed in HEBHf, HEBZr, and HEBCr powders, and that their rod-like morphology had no evident change. These results illustrate that ultrasonic treatment and ball milling remarkably improved the dispersion of whiskers in mixed powders, and that as-obtained mixed powders are beneficial for preparing HEBHf, HEBZr, and HEBCr composites with high properties.
XRD patterns of sintered HEBHf-SiCw-Ni, HEBZr-SiCw-Ni, and HEBCr-SiCw-Ni composites with SiC whiskers are shown in Figure 3a–c, respectively. For sintered HEBHf-SiCw-Ni composites in Figure 3a, the analysis of diffraction peaks confirmed that the (Hf0.2V0.2Ta0.2Ti0.2Nb0.2)B2 phase, Ni phase, and SiC phase co-existed regardless of the sintering temperature, which is consistent with the phase composition of raw mixed powders. During the sintering process, the formation of no new phase illustrated that high-entropy boride (HEBHf) could not react with Ni or SiC whiskers, further confirming the stability of high-entropy borides (HEBHf). Meanwhile, when the sintering temperature was above 1550 °C, it was found that the peak of the Ni phase gradually decreased, which is attributed to the outflow of molten Ni metal at high temperature during the hot-pressing process. This phenomenon has been confirmed in other high-entropy composites [13,16,21]. Similarly, in the HEBZr-SiCw-Ni and HEBCr-SiCw-Ni composites in Figure 3b,c, the HEBZr and HEBCr phases remained stable at high temperatures, and the SiC and Ni phases still existed. Comparative XRD patterns of HEBHf-SiCw-Ni, HEBZr-SiCw-Ni, and HEBCr-SiCw-Ni composites sintered at 1600 °C are shown in Figure 4. Owing to the replacement of Hf (1.59), Zr (1.6), and Cr (1.27) elements with different atomic radii, the main peak positions corresponding to the high-entropy diboride were different. The peak positions of HEBHf and HEBZr had no change owing to their near atomic radii, but the peak position of HEBCr had a shift toward a big angle (right) relative to HEBHf and HEBZr, owing to the smaller atomic radii of Cr; this phenomenon has been confirmed in previous research [16].
The densification behaviors of sintered HEBHf-SiCw-Ni, HEBZr-SiCw-Ni, and HEBCr-SiCw-Ni composites were analyzed. The apparent porosities in Figure 5a illustrate that with an increase in sintering temperature the apparent porosities of sintered HEBHf-SiCw-Ni, HEBZr-SiCw-Ni, and HEBCr-SiCw-Ni composites all showed a decreasing and increasing change trend. When the sintering temperature was 1450 °C, the HEBHf-SiCw-Ni, HEBZr-SiCw-Ni, and HEBCr-SiCw-Ni composites had the highest apparent porosities, and these were 4.82%, 13.93%, and 6.37%, respectively. The reason for this is that at 1450 °C the densification process caused by the liquid phase sintering mechanism was slow because less molten Ni existed in the HEB composites and the pores could not be effectively eliminated, leading to their high porosity. When the temperature reached 1500 °C and 1550 °C, the apparent porosities of the HEBHf-SiCw-Ni, HEBZr-SiCw-Ni, and HEBCr-SiCw-Ni composites gradually decreased. Increasing the temperature facilitated the formation of more molten Ni metal, promoting the densification process of HEB composites by filling in the pores among HEB grains. The as-formed Ni liquid phase offered a pathway to mass transfer, leading to a decrease in pores accompanied by the growth of HEB grains. When the sintering temperature was 1600 °C, their apparent porosity reached the lowest values, which were 3.74%, 3.58%, and 4.76%, respectively. Oppositely, at the sintering temperature of 1650 °C, the apparent porosities increased. Although increasing temperature led to the low viscosity of molten Ni metal, the applied pressure at high temperature caused the outflow of the Ni phase, which was responsible for the appearance of low density. Similarly, in Figure 5b,c, it is seen that bulk density and relative density both increased first and then decreased as temperatures increased from 1450 °C to 1650 °C. When the sintering temperature was 1600 °C, bulk density and relative density reached their highest values. The bulk densities of HEBHf-SiCw-Ni, HEBZr-SiCw-Ni, and HEBCr-SiCw-Ni composites were 7.32, 6.42, and 6.54 g/cm3, respectively. And their relative densities were 96.3%, 96.1%, and 95.6%, respectively.
The fracture surfaces of as-sintered high-entropy HEBHf-SiCw-Ni composites at different sintering temperatures from 1450 °C to 1650 °C are shown in Figure 6. It was concluded that the fracture mode of HEBHf-SiCw-Ni composites is mainly transgranular fracture. At a temperature of 1450 °C, as shown in Figure 6a, some pores existed in the fracture surfaces of HEBHf-SiCw-Ni composites owing to the inadequate liquid phase sintering caused by molten Ni metal. With increases in the sintering temperature, it was found that the number of pores among high-entropy grains gradually decreased, and these pores even disappeared. An adequate Ni liquid phase at high temperature promoted the densification of high-entropy HEBHf-SiCw-Ni composites. The increasing temperature decreased the viscosity of liquid Ni metal, which was more beneficial for the densification of composites shown in Figure 6b–d. However, when the temperature was further increased to 1650 °C, some pores appeared among the grains; this was caused by the outflow of the liquid Ni metal with lower viscosity under the hot-pressing process. Additionally, it was found that when the temperature was higher than 1550 °C, SiC whiskers could not be evidently observed. Comparing Figure 6d,e, no SiC whiskers existed in the sample sintered at 1600 °C. The reason for this may be attributed to the degradation of whiskers under high temperatures.
Comparative SEM images of the fracture surfaces of HEBHf-SiCw-Ni, HEBZr-SiCw-Ni, and HEBCr-SiCw-Ni composites sintered at 1600 °C are shown in Figure 7. According to the densification behavior (porosity and density) of high-entropy boride composites, high densification behavior can be obtained at 1600 °C. In Figure 7a, the grains connect tightly and only a few pores exist in the HEBHf-SiCw-Ni composites, corresponding to a porosity of 3.74%. In Figure 7b, a few pores still exist in the HEBZr-SiCw-Ni composites, corresponding to a porosity of 3.58%. By comparison, in Figure 7c, more pores appear in the HEBCr-SiCw-Ni composites, which have a relative high porosity of 4.76%. Meanwhile, the grain size in the HEBHf-SiCw-Ni composite was far larger than those in the HEBZr-SiCw-Ni and HEBCr-SiCw-Ni composites.
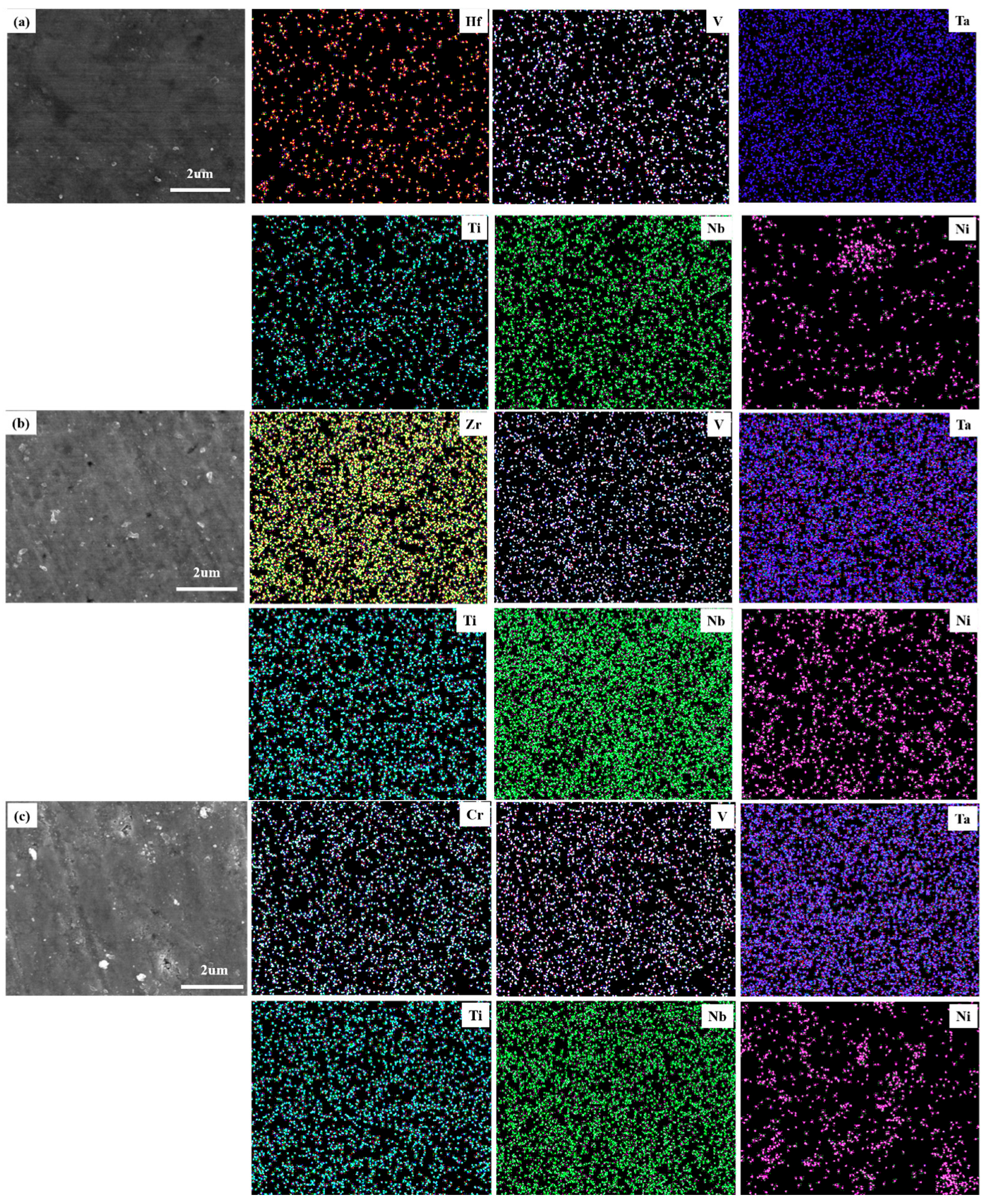
To further characterize the composition distribution in the microstructure of high-entropy boride composites, EDS-mapping images of the polished surfaces of HEBHf-SiCw-Ni, HEBZr-SiCw-Ni, and HEBCr-SiCw-Ni composites are shown in Figure 8. The Hf, V, Ta, Ti, and Nb elements were uniformly distributed, and Ni elements were distributed in the gaps between HEB grains on the polished surface of the HEBHf-SiCw-Ni composite. The same element distribution phenomenon appeared in the HEBZr-SiCw-Ni and HEBCr-SiCw-Ni composites.
Figure 9a–c show the hardness and fracture toughness of as-sintered HEBHf-SiCw-Ni, HEBZr-SiCw-Ni, and HEBCr-SiCw-Ni composites at different sintering temperatures, respectively. It can be seen that the hardness of these three HEB-SiCw-Ni composites first showed an increasing trend, and then a decreasing trend when the sintering temperature increased from 1450 °C to 1650 °C. At a sintering temperature of 1450 °C, HEBHf-SiCw-Ni, HEBZr-SiCw-Ni, and HEBCr-SiCw-Ni composites had the lowest hardness values of 13.5, 11.8, and 13.7 GPa, respectively, which is mainly attributed to the low densification caused by the inadequate molten Ni phase. At a sintering temperature of 1600 °C, owing to high densification, their hardnesses reached the highest values, and these were 22.02, 20.98, and 21.88 GPa, respectively. Oppositely, further increasing the sintering temperature led to a decrease in hardness, which originated from the decreased density. The hardness variation law is consistent with that of density variation in these three HEB-SiCw-Ni composites. Additionally, as the temperature increased, the fracture toughness of HEBHf-SiCw-Ni, HEBZr-SiCw-Ni, and HEBCr-SiCw-Ni composites basically increased and then decreased. At a sintering temperature of 1600 °C, their highest fracture toughnesses were 12.64, 13.25, and 11.05 MPa·m1/2, respectively.
Additionally, the bending strength of HEBHf-SiCw-Ni, HEBZr-SiCw-Ni, and HEBCr-SiCw-Ni composites at room temperature was analyzed, and results are shown in Figure 10. Figure 10a shows that for the HEBHf-SiCw-Ni composites, when the temperature was increased from 1450 °C to 1600 °C, the bending strength basically showed an increasing trend. At 1450 °C, the bending strength was 261.1 MPa, and when the sintering temperature was 1600 °C, the value reached 309.5 MPa. Oppositely, the bending strength slightly decreased to 301 MPa. Figure 10b shows that for the HEBZr-SiCw-Ni composites, the bending strength increased first and then decreased, and at 1600 °C the highest bending strength of 290.3 MPa was obtained. Figure 10c shows that for the HEBCr-SiCw-Ni composites, the highest bending strength of 320.8 MPa was obtained at 1600 °C. It was determined that the variation trend of bending strength at room temperature vs. sintering temperature was consistent with densification behavior.
To further analyze the toughening mechanism in HEBHf-SiCw-Ni composites, crack propagation paths on the polished surfaces of HEBHf-SiCw-Ni composites prepared by hot pressing at 1600 °C were observed, as shown in Figure 11. In Figure 11a,b, it is seen that the crack on the polished surface shows a wriggling curve, which is beneficial for improving fracture toughness by consuming fracture energy during crack propagation. Based on the above results from Figure 6d, it was observed that for the sample at 1600 °C, SiC whiskers basically disappeared. Therefore, the high fracture toughness of the sample at 1600 °C is believed to be mainly attributed to improved densification, the existence of a metal Ni phase, and small particles formed by the degradation of SiC whiskers in the microstructure.

4. Conclusions

In this study, three high-entropy HEBHf-SiCw-Ni, HEBZr-SiCw-Ni, and HEBCr-SiCw-Ni composites with good hardness, fracture toughness, and bending strength were successfully prepared by hot-pressing sintering technology, in which SiC whiskers were used as the toughening agent and metal Ni was the additive. The metal Ni realized the densification of HEB-SiCw-Ni composites at low temperature; meanwhile, the combined action of metal Ni and SiC whiskers promoted the improvement of the fracture toughness of the HEB-SiCw-Ni composites. Increasing sintering temperatures from 1450 to 1600 °C improved the densification of HEB-SiCw-Ni composites. At a sintering temperature of 1600 °C, HEBHf-SiCw-Ni, HEBZr-SiCw-Ni, and HEBCr-SiCw-Ni composites had the highest densification, leading to high hardness and fracture toughness. It was determined that their relative densities were 96.3%, 96.1%, and 95.6%, respectively. The highest hardnesses were 22.02, 20.98, and 21.88 GPa, respectively. And the fracture toughnesses were 12.64, 13.25, and 11.05 MPa·m1/2, respectively. In the sintering temperature range of 1450 to 1650 °C, their bending strengths at room temperature were 259.4~309.5 MPa, 268.4~290.3 MPa, and 265.9~320.8 MPa, respectively. This work will provide new guidance for the development of high-entropy composites.

Author Contributions

Writing-original draft preparation, H.W.; methodology, J.S.; formal analysis, J.Z.; software, J.C.; writing—review and editing, Z.Y.; visualization, Y.G.; resources, G.Q.; validation, G.Y.; writing—review and editing, S.H. All authors have read and agreed to the published version of the manuscript.

Funding

The authors acknowledge support from the Natural Science Foundation of Hebei Province (E2022210067 and E2025210108) and the Basic Research Business Expenses Research Project of Shijiazhuang Tiedao University (ZQK202501).

Data Availability Statement

The data presented in this study are available on request from the corresponding author.

Conflicts of Interest

Author Yubo Gong was employed by the company CARS Engineering Consulting Corporation Limited. The remaining authors declare that the research was conducted in the absence of any commercial or financial relationships that could be construed as a potential conflict of interest.

References

  1. Oses, C.; Toher, C.; Curtarolo, S. High-entropy ceramics. Nat. Rev. Mater. 2020, 5, 295–309. [Google Scholar] [CrossRef]
  2. Gild, J.; Zhang, Y.; Harrington, T.; Jiang, S.; Hu, T.; Quinn, M.C.; Mellor, W.M.; Zhou, N.; Vecchio, K.; Luo, J. High-Entropy Metal Diborides: A New Class of High-Entropy Materials and a New Type of Ultrahigh Temperature Ceramics. Sci. Rep. 2016, 6, 37946. [Google Scholar] [CrossRef]
  3. Gu, J.; Zou, J.; Sun, S.; Wang, H.; Yu, S.; Zhang, J.; Wang, W.; Fu, Z. Dense and pure high-entropy metal diboride ceramics sintered from self-synthesized powders via boro/carbothermal reduction approach. Sci. China Mater. 2019, 62, 1898–1909. [Google Scholar] [CrossRef]
  4. Zhang, Y.; Guo, W.; Jiang, Z.; Zhu, Q.; Sun, S.; You, Y.; Plucknett, K.; Lin, H. Dense high-entropy boride ceramics with ultra-high hardness. Scr. Mater. 2019, 164, 135–139. [Google Scholar] [CrossRef]
  5. Xu, L.; Guo, W.; Zou, J.; Zhou, Y.; Liang, H.; Qiu, S.; Lin, H.; Fu, Z. Low-temperature densification of high entropy diboride based composites with fine grains and excellent mechanical properties. Compos. Part B 2022, 247, 110331. [Google Scholar] [CrossRef]
  6. Monteverde, F.; Saraga, F. Entropy stabilized single-phase (Hf,Nb,Ta,Ti,Zr)B2 solid solution powders obtained via carbo/boro-thermal reduction. J. Alloys Compd. 2020, 824, 153930. [Google Scholar] [CrossRef]
  7. Feng, L.; Fahrenholtz, W.G.; Brenner, D.W. High-entropy ultra-high-temperature borides and carbides: A new class of materials for extreme environments. Annu. Rev. Mater. Res. 2021, 51, 165–185. [Google Scholar] [CrossRef]
  8. Matas, M.; Farhadizadeh, A.; Houska, J. Vacancies and substitutional defects in multicomponent diboride Ti0.25Zr0.25Hf0.25Ta0.25B2: First-principle study. J. Phys. Condens. Matter. 2021, 34, 095901. [Google Scholar] [CrossRef]
  9. Zhao, P.; Zhu, J.; Li, M.; Shao, G.; Lu, H.; Wang, H.; He, J. Theoretical and experimental investigations on the phase stability and fabrication of high-entropy monoborides. J. Eur. Ceram. Soc. 2023, 43, 2320–2330. [Google Scholar] [CrossRef]
  10. Liu, J.; Yang, Q.; Zou, J.; Wang, W.; Wang, X.; Fu, Z. Strong high-entropy diboride ceramics with oxide impurities at 1800 °C. Sci. China Mater. 2023, 66, 2061–2070. [Google Scholar] [CrossRef]
  11. Kavak, S.; Bayrak, K.G.; Mansoor, M.; Kaba, M.; Ayas, E.; Balcı-Çağıran, Ö.; Derin, B.; Öveçoğlu, M.L.; Ağaoğulları, D. First principles calculations and synthesis of multi-phase (HfTiWZr)B2 high entropy diboride ceramics: Microstructural, mechanical and thermal characterization. J. Eur. Ceram. Soc. 2023, 43, 768–782. [Google Scholar] [CrossRef]
  12. Ma, J.; Ma, S.; Wang, X.; Xue, Z.; Li, B.; Wang, T.; Liu, Y. Preparation and mechanical properties of (Ti0.2Zr0.2V0.2Nb0.2Ta0.2)(C0.6N0.4)-Co high-entropy cermets. Mater. Charact. 2022, 192, 112213. [Google Scholar] [CrossRef]
  13. Luo, S.; Guo, W.; Plucknett, K.; Lin, H. Low-temperature densification of high-entropy (Ti,Zr,Nb,Ta,Mo)C-Co composites with high hardness and high toughness. J. Adv. Ceram. 2022, 11, 805–813. [Google Scholar] [CrossRef]
  14. Huang, Z.; Su, L.; Xu, L.; Zhou, Y.; Guo, W.; Lin, H. Dense (Hf0.2Mo0.2Ta0.2Nb0.2Ti0.2)B2 ceramics prepared by pressureless sintering with Ni additives. Ceram. Int. 2023, 49, 27651–27656. [Google Scholar] [CrossRef]
  15. Anwer, Z.; Huang, S.; Vleugels, J. Liquid phase assisted synthesis of (Ti,V,Nb,Ta,W)C-Ni high entropy carbide cermets by conventional pressureless sintering. Int. J. Refract. Met. Hard Mater. 2022, 107, 105914. [Google Scholar] [CrossRef]
  16. Yang, Z.; Gong, Y.; Zhang, S.; Lv, X.; Hu, J.; Zhang, G.; Yu, G.; Song, S. Microstructure and properties of high-entropy diboride composites prepared by pressureless sintering. J. Alloys Compd. 2023, 952, 169975. [Google Scholar] [CrossRef]
  17. Liu, J.; Xiong, J.; Guo, Z.; Zhou, H.; Yang, T.; Yang, L.; Zhao, W. Preparation of high-entropy (Zr0.25Hf0.25Ta0.25Ti0.25)C-Ni-Co composite by spark plasma sintering. Metall. Mater. Trans. A 2020, 51, 6706–6713. [Google Scholar] [CrossRef]
  18. Hrubovčáková, M.; Csanádi, T.; Sedlák, R.; Kovalčíková, A.; Shepa, I.; Múdra, E.; Sopčák, T.; Ünsal, H.; Tatarko, P.; Šajgalík, P.; et al. The effect of SiC whiskers addition on the microstructure and mechanical properties of a (Hf-Ta-Zr-Nb-Ti)C-SiC composite. Ceram. Int. 2023, 49, 24179–24186. [Google Scholar] [CrossRef]
  19. Luo, S.; Guo, W.; Zhou, Y.; Plucknett, K.; Lin, H. Textured and toughened high-entropy (Ti0.2Zr0.2Hf0.2Nb0.2Ta0.2)C-SiCw ceramics. J. Mater. Sci. Technol. 2021, 94, 99–103. [Google Scholar] [CrossRef]
  20. Sun, J.; Zhao, J.; Chen, Y.; Wang, L.; Yun, X.; Huang, Z. Toughening in low-dimensional nanomaterials high-entropy ceramic nanocomposite. Compos. Part B 2022, 231, 109586. [Google Scholar] [CrossRef]
  21. Vedel, D.; Storozhenko, M.; Mazur, P.; Konoval, V.; Skoryk, M.; Grigoriev, O.; Heaton, M.; Zavdoveev, A. Wetting and interfacial behavior of Fe, Co, Ni on (Ti, Zr, Hf, Nb, Ta)C high entropy ceramics. Open Ceram. 2023, 15, 100393. [Google Scholar] [CrossRef]
Figure 1. Morphology of raw β-SiC whiskers (a,b) before ultrasonic dispersion and (c,d) after ultrasonic dispersion.
Figure 1. Morphology of raw β-SiC whiskers (a,b) before ultrasonic dispersion and (c,d) after ultrasonic dispersion.
Ceramics 08 00089 g001
Figure 2. SEM images of mixed high-entropy diboride powders and SiC whiskers after ultrasonic treatment and ball milling: (a) HEBHf-SiCw, (b) HEBZr-SiCw, and (c) HEBCr-SiCw.
Figure 2. SEM images of mixed high-entropy diboride powders and SiC whiskers after ultrasonic treatment and ball milling: (a) HEBHf-SiCw, (b) HEBZr-SiCw, and (c) HEBCr-SiCw.
Ceramics 08 00089 g002
Figure 3. XRD patterns of as-sintered high-entropy composites with SiC whiskers hot pressed at different sintering temperatures: (a) HEBHf-SiCw-Ni, (b) HEBZr-SiCw-Ni, and (c) HEBCr-SiCw-Ni.
Figure 3. XRD patterns of as-sintered high-entropy composites with SiC whiskers hot pressed at different sintering temperatures: (a) HEBHf-SiCw-Ni, (b) HEBZr-SiCw-Ni, and (c) HEBCr-SiCw-Ni.
Ceramics 08 00089 g003
Figure 4. Comparative XRD patterns of as-sintered high-entropy boride composites with SiC whiskers hot pressed at 1600 °C.
Figure 4. Comparative XRD patterns of as-sintered high-entropy boride composites with SiC whiskers hot pressed at 1600 °C.
Ceramics 08 00089 g004
Figure 5. (a) Apparent porosity, (b) bulk-density, and (c) relative density of as-sintered high-entropy composites with SiC whiskers processed by hot pressing.
Figure 5. (a) Apparent porosity, (b) bulk-density, and (c) relative density of as-sintered high-entropy composites with SiC whiskers processed by hot pressing.
Ceramics 08 00089 g005
Figure 6. SEM images of fracture surfaces of as-sintered high-entropy HEBHf-SiCw-Ni composites hot pressed at different temperatures: (a) 1450 °C, (b) 1500 °C, (c) 1550 °C, (d,e) 1600 °C, and (f) 1650 °C.
Figure 6. SEM images of fracture surfaces of as-sintered high-entropy HEBHf-SiCw-Ni composites hot pressed at different temperatures: (a) 1450 °C, (b) 1500 °C, (c) 1550 °C, (d,e) 1600 °C, and (f) 1650 °C.
Ceramics 08 00089 g006
Figure 7. Comparative SEM images of fracture surfaces of as-sintered high-entropy boride composites with SiC whiskers hot pressed at 1600 °C: (a) HEBHf-SiCw-Ni, (b) HEBZr-SiCw-Ni, and (c) HEBCr-SiCw-Ni.
Figure 7. Comparative SEM images of fracture surfaces of as-sintered high-entropy boride composites with SiC whiskers hot pressed at 1600 °C: (a) HEBHf-SiCw-Ni, (b) HEBZr-SiCw-Ni, and (c) HEBCr-SiCw-Ni.
Ceramics 08 00089 g007
Figure 8. EDS mapping images of as-sintered high-entropy diboride composites with SiC whiskers hot pressed at 1600 °C: (a) HEBHf-SiCw-Ni, (b) HEBZr-SiCw-Ni, and (c) HEBCr-SiCw-Ni.
Figure 8. EDS mapping images of as-sintered high-entropy diboride composites with SiC whiskers hot pressed at 1600 °C: (a) HEBHf-SiCw-Ni, (b) HEBZr-SiCw-Ni, and (c) HEBCr-SiCw-Ni.
Ceramics 08 00089 g008
Figure 9. Hardness and fracture toughness of as-sintered high-entropy composites with SiC whiskers processed by hot-pressing: (a) HEBHf-SiCw-Ni, (b) HEBZr-SiCw-Ni, and (c) HEBCr-SiCw-Ni.
Figure 9. Hardness and fracture toughness of as-sintered high-entropy composites with SiC whiskers processed by hot-pressing: (a) HEBHf-SiCw-Ni, (b) HEBZr-SiCw-Ni, and (c) HEBCr-SiCw-Ni.
Ceramics 08 00089 g009
Figure 10. Bending strength of as-sintered high-entropy composites with SiC whiskers processed by hot pressing: (a) HEBHf-SiCw-Ni, (b) HEBZr-SiCw-Ni, and (c) HEBCr-SiCw-Ni.
Figure 10. Bending strength of as-sintered high-entropy composites with SiC whiskers processed by hot pressing: (a) HEBHf-SiCw-Ni, (b) HEBZr-SiCw-Ni, and (c) HEBCr-SiCw-Ni.
Ceramics 08 00089 g010
Figure 11. (a) and (b) Crack growth images of as-sintered high-entropy HEBHf-SiCw-Ni composites hot pressed at 1600 °C.
Figure 11. (a) and (b) Crack growth images of as-sintered high-entropy HEBHf-SiCw-Ni composites hot pressed at 1600 °C.
Ceramics 08 00089 g011
Disclaimer/Publisher’s Note: The statements, opinions and data contained in all publications are solely those of the individual author(s) and contributor(s) and not of MDPI and/or the editor(s). MDPI and/or the editor(s) disclaim responsibility for any injury to people or property resulting from any ideas, methods, instructions or products referred to in the content.

Share and Cite

MDPI and ACS Style

Wu, H.; Sun, J.; Zhang, J.; Chen, J.; Yang, Z.; Gong, Y.; Qin, G.; Yu, G.; He, S. Synergistic Effects of SiCw and Ni Addition on the Densification and Mechanical Properties of (M0.2Ti0.2Ta0.2V0.2Nb0.2)B2 (M=Hf, Zr, or Cr) High-Entropy Ceramics. Ceramics 2025, 8, 89. https://doi.org/10.3390/ceramics8030089

AMA Style

Wu H, Sun J, Zhang J, Chen J, Yang Z, Gong Y, Qin G, Yu G, He S. Synergistic Effects of SiCw and Ni Addition on the Densification and Mechanical Properties of (M0.2Ti0.2Ta0.2V0.2Nb0.2)B2 (M=Hf, Zr, or Cr) High-Entropy Ceramics. Ceramics. 2025; 8(3):89. https://doi.org/10.3390/ceramics8030089

Chicago/Turabian Style

Wu, Hongya, Jianxin Sun, Jiaqi Zhang, Junshuai Chen, Zhigang Yang, Yubo Gong, Guoqiang Qin, Gang Yu, and Shengya He. 2025. "Synergistic Effects of SiCw and Ni Addition on the Densification and Mechanical Properties of (M0.2Ti0.2Ta0.2V0.2Nb0.2)B2 (M=Hf, Zr, or Cr) High-Entropy Ceramics" Ceramics 8, no. 3: 89. https://doi.org/10.3390/ceramics8030089

APA Style

Wu, H., Sun, J., Zhang, J., Chen, J., Yang, Z., Gong, Y., Qin, G., Yu, G., & He, S. (2025). Synergistic Effects of SiCw and Ni Addition on the Densification and Mechanical Properties of (M0.2Ti0.2Ta0.2V0.2Nb0.2)B2 (M=Hf, Zr, or Cr) High-Entropy Ceramics. Ceramics, 8(3), 89. https://doi.org/10.3390/ceramics8030089

Article Metrics

Back to TopTop