Highlighting of LaF3 Reactivity with SiO2 and GeO2 at High Temperature
Abstract
:1. Introduction
2. Materials and Methods
3. Results and Discussion
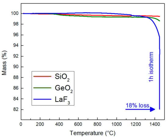
3.1. Starting Compounds
24%
33%
3.2. Binary and Ternary Systems
26%
29%
16% 23%
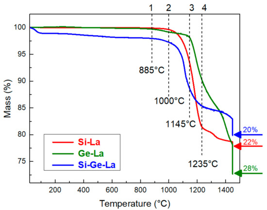
3.2.1. TGA of All Mixtures
3.2.2. Si-La
3.2.3. Ge-La
3.2.4. Si-Ge-La
4. Conclusions
Author Contributions
Funding
Institutional Review Board Statement
Informed Consent Statement
Data Availability Statement
Acknowledgments
Conflicts of Interest
References
- Auzel, F.; Pecile, D.; Morin, D. Rare earth doped vitroceramics: New, efficient, blue and green emitting materials for infrared up-conversion. J. Electrochem. Soc. 1975, 122, 101. [Google Scholar] [CrossRef]
- Wang, Y.; Ohwaki, J. New transparent vitroceramics codoped with Er3+ and Yb3+ for efficient frequency upconversion. Appl. Phys. Lett. 1993, 63, 3268–3270. [Google Scholar] [CrossRef]
- Gonçalves, M.C.; Santos, L.F.; Almeida, R.M. Rare-earth-doped transparent glass ceramics. Comptes Rendus Chim. 2002, 5, 845–854. [Google Scholar] [CrossRef]
- Liu, X.; Zhou, J.; Zhou, S.; Yue, Y.; Qiu, J. Transparent glass-ceramics functionalized by dispersed crystals. Prog. Mater. Sci. 2018, 97, 38–96. [Google Scholar] [CrossRef]
- Dejneka, M.J. Transparent oxyfluoride glass ceramics. Mrs Bull. 1998, 23, 57–62. [Google Scholar] [CrossRef]
- DiMaio, J.R.; Kokuoz, B.; Ballato, J. White light emissions through down-conversion of rare-earth doped LaF 3 nanoparticles. Opt. Express 2006, 14, 11412–11417. [Google Scholar] [CrossRef]
- Kumar, G.A.; Chen, C.W.; Ballato, J.; Riman, R.E. Optical characterization of infrared emitting rare-earth-doped fluoride nanocrystals and their transparent nanocomposites. Chem. Mater. 2007, 19, 1523–1528. [Google Scholar] [CrossRef]
- Kumar, G.A.; Riman, R.; Snitzer, E.; Ballato, J. Solution synthesis and spectroscopic characterization of high Er3+ content LaF3 for broadband 1.5 μm amplification. J. Appl. Phys. 2004, 95, 40–47. [Google Scholar] [CrossRef]
- Tanabe, S.; Hayashi, H.; Hanada, T.; Onodera, N. Fluorescence properties of Er3+ ions in glass ceramics containing LaF3 nanocrystals. Opt. Mater. 2002, 19, 343–349. [Google Scholar] [CrossRef]
- Gorni, G.; Balda, R.; Fernández, J.; Pascual, L.; Durán, A.; Pascual, M.J. Effect of the heat treatment on the spectroscopic properties of Er3+-Yb3+-doped transparent oxyfluoride nano-glass-ceramics. J. Lumin. 2018, 193, 51–60. [Google Scholar] [CrossRef]
- Kucera, C.; Kokuoz, B.; Edmondson, D.; Griese, D.; Miller, M.; James, A.; Baker, W.; Ballato, J. Designer emission spectra through tailored energy transfer in nanoparticle-doped silica preforms. Opt. Lett. 2009, 34, 2339–2341. [Google Scholar] [CrossRef] [PubMed]
- Vermillac, M.; Lupi, J.F.; Peters, F.; Cabie, M.; Vennegues, P.; Kucera, C.; Neisius, T.; Ballato, J.; Blanc, W. Fiber-draw-induced elongation and break-up of particles inside the core of a silica-based optical fiber. J. Am. Ceram. Soc. 2017, 100, 1814–1819. [Google Scholar] [CrossRef] [Green Version]
- Vermillac, M.; Fneich, H.; Turlier, J.; Cabié, M.; Kucera, C.; Borschneck, D.; Peters, F.; Vennéguès, P.; Neisius, T.; Chaussedent, S.; et al. On the morphologies of oxides particles in optical fibers: Effect of the drawing tension and composition. Opt. Mater. 2019, 87, 74–79. [Google Scholar] [CrossRef] [Green Version]
- Vermillac, M.; Fneich, H.; Lupi, J.F.; Tissot, J.B.; Kucera, C.; Vennéguès, P.; Mehdi, A.; Neuville, D.R.; Ballato, J.; Blanc, W. Use of thulium-doped LaF3 nanoparticles to lower the phonon energy of the thulium’s environment in silica-based optical fibres. Opt. Mater. 2017, 68, 24–28. [Google Scholar] [CrossRef]
- Vermillac, M.; Lupi, J.F.; Fneich, H.; Turlier, J.; Cabié, M.; Kucera, C.; Borschneck, D.; Peters, F.; Chaussedent, S.; Vennegues, P.; et al. Thulium-doped nanoparticles and their properties in silica-based optical fibers. In Fiber Lasers and Glass Photonics: Materials through Applications; International Society for Optics and Photonics: Bellingham, WA, USA, 2018. [Google Scholar]
- Haynes, W.M. CRC Handbook of Chemistry and Physics; CRC Press: Boca Raton, FL, USA, 2014. [Google Scholar]
- Smith, G.T.; Isaacs, P.B. The crystal structure of quartz-like GeO2. Acta Crystallogr. 1964, 17, 842–846. [Google Scholar] [CrossRef]
- Baur, W.H.; Khan, A.A. Rutile-type compounds. IV. SiO2, GeO2 and a comparison with other rutile-type structures. Acta Crystallogr. Sect. B Struct. Crystallogr. Cryst. Chem. 1971, 27, 2133–2139. [Google Scholar] [CrossRef]
- Staritzky, E.; Asprey, L.B. Crystallographic Data. 157. Lanthanum Trifluoride, LaF3; 158. Neodymium Trifluoride, NdF3. Anal. Chem. 1957, 29, 856–857. [Google Scholar] [CrossRef]
- Neuville, D.R. From Glass to Crystal: Nucleation, Growth and Phase Separation: From Research to Applications; EDP Sciences: Les Ulis, France, 2017. [Google Scholar]
- Zhu, B.; Chen, N.; Zhu, D.; Li, Y.; Sun, W.; Liu, G.; Du, G. Thermal annealing of LaF3: Eu3+ nanocrystals synthesized by a solvothermal method and their luminescence properties. J. Sol-Gel Sci. Technol. 2013, 66, 126–132. [Google Scholar] [CrossRef]
- Zachariasen, W. Crystal chemical studies of the 5f-series of elements. XIV. Oxyfluorides, XOF. Acta Crystallogr. 1951, 4, 231–236. [Google Scholar] [CrossRef]
- Wyckoff, R. Crystal Structures, Interscience. N. Y. 1963, 1, 254. [Google Scholar]
- Müller-Buschbaum, H.; Schnering, H. Zur Struktur der A-Form der Sesquioxide der Seltenen Erden. Strukturuntersuchungen an La2O3. Z. Anorg. Allg. Chem. 1965, 340, 232–245. [Google Scholar] [CrossRef]
- Beall, G.; Milligan, W.T.; Wolcott, H.A. Structural trends in the lanthanide trihydroxides. J. Inorg. Nucl. Chem. 1977, 39, 65–70. [Google Scholar] [CrossRef]
- Gangwar, B.P.; Palakollu, V.; Singh, A.; Kanvah, S.; Sharma, S. Combustion synthesized La2O3 and La(OH)3: Recyclable catalytic activity towards Knoevenagel and Hantzsch reactions. RSC Adv. 2014, 4, 55407–55416. [Google Scholar] [CrossRef]
- Singh, A.; Palakollu, V.; Pandey, A.; Kanvah, S.; Sharma, S. Green synthesis of 1, 4-benzodiazepines over La2O3 and La(OH)3 catalysts: Possibility of Langmuir–Hinshelwood adsorption. RSC Adv. 2016, 6, 103455–103462. [Google Scholar] [CrossRef] [Green Version]
- Gualtieri, A.F. Accuracy of XRPD QPA using the combined Rietveld–RIR method. J. Appl. Crystallogr. 2000, 33, 267–278. [Google Scholar] [CrossRef]
- Pluth, J.; Smith, J.; Faber, J., Jr. Crystal structure of low cristobalite at 10, 293, and 473 K: Variation of framework geometry with temperature. J. Appl. Phys. 1985, 57, 1045–1049. [Google Scholar] [CrossRef]
- Nørlund Christensen, A. Investigation by the use of profile refinement of neutron powder diffraction data of the geometry of the [Si2O7]6− ions in the high temperature phases of rare earth disilicates prepared from the melt in crucible-free synthesis. Z. Krist.-Cryst. Mater. 1994, 209, 7–13. [Google Scholar] [CrossRef]
- Wan, J.; Liu, Q.; Liu, G.; Zhou, Z.; Ni, J.; Xie, R.J. A novel Eu2+ activated G-La2Si2O7 phosphor for white LEDs: SiC-reduction synthesis, tunable luminescence and good thermal stability. J. Mater. Chem. C 2017, 5, 1614–1623. [Google Scholar] [CrossRef]
- Fukuda, K.; Asaka, T.; Hamaguchi, R.; Suzuki, T.; Oka, H.; Berghout, A.; Béchade, E.; Masson, O.; Julien, I.; Champion, E.; et al. Oxide-ion conductivity of highly c-axis-oriented apatite-type lanthanum silicate polycrystal formed by reactive diffusion between La2SiO5 and La2Si2O7. Chem. Mater. 2011, 23, 5474–5483. [Google Scholar] [CrossRef]
- Guillot, S.; Beaudet-Savignat, S.; Lambert, S.; Roussel, P.; Tricot, G.; Vannier, R.N.; Rubbens, A. Local relaxation in lanthanum silicate oxyapatites by Raman scattering and MAS-NMR. J. Raman Spectrosc. 2011, 42, 1455–1461. [Google Scholar] [CrossRef]
- León-Reina, L.; Losilla, E.R.; Martínez-Lara, M.; Bruque, S.; Llobet, A.; Sheptyakov, D.V.; Aranda, M.A. Interstitial oxygen in oxygen-stoichiometric apatites. J. Mater. Chem. 2005, 15, 2489–2498. [Google Scholar] [CrossRef]
- Vetter, G.; Queyroux, F. Détermination structurale de la forme de haute température du composé La4 [Ge3O10][GeO4]: Analyse comparative des structures tricliniques des germanates de terres rares de formule globale Ln2Ge2O7. J. Solid State Chem. 1988, 73, 287–297. [Google Scholar] [CrossRef]
- Assi, F.; Ferriol, M.; Cochez, M.; Aillerie, M. Growth of LaBGeO5 crystal fibers by the micro-pulling down technique. Cryst. Res. Technol. 2016, 51, 87–93. [Google Scholar] [CrossRef]
- Müller-Bunz, H.; Schleid, T. Über den H-und A-Typ von La2 [Si2O7]. Z. Anorg. Allg. Chem. 2000, 626, 2549–2556. [Google Scholar] [CrossRef]
- Orera, A.; Sanjuán, M.L.; Kendrick, E.; Orera, V.M.; Slater, P.R. Raman spectroscopy studies of apatite-type germanate oxide ion conductors: Correlation with interstitial oxide ion location and conduction. J. Mater. Chem. 2010, 20, 2170–2175. [Google Scholar] [CrossRef] [Green Version]
- Carre, F.; Chuit, C.; Corriu, R.J.; Fanta, A.; Mehdi, A.; Reye, C. Use of the 2, 6-bis [(dimethylamino) methyl] phenyl ligand for the study of nucleophilic substitution at hexacoordinate silicon centers. evidence suggestive of a heptacoordinate silicon transition state. Organometallics 1995, 14, 194–198. [Google Scholar] [CrossRef]
- Solomon, E.I.; Scott, R.A.; King, R.B. Computational Inorganic and Bioinorganic Chemistry; John Wiley & Sons: Hoboken, NJ, USA, 2013. [Google Scholar]
- Ehlert, T.; Margrave, J. Mass-Spectrometric Studies at High Temperatures. II. The Dissociation Energies of the Monofluorides and Difluorides of Silicon and Germanium. J. Chem. Phys. 1964, 41, 1066–1072. [Google Scholar] [CrossRef]
- Farber, M.; Srivastava, R. Mass spectrometric determination of the heats of formation of the silicon fluorides SiF(g), SiF2(g) and SiF3(g). J. Chem. Soc. Faraday Trans. 1 Phys. Chem. Condens. Phases 1978, 74, 1089–1095. [Google Scholar] [CrossRef]
- Pedley, J.; Marshall, E. Thermochemical data for gaseous monoxides. J. Phys. Chem. Ref. Data 1983, 12, 967–1031. [Google Scholar] [CrossRef] [Green Version]

















| Compound | Symbol | Structure | Molar Mass (g/mol−1) | Density (g/cm−3) | Temperature (°C) |
|---|---|---|---|---|---|
| Silicon dioxide | SiO2 | Amorphous | 60.085 | 2.196 | 1400 a 1713 b |
| Germanium dioxide | GeO2 | Hexagonal [17] Tetragonal [18] | 104.640 | 4.250 | 1281 |
| Lanthanum trifluoride | LaF3 | Hexagonal [19] | 195.900 | 5.900 | 1493 |
| Reactions | Masses (mg) | ||
|---|---|---|---|
| SiO2 | GeO2 | LaF3 | |
| 3.5 SiO2 + 2 LaF3 | 840.0 | ----- | 1568.0 |
| 3.5 GeO2 + 2 LaF3 | ----- | 1463.0 | 1568.0 |
| 3.5 SiO2 + 3.5 GeO2 + 2 LaF3 | 840.0 | 1463.0 | 1568.0 |
| Atomic % | ||||||
|---|---|---|---|---|---|---|
| Element | SiO2 (Theoretical) | Black Zone | GeO2 (Theoretical) | Dark Gray Zone | SiO2 (Theoretical) | Light Gray Zone |
| Si | 33.34 | 30.81 | --- | 6.12 | --- | 4.48 |
| Ge | --- | 1.38 | 33.34 | 30.96 | --- | 2.63 |
| O | 66.66 | 62.62 | 66.66 | 56.50 | --- | 5.77 |
| La | --- | 0.81 | --- | 1.13 | 25.00 | 23.20 |
| F | --- | 4.37 | --- | 5.29 | 75.00 | 63.93 |
| Atomic % | Atomic % | Atomic % | ||||||
|---|---|---|---|---|---|---|---|---|
| La2O3 (Theoretical) | LaF3 1500 °C | GeO2 (Theoretical) | GeO2 1000 °C | SiO2 (Theoretical) | SiO2 1500 °C | |||
| La | 60 | 63.69 | Ge | 33.34 | 34.70 | Si | 33.34 | 32.76 |
| O | 40 | 35.41 | O | 66.66 | 65.30 | O | 66.66 | 67.24 |
| F | 0 | 0.90 | --- | --- | --- | --- | --- | --- |
| Name | Mixture |
|---|---|
| Si-La | 3.5 SiO2 + 2 LaF3 |
| Ge-La | 3.5 GeO2 + 2 LaF3 |
| Si-Ge-La | 3.5 SiO2 + 3.5 GeO2 + 2 LaF3 |
| Element | Light Gray Zone | Black Zone |
|---|---|---|
| La | 11.80% | 2.85% |
| Si | 23.51% | 35.49% |
| F | 0.50% | 0.42% |
| O | 64.66% | 61.24% |
| Element | Light Gray Zone | Theoretical Atomic % | |||
|---|---|---|---|---|---|
| La2Si2O7 | SiO2 | 50% La2Si2O7+ 50% SiO2 | 30% La2Si2O7+ 70% SiO2 | ||
| La | 11.08% | 18.2% | --- | 14.2% | 11.1% |
| Si | 23.51% | 18.2% | 33.33% | 21.6% | 24.1% |
| O | 64.66% | 63.6% | 66.67% | 64.2% | 64.8% |
| F | 0.75% | --- | --- | --- | --- |
| Element | Light Gray Zone | Dark Gray Zone | La2Ge2O7 | GeO2 |
|---|---|---|---|---|
| La | 21.21% | 3.50% | 18.20% | --- |
| Ge | 20.29% | 34.30% | 18.20% | 33.33% |
| O | 57.73% | 61.94% | 63.60% | 66.67% |
| F | 0.86% | 0.26% | --- | --- |
| Element | Light Zone 1 | Light Zone 2 | Light Zone 3 |
|---|---|---|---|
| La | 15.13% | 19.8% | 17.46% |
| Si | 16.14% | 17.29% | 15.66% |
| Ge | 5.80% | 5.13% | 4.99% |
| F | 0.98% | 0.64% | 0.71% |
| O | 61.95% | 57.26% | 61.18% |
Publisher’s Note: MDPI stays neutral with regard to jurisdictional claims in published maps and institutional affiliations. |
© 2022 by the authors. Licensee MDPI, Basel, Switzerland. This article is an open access article distributed under the terms and conditions of the Creative Commons Attribution (CC BY) license (https://creativecommons.org/licenses/by/4.0/).
Share and Cite
Fneich, H.; Vermillac, M.; Neuville, D.R.; Blanc, W.; Mehdi, A. Highlighting of LaF3 Reactivity with SiO2 and GeO2 at High Temperature. Ceramics 2022, 5, 182-200. https://doi.org/10.3390/ceramics5020016
Fneich H, Vermillac M, Neuville DR, Blanc W, Mehdi A. Highlighting of LaF3 Reactivity with SiO2 and GeO2 at High Temperature. Ceramics. 2022; 5(2):182-200. https://doi.org/10.3390/ceramics5020016
Chicago/Turabian StyleFneich, Hussein, Manuel Vermillac, Daniel R. Neuville, Wilfried Blanc, and Ahmad Mehdi. 2022. "Highlighting of LaF3 Reactivity with SiO2 and GeO2 at High Temperature" Ceramics 5, no. 2: 182-200. https://doi.org/10.3390/ceramics5020016
APA StyleFneich, H., Vermillac, M., Neuville, D. R., Blanc, W., & Mehdi, A. (2022). Highlighting of LaF3 Reactivity with SiO2 and GeO2 at High Temperature. Ceramics, 5(2), 182-200. https://doi.org/10.3390/ceramics5020016

