Determination of Fracture Toughness and Resistance Curves by Three Methods on Armoured Steel
Abstract
1. Introduction
2. Materials and Methods
2.1. Material Protac 500
2.2. Heat Treatment and Mechanical Properties Testing
2.3. Methods for Determining Fracture Toughness
2.3.1. Normalization Method
2.3.2. Compliance Method
2.3.3. Multi-Specimen Method
2.3.4. Determination of KJIC According to the ASTM E399 Standard
2.4. Fractography Analysis
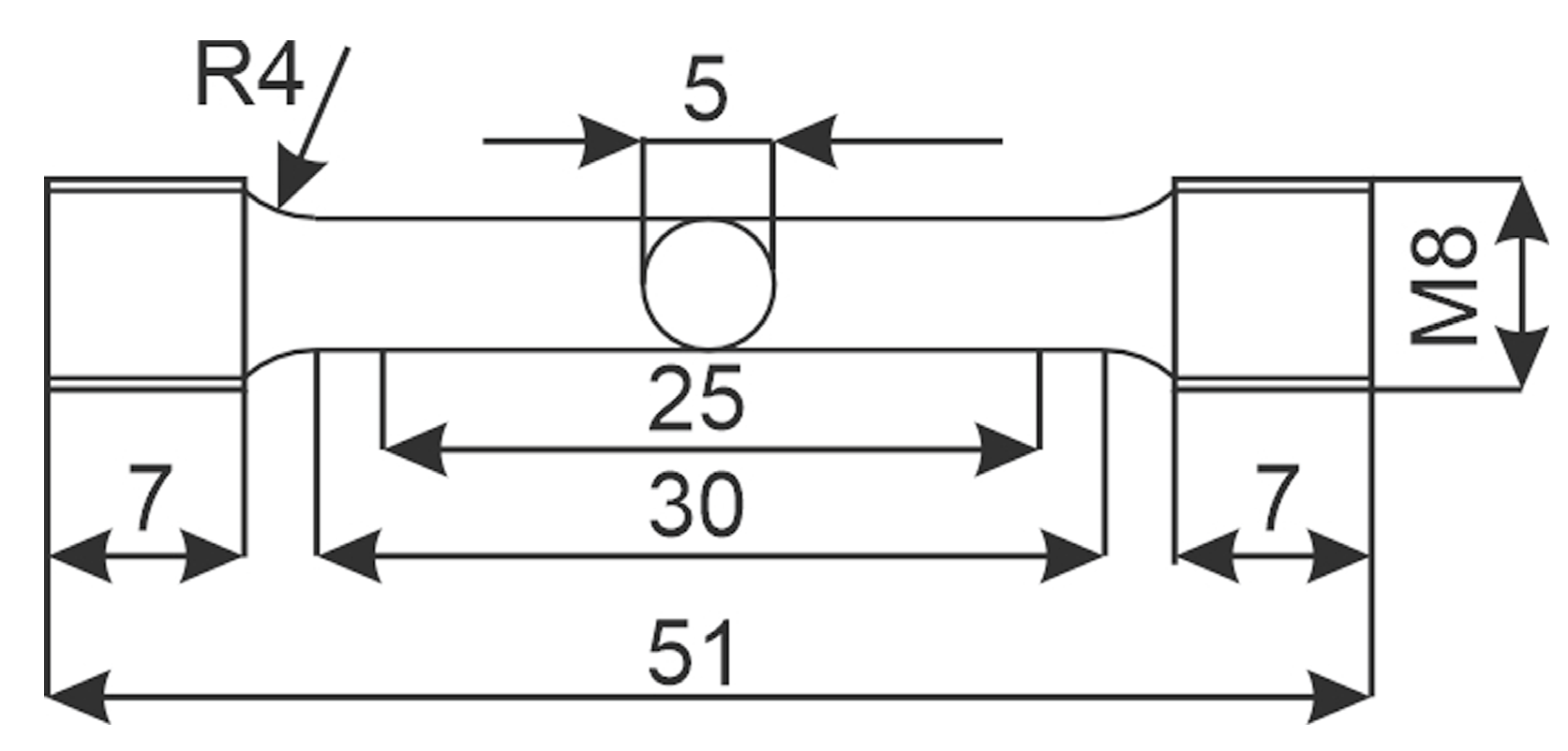
2.5. Testing Device and SENB Specimen
3. Results
3.1. Results of Tensile Test, Charpy Impact Test and Hardness Measurement
3.2. Results of Fracture Toughness and Resistance Curve
3.2.1. Results of the Normalization Method
3.2.2. Results of the Compliance Method
3.2.3. Results of the Multi-Specimen Method
3.2.4. Determination of KIC According to the ASTM E399 Standard
3.3. Crack Measurement and Fractography of the Fracture Surfaces
4. Discussion
5. Conclusions
Author Contributions
Funding
Institutional Review Board Statement
Informed Consent Statement
Data Availability Statement
Conflicts of Interest
Nomenclatures
| EPFM | elastic–plastic fracture mechanics |
| BM | base material |
| HAZ | heat affected zone |
| WM | weld metal |
| LEFM | linear–elastic fracture mechanics |
| SENB | single edge notch bend specimen |
| CMOD | crack mouth opening displacement |
| KJIC | critical stress intensity factor at cleavage fracture |
| KIC | plane strain fracture toughness (critical stress intensity factor under plane strain condition) |
| KQ | conditional fracture toughness value |
| δ | crack tip opening displacement |
| JIC | critical J–integral required to initiate growth of a pre-existing crack under plane strain condition |
| Jel | value of the elastic J–integrals |
| Jpl | value of the plastic J–integrals |
| Apl | the area bounded by the P–CMOD curve and the line of relief |
| δel | elastic part of crack tip opening displacement |
| δpl | plastic part of crack tip opening displacement |
| vi | projectile speed |
| Rp0.2 | yield strength |
| Rm | ultimate tensile strength |
| σy | mean value of yield stress Rp0.2 |
| A5 | elongation to Failure |
| CVN | charpy V–notch |
| AC3 | the temperature at which the transformation of ferrite into austenite is complete |
| P | force obtained by testing |
| ∆ap | increasing crack length |
| a0 | origin crack size |
| ap | physical crack length |
| Pm | nominal limit force |
| PQ | load at which crack initiation is assumed to occur |
| B | thickness of specimen |
| W | specimen width |
| aN | notch length |
| N | notch width |
| bo | remaining ligament |
| z | the thickness of the support knives placed at the location of CMOD measurements |
References
- Perović, Z. Zavarene Konstrukcije, 1st ed.; Obod: Cetinje, Montenegro; Faculty of Mechanical Engineering of Podgorica, University of Montenegro: Podgorica, Montenegro, 2002; Volume 1, p. 451. [Google Scholar]
- Gao, H.; Wu, Y.F.; Li, C.Q. Performance of normalization method for steel with different strain hardening levels and effective yield strengths. Eng. Fract. Mech. 2019, 218, 106594. [Google Scholar] [CrossRef]
- Gerić, K. Prsline u Zavarenim Spojevima; University of Novi Sad: Novi Sad, Serbia, 2005. [Google Scholar]
- Anderson, T.L. SSC-345—Part 1: Elastic-Plastic Fracture Mechanics—A Critical Review; Ship Structure Committee: Washington, DC, USA, 1990; p. 145. [Google Scholar]
- Zu, Y.Z.; Cao, Y.G.; Zhen, Y.; Li, F.G.; Wu, G. Determination on the fracture toughness of the welded joints of X80 pipeline steels based on small punch test. Eng. Fract. Mech. 2023, 291, 109525. [Google Scholar] [CrossRef]
- Wang, H.W.; Jia, M.D.; Yang, X.Y.; Wang, Y.J.; Yu, R.C.; Wu, Z.M. Determination of fracture toughness of concrete based on actual critical crack length: Theoretical model and experimental validation. Eng. Fract. Mech. 2025, 318, 110966. [Google Scholar] [CrossRef]
- ASTM E1820-20ae1; Standard Test Method for Measurement of Fracture Toughness. ASTM: West Conshohocken, PA, USA, 2020.
- Zhu, X.-K. Determination of Constraint-Independent Crack Tip Opening Angle for Stable Crack Growth in High-Strength Ductile Steels. Materials 2025, 18, 1051. [Google Scholar] [CrossRef]
- Sedmak, A. Structural Integrity Assessment Using Fracture Mechanics. Integritet Vek Konstrukcija 2001, 1, 67–73. [Google Scholar]
- Li, Y.Z.; Omacht, D.; Yu, F.; Sun, M.C. A new spherical indentation approach to determine fracture toughness of high strength steels. Eng. Fract. Mech. 2022, 272, 108695. [Google Scholar] [CrossRef]
- Saxena, A.; Kumaraswamy, A.; Dwivedi, S.P.; Srivastava, A.K.; Maurya, N.K. Experimental and computational investigation on dynamic fracture toughness behavior of multi-pass SMA armor steel weldments. Theor. Appl. Fract. Mec. 2020, 106, 102502. [Google Scholar] [CrossRef]
- Trajkovski, J.; Kunc, R.; Pepel, V.; Prebil, I. Flow and fracture behavior of high-strength armor steel PROTAC 500. Mater. Des. 2015, 66, 37–45. [Google Scholar] [CrossRef]
- Gao, H.; Li, C.Q.; Wang, W.G.; Wang, Y.L.; Zhang, B.H. Factors affecting the agreement between unloading compliance method and normalization method. Eng. Fract. Mech. 2020, 235, 107146. [Google Scholar] [CrossRef]
- Gao, H.; Wang, W.G.; Wang, Y.L.; Zhang, B.H.; Li, C.Q. A modified normalization method for determining fracture toughness of steel. Fatigue Fract. Eng. Mater. Struct. 2021, 44, 568–583. [Google Scholar] [CrossRef]
- Dzugan, J.; Viehrig, H.W. Application of the normalization method for the determination of J–R curves. Mater. Sci. Eng. A 2004, 387, 307–311. [Google Scholar] [CrossRef]
- Zhu, X.K.; Joyce, J.A. J-resistance curve testing of HY80 steel using SE(B) specimens and normalization method. Eng. Fract. Mech. 2007, 74, 2263–2281. [Google Scholar] [CrossRef]
- de Menezes, J.T.O.; Ipiña, J.E.P.; Castrodeza, E.M. Normalization method for J-R curve determination using SENT specimens. Eng. Fract. Mech. 2018, 199, 658–671. [Google Scholar] [CrossRef]
- Cimpoeru, S.J. The Mechanical Metallurgy of Armour Steels; Land Division, Defence Science and Technology Group: Fishermans Bend, VIC, Australia, 2016; DST-Group Number TR-3305; AR number 016-722. [Google Scholar]
- Iqbal, M.A.; Senthil, K.; Sharma, P.; Gupta, N.K. An investigation of the constitutive behavior of Armox 500T steel and armor piercing incendiary projectile material. Int. J. Impact Eng. 2016, 96, 146–164. [Google Scholar] [CrossRef]
- Poplawski, A.; Kedzierski, P.; Morka, A. Identification of Armox 500T steel failure properties in the modeling of perforation problems. Mater. Des. 2020, 190, 108536. [Google Scholar] [CrossRef]
- Garasic, I.; Jurica, M.; Iljkic, D.; Barisic, A. Determination of Ballistic Properties on Armox 500t Steel Welded Joint. Eng. Rev. 2019, 39, 186–196. [Google Scholar] [CrossRef]
- Fras, T.; Roth, C.C.; Mohr, D. Fracture of high-strength armor steel under impact loading. Int. J. Impact Eng. 2018, 111, 147–164. [Google Scholar] [CrossRef]
- Fras, T.; Roth, C.C.; Mohr, D. Dynamic perforation of ultra-hard high-strength armor steel: Impact experiments and modeling. Int. J. Impact Eng. 2019, 131, 256–271. [Google Scholar] [CrossRef]
- Gooch, W.; Showalter, D.; Burkins, M.; Montgomery, J.; Squillacioti, R.; Nichols, A.; Martin, L.; Bailey, R.; Swiatek, G. Development and Ballistic Testing of a New Class of Auto-Tempered High Hard Steels under Military Specification Mil-Dtl-46100e. In Proceedings of the TMS 2009 138th Annual Meeting & Exhibition—Supplemental Proceedings: General Paper Selections, San Francisco, CA, USA, 15–19 February 2009; Volume 3, pp. 321–328. [Google Scholar]
- Lešnjak, M.; Kosec, B.; Karpe, B.; Janjić, G.; Gojić, M.; Bernetič, J.; Kosec, G. Thermal properties of armour steel protac 600. In Proceedings of the 15th International Conference on Accomplishments in Mechanical and Industrial Engineering (DEMI 21), Banja Luka, Bosnia and Herzegovina, 28–29 May 2021; pp. 363–367. [Google Scholar]
- Bernetič, J.; Kosec, G.; Ažman, S.; Marčetič, M.; Podlipec, B.; Kosec, B.; Nagode, A.; Kosec, L.; Goič, M.; Rimac, M.; et al. Protac 500—Armored steel of new generation. In Proceedings of the 10th Scientific-Research Symposium with International Participation Metallic and Nonmetallic Materials, Bugojno, Bosnia and Herzegovina, 24–25 April 2025; pp. 127–140. [Google Scholar]
- da Luz, F.S.; Lima, E.P.; Louro, L.H.L.; Monteiro, S.N. Ballistic Test of Multilayered Armor with Intermediate Epoxy Composite Reinforced with Jute Fabric. Mater. Res. 2015, 18, 170–177. [Google Scholar] [CrossRef]
- Laharnar, T. Balistično Preizkušanje Jekla PROTAC 500. Ph.D. Thesis, University of Maribor, Faculty of Mechanical Engineering, Maribor, Slovenia, 2016. [Google Scholar]
- EN ISO 6892-1; Metallic Materials—Tensile Testing—Part 1: Method of Test at Room Temperature. European Committee for Standardization: Brussels, Belgium, 2019; p. 87.
- EN ISO 6507-1; Metallic Materials—Vickers Hardness Test—Part 1: Test Method. European Committee for Standardization: Brussels, Belgium, 2023; p. 42.
- EN ISO 148-1; Metallic Materials—Charpy Pendulum Impact Test—Part 1: Test Method. European Committee for Standardization: Brussels, Belgium, 2016; p. 29.
- Barbosa, V.S.; Ruggieri, C. J-resistance curve testing of a pressure vessel steel and a clad pipe girth weld using clamped SE(T) specimens and the normalization method. Eng. Fract. Mech. 2021, 258, 108052. [Google Scholar] [CrossRef]
- Creel, J.A.; Stover, S.M.; Martin, R.B.; Fyhrie, D.R.; Hazelwood, S.J.; Gibeling, J.C. Compliance calibration for fracture testing of anisotropic biological materials. J. Mech. Behav. Biomed. 2009, 2, 571–578. [Google Scholar] [CrossRef] [PubMed][Green Version]
- Tang, J.K.; Liu, Z.; Shi, S.W.; Chen, X. Evaluation of fracture toughness in different regions of weld joints using unloading compliance and normalization method. Eng. Fract. Mech. 2018, 195, 1–12. [Google Scholar] [CrossRef]
- Biswal, S.; Singh, G. Determination of fracture toughness and traction-separation relation in Mode I/II of a natural quasi-brittle orthotropic composite using multi-specimen approach. Eng. Fract. Mech. 2023, 282, 109163. [Google Scholar] [CrossRef]
- Chen, X.; Serrano, M.; Hernández, R.; Lu, D.; Sokolov, M.A.; De Vicente, S.M.G.; Katoh, Y. Influence of fatigue precracking and specimen size on Master Curve fracture toughness measurements of EUROFER97 and F82H steels. Nucl. Mater. Energy 2023, 34, 101393. [Google Scholar] [CrossRef]
- Maweja, K.; Stumpf, W. Fracture and ballistic-induced phase transformation in tempered martensitic low-carbon armour steels. Mater. Sci. Eng. A 2006, 432, 158–169. [Google Scholar] [CrossRef]
- ASTM E399-22; Standard Test Method for Linear-Elastic Plane-Strain Fracture Toughness of Metallic Materials. ASTM: West Conshohocken, PA, USA, 2012; pp. 1–39.
- Nassar, A.; Fayyad, E. Linear and Non-Linear Stress Analysis for Prediction of Fracture Toughness for Brittle and Ductile Material using ASTM E399 and ASTM E1290 By ANSYS Program package. IOP Conf. Ser. Mater. Sci. Eng. 2019, 579, 012050. [Google Scholar] [CrossRef]
- Gietl, H.; Olbrich, S.; Riesch, J.; Holzner, G.; Höschen, T.; Coenen, J.W.; Neu, R. Estimation of the fracture toughness of tungsten fibre-reinforced tungsten composites. Eng. Fract. Mech. 2020, 232, 107011. [Google Scholar] [CrossRef]
- Kumar, S.M.; Pramod, R.; Kumar, M.E.S.; Govindaraju, H.K. Evaluation of Fracture Toughness and Mechanical Properties of Aluminum Alloy 7075, T6 with Nickel Coating. Procedia Eng. 2014, 97, 178–185. [Google Scholar] [CrossRef]
- Gludovatz, B.; Naleway, S.E.; Ritchie, R.O.; Kruzic, J.J. Size-dependent fracture toughness of bulk metallic glasses. Acta Mater. 2014, 70, 198–207, Erratum in Acta Mater. 2014, 80, 507. [Google Scholar] [CrossRef]
- Jafari, A.; Ma, L.Y.; Shahmansouri, A.A.; Dugnani, R. Quantitative fractography for brittle fracture via multilayer perceptron neural network. Eng. Fract. Mech. 2023, 291, 109545. [Google Scholar] [CrossRef]
- Möser, M. Fractography with the SEM (Failure Analysis) Materials Science. In Electron Microscopy in Solid State Physics; Bethge, H., Heydenreich, J., Eds.; Elsevier: Amsterdam, The Netherlands, 1987; pp. 366–385. [Google Scholar]
- Paun, M.-A.; Paun, V.-A.; Paun, V.-P. Fractal Analysis and Time Series Application in ZY-4 SEM Micro Fractographies Evaluation. Fractal Fract. 2022, 6, 458. [Google Scholar] [CrossRef]
- Lintner, A.; Pippan, R.; Schloffer, M.; Hohenwarter, A. Quasi-static and dynamic fracture toughness of a γ-TiAl alloy: Measurement techniques, fractography and interpretation. Eng. Fract. Mech. 2021, 258, 108081. [Google Scholar] [CrossRef]






















| Material | Ultimate Tensile Strength Rm (MPa) | Literatures |
|---|---|---|
| Weldox 700 | 849 | Gao et al. 2019 [2], Gao et al. 2021 [14] |
| 10Crmo9-10-D | 846 | Dzugan and Wiehrig 2004 [15] |
| SFA | 608 | Dzugan and Wiehrig 2004 [15] |
| HY80 | 735 | Zhu and Joyce 2007 [16] |
| HSLA | 500 | Menezes et al. 2018 [17] |
| C | Si | Mn | P | S | Cr | Ni | Cu | Mo |
|---|---|---|---|---|---|---|---|---|
| 0.28 | 0.91 | 0.72 | 0.006 | 0.002 | 0.69 | 0.14 | 0.20 | 0.30 |
| Yield Strength Rp0.2 (MPa) | Ultimate Tensile Strength Rm (MPa) | Elongation A5 (%) | Impact Energy CVN (J) | Brinell Hardness HB | |
|---|---|---|---|---|---|
| 1200 | 1600 | 8 | 20 | at −40 °C | 480–530 |
| Dimensions | Index [mm] | P01 | P02 | P03 | P04 | P05 | P06 |
|---|---|---|---|---|---|---|---|
| Width | W | 39.40 | 39.40 | 39.50 | 39.40 | 39.40 | 38.50 |
| Thickness | B | 19.20 | 19.20 | 19.10 | 19.20 | 19.20 | 19.20 |
| Notch length | aN | 13.15 | 13.15 | 13.11 | 13.10 | 13.16 | 12.72 |
| Notch width | N | 0.30 | 0.30 | 0.30 | 0.30 | 0.30 | 0.30 |
| Specimen | Yield Strength Rp0.2 (MPa) | Ultimate Tensile Strength Rm (MPa) | Elongation A5 (%) | Contraction of the Cross-Section Z (%) |
|---|---|---|---|---|
| TT-1 | 1320 | 1702 | 12 | 53 |
| TT-2 | 1293 | 1665 | 11 | 51.5 |
| TT-3 | 1295 | 1667 | 11 | 52 |
| Average | 1302 | 1677 | 11.3 | 52 |
| Standard deviation | 15 | 21 | 1 | 1 |
| Specimen | Impact Toughness KV (J/cm2) | Total Impact Energy Et (J) | Energy for Initiation Ei (J) | Energy for Propagation Ep (J) |
|---|---|---|---|---|
| CHV-1 | 50.7 | 31 | 24 | 7 |
| CHV-2 | 50.3 | 28 | 21 | 7 |
| CHV-3 | 49.9 | 28 | 22 | 6 |
| Average | 50.3 | 29 | 22.3 | 6.7 |
| Standard deviation | 0.4 | 1.7 | 1.5 | 0.6 |
| Measurement Point | Hardness (HV10) | Measurement Point | Hardness (HV10) |
|---|---|---|---|
| 1 | 527 | 6 | 533 |
| 2 | 522 | 7 | 526 |
| 3 | 543 | 8 | 533 |
| 4 | 543 | 9 | 539 |
| 5 | 534 | 10 | 535 |
| Average | 533.5 | ||
| Min. value | 522 | ||
| Max. value | 543 | ||
| Standard deviation | 7.02 |
| Specimen | a0F (mm) | a0B (mm) | a0 (mm) | R-Ratio (-) | f0 (Hz) | f1 (Hz) | N (-) |
|---|---|---|---|---|---|---|---|
| P01 | 20.339 | 19.171 | 19.755 | 0.1 | 63.80 | 56.40 | 624,992 |
| P02 | 20.985 | 19.572 | 20.279 | 0.1 | 64.50 | 57.66 | 684,729 |
| P03 | 19.434 | 20.700 | 20.067 | 0.1 | 60.76 | 55.20 | 502,610 |
| P04 | 21.597 | 19.612 | 20.604 | 0.1 | 60.70 | 55.22 | 517,690 |
| P05 | 18.500 | 19.950 | 19.225 | 0.1 | 60.61 | 56.50 | 481,370 |
| P06 | 18.759 | 20.745 | 19.756 | 0.1 | 59.90 | 53.38 | 454,940 |
| Specimens | JIC (kJ/m2) | KJIC (MPa m1/2) | δIC (mm) |
|---|---|---|---|
| P01 | 53.70 | 112.49 | 0.0214 |
| P02 | 64.96 | 123.72 | 0.0236 |
| P03 | 49.25 | 107.73 | 0.0172 |
| P04 | 54.46 | 113.28 | 0.0201 |
| Average | 55.59 | 114.30 | 0.0205 |
| Standard deviation | 6.65 | 6.73 | 0.0026 |
| Specimen | Pm [N] |
|---|---|
| P01 | 33,015 |
| P02 | 33,923 |
| P03 | 32,237 |
| P04 | 33,454 |
| P05 | 36,754 |
| Specimen | JIC [kJ/m2] | KJIC [MPa m1/2] | δIC [mm] |
|---|---|---|---|
| P01 | 52.06 | 110.76 | 0.0190 |
| P02 | 65.01 | 123.77 | 0.0236 |
| P03 | 47.36 | 105.64 | 0.0172 |
| P04 | 54.85 | 113.69 | 0.0201 |
| P05 | 50.32 | 108.89 | 0.0184 |
| Average | 53.92 | 112.55 | 0.0196 |
| Standard deviation | 6.76 | 6.91 | 0.0024 |
| Multi-Specimen Method | JIC (kJ/m2) | KJIC (MPa m1/2) | δIC (mm) |
| 43.35 | 101.07 | 0.0161 |
| Specimen | JIC (kJ/m2) | KIC (MPa m1/2) |
|---|---|---|
| P05 | 51.84 | 105.87 |
| KIC (MPa m1/2) | KJIC (MPa m1/2) | |||
|---|---|---|---|---|
| ASTM E399 | ASTM E1820 | |||
| Specimen | Normalization Method | Compliance Method | Multi-Specimen Method | |
| P01 | - | 112.49 | 110.76 | 101.07 |
| P02 | - | 123.72 | 123.77 | |
| P03 | - | 107.73 | 105.64 | |
| P04 | - | 113.28 | 113.69 | |
| P05 | 105.87 | - | 108.89 | |
Disclaimer/Publisher’s Note: The statements, opinions and data contained in all publications are solely those of the individual author(s) and contributor(s) and not of MDPI and/or the editor(s). MDPI and/or the editor(s) disclaim responsibility for any injury to people or property resulting from any ideas, methods, instructions or products referred to in the content. |
© 2025 by the authors. Licensee MDPI, Basel, Switzerland. This article is an open access article distributed under the terms and conditions of the Creative Commons Attribution (CC BY) license (https://creativecommons.org/licenses/by/4.0/).
Share and Cite
Manjgo, M.; Glodež, S.; Lojen, G.; Vuherer, T. Determination of Fracture Toughness and Resistance Curves by Three Methods on Armoured Steel. J. Manuf. Mater. Process. 2025, 9, 212. https://doi.org/10.3390/jmmp9070212
Manjgo M, Glodež S, Lojen G, Vuherer T. Determination of Fracture Toughness and Resistance Curves by Three Methods on Armoured Steel. Journal of Manufacturing and Materials Processing. 2025; 9(7):212. https://doi.org/10.3390/jmmp9070212
Chicago/Turabian StyleManjgo, Mirza, Srečko Glodež, Gorazd Lojen, and Tomaž Vuherer. 2025. "Determination of Fracture Toughness and Resistance Curves by Three Methods on Armoured Steel" Journal of Manufacturing and Materials Processing 9, no. 7: 212. https://doi.org/10.3390/jmmp9070212
APA StyleManjgo, M., Glodež, S., Lojen, G., & Vuherer, T. (2025). Determination of Fracture Toughness and Resistance Curves by Three Methods on Armoured Steel. Journal of Manufacturing and Materials Processing, 9(7), 212. https://doi.org/10.3390/jmmp9070212

