Optimization of Selective Laser Sintering Three-Dimensional Printing of Thermoplastic Polyurethane Elastomer: A Statistical Approach
Abstract
1. Introduction
2. Literature Review
- I.
- This study experimentally examines the effect of process parameters (layer thickness and the laser power ratio) on four distinct responses (density, hardness, modulus of elasticity, and time to create the parts) during the SLS process of TPU flexa black powder.
- II.
- Empirical equations were formulated for every response using experimental data.
- III.
- The optimization of responses (maximum density, maximum hardness, maximum modulus of elasticity, and minimum time) was achieved using RSM.
- IV.
- A comparative analysis of the surface morphology of the SLS product was performed using optical microscope and scanning electron microscope images.
3. Methodology
3.1. Materials and Instruments
3.2. Experimental Design
3.3. Response Surface Methodology for Optimization
3.4. Response Optimizer
4. Results and Discussion
4.1. Experimental Results Obtained for the Designed Dataset
4.2. Response Surface Regression—Time vs. Layer Thickness and Laser Power Ratio
2.75 Laser Power Ratio × Laser Power Ratio + 173.1 Layer Thickness × Laser Power Ratio
4.3. Response Surface Regression—Hardness vs. Layer Thickness and Laser Power Ratio
Thickness + 0.12 Laser Power Ratio × Laser Power Ratio + 19.6 Layer Thickness × Laser Power Ratio
4.4. Response Surface Regression—Modulus of Elasticity vs. Layer Thickness and Laser Power
Thickness + 0.052 Laser Power Ratio × Laser Power Ratio + 2.62 Layer Thickness × Laser Power Ratio
4.5. Response Surface Regression—Density vs. Layer Thickness and Laser Power
Thickness − 0.0033 Laser Power Ratio × Laser Power Ratio + 0.206 Layer Thickness × Laser Power Ratio
4.6. Response Optimizer—Time, Hardness, Modulus of Elasticity, and Density vs. Layer Thickness and Laser Power Ratio
4.7. Model Validation
4.8. Microscopic Analysis of the Samples
4.9. Scanning Electron Microscope (SEM) Analysis of the Samples
5. Conclusions
Author Contributions
Funding
Data Availability Statement
Acknowledgments
Conflicts of Interest
References
- Gibson, I.; Rosen, D.; Stucker, B. Additive Manufacturing Technologies Additive Manufacturing Technologies: 3D Printing, Rapid Prototyping, and Direct Digital Manufacturing; Springer: New York, NY, USA, 2015. [Google Scholar]
- Sillani, F.; Kleijnen, R.G.; Vetterli, M.; Schmid, M.; Wegener, K. Selective laser sintering and multi jet fusion: Process-induced modification of the raw materials and analyses of parts performance. Addit. Manuf. 2019, 27, 32–41. [Google Scholar] [CrossRef]
- Sepasgozar, S.M.; Shi, A.; Yang, L.; Shirowzhan, S.; Edwards, D.J. Additive manufacturing applications for industry 4.0: A systematic critical review. Buildings 2020, 10, 231. [Google Scholar] [CrossRef]
- Attaran, M. ScienceDirect The rise of 3-D printing: The advantages of additive manufacturing over traditional manufacturing. Bus. Horiz. 2017, 60, 677–688. [Google Scholar] [CrossRef]
- Bourell, D.; Kruth, J.P.; Leu, M.; Levy, G.; Rosen, D.; Beese, A.M.; Clare, A. Materials for additive manufacturing. CIRP Ann. 2017, 66, 659–681. [Google Scholar] [CrossRef]
- Younes, H.; Kuang, X.; Lou, D.; DeVries, B.; Rahman, M.M.; Hong, H.J.M.R.B. Magnetic-field-assisted DLP stereolithography for controlled production of highly aligned 3D printed polymer-Fe3O4@ graphene nanocomposites. Mater. Res. Bull. 2022, 154, 111938. [Google Scholar] [CrossRef]
- Bikas, H.; Stavropoulos, P.; Chryssolouris, G. Additive manufacturing methods and modelling approaches: A critical review. Int. J. Adv. Manuf. Technol. 2016, 83, 389–405. [Google Scholar] [CrossRef]
- Wohlers, T. Wohlers Report 2005, Rapid Prototyping, Tooling and Manufacturing: State of the Industry; Annual Worldwide Progress Report; ASTM: West Conshohocken, PA, USA, 2004; Volume 342. [Google Scholar]
- Kruth, J.P.; Mercelis, P.; Van Vaerenbergh, J.; Froyen, L.; Rombouts, M. Binding mechanisms in selective laser sintering and selective laser melting. Rapid Prototyp. J. 2005, 11, 26–36. [Google Scholar] [CrossRef]
- Kruth, J.-P.; Wang, X.; Laoui, T.; Froyen, L. Lasers and materials in selective laser sintering. Assem. Autom. 2003, 23, 357–371. [Google Scholar] [CrossRef]
- Yadroitsev, I.; Bertrand, P.; Smurov, I. Parametric analysis of the selective laser melting process. Appl. Surf. Sci. 2007, 253, 8064–8069. [Google Scholar] [CrossRef]
- Raghunath, N.; Pandey, P.M. Improving accuracy through shrinkage modelling by using Taguchi method in selective laser sintering. Int. J. Mach. Tools Manuf. 2007, 47, 985–995. [Google Scholar] [CrossRef]
- Verbelen, L.; Dadbakhsh, S.; Van den Eynde, M.; Strobbe, D.; Kruth, J.-P.; Goderis, B.; Van Puyvelde, P.J.A.M. Analysis of the material properties involved in laser sintering of thermoplastic polyurethane. Addit. Manuf. 2017, 15, 12–19. [Google Scholar] [CrossRef]
- Desai, S.M.; Sonawane, R.Y.; More, A.P.J.P.f.A.T. Thermoplastic polyurethane for three-dimensional printing applications: A review. Polym. Adv. Technol. 2023, 34, 2061–2082. [Google Scholar] [CrossRef]
- Sharma, V.S.; Singh, S.; Sachdeva, A.; Kumar, P. Influence of sintering parameters on dynamic mechanical properties of selective laser sintered parts. Int. J. Mater. Form. 2015, 8, 157–166. [Google Scholar] [CrossRef]
- Dingal, S.; Pradhan, T.; Sundar, J.S.; Choudhury, A.R.; Roy, S. The application of Taguchi’s method in the experimental investigation of the laser sintering process. Int. J. Adv. Manuf. Technol. 2008, 38, 904–914. [Google Scholar] [CrossRef]
- Negi, S.; Dhiman, S.; Sharma, R.K. Investigating the surface roughness of SLS fabricated glass-filled polyamide parts using response surface methodology. Arab. J. Sci. Eng. 2014, 39, 9161–9179. [Google Scholar] [CrossRef]
- Calignano, F.; Manfredi, D.; Ambrosio, E.; Iuliano, L.; Fino, P. Influence of process parameters on surface roughness of aluminum parts produced by DMLS. Int. J. Adv. Manuf. Technol. 2013, 67, 2743–2751. [Google Scholar] [CrossRef]
- Sachdeva, A.; Singh, S.; Sharma, V.S. Investigating surface roughness of parts produced by SLS process. Int. J. Adv. Manuf. Technol. 2013, 64, 1505–1516. [Google Scholar] [CrossRef]
- Negi, S.; Sharma, R.K. Study on shrinkage behaviour of laser sintered PA 3200GF specimens using RSM and ANN. Rapid Prototyp. J. 2016, 22, 645–659. [Google Scholar] [CrossRef]
- Enzi, A.; Mynderse, J.A. Optimization of process parameters applied to a prototype selective laser sintering system. In Proceedings of the ASME International Mechanical Engineering Congress and Exposition, Tampa, FL, USA, 3–9 November 2017; p. V002T002A022. [Google Scholar]
- Singh, S.; Sachdeva, A.; Sharma, V.S. Optimization of selective laser sintering process parameters to achieve the maximum density and hardness in polyamide parts. Prog. Addit. Manuf. 2017, 2, 19–30. [Google Scholar] [CrossRef]
- Sharma, V.; Singh, S. To Study the Effect of SLS Parameters for Dimensional Accuracy. In Proceedings of the Advances in Materials Processing: Select Proceedings of ICFMMP 2019; Springer: Singapore, 2020; pp. 165–173. [Google Scholar]
- Sohrabpoor, H.; Negi, S.; Shaiesteh, H.; Ahad, I.; Brabazon, D. Optimizing selective laser sintering process by grey relational analysis and soft computing techniques. Optik 2018, 174, 185–194. [Google Scholar] [CrossRef]
- Zhuang, Y.; Guo, Y.; Li, J.; Jiang, K.; Yu, Y.; Zhang, H.; Liu, D. Preparation and laser sintering of a thermoplastic polyurethane carbon nanotube composite-based pressure sensor. RSC Adv. 2020, 10, 23644–23652. [Google Scholar] [CrossRef] [PubMed]
- Negi, S.; Dhiman, S.; Sharma, R.K. Determining the effect of sintering conditions on mechanical properties of laser sintered glass filled polyamide parts using RSM. Measurement 2015, 68, 205–218. [Google Scholar] [CrossRef]
- Idriss, A.I.; Li, J.; Guo, Y.; Wang, Y.; Li, X.; Zhang, Z.; Elfaki, E.A. Sintering quality and parameters optimization of sisal fiber/PES composite fabricated by selective laser sintering (SLS). J. Thermoplast. Compos. Mater. 2022, 35, 1632–1646. [Google Scholar] [CrossRef]
- Kim, D.; Zohdi, T. Tool path optimization of selective laser sintering processes using deep learning. Comput. Mech. 2022, 69, 383–401. [Google Scholar] [CrossRef]
- Linares, J.-m.; Chaves-Jacob, J.; Lopez, Q.; Sprauel, J.-M. Fatigue life optimization for 17-4Ph steel produced by selective laser melting. Rapid Prototyp. J. 2022, 28, 1182–1192. [Google Scholar] [CrossRef]
- Bajaj, P.; Wright, J.; Todd, I.; Jägle, E.A. Predictive process parameter selection for Selective Laser Melting Manufacturing: Applications to high thermal conductivity alloys. Addit. Manuf. 2019, 27, 246–258. [Google Scholar] [CrossRef]
- Han, J.; Li, Z.; Sun, Y.; Cheng, F.; Zhu, L.; Zhang, Y.; Zhang, Z.; Wu, J.; Wang, J. Surface Roughness and Biocompatibility of Polycaprolactone Bone Scaffolds: An Energy-Density-Guided Parameter Optimization for Selective Laser Sintering. Front. Bioeng. Biotechnol. 2022, 10, 888267. [Google Scholar] [CrossRef]
- Le, D.; Nguyen, C.H.; Pham, T.H.N.; Nguyen, V.T.; Pham, S.M.; Le, M.T.; Nguyen, T.T. Optimizing 3D printing process parameters for the tensile strength of thermoplastic polyurethane plastic. J. Mater. Eng. Perform. 2023, 1–12. [Google Scholar] [CrossRef]
- Yuan, Y.; Sung, C. Programmable Stiffness and Applications of 3D Printed TPU Grid Lattices. In Proceedings of the International Design Engineering Technical Conferences and Computers and Information in Engineering Conference; American Society of Mechanical Engineers: New York, NY, USA, 2021; p. V08AT08A016. [Google Scholar]
- Pan, R.; Yang, L.; Zheng, L.; Hao, L.; Li, Y.J.M.R.E. Microscopic morphology, thermodynamic and mechanical properties of thermoplastic polyurethane fabricated by selective laser sintering. Mater. Res. Express 2020, 7, 055301. [Google Scholar] [CrossRef]
- Roy, R.; Ghosh, S.K.; Kaisar, T.I.; Ahmed, T.; Hossain, S.; Aslam, M.; Kaseem, M.; Rahman, M.M. Multi-response optimization of surface grinding process parameters of AISI 4140 alloy steel using response surface methodology and desirability function under dry and wet conditions. Coatings 2022, 12, 104. [Google Scholar] [CrossRef]
- St, L.; Wold, S. Analysis of variance (ANOVA). Chemom. Intell. Lab. Syst. 1989, 6, 259–272. [Google Scholar]
- Bezerra, M.A.; Santelli, R.E.; Oliveira, E.P.; Villar, L.S.; Escaleira, L.A. Response surface methodology (RSM) as a tool for optimization in analytical chemistry. Talanta 2008, 76, 965–977. [Google Scholar] [CrossRef] [PubMed]
- Soukup, J.; Krmela, J.; Krmelová, V.; Skočilasová, B.; Artyukhov, A. FEM model of structure for weightlifting in CrossFit in terms of material parameters. Manuf. Technol. 2019, 9, 321–326. [Google Scholar] [CrossRef]














| Optimized Parameters | Optimized Output | Technique Used | Ref. |
|---|---|---|---|
| Bed temperature, scan spacing, laser power, scan count, and hatch length | Damping parameter, glass transition temperature, storage modulus, and loss modulus | CCD, RSM | [15] |
| Laser pulse on time, scan speed, laser power density, layer thickness, interval–spot, powder size, and stepping distance | Density, porosity, and hardness | Taguchi method, ANOVA | [16] |
| Bed temperature, laser power, scan spacing, scan length, and scan speed | Surface roughness | CCD, RSM, and ANOVA | [17] |
| Laser power, hatching distance, and scan speed | Surface roughness | Taguchi method, ANOVA | [18] |
| Bed temperature, scan spacing, scan count, laser power, and hatch length | Surface roughness | CCD, RSM, and ANOVA | [19] |
| Bed temperature, laser power, scan spacing, scan length, and scan speed | Shrinkage | CCD, RSM, ANN, and ANOVA | [20] |
| Layer depth, speed, forward step, side step, and platform temperature | Crack width and surface roughness | RSM, GA | [21] |
| Bed temperature, laser power, scan count, scan spacing, and hatch length | Density, hardness | CCD, RSM, and ANOVA | [22] |
| Bed temperature, laser power, scan spacing, and scan count | Dimensional accuracy | CCD, RSM, and ANOVA | [23] |
| Laser power, bed temperature, scan length, scan spacing, and scan velocity | Elongation, tensile strength | ANFIS, SA algorithm, and GRA | [24] |
| Layer thickness, scan spacing, and laser power | Tensile strength | Box–Behnken design (BBD), ANOVA | [25] |
| Bed temperature, laser power, layer thickness, orientation, and scan spacing | Elongation, yield strength, ultimate tensile strength, and young’s modulus | CCD, RSM, and ANOVA | [26] |
| Preheating temperature, scanning speed, and laser power | Mechanical properties and dimensional accuracy | Synthesis weighted scoring method | [27] |
| Laser speed and scan speed | Surface hardness, top surface, and side surface roughness | ANOVA, RSM | [26] |
| Laser scanning speed, scanning space, and laser power | Compactness | ANOVA, RSM | [27] |
| Laser speed, laser power, and hatch spacing | Elongation, ultimate stress, yield strength, and area under the stress–strain curve | RSM | [28] |
| Tool path | Integrity of structure | Deep learning | [28] |
| Laser power, laser travel speed, hatch spacing, and laser defocusing | Fatigue life | DOE, RSM | [29] |
| Hatch spacing, layer thickness, exposure time, and point distance | Porosity | DOE, RSM | [30] |
| Laser power and scanning speeds | Dimensional accuracy, mechanical strength, and surface properties | ANOVA, comparative analysis | [31] |
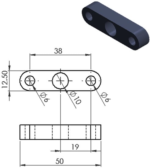
| Length | Width | Thickness |
|---|---|---|
| 50 mm | 12.50 mm | 9 mm |
| Properties | Value |
|---|---|
| Material type | TPU |
| Tensile strength | 3.7 MPa |
| Elongation at break | 137% |
| Melting point | 160 °C |
| Granulation | 20–105 μm |
| Material refreshing ratio | 0% |
| Hit’s suppressing | 100% |
| Abrasion resistance | 63% |
| Young’s modulus | 47.2 MPa |
| Hardness | 80/90 (A Shore scale) |
| SCODE File | 10.SCODE |
|---|---|
| Material | Flexa Black (More Flexible) |
| Layer height | 0.20 mm |
| Laser power multiplier | 1 |
| Surface temperature offset | 0 °C |
| Total model layer count | 68 |
| Model volume | 4.44 cm3 |
| Estimated powder needed in feed bed (height) | 3.6 cm |
| Estimated powder needed in feed bed (volume) | 1.46 L |
| Total print height | 1.90 cm |
| Refresh powder needed after print (volume) | 0.00 L |
| Estimated total print time | 1 h 56 min |
| Estimated warm-up time | 0 h 24 min |
| Estimated active print time | 0 h 55 min |
| Estimated cool-down time | 0 h 35 min |
| SI. No. | Input Parameters | Fixed Value |
|---|---|---|
| 1 | Grain size | 0.065 mm |
| 2 | Scan spacing | 0.075 mm |
| 3 | Scan rate | 80 mm/h |
| SI. No. | Input Parameters | Level 1 | Level 2 | Level 3 | Level 4 |
|---|---|---|---|---|---|
| 1 | Laser power ratio, lpr | 1 | 1.5 | 2 | - |
| 2 | Layer thickness, d | 0.075 mm | 0.125 mm | 0.150 mm | 0.200 mm |
| Serial | Layer Thickness (mm) | Laser Power Ratio | Time (min) | Hardness (Shore A) | Modulus of Elasticity (MPa) | Density (g/cm3) |
|---|---|---|---|---|---|---|
| 1 | 0.075 | 1 | 193 | 97.5 | 2.15 | 1.1504 |
| 2 | 0.075 | 1.5 | 195 | 97 | 2.09 | 1.1284 |
| 3 | 0.075 | 2 | 206 | 96 | 2.03 | 1.1064 |
| 4 | 0.125 | 1 | 138 | 97 | 2.09 | 1.1113 |
| 5 | 0.125 | 1.5 | 152 | 95.5 | 1.97 | 1.109 |
| 6 | 0.125 | 2 | 170 | 94 | 1.86 | 1.0966 |
| 7 | 0.15 | 1 | 128 | 100 | 2.32 | 1.0423 |
| 8 | 0.15 | 1.5 | 144 | 95 | 2.02 | 1.0645 |
| 9 | 0.15 | 2 | 162 | 91 | 1.78 | 1.0866 |
| 10 | 0.2 | 1 | 116 | 93.5 | 1.94 | 1.0244 |
| 11 | 0.2 | 1.5 | 134 | 95.5 | 1.97 | 1.0087 |
| 12 | 0.2 | 2 | 151 | 97 | 2.09 | 0.993 |
| 13 | 0.075 | 1 | 190 | 97 | 2.09 | 1.1645 |
| 14 | 0.075 | 1.5 | 197 | 95.5 | 1.97 | 1.1367 |
| 15 | 0.075 | 2 | 202 | 94 | 1.86 | 1.1089 |
| 16 | 0.125 | 1 | 132 | 97.5 | 2.15 | 1.1109 |
| 17 | 0.125 | 1.5 | 145 | 95 | 2.02 | 1.1041 |
| 18 | 0.125 | 2 | 162 | 93.5 | 1.94 | 1.0971 |
| 19 | 0.15 | 1 | 122 | 95 | 2.02 | 1.0511 |
| 20 | 0.15 | 1.5 | 140 | 92.5 | 1.91 | 1.0655 |
| 21 | 0.15 | 2 | 155 | 90 | 1.76 | 1.0798 |
| 22 | 0.2 | 1 | 110 | 94.5 | 1.88 | 1.0219 |
| 23 | 0.2 | 1.5 | 128 | 94 | 1.86 | 1.0057 |
| 24 | 0.2 | 2 | 144 | 93 | 1.83 | 0.9869 |
| Source | DF | Adj SS | Adj MS | F-Value | p-Value |
|---|---|---|---|---|---|
| Model | 5 | 18,741.3 | 3748.3 | 183.30 | <0.0001 |
| Linear | 2 | 16,551.3 | 8275.7 | 404.70 | <0.0001 |
| Layer Thickness | 1 | 13,443.3 | 13,443.3 | 657.41 | <0.0001 |
| Laser Power Ratio | 1 | 3108.1 | 3108.1 | 151.99 | <0.0001 |
| Square | 2 | 1946.5 | 973.3 | 47.59 | <0.0001 |
| Layer Thickness × Layer Thickness | 1 | 1944.0 | 1944.0 | 95.07 | <0.0001 |
| Laser Power × Laser Power Ratio | 1 | 2.5 | 2.5 | 0.12 | 0.7300 |
| 2-Way Interaction | 1 | 243.4 | 243.4 | 11.90 | 0.0030 |
| Layer Thickness × Laser Power Ratio | 1 | 243.4 | 243.4 | 11.90 | 0.0030 |
| Error | 18 | 368.1 | 20.4 | ||
| Lack-of-Fit | 6 | 168.1 | 28.0 | 1.68 | 0.2090 |
| Pure Error | 12 | 200.0 | 16.7 | ||
| Total | 23 | 19,109.3 | |||
| Model Summary | S | R-sq | R-sq (adj) | R-sq (pred) | |
| 4.52204 | 98.07% | 97.54% | 96.61% |
| Source | DF | Adj SS | Adj MS | F-Value | p Value |
|---|---|---|---|---|---|
| Model | 5 | 50.889 | 10.1778 | 2.89 | 0.0440 |
| Linear | 2 | 44.747 | 22.3736 | 6.36 | 0.0082 |
| Layer Thickness | 1 | 10.232 | 10.2316 | 2.91 | 0.1052 |
| Laser Power Ratio | 1 | 34.516 | 34.5156 | 9.81 | 0.0061 |
| Square | 2 | 3.016 | 1.5078 | 0.43 | 0.6584 |
| Layer Thickness × Layer Thickness | 1 | 3.010 | 3.0104 | 0.86 | 0.3673 |
| Laser Power × Laser Power Ratio | 1 | 0.005 | 0.0052 | 0.004 | 0.9701 |
| 2-Way Interaction | 1 | 3.126 | 3.1262 | 0.89 | 0.3582 |
| Layer Thickness × Laser Power | 1 | 3.126 | 3.1262 | 0.89 | 0.3582 |
| Error | 18 | 63.351 | 3.5195 | ||
| Lack-of-Fit | 6 | 33.976 | 5.6626 | 2.31 | 0.1021 |
| Pure Error | 12 | 29.375 | 2.4479 | ||
| Total | 23 | 114.240 | |||
| Model Summary | S | R-sq | R-sq (adj) | R-sq (pred) | |
| 1.87603 | 44.55% | 29.14% | 0.002% |
| Source | DF | Adj SS | Adj MS | F-Value | p Value |
|---|---|---|---|---|---|
| Model | 5 | 0.85163 | 0.170327 | 2.88 | 0.0441 |
| Linear | 2 | 0.75314 | 0.376572 | 6.37 | 0.0082 |
| Layer Thickness | 1 | 0.17174 | 0.171738 | 2.90 | 0.1063 |
| Laser Power Ratio | 1 | 0.58141 | 0.581406 | 9.83 | 0.0061 |
| Square | 2 | 0.04259 | 0.021293 | 0.36 | 0.7024 |
| Layer Thickness × Layer Thickness | 1 | 0.04167 | 0.041667 | 0.70 | 0.4121 |
| Laser Power ratio × Laser Power Ratio | 1 | 0.00092 | 0.000919 | 0.02 | 0.9023 |
| 2-Way Interaction | 1 | 0.05590 | 0.055904 | 0.95 | 0.3442 |
| Layer Thickness × Laser Power ratio | 1 | 0.05590 | 0.055904 | 0.95 | 0.3442 |
| Error | 18 | 1.06422 | 0.059123 | ||
| Lack-of-Fit | 6 | 0.54682 | 0.091136 | 2.11 | 0.1271 |
| Pure Error | 12 | 0.51740 | 0.043117 | ||
| Total | 23 | 1.91585 | |||
| Model Summary | S | R-sq | R-sq (adj) | R-sq (pred) | |
| 0.243152 | 44.45% | 29.02% | 0.001% |
| Source | DF | Adj SS | Adj MS | F-Value | p Value |
|---|---|---|---|---|---|
| Model | 5 | 0.054272 | 0.010854 | 41.41 | 0.0001 |
| Linear | 2 | 0.052531 | 0.026265 | 100.19 | 0.0001 |
| Layer Thickness | 1 | 0.051608 | 0.051608 | 196.87 | 0.0001 |
| Laser Power Ratio | 1 | 0.000923 | 0.000923 | 3.52 | 0.0772 |
| Square | 2 | 0.001397 | 0.000699 | 2.67 | 0.0973 |
| Layer Thickness × Layer Thickness | 1 | 0.001394 | 0.001394 | 5.32 | 0.0331 |
| Laser Power ratio × Laser Power Ratio | 1 | 0.000004 | 0.000004 | 0.01 | 0.9084 |
| 2-Way Interaction | 1 | 0.000344 | 0.000344 | 1.31 | 0.2672 |
| Layer Thickness × Laser Power ratio | 1 | 0.000344 | 0.000344 | 1.31 | 0.2672 |
| Error | 18 | 0.004719 | 0.000262 | ||
| Lack-of-Fit | 6 | 0.004481 | 0.000747 | 37.69 | 0.0745 |
| Pure Error | 12 | 0.000238 | 0.000020 | ||
| Total | 23 | 0.058991 | |||
| Model Summary | S | R-sq | R-sq (adj) | R-sq (pred) | |
| 0.0161911 | 92.00% | 89.78% | 85.51% |
| Response | Goal | Lower | Target | Upper | Weight | Importance |
|---|---|---|---|---|---|---|
| Density | Maximum | 0.9869 | 1.165 | 1 | 1 | |
| Modulus of Elasticity | Maximum | 1.76 | 2.32 | 1 | 1 | |
| Hardness | Maximum | 90 | 100 | 1 | 1 | |
| Time | Minimum | 110 | 206 | 1 | 1 |
| Layer Thickness (mm) | Laser Power Ratio | Density Fit (g/cm3) | Elasticity Fit (MPa) | Hardness Fit (HA) | Time Fit (min) | Composite Desirability |
|---|---|---|---|---|---|---|
| 0.109 | 1.00 | 1.122 | 2.09 | 96.96 | 152.63 | 0.67 |
| Optimal Printing Parameters | Optimal Responses | Absolute Error (%) | |||||||||||
|---|---|---|---|---|---|---|---|---|---|---|---|---|---|
| Experimental Value | Predicted Value | ||||||||||||
| Layer Thickness (mm) | Laser Power Ratio | Density (g/cm3) | Elasticity (MPa) | Hardness (SA) | Time (min) | Density (g/cm3) | Elasticity (MPa) | Hardness (SA) | Time (min) | Density (g/cm3) | Elasticity (MPa) | Hardness (SA) | Time (min) |
| 0.11 | 1.00 | 1.153 | 2.17 | 100 | 159.84 | 1.122 | 2.09 | 96.96 | 152.63 | 2.69 | 3.69 | 3.04 | 4.51 |
| Sample No. | Layer Thickness (mm) | Laser Power Ratio | Time (Min) | Hardness (SA) | Modulus of Elasticity (MPa) | Density (gm/cm3) |
|---|---|---|---|---|---|---|
| 1 | 0.075 | 1 | 193 | 97.5 | 2.15 | 1.1504 |
| 5 | 0.075 | 2 | 206 | 96 | 2.03 | 1.1064 |
| 2 | 0.125 | 1 | 138 | 97 | 2.09 | 1.1113 |
| 6 | 0.125 | 2 | 170 | 94 | 1.86 | 1.0966 |
| 3 | 0.15 | 1 | 128 | 100 | 2.32 | 1.0423 |
| 7 | 0.15 | 2 | 162 | 91 | 1.78 | 1.0866 |
| 4 | 0.2 | 1 | 116 | 93.5 | 1.94 | 1.0244 |
| 8 | 0.2 | 2 | 151 | 97 | 2.09 | 0.993 |
Disclaimer/Publisher’s Note: The statements, opinions and data contained in all publications are solely those of the individual author(s) and contributor(s) and not of MDPI and/or the editor(s). MDPI and/or the editor(s) disclaim responsibility for any injury to people or property resulting from any ideas, methods, instructions or products referred to in the content. |
© 2023 by the authors. Licensee MDPI, Basel, Switzerland. This article is an open access article distributed under the terms and conditions of the Creative Commons Attribution (CC BY) license (https://creativecommons.org/licenses/by/4.0/).
Share and Cite
Rahman, M.M.; Ahmed, K.A.; Karim, M.; Hassan, J.; Roy, R.; Bustami, B.; Alam, S.M.N.; Younes, H. Optimization of Selective Laser Sintering Three-Dimensional Printing of Thermoplastic Polyurethane Elastomer: A Statistical Approach. J. Manuf. Mater. Process. 2023, 7, 144. https://doi.org/10.3390/jmmp7040144
Rahman MM, Ahmed KA, Karim M, Hassan J, Roy R, Bustami B, Alam SMN, Younes H. Optimization of Selective Laser Sintering Three-Dimensional Printing of Thermoplastic Polyurethane Elastomer: A Statistical Approach. Journal of Manufacturing and Materials Processing. 2023; 7(4):144. https://doi.org/10.3390/jmmp7040144
Chicago/Turabian StyleRahman, Md Mahfuzur, Kazi Arman Ahmed, Mehrab Karim, Jakir Hassan, Rakesh Roy, Bayazid Bustami, S. M. Nur Alam, and Hammad Younes. 2023. "Optimization of Selective Laser Sintering Three-Dimensional Printing of Thermoplastic Polyurethane Elastomer: A Statistical Approach" Journal of Manufacturing and Materials Processing 7, no. 4: 144. https://doi.org/10.3390/jmmp7040144
APA StyleRahman, M. M., Ahmed, K. A., Karim, M., Hassan, J., Roy, R., Bustami, B., Alam, S. M. N., & Younes, H. (2023). Optimization of Selective Laser Sintering Three-Dimensional Printing of Thermoplastic Polyurethane Elastomer: A Statistical Approach. Journal of Manufacturing and Materials Processing, 7(4), 144. https://doi.org/10.3390/jmmp7040144

