Next Article in Journal
U-Space Utilisation of Airspace under Various Layer Function Assignments and Allocations
Next Article in Special Issue
Decomposition and Modeling of the Situational Awareness of Unmanned Aerial Vehicles for Advanced Air Mobility
Previous Article in Journal
Joint Trajectory Planning, Service Function Deploying, and DAG Task Scheduling in UAV-Empowered Edge Computing
Previous Article in Special Issue
Automated Drone Battery Management System—Droneport: Technical Overview
 
 
Font Type:
Arial Georgia Verdana
Font Size:
Aa Aa Aa
Line Spacing:
Column Width:
Background:
Article

Development of an Automatic Solar Tracker Control System for a Tandem-Winged UAV and Its Implementation Strategies

by
Yazdi Ibrahim Jenie
*,
Gerald Yohanes Pardomoan
and
Mochammad Agoes Moelyadi
Faculty of Mechanical and Aerospace Engineering, Institut Teknologi Bandung, Ganesha 10, Bandung 40132, Indonesia
*
Author to whom correspondence should be addressed.
Drones 2023, 7(7), 442; https://doi.org/10.3390/drones7070442
Submission received: 6 March 2023 / Revised: 27 April 2023 / Accepted: 2 May 2023 / Published: 5 July 2023
(This article belongs to the Special Issue Conceptual Design, Modeling, and Control Strategies of Drones-II)

Abstract

Solar power is a popular option for powering Unmanned Aerial Vehicles (UAVs) due to its ability to provide power for long-endurance flight. However, solar-powered UAVs face challenges, including operational reliability problems. To address their operational reliability issues, this paper proposes an automatic solar tracker system and tests two implementation strategies for controlling a tandem-winged and solar-powered UAV, developed by the Faculty of Mechanical and Aerospace Engineering, Institut Teknologi Bandung. Due to its unconventional configuration, a mathematical model for the UAV is developed to evaluate the vehicle’s dynamic characteristics. Based on these, three feedback control systems are designed, i.e., roll attitude control, a heading tracker, and a solar tracker. Two implementation strategies are proposed to combine the control systems, i.e., the mode-switching and the simultaneous tracking strategies. A series of simulations are then conducted to check the vehicle’s overall flight performance, as well as the gathering of solar energy. The mode-switching strategy was able to gather up to 13% more solar energy than the simultaneous strategy, which could only reach slightly above 2%. Mode-switching, however, resulted in a shorter range compared to the latter, due to the time spent in the charging mode, flying in a circular pattern.

1. Introduction

Solar power is a highly preferred option for developing High-Altitude Long-Endurance (HALE) Unmanned Aerial Vehicles (UAVs), due to its ability to provide power for prolonged periods. With the rising use of UAVs for various civilian purposes, endurance has become a crucial performance feature, allowing the UAV to operate for longer durations, cover greater distances, and carry out multiple tasks. As most systems in a UAV are electrically powered, the challenge of increasing endurance is primarily related to the battery life cycle or finding alternative means of providing electrical power on board. In the case of HALE UAVs, which may require extreme endurance of days or months, an in-flight power charging/harvesting system is essential. Therefore, solar power generators that use solar panels to capture energy from the sun and convert it into electricity may be the only viable solution. A few examples of this solar-powered UAV that have been developed around the world include the AtlantikSolar by ETH Zurich [1], Zephir by Airbus [2], Solara 50 by Alta Devices [3], Helios by AeroVironment [4,5], Global Observer by AeroVironment [6], and Sunseeker by Aurora Flight Sciences [7].
Several challenges, however, still exist for those solar-powered UAVs, including the additional weight of the solar panel and its system, the overall system cost, and most importantly, its operational reliability. The performance of solar panels is highly dependent on their operating environment, which is not exactly in line with the flight environment of a UAV. Night operation, for instance, is probably the most obvious hindrance to the effective use of a solar panel system. Encounters with clouds or other obstructions that can block sunlight, or operating at high altitudes where the air temperature is less than the minimum panel operational temperature, can also reduce the solar panel’s performance. Furthermore, the UAV’s long hours of operation would also create challenges since it would mean a continuous change in the angle at which the sunlight strikes the solar panels (incidence angle).
To address these operational reliability issues, the solar-powered UAV’s design typically employs solutions such as utilizing large wings to increase the area for solar panels, integrating solar power systems with batteries, and optimizing the vehicle attitude and flight path for more sun exposure. Most solar-powered UAVs utilize large solar panels that span across the top of their high-aspect-ratio wings, such as on the Solar Impulse 2 [8] or the ApusDuo [9]. The size of their solar panels can guarantee electricity generation even in low-light conditions or when shadows are present. If the UAV is also required to fly at night, solar panels in combination with traditional batteries are commonly used. This allows the drone to switch between solar power and other sources of energy as needed, depending on the availability of sunlight and the power usage of the vehicle. Another alternative, used in vehicles such as the Zephyr drone, is to optimize the flight path in a way that can maximize the amount of sunlight it receives [10,11,12]. Furthermore, attitude optimization can also be employed, where the vehicle orients its wing planform towards the sun and maximizes the amount of sunlight that the panels receive to improve their efficiency.
Using attitude or flight path optimization for gathering sunlight is not a common approach for solar-powered UAVs, as it requires a specific strategy and control design to be implemented while conducting its intended mission. For example, in a monitoring and surveying mission, the method would directly interfere with the pre-determined flight path. Mode-switching between charging and continuing the mission would likely be required. Adjusting the attitudes, particularly the banking angle, can enable the aircraft to maximize sunlight gathering while continuing its original mission. However, there is a limit to how much banking can occur before the UAV deviates too far from the intended path. In these cases, the flight missions, as well as the UAV characteristics, need to be considered closely to find the correct implementation strategy for attitude or flight path optimization.
Therefore, research the design of an automatic solar tracker system for a UAV, as well as determination of its implementation strategies, is conducted and elaborated upon in this paper. For the case study, this research uses the tandem-winged and solar-powered HALE UAV developed by the Faculty of Mechanical and Aerospace Engineering (FTMD), Institut Teknologi Bandung, which has been developed since 2018, and is scheduled to be flight tested in mid-2023 [13]. Due to its unconventional configuration (tandem-winged high-aspect-ratio aircraft [14,15]), a unique dynamic model for the UAV is developed first, before designing the solar tracker control law. Two main implementation strategies are then determined. The first is the mode-switching strategy, where the UAV switches between mission mode to sunlight gathering mode in the event of a drained battery. The other is the continuous tracking strategy, where the vehicle tracks the sunlight by adjusting its banking angle, while continuing its mission. Both strategies are focused on the vehicle’s lateral/directional modes and assume sufficient longitudinal mode stability. A series of simulations is then conducted to compare the strategies and check the overall performance in sunlight gathering.
This research makes a dual contribution to the field. Firstly, it presents a comparative study of two solar-tracking strategies for a High-Altitude Long-Endurance (HALE) Unmanned Aerial Vehicle (UAV), which is designed for extended surveillance missions. This study forms the basis for the hardware configuration of the real control system of the HALE UAV, including the sensor system, computer system, and actuators. Secondly, the research develops a model and a simulator for an unconventional UAV, which has a triple-fuselage design and tandem wings and features unique lateral control using differential thrust. This second part is also one of the key components in the development of the simulator for the HALE project. Overall, this research provides valuable insights into solar tracking strategies and advances in unconventional UAV modeling and simulation, with practical applications in the FTMD’s HALE UAV projects.

2. Case Study: The FTMD’s HALE ITB V4 1:2

FTMD’s HALE UAV development project, initiated in 2016, has produced four iterations through a continuous design process. The latest version, HALE ITB V4 1:2, features a tandem-winged design and is intended for operation at altitudes between 20,000 and 50,000 feet, with a planned flight time of over 24 h. Despite the ongoing development of the final product, as it can be observed in Figure 1, several prototypes have been tested including the 1:2 scale model that is the focus of this research.

2.1. General Specification

The HALE ITB V4 1:2 scaled prototype [13] was developed to conduct thorough flight experiments, specifically to evaluate the configuration of the solar panel system and its automatic flight control system. This prototype represents a significant milestone in the ongoing development of the HALE ITB V4 and provides valuable insight into the performance of the system. A three-view drawing, accompanied by its geometry specifications, is shown in Table 1 and Figure 2.
The HALE ITB V4 1:2 features an unconventional design, including its tandem-winged high-aspect-ratio wings and the supporting triple fuselages and vertical tailplanes. This unique configuration was adopted to increase aerodynamic efficiency, thus prolonging the vehicle’s endurance at higher altitudes, and to provide a large platform for the installation of solar panels. For flight control, the UAV utilizes conventional elevator and ailerons to regulate its pitch and roll movement, and uses differential thrust from its two propellers, instead of a rudder, to control yawing.

2.2. Forces and Moments

The dynamic model consists of the derivation of forces and moments acting on the UAV. The model considers contributions from various aspects, including aerodynamics, propulsion, control, and weight and inertia. The unconventional configuration of the UAV, including its tandem-winged design, triple fuselage, and differential thrust control, required several special considerations in the USAF DATCOM modeling process.
The total forces ( F ¯ ) and moments ( M ¯ ) acting on the vehicle were then summarized in its body frame of reference, presented in Equations (1) and (2):
F ¯ = F ¯ A + F ¯ P + F ¯ W ,
M ¯ = M ¯ A + M ¯ P ,
where the superscripts A, P, and W represent the aspects of aerodynamics, propulsion, and weight and inertia, respectively.

2.2.1. Aerodynamic Characteristics

The aerodynamic modeling of the HALE ITB V4 1:2 is based on USAF DAT-COM software derivations. Due to its unconventional design, simplifications were made to match the capabilities of the software. The tandem wings were modeled as straight tapered wing and horizontal tail plane (HTP) pairs, while the three fuselages and vertical tailplanes (VTP) were represented as a single central fuselage and a tailplane in the DATCOM model. Using the control card BUILD, the Wing and HTP were computed together, to retain the downwash effect, while the fuselage (Body) and the VTP were calculated individually. The Body and VTP results were then multiplied by three and added to the Wing and HTP results to obtain the whole vehicle’s aerodynamic characteristics. Interference effects between bodies and vertical tails were neglected. Figure 3a–f present the vehicle aerodynamic coefficients of forces and moments in a straight and steady flight, in an aerodynamic frame of reference. These includes the forces of drag, side force, and lift ( C D , C Y , C L ), and the moments of roll, pitch, and yaw ( C , C m , C n ). The coefficient variation with respect to each dominant aerodynamic angle ( α , β ) and state of the control surfaces ( δ e ) is also depicted. In the occurrence of rotational rates ( p , q , r ) during flight, additional coefficients are shown in Table 2.
Aerodynamic forces and moments ( F ¯ A , M ¯ A ) in the vehicle body frame of reference were then obtained using Equations (3) and (4):
F ¯ A = 1 2 ρ V s 2 S r e f C b a [ C D { α } + C D q q ^ C Y { β , δ a } + C Y p p ^ + C Y r r ^ C L { α , δ e } + C L q q ^ ] ,
M ¯ A = 1 2 ρ V s 2 S r e f [ b ( C { β , δ a } + C p p ^ + C r r ^ ) c ¯ ( C m { α , δ e } + C m q q ^ ) b ( C n { β , δ a } + C n p p ^ + C n r r ^ ) ] ,
where the reference area ( S r e f ) and reference lengths ( c ¯ , b ) are as specified in Table 1. The atmosphere’s dynamic pressure was set based on the steady-state longitudinal flight, where the air density at a cruising altitude of 3000 ft km is 1.207 kg/m3, and the vehicle airspeed V is 10 m/s. The directional cosine matrix C b a is as presented in Equation (5):
C b a = [ cos α cos β cos α sin β sin α sin β cos β 0 sin α cos β sin α sin β cos α ] ,
which is a vector transformation from the vehicle’s aerodynamics to the body frame of reference.

2.2.2. Propulsion Characteristics

The HALE ITB V4 1:2 is powered by two electric motors, each powering a separate propeller. The propulsion system generates a forward thrust that is in line with the vehicle’s x-axis. Due to their placement ( r ¯ p 1 , r ¯ p 2 ) on the rear wings, which is away from the center of gravity, the propellers also generate rotational moments around the y-axis, inducing pitch. When the thrust from the propellers is unequal, it results in a yawing moment that enables the vehicle to steer in a different direction. This ability is utilized in the differential thrust control system, which serves as an alternative to a traditional rudder. Figure 4 shows the HALE ITB V4 1:2 propulsion system configuration, in which the left thrust is increased while the right decreased, generating yawing moment at the center of gravity to the right.
Figure 5 presents the forces and moments of the propulsion system in straight and steady flight. The forces are derived from the thrust specification on the motor–propeller system shown in Figure 4 with variation in the control throttle ( δ t ). Here, the data have been adjusted for the designated airspeed and altitude.
The moments around the vehicle’s y- and z-axes were determined via cross operation of the position vector of each propeller with the force vector, as represented in Equations (6) and (7):
F ¯ P = [ 2 T { δ T , u } 0 0 ] ,
M ¯ P = r ¯ p 1 × [ T { δ T , u } 0 0 ] + r ¯ p 2 × [ T { δ T , u } 0 0 ] = [ 0 z p ( T { δ T 1 , u } + T { δ T 2 , u } ) y p ( T { δ T 1 , u } T { δ T 2 , u } ) ] ,
where the throttle of each motor ( δ T 1 , δ T 2 ) is tied to the thrust differential control, δ d T , as in Equation (8):
δ T 1 = δ T s + δ d T δ T 2 = δ T s δ d T
functions of the steady state thrust δ T s .

2.2.3. Weight and Inertia Characteristics

The weight and inertia characteristics were assumed to be constant during the whole analysis in this research, where the total mass was 24.9 kg. The center of gravity data was taken from the latest result of CG experiments, which resulted in x C G = 0.86   m , from the nose. Since this position was used as the centroid in the following analysis, the weight did not contribute to the moment.
The forces from weight, hence, can be expressed as in Equation (9):
F ¯ W = C b h [ 0 0 m g ] ,
where C b h is the directional cosine matrix (DCM) used to transform vectors from the local-horizon axis, where the vehicle flies, to the body axis, using Equation (10):
C b h = [ cos θ cos ψ cos θ sin ψ sin θ sin φ sin θ cos ψ cos φ sin ψ sin φ sin θ sin ψ + cos φ cos ψ sin φ cos θ cos φ sin θ cos ψ + cos φ sin ψ cos φ sin θ sin ψ sin φ cos ψ cos φ cos θ ] ,
which is based on the three Euler orientation angles ( φ , θ , ψ ).
The Inertia from the CG was computed using SolidWorks software, based on the total volume and average density of the UAV. The gravity acceleration ( g ) was also assumed to be constant at a sea level value of 9.80665   m / s 2 . The inertia tensor, I , is as shown in Equation (11):
I = [ I x I x y I x z I x y I y I y z I x z I y z I z ] = [ 79.33 0 8.42 0 37.22 0 8.42 0 111.96 ]   kg m 2 .

2.3. Non-Linear Equation of Motion

The equation of motion is derived from the Newtonian equation of motion for a rotating axis in three-dimensional space, with reference to the HALE UAV body fixed frame. It assumes a rigid body, constant mass, constant gravity acceleration, and a flat Earth. The equation of motion is expressed as translational and rotational motions, shown in Equations (12) to (14):
V ¯ ˙ = F ¯ m ω ¯ × V ¯ ,
ω ¯ ˙ = I 1 [ M ¯ ω ¯ × I ω ¯ ] ,
[ φ ˙ θ ˙ ψ ˙ ] = [ 1 sin φ tan θ cos φ tan θ 0 cos φ sin φ 0 sin φ cos θ cos φ cos θ ] ω ¯ ,
which are accompanied by the kinematics equation for Euler angles ( φ , θ , ψ ), expressed in Equation (10). Resultant of forces and moments ( F ¯ , M ¯ ), along with the mass ( m ) and inertia ( I ), are as described throughout the previous sections. The body axis components of the translational velocity ( V ¯ ) and rotational rate ( ω ¯ ) vectors are:
V ¯ = [ u v w ] T ,
ω ¯ = [ p q r ] T .
To simulate the HALE ITB V4 1:2, Equations (1)–(16) are represented using Simulink block sets, as illustrated in Figure 6. The translational and rotational accelerations were first calculated, followed by numerical integrations, to obtain the corresponding velocities and positions. The simulation employed the Fixed-Step Runge–Kutta method for numerical integration. The Solar & Environment block in Figure 6 represents the Local Solar Model, the equations for which are explained in Section 3.1.
To check the dynamics of HALE ITB V4 1:2, a series of simulations were carried out using the built Simulink model. The focus of these simulations was on the lateral–directional mode, in which the solar tracking control system was designed for the vehicle. A steady straight symmetric flight with adequate longitudinal stability was assumed at the beginning of the simulation. An aileron input of 1 degree for 5 s was given to excite the dynamic of the side slip angle, roll angle, roll rate, and yaw rate, as shown in Figure 7. Based on the simulation results, HALE ITB V4 1:2 has inadequate stability in the lateral–directional motion, where the side slip angle cannot be kept small. Therefore, it is necessary to provide an augmentation damper system for vehicle roll-rates, which will be detailed later in the automatic control system design section.

2.4. Linear Equation of Motion

Using the same forces and moments data, a linear model for the HALE ITB V4 1:2 can also be derived. The main use for this linear model is to derive the feedback gain used in the lateral–directional control design, which is explained in detail in Section 3. Furthermore, the general stability of the vehicle mode can also be derived from the state-space form of the linear model.
Equation (17) below:
x ˙ ¯ = A x ¯ + B u ¯ ,
where:
x ¯ = [ β φ p ^ r ^ ψ ] T ,   u ¯ = [ δ a δ d T ] T ,
A = [ 0.015 0.491 0.033 6.661 0 0 0 6.667 0 0 0.317 0 7.613 0.981 0 0.022 0 0.948 0.044 0 0 0 0 6.667 0 ] ,
B = [ 0 0 0 0 0.93 5.278 0.047 0.069 0 0 ] ,
shows the lateral–directional state space form of the linear equation of motion for the HALE ITB V4 1:2, which was derived under steady flight conditions at an altitude of 3000 ft (air density of 1.121 kg/m3) at a 20 m/s speed. This derivation is a common process in flight dynamics that can be observed in [16].
The dynamic stability parameters can be derived directly from the A matrix, as presented in Table 3. The resulting values are similar to the dynamics observed in the non-linear model simulation in Figure 7. As shown in Table 3, all the characteristics roots are stable. However, since one of the characteristics roots is a neutral root with harmonic oscillation, while two others have long settling time, a stability augmentation system might be warranted.

3. Automatic Solar Tracking System for HALE UAV

This section presents the design of an automatic solar tracking control system for the HALE ITB V4 1:2, aimed at maximizing energy production during flight. The system is designed to maintain the solar incidence angle ( μ s o l a r ), the angle between the sunrays’ vector and the line normal to the solar panel surface, as close to zero as possible. To accomplish this, an automatic solar tracker control system is proposed, which will track the sun’s rays by adjusting the vehicle’s roll attitude, allowing it to bank and keep its wing surface as close to perpendicular to the incidence angle as possible. Figure 8 shows this control scheme, in comparison with common solar panels with trackers, while Figure 9 shows the angle geometric definitions required in the latter solar model derivation.
To conduct a simulation-based analysis, two additional control systems must be defined before the automatic solar tracking system can be used in conjunction with them. The first one is the roll attitude controller, or wing leveler, which automatically keeps the wings in a level position, while improving the vehicle’s lateral–directional stability. The second component is a heading tracking system, which is the UAV mission system that ensures that the UAV flies in the correct direction. This section will discuss both control systems, as well as the local solar model, before moving on to the design and strategies for the solar tracking system.

3.1. Local Solar Model

The position of the sun, in terms of its altitude and azimuth angles, changes depending on the latitude and longitude of a location, as well as the time of day and year [17,18]. Since the HALE ITB V4 1:2 is designed to fly for long hours, it will experience these changes in the sun’s position. The local solar model will provide the necessary information about the solar ray’s incidence angle ( μ s o l a r ), at any given time, enabling the control system to make necessary adjustments to the orientation of its wings, by using it as the reference roll angle ( φ r e f f ). Angles geometric definition can be observed in Figure 9.
The solar ray’s incidence angle ( μ s o l a r ) is modeled similarly to that in [18], as presented in the following:
μ s o l a r = cos 1 ( cos ( ε s u r f ) sin ( θ s o l a r ) + sin ( ε s u r f ) cos ( θ s o l a r ) cos ( | ϕ s o l a r χ s u r f | ) ) ,
in which it will be dependent on the solar panels’ surface orientations as well as the sun’s angles in relation to the local surface. The solar panel orientations angle, i.e., the surface tilt angle ( ε s u r f ), and the wall angle ( χ s u r f ) represent the HALE ITB’s roll ( φ ) and heading ( ψ ) attitudes, respectively. The sun’s angles, i.e., the solar altitude angle ( θ s o l a r ) and the azimuth angle ( ϕ s o l a r ), were calculated based on the day of the year ( d ), local time ( t A S T ), and latitudes ( ϕ ) at which the vehicle operates, as described in Equations (22)–(24):
ϕ s o l a r = cos 1 ( cos ( δ s o l a r ) ( cos ( ϕ ) tan ( δ s o l a r ) cos ( ϕ ) cos ( δ s o l a r ) cos ( 15 t A S T ) ) cos ( θ s o l a r ) ) ,
θ s o l a r = sin 1 ( sin ( ϕ ) sin ( δ s o l a r ) cos ( ϕ ) cos ( δ s o l a r ) cos ( 15 t A S T ) ) ,
δ s o l a r = sin 1 ( 0.3978 cos ( 360 365.24 ( d + 10 ) + 360 π × 0.0167 sin ( 360 365.24 ( d 2 ) ) ) ) .
This model represents the solar radiation behavior in a localized area, which in this research, is in the area around the runway of Suleiman Air Force Base, Bandung, West Java, Indonesia. The latitude ( ϕ ) and longitude ( λ ) are 6°58′51.3″ S and 107°34′22.3″ E, respectively. The simulations, detailed later in Section 4, were conducted in March 2022 ( d 60 ), from 09.00 to 15.00 West Indonesian Time (Waktu Indonesia Bagian Barat—WIB). The Apparent Solar Time ( t A S T ) was 670 s sooner than the local time, computed using the equation of time, which is described in [19].

3.2. Roll Attitude Automatic Control System

Designing the roll attitude automatic control system for a vehicle with high-aspect-ratio tandem wings presents a challenge due to their increased susceptibility to adverse yaw and roll, which can significantly impact the vehicle’s lateral–directional stability. This characteristic is demonstrated in Figure 7, which shows significant deviations in the motion parameters.
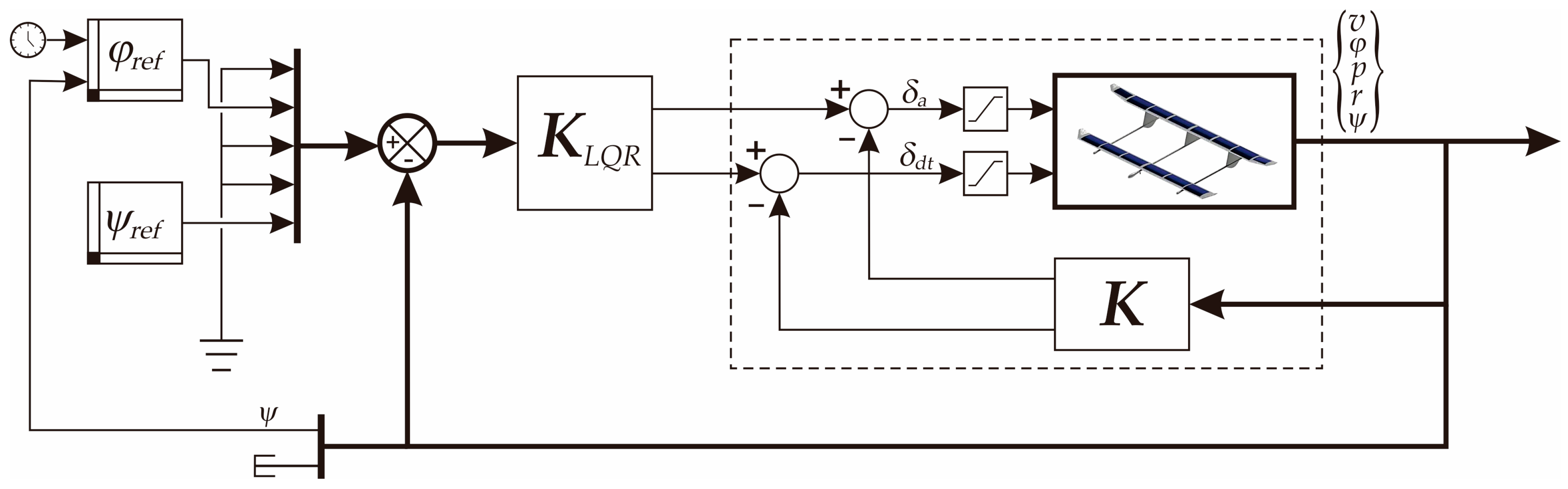
To overcome this challenge, the pole-placement method was used to utilize the vehicle’s lateral–directional parameters as feedback and regulate both the aileron and thrust differential command, as can be observed in Figure 10.
The lateral–directional parameters included the side slip angle ( β ), the roll attitude angle ( φ ), the rolling rates ( p ), the yawing rates ( r ), and the yaw angle ( ψ ). The deviation signals for each parameter were then fed back to the aileron and thrust differential command. These signals were saturated within the range of −10° to 10°, and of −20% to 20%, for the aileron and thrust differential command, respectively.
A matrix K was derived from the feedback gain that can assign the eigenvalues of the closed-loop dynamics matrix, [ A B K ] , to the value shown in Table 4. The closed-loop eigenvalues were selected based on the FAR 23 regulation, where in the Dutch roll mode (complex roots), the real roots need to be more than 0.052. There were no special regulations for other real modes, including the spiral and roll subsidence. For these, the roots were chosen so that the half-life was less than 0.25 s. Table 4 also shows the target dynamics for the closed-loop system.
The matrix K elements resulted, detailed as:
K = [ k δ a v k δ a φ k δ a p k δ a r k δ a ψ k δ d T v k δ d T φ k δ d T p k δ d T r k δ d T ψ ] ,
are described in Table 5, which will then be used as the feedback amplifier for the roll attitude control in the scheme observed in Figure 10.
Figure 11 shows the closed-loop dynamics of the HALE ITB V4 1:2 with the implementation of roll attitude control. Compared to the dynamics observed in Figure 7, the roll attitude control effectively stabilized the vehicle in its lateral-directional motions achieving settling time less than 2 s.

3.3. Heading and Solar Tracker Automatic Control Systems

The solar tracker system needs to be implemented together with the mission control system, which, in this research, is represented by a heading tracker system. Two strategies of implementation were designed and tested: the mode-switching strategy and the simultaneous strategy. The mode-switching strategy involves switching between two automatic control systems: the wing leveler and heading control (mission mode) and the solar tracking control (charging mode). The simultaneous strategy, on the other hand, simultaneously conducts both modes, such that while the UAV conducts its mission, it will also adjust the vehicle’s roll angle to face the sun as closely as possible using the solar tracking system. Figure 12 and Figure 13 show the two control strategies in block diagrams, where the previously designed roll attitude control, presented previously in Figure 10, is used as the inner-most loop for both.

3.3.1. Mode-Switching Solar Tracker Strategy

The mode-switching strategy involves switching between two automatic control systems: the heading control (mission mode) and the solar tracking control (charging mode). Figure 12 represents this switching using a Single-Pole Double-Throw Double-Break switch, alternating between the heading and the solar tracker. This is a common strategy for solar-powered UAVs, which typically include a battery cell system. Initially, the HALE UAV begins its flight with a certain battery capacity and conducts its mission until the battery is depleted. Once the battery level becomes low enough, the UAV switches to the charging mode, where it can effectively collect the sun’s rays by regulating its roll attitude.
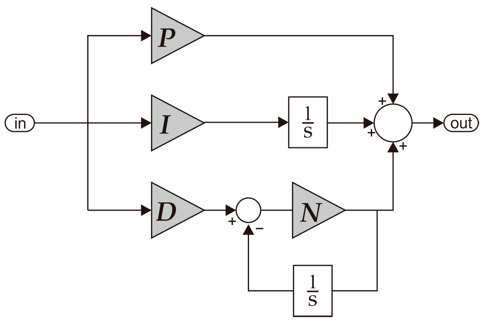
Since the modes are a Single-Input–Single-Output (SISO) feedback control system, a PID controller scheme was used for both. The heading tracker system used the vehicle heading output ( ψ ) as the feedback and compares it with the input, a scheduled reference of the heading ( ψ r e f f ). The solar tracker system, on the other hand, used the vehicle’s roll attitude ( φ ), which was already augmented from the previous roll control system. This attitude was then compared with the sun rays’ incidence angle as the reference attitude ( φ r e f f ), which was a two-dimensional lookup table database with values taken from the current time and the reference of the heading ( ψ r e f f ). The latter was used instead of the current vehicle heading to ensure that the vehicle would not drift too far away from its intended course when in charging mode.
The PID gains were searched based on direct Simulink tunings, which resulted in the values listed in Table 6. Figure 14 shows an inner block diagram for the Simulink PID block set, with the required P , I , D , and N parameters.

3.3.2. Simultaneous Solar Tracker Strategy

The simultaneous strategy utilizes both control systems, i.e., the heading tracker and the solar tracker, at once. While the HALE ITB V4 1:2 conducts its mission while regulated by the heading control, it also adjusts the vehicle’s roll attitude to orient its wing surface toward the sun as closely as possible using the solar tracking system. With this strategy, the UAV can charge its solar panel during its mission, potentially reducing the requirement for battery capacity and weight. A block diagram for this strategy is presented previously in Figure 13.
This strategy, however, may have limited usefulness due to two factors. Firstly, since the HALE ITB V4 1:2 is a high-aspect-ratio tandem-winged plane, rolling maneuvers could create high load factors on its wings and body. Secondly, rolling may cause changes in headings that conflict with the heading tracker for the mission. Nevertheless, the use of this strategy will potentially result in better energy gathering during the day.
To implement this strategy, a Linear Quadratic Regulator (LQR) control scheme was used, since it is required to accommodate multiple inputs, as can be observed in Figure 13. Two matrices, Q and R, listed in Equations (26) and (27), were derived via this scheme utilizing the linear model of the HALE ITB V4 1:2, as shown in Section 2.4. The Q-matrix is a 5 × 5 matrix with five lateral–directional states (the side slip angle ( β ), the roll attitude angle ( φ ), the rolling rates ( p ), yawing rates ( r ), and the yaw angle ( ψ )), while the R-matrix is a 2 × 2 matrix that outputs the two control inputs (aileron deflection ( δ a ) and the differential thrust ( δ d T )). With both matrices derived, the K L Q R matrix, used as the solar tracker controller in the simultaneous strategy, can be derived as presented in Equations (26)–(28):
Q = [ 10 0 0 0 0 0 10 7 0 0 0 0 0 1000 0 0 0 0 0 1000 0 0 0 0 0 10 6 ] ,
R = [ 0.001 0 0 10 ] ,
K L Q R = [ 13 99966 1014 20 944 0 20 1 13 314 ] .
The closed-loop input used was a 5 × 1 vector signal with the roll attitude reference, ( φ r e f f ) and the heading reference, ( ψ r e f f ) as the second and fifth elements, respectively. The roll reference used the same lookup table database as the previous mode-switching strategy, but with the input of the current headings ( ψ ), instead of the reference heading, and the current time. This setup ensures that the solar tracker always has the correct roll reference wherever the vehicle is heading during operation, even when it deviates from its intended trajectory.

4. Simulations and Results

Four simulation scenarios were designed and conducted to test the designed solar tracker system’s performance in various flight conditions. Each of the scenarios used a different implementation strategy that was meant to gain insights and identify any potential areas for improvement before they could be tested in a real flight. The simulations were carried out using MATLAB and Simulink representation of the HALE ITB V4 1:2 mathematical model and flight control, as defined in previous sections.

4.1. Simulation Scenarios

There are four simulation scenarios that were carried out in this research, as listed in Table 7. In all scenarios, the HALE ITB V4 1:2 flight was conducted in March 2022, from 09:00 to 15:00 West Indonesian Time (Waktu Indonesia Bagian Barat—WIB), in the vicinity of Suleiman Air Force Base, Bandung, West Java, Indonesia (6°58′51.3″ S, 107°34′22.3″ E). All simulations assumed clear weather without any obstruction to the sun rays. Except for the first scenario, the intended trajectory of the drone, or the mission, followed four legs of heading, i.e., starting from 130°, 220°, 310°, and 40° and returning to its original point. This trajectory was dictated by the heading of the Suleiman runway.
The first simulation scenario was intended to test the designed solar tracker control system, where the HALE ITB V4 1:2 would operate without the use of its heading tracker system. Since the sun in the simulation moved mostly from east to west, the vehicle was initially directed to the north to maximize the roll reaction of the solar tracker system.
The second and third scenarios tested the solar tracker strategies and compared their performance based on the solar energy gathered. The second scenario, mode-switching, was also used to test the performance of the heading and roll trackers separately, in conjunction with the roll attitude automatic control.

4.2. Scenario #1: Pure Solar Tracker

The simulation results for the first scenario are displayed in Figure 15a, while Figure 15b compares the roll attitudes along the flight to the solar incidence reference.
The simulation demonstrates the solar tracker’s ability to regulate the roll angle as required, but the resulting trajectory deviates from the intended north direction. At the beginning of the simulation, the sun’s azimuth is on the right side of the vehicle, causing it to roll right and maintain that attitude for half the flight period. This creates a circular trajectory with an increasing radius. As the sun rises, the roll angle decreases, and the radius becomes wider until the sun reaches its highest point around noon. At this point, the circular trajectory switches sides and turns to the left-hand side. At this second circular trajectory, the radius becomes smaller as the sun sets.
In this simulation, while failing to follow the intended trajectory, the vehicle can satisfyingly follow the sun rays’ incidence angle by rolling without sacrificing its lateral stability. Hence, the designed solar tracker control system was used in the next steps, to work together with the mission control system of the HALE ITB V4 1:2.

4.3. Scenario #2: Mode-Switching Strategy

In this scenario, the solar tracker worked intermittently with the heading tracker, representing the switching between charging mode and mission mode. The simulation, which ran from 09:00 to 15:00 WIB, is displayed in Figure 16a–c. At the start of the flight, the HALE ITB V4 1:2 was directed towards the 130° heading, with the intention of following the rectangular trajectory outlined in Table 5. It was assumed that the vehicle would need to switch to the charging mode every hour and a half, at 09:45, 11:15, 12:45, and 14:15 WIB.
As seen in Figure 16, the vehicle switches modes and begins a circular charging mode at certain points of the intended trajectory and roll attitude, as shown in Figure 16b,c, during the first charging period that occurs between 09:45 and 10:15. The circular motion radius increases throughout the entire 30 min of charging, starting from around 200 m and reaching up to 800 m, which results in maximum drifting of the vehicle from the intended trajectory. However, since it is circular, the vehicle can easily switch back to the mission mode at the closest point and heading to resume the trajectory.
Another drawback of this mode is that the four-leg trajectory cannot be completed. The vehicle spends a total of 1.5 h, gathering energy, and when the clock hits 15:00 WIB, the vehicle is still turning to the fourth leg.

4.4. Scenario #3: Simultaneous Strategy

Figure 17a,b depicts the final simulation scenario where the heading and solar tracker work simultaneously throughout the flight. This scenario follows the same intended trajectory as the second one, albeit with slightly varying outcomes due to the implementation of a different control strategy.
The strategy employed in this scenario appears to be inadequate, as the roll attitude necessary to align with the sun rays’ incidence cannot be achieved for most of the flight. As demonstrated in Figure 17, the roll attitude is restricted to a range of −8° to 8°, despite the necessary roll reaching as much as 30° both to the right and left. Nevertheless, the result shows the performance of both the heading and solar trackers working simultaneously, attempting to align the vehicle’s wings with the sun rays’ incidence angle while maintaining proximity to the intended trajectory. Furthermore, in contrast with the previous scenario, this strategy enables the vehicle to complete the intended four-leg trajectory.

5. Discussion

This section presents a discussion and analysis of the simulation results, divided into two subsections. The first examines the overall flight performance and stability of the vehicle, while the second is focused more on solar power generation as the main parameter of success for the HALE ITB V4 1:2 solar tracker system.

5.1. Overall Flight Performance and Stability

Evidently, all the scenarios for solar tracker implementation were simulated well, demonstrating the HALE ITB V4 1:2’s capability for following a rectangular trajectory while under the influence of three automatic control systems, i.e., roll attitude control, the heading tracker, and the solar tracker. All the simulations show adequate lateral–directional stability, even when the roll attitude reaches as high as 40° (in the first and second scenarios). This result, however, can only happen if the vehicle is able to withstand a load factor of more than 1.3 g ( n = 1 / cos φ ).
In contrast to the first and second scenarios, the roll angle did not exceed the saturation limit of ±8° in the third, where both the solar tracker and heading tracker were utilized at the same time. A closer inspection of the simulation model reveals that this roll attitude is a result of control coupling, as the aircraft attempted to simultaneously approximate the sun rays’ incidence and maintain its intended heading. This resulted in a saturation range of −8° to 8° for the roll attitude, which is evidently necessary to strike a balance between these two competing control objectives. The vehicle, therefore, was only subjected to a load factor of no more than 1.01 g. This less aggressive rolling, however, might reduce the solar tracker’s effectiveness, which will be elaborated upon in the next subsection.
It is possible to find a more optimized result between the two control objectives, by adjusting the elements of matrixes Q and R in Equations (21) and (22). However, due to the high-aspect-ratio tandem-winged configuration of the HALE, not much improvement can be found. A slight roll angle deviation will immediately result in the vehicle turning away from the intended trajectory, due to aerodynamic lift horizontal projection. Configuration optimization might be warranted for the tandem-winged vehicle.
Regarding flight performance, the third scenario appears to have outperformed the second scenario, especially since the second scenario, in the end, could not finish the complete trajectory. Although some deviation and drift were observed, the simultaneous use of the solar tracker and heading tracker allowed the UAV to complete its intended trajectory within the designated time frame of 09:00 to 15:00 WIB. In contrast, the second scenario required additional time due to four instances where it had to switch to circular charging mode during flight. The drifting, however, was minimized in this second scenario, suggesting that the optimum solar tracker strategy for flight performance will ultimately depend on the specific mission requirements of the vehicle.

5.2. Solar Power Generation and Comparison

Figure 18 depicts a comparison of the energy obtained from two simulation scenarios, as well as an additional scenario, where the HALE ITB V4 1:2 follows only the trajectory in which no solar tracker is used. This comparison reveals fluctuating results for every scenario, where the strategy with highest energy input alternates. Note that the graph in Figure 18 shows the peak energy input within 15 min of 6 h of solar energy gathering.
Upon closer examination, it can be observed that the energy input from the mode-switching strategy reached the highest energy input levels three times throughout the entire operation, which indicates that the mode-switching strategy performs as intended. This performance, however, comes with a major drawback, since the vehicle will have a shorter range and will be unable to finish the complete trajectory. The simultaneous strategy, on the other hand, is inferior as it must track the sun’s rays while maintaining its trajectory headings. At several points, this strategy was unable to maximize its solar energy gathering, although it still resulted in higher energy input compared to the flight without any solar tracker.
With discrete integration, during the whole mission from 09:00 to 15:00 WIB, the HALE ITB V4 1:2 was able to gather approximately 8395 kilo-Joules of energy, even without any solar tracker implemented. By using the solar tracker in a mode-switching strategy, the total energy gathered was increased by 1139 kJ (~13.57%), up to a total of 9534 kJ, even though the trajectory was incomplete. The simultaneous strategy, on the other hand, only increased the total energy gathered by 183 kJ (~2.2%).

6. Conclusions

A process to develop an automatic solar tracker system for the HALE ITB V4 1:2, a tandem-winged solar-powered UAV, is described in this article. Along with the process, a mathematical model for the UAV was built, which considers the uniqueness of tandem-winged configurations, as well as the use of a differential thrust control system in place of a traditional rudder. The dynamic characteristics of the HALE ITB V4 1:2 were then derived, and based on those dynamic characteristics, three automatic control systems were developed, i.e., the automatic roll attitude control, the heading tracker, and the solar tracker.
Several simulations are also presented in this article, where two implementation strategies for the control system are tested to perform a rectangular trajectory. The first to be tested is the mode-switching strategy, in which the vehicle can switch between mission mode and charging mode whenever necessary. The second is the simultaneous strategy, in which charging, using a solar tracker, is conducted at all times, but is limited to maintain the trajectory. Evidently, the mode-switching strategy can gather up to 13% more solar energy, while the simultaneous strategy can only reach slightly above 2%. While superior, the mode-switching strategy has a major drawback: the full intended trajectory cannot be completed by the UAV, since, when in charging mode, the vehicle spends half an hour going in a circular motion.
The two implementation strategies, as well as the designed solar tracker system, have demonstrated their potential in governing the HALE V4 ITB 1:2’s flight. Several works still need to be conducted, however, before the control strategy can really be validated. For instance, the use of pitch attitude in conjunction with roll attitude to track the sun, the effect of the solar tracker on the longitudinal control systems, the use of the solar energy gathered in charging the battery and powering the UAV systems, and any other challenge in solar energy gathering that exists in a real HALE operation. A hardware-in-the-loop simulation for the solar tracker system might also be warranted. Nonetheless, the designed solar tracker control system, as well as its implementation strategies, represent significant advancement in the overall development of the HALE ITB UAV at the Faculty of Mechanical and Aerospace Engineering, Institut Teknologi Bandung.

Author Contributions

Conceptualization, Y.I.J., M.A.M. and G.Y.P.; methodology, Y.I.J.; software, G.Y.P.; validation, M.A.M. and Y.I.J.; formal analysis, Y.I.J. and G.Y.P.; investigation, Y.I.J. and G.Y.P.; resources, Y.I.J. and G.Y.P.; data curation, Y.I.J.; writing—original draft preparation, Y.I.J. and G.Y.P.; writing—review and editing, Y.I.J. and G.Y.P.; visualization, Y.I.J.; supervision, M.A.M.; project administration, M.A.M.; funding acquisition, M.A.M. All authors have read and agreed to the published version of the manuscript.

Funding

This research was partly funded by a four-year research grant from the Lembaga Pengelola Dana Pendidikan (LPDP), the Ministry of Finance of the Republic of Indonesia, under the research titled (Ind.) Wahana Udara Tanpa Awak “High Altitude Long Endurance (HALE)” guna keperluan “Aerial Surveillance” Sumber Daya Alam dan Batas Wilayah NKRI.

Data Availability Statement

Not applicable.

Conflicts of Interest

The authors declare no conflict of interest.

References

  1. Oettershagen, P.; Melzer, A.; Mantel, T.; Rudin, K.; Stastny, T.; Wawrzacz, B.; Hinzmann, T.; Leutenegger, S.; Alexis, K.; Siegwart, R. Design of small hand-launched solar-powered UAVs: From concept study to a multi-day world endurance record flight. J. Field Robot. 2017, 34, 1352–1377. [Google Scholar] [CrossRef]
  2. Rapinett, A. Zephyr: A High Altitude Long Endurance Unmanned Air Vehicle; University of Surrey: Guildford, UK, 2009. [Google Scholar]
  3. Park, D. Design and Performance Evaluation of Propeller for Solar-Powered High Altitude Long Endurance Unmanned Aerial Vehicle. Int. J. Aerosp. Eng. 2018, 2018, 5782017. [Google Scholar] [CrossRef]
  4. Bennett, E. NASA’s Helios prototype-soaring to a new record. SAMPE J. 2002, 38, 41–47. [Google Scholar]
  5. Hernandez-Toral, J.L.; González-Hernández, I.; Lozano, R. Sun Tracking Technique Applied to a Solar Unmanned Aerial Vehicle. Drones 2019, 3, 51. [Google Scholar] [CrossRef]
  6. Homainejad, N.; Rizos, C. Application of Multiple Categories of Unmanned Aircraft Systems (UAS) In Different Airspaces for Bushfire Monitoring and Response. Int. Arch. Photogramm. Remote Sens. Spat. Inf. Sci. 2015, XL-1/W4, 55–60. [Google Scholar] [CrossRef]
  7. Hwang, S.; Kim, S.; Lee, Y. Developing High Altitude Long Endurance (HALE) Solar-Powered Unmanned Aerial Vehicle (UAV). J. Aero. Sys. Eng. 2016, 10, 59–65. [Google Scholar]
  8. Jodeh, N.; Blue, P.; Waldron, A. Development of Small Unmanned Aerial Vehicle Research Platform: Modeling and Simulating with Flight Test Validation. In Proceedings of the AIAA 2006-6261, AIAA Modeling and Simulation Technologies Conference and Exhibit, Keystone, CO, USA, 21–24 August 2006. [Google Scholar]
  9. UAVOS. (n.d.). The Experience of Uavos in the Creation of Haps. Available online: http://www.uavos.com/the-experience-of-uavos-in-the-creation-of-haps (accessed on 11 November 2022).
  10. Rajendran, P.; Smith, H. Sensitivity Analysis of Design Parameters of a Small Solar-Powered Electric Unmanned Aerial Vehicle. J. Eng. Sci. Technol. 2018, 13, 3922–3931. [Google Scholar]
  11. Tian, Z.; Haas, Z.J.; Shinde, S. Routing in Solar-Powered UAV Delivery System. Drones 2022, 6, 282. [Google Scholar] [CrossRef]
  12. Zhang, L.; Ma, D.; Yang, M.; Yang, X.; Yu, Y. Modeling and Simulation of Flight Profile and Power Spectrum for Near-Space Solar-Powered UAV. Aerospace 2022, 9, 672. [Google Scholar] [CrossRef]
  13. Moelyadi, M.A.; Zulkarnain, M.F.; Maliky, N.A. ITB high altitude long endurance UAV development: Past and future. AIP Conf. Proc. 2021, 2366, 030004. [Google Scholar]
  14. Nugroho, G.; Hutagaol, Y.D.; Zuliardiansyah, G. Aerodynamic Performance Analysis of VTOL Arm Configurations of a VTOL Plane UAV Using a Computational Fluid Dynamics Simulation. Drones 2022, 6, 392. [Google Scholar] [CrossRef]
  15. Cipolla, V.; Dine, A.; Viti, A.; Binante, V. MDAO and Aeroelastic Analyses of Small Solar-Powered UAVs with Box-Wing and Tandem-Wing Architectures. Aerospace 2023, 10, 105. [Google Scholar] [CrossRef]
  16. Mulder, J.A.; van Staveren, W.H.J.J.; van der Vaart, J.C. Flight Dynamics (Lecture Notes): ae3-302; Faculteit der Luchtvaart-en Ruimtevaarttechniek, TU Delft: Delft, The Netherlands, 2000. [Google Scholar]
  17. Rajendran, P.; Smith, H. Implications of longitude and latitude on the size of solar-powered UAV. Energy Convers. Manag. 2015, 98, 107–114. [Google Scholar] [CrossRef]
  18. Rajendran, P.; Smith, H. Modelling of solar irradiance and daylight duration for solar-powered UAV sizing. Energy Expl. Expl. 2016, 34, 235–243. [Google Scholar] [CrossRef]
  19. Hughes, W.; Yallop, D.; Hohenkerk, C.Y. The Equation of Time. Mon. Not. R. Astron. Soc. 1989, 238, 1529–1535. [Google Scholar] [CrossRef]
Figure 1. The roadmap of development of HALE ITB V4 1:2 from 2005 until present.
Figure 1. The roadmap of development of HALE ITB V4 1:2 from 2005 until present.
Drones 07 00442 g001
Figure 2. HALE ITB V4 1:2 three-view and perspective drawings.
Figure 2. HALE ITB V4 1:2 three-view and perspective drawings.
Drones 07 00442 g002
Figure 3. Aerodynamic characteristics of the HALE ITB V4 1:2, i.e., (a) drag force coefficient, (b) roll moment coefficient, (c) side-force coefficient, (d) pitch moment coefficient, (e) lift force coefficients, and (f) yaw moment coefficient.
Figure 3. Aerodynamic characteristics of the HALE ITB V4 1:2, i.e., (a) drag force coefficient, (b) roll moment coefficient, (c) side-force coefficient, (d) pitch moment coefficient, (e) lift force coefficients, and (f) yaw moment coefficient.
Drones 07 00442 g003
Figure 4. The use of differential thrust in HALE ITB V4 1:2, instead of traditional rudders. The Blue arrows shows the normal (operational) thrust for the two propulsions, which then each alternated into the yellow ones, and generates a right yawing moment at the CG (red circle arrow).
Figure 4. The use of differential thrust in HALE ITB V4 1:2, instead of traditional rudders. The Blue arrows shows the normal (operational) thrust for the two propulsions, which then each alternated into the yellow ones, and generates a right yawing moment at the CG (red circle arrow).
Drones 07 00442 g004
Figure 5. Propulsion characteristics of the HALE ITB V4 1:2, i.e., (a) thrust force due to velocities, (b) thrust pitching moment due to thrust generated, (c) thrust rolling moment due to differential thrust control, and (d) thrust yawing moment due to differential thrust.
Figure 5. Propulsion characteristics of the HALE ITB V4 1:2, i.e., (a) thrust force due to velocities, (b) thrust pitching moment due to thrust generated, (c) thrust rolling moment due to differential thrust control, and (d) thrust yawing moment due to differential thrust.
Drones 07 00442 g005
Figure 6. Mathematical model representation in Simulink block sets.
Figure 6. Mathematical model representation in Simulink block sets.
Drones 07 00442 g006
Figure 7. Open loop simulation time responses for lateral–directional states.
Figure 7. Open loop simulation time responses for lateral–directional states.
Drones 07 00442 g007
Figure 8. Solar tracker concept: (a) the land solar panel, and (b) the solar tracker scheme in HALE ITB V4 1:2.
Figure 8. Solar tracker concept: (a) the land solar panel, and (b) the solar tracker scheme in HALE ITB V4 1:2.
Drones 07 00442 g008
Figure 9. Angles and orientation definition for the local solar model.
Figure 9. Angles and orientation definition for the local solar model.
Drones 07 00442 g009
Figure 10. The Roll Attitude Automatic Control System control loop for HALE ITB V4 1:2.
Figure 10. The Roll Attitude Automatic Control System control loop for HALE ITB V4 1:2.
Drones 07 00442 g010
Figure 11. Simulation of the closed loop roll attitude control system for HALE ITB V4 1:2, under aileron disturbances.
Figure 11. Simulation of the closed loop roll attitude control system for HALE ITB V4 1:2, under aileron disturbances.
Drones 07 00442 g011
Figure 12. The heading and solar tracker automatic control system in the mode-switching strategy of implementation.
Figure 12. The heading and solar tracker automatic control system in the mode-switching strategy of implementation.
Drones 07 00442 g012
Figure 13. The heading and solar tracker automatic control system in the simultaneous strategy of implementation.
Figure 13. The heading and solar tracker automatic control system in the simultaneous strategy of implementation.
Drones 07 00442 g013
Figure 14. PID controller represented in Simulink.
Figure 14. PID controller represented in Simulink.
Drones 07 00442 g014
Figure 15. Simulation results of Scenario #1: pure solar tracker. (a) The trajectory, and (b) the roll tracker performance.
Figure 15. Simulation results of Scenario #1: pure solar tracker. (a) The trajectory, and (b) the roll tracker performance.
Drones 07 00442 g015
Figure 16. Simulation results of Scenario #2: mode-switching solar tracker. (a) The mission trajectory, (b) first circular charging mode trajectory, and (c) the roll angle response following the (first) desired solar incidence.
Figure 16. Simulation results of Scenario #2: mode-switching solar tracker. (a) The mission trajectory, (b) first circular charging mode trajectory, and (c) the roll angle response following the (first) desired solar incidence.
Drones 07 00442 g016
Figure 17. Simulation results of Scenario #3: simultaneous solar tracker. (a) The mission trajectory, and (b) roll angle response following the solar incidence.
Figure 17. Simulation results of Scenario #3: simultaneous solar tracker. (a) The mission trajectory, and (b) roll angle response following the solar incidence.
Drones 07 00442 g017
Figure 18. Energy input comparison between the based (no solar tracking), the mode-switching, and the simultaneous strategies, during the same mission trajectory.
Figure 18. Energy input comparison between the based (no solar tracking), the mode-switching, and the simultaneous strategies, during the same mission trajectory.
Drones 07 00442 g018
Table 1. HALE ITB V4 1:2 general specifications.
Table 1. HALE ITB V4 1:2 general specifications.
ParametersValueUnit
Front wingspan6.0m
Front wing area6.345m2
Rear wingspan7.5m
Rear wing area7.0m2
Mean aerodynamic chord0.47m
MTOW24.9kg
Design speed20.0m/s
Maximum thrust4.0kg
Table 2. Dynamic derivatives of the HALE ITB V4 1:2.
Table 2. Dynamic derivatives of the HALE ITB V4 1:2.
Derivatives ofCoefficientsValue (. /rad)
Roll moment due to roll rates p C p −4.52
Roll moment due to yaw rates r C r 1.13
Pitch moment due to pitch rates q C m q −141.37
Yaw moment due to roll rates p C n p −0.28
Yaw moment due to yaw rates r C n r −1.70
Table 3. Lateral–directional open-loop dynamic stability parameters for HALE ITB V4 1:2.
Table 3. Lateral–directional open-loop dynamic stability parameters for HALE ITB V4 1:2.
EigenvaluesDamping RatiosHalf Times [s]Frequencies [Hz]
0---
−0.013153.445-
−0.0145 ± 0.505i0.02947.7860.507
−7.54210.092-
Table 4. Target lateral–directional closed-loop dynamic stability parameters for HALE ITB V4 1:2.
Table 4. Target lateral–directional closed-loop dynamic stability parameters for HALE ITB V4 1:2.
EigenvaluesDamping RatiosHalf Times (s)Frequencies (Hz)
−310.2313
−510.1395
−5 ± 2i0.9280.1395.39
−1010.06910
Table 5. Target lateral–directional closed-loop dynamic stability parameters for HALE ITB V4 1:2.
Table 5. Target lateral–directional closed-loop dynamic stability parameters for HALE ITB V4 1:2.
State VariablesFeedback Amplifier for
Ailerons δ a
Feedback Amplifier for
Differential Thrust δ d T
β 1.415−0.541
φ 10.209−1.474
p 1.073−0.323
r 1.0753.99
ψ 33.0952.078
Table 6. PID parameters for the mode-switching solar tracking system for HALE ITB V4 1:2.
Table 6. PID parameters for the mode-switching solar tracking system for HALE ITB V4 1:2.
ParametersHeading TrackerSolar Tracker
Proportional gain ( P )30.13−0.01
Integration gain ( I )33.250
Derivative gain ( D )6.7−0.26
Filter coefficient gain ( N )127.520.08
Table 7. Scenarios to test the performance of HALE ITB V4 1:2 under the designed solar tracker system.
Table 7. Scenarios to test the performance of HALE ITB V4 1:2 under the designed solar tracker system.
Scenario Implementation
Strategy
Intended Trajectory
1Pure solar trackerDrones 07 00442 i001
2Mode-switchingDrones 07 00442 i002
3Simultaneous
solar tracker
Disclaimer/Publisher’s Note: The statements, opinions and data contained in all publications are solely those of the individual author(s) and contributor(s) and not of MDPI and/or the editor(s). MDPI and/or the editor(s) disclaim responsibility for any injury to people or property resulting from any ideas, methods, instructions or products referred to in the content.

Share and Cite

MDPI and ACS Style

Jenie, Y.I.; Pardomoan, G.Y.; Moelyadi, M.A. Development of an Automatic Solar Tracker Control System for a Tandem-Winged UAV and Its Implementation Strategies. Drones 2023, 7, 442. https://doi.org/10.3390/drones7070442

AMA Style

Jenie YI, Pardomoan GY, Moelyadi MA. Development of an Automatic Solar Tracker Control System for a Tandem-Winged UAV and Its Implementation Strategies. Drones. 2023; 7(7):442. https://doi.org/10.3390/drones7070442

Chicago/Turabian Style

Jenie, Yazdi Ibrahim, Gerald Yohanes Pardomoan, and Mochammad Agoes Moelyadi. 2023. "Development of an Automatic Solar Tracker Control System for a Tandem-Winged UAV and Its Implementation Strategies" Drones 7, no. 7: 442. https://doi.org/10.3390/drones7070442

APA Style

Jenie, Y. I., Pardomoan, G. Y., & Moelyadi, M. A. (2023). Development of an Automatic Solar Tracker Control System for a Tandem-Winged UAV and Its Implementation Strategies. Drones, 7(7), 442. https://doi.org/10.3390/drones7070442

Article Metrics

Back to TopTop