Modeling of Wind Turbines Based on DFIG Generator †
Abstract
1. Introduction
2. Power System Model Integrated with Wind Farm Using DFIG
2.1. Mechanical System Model
2.2. Electrical System Model
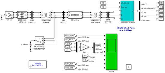
3. Simulation and Results
4. Conclusions
Conflicts of Interest
Abbreviations
| DFIG | Doubly fed induction generator |
| RES | Renewable energy sources |
| PWM | Pulse width modulation |
| WECS | Wind energy conversion systems |
| Rotational speed of turbine | |
| Wind speed | |
| Tip speed ratio | |
| Blade pitch angle | |
| U | Voltage |
| R | Resistance |
| Power wind turbine | |
| GSC | Grid source converter |
References
- Pleßmann, G.; Erdmann, M.; Hlusiak, M.; Breyer, C. Global energy storage demand for a 100% renewable electricity supply. Energy Procedia 2014, 46, 22–31. [Google Scholar] [CrossRef]
- Bussar, C.; Moos, M.; Alvarez, R.; Wolf, P.; Thien, T.; Chen, H.; Cai, Z.; Leuthold, M.; Sauer, D.U.; Moser, A. Optimal allocation and capacity of energy storage systems in a future European power system with 100% renewable energy generation. Energy Procedia 2014, 46, 40–47. [Google Scholar] [CrossRef]
- IEC White Paper Energy Challenge:2010. Coping with the Energy Challenge The IEC’s Role from 2010 to 2030; IEC: Geneva, Switzerland, 2010. [Google Scholar]
- IRENA. Global Energy Transformation: A Roadmap to 2050, 2018th ed.; IRENA: Abu Dahbi, UAE, 2018. [Google Scholar]
- Sun, Z.; Wang, H.; Li, Y. Modelling and simulation of doubly-fed induction wind power system based on Matlab/Simulink. IET Conf. Publ. 2012, 2012. [Google Scholar] [CrossRef]
- Jami, H. World Wind Resource Assessment Report, 2014th ed.; World Wind Energy Association: Bonn, Germany, 2014. [Google Scholar]
- Rolán, A.; Pedra, J.; Córcoles, F. Detailed study of DFIG-based wind turbines to overcome the most severe grid faults. Int. J. Electr. Power Energy Syst. 2014, 62, 868–878. [Google Scholar] [CrossRef]
- Fernández, L.M.; García, C.A.; Saenz, J.R.; Jurado, F. Equivalent models of wind farms by using aggregated wind turbines and equivalent winds. Energy Convers. Manag. 2009, 50, 691–704. [Google Scholar] [CrossRef]
- Krim, Y.; Abbes, D.; Krim, S.; Mimouni, M.F. Intelligent droop control and power management of active generator for ancillary services under grid instability using fuzzy logic technology. Control Eng. Pract. 2018, 81, 215–230. [Google Scholar] [CrossRef]
- Precup, R.; Kamal, T.; Hassan, S.Z. Advanced Control and Optimization Paradigms for Wind Energy Systems; Springer: Singapore, 2019; ISBN 978-981-13-5994-1. [Google Scholar]
- Shi, G.; Zhang, J.; Cai, X.; Zhu, M. Decoupling control of series-connected DC wind turbines with energy storage system for offshore DC wind farm. In Proceedings of the 2016 IEEE 7th International Symposium on Power Electronics for Distributed Generation Systems (PEDG), Vancouver, BC, Canada, 27–30 June 2016. [Google Scholar] [CrossRef]
- Mu, W.; Wang, J.; Feng, W. Fault detection and fault-tolerant control of actuators and sensors in distributed parameter systems. J. Franklin Inst. 2017, 354, 3341–3363. [Google Scholar] [CrossRef]
- Li, W.; Chao, P.; Liang, X.; Sun, Y.; Qi, J.; Chang, X. Modeling of complete fault ride-through processes for DFIG-Based wind turbines. Renew. Energy 2018, 118, 1001–1014. [Google Scholar] [CrossRef]
- Nazir, M.S.; Wu, Q.H.; Li, M.; Luliang, Z. Lagrangian-Based Approach for Non-linear Dynamic Control of an Islanded Power System Short title: Non-linear dynamic control of power system. Int. J. Comput. Sci. Inf. Secur. 2017, 15, 24–29. [Google Scholar]
- Sarrias-Mena, R.; Fernández-Ramírez, L.M.; García-Vázquez, C.A.; Jurado, F. Improving grid integration of wind turbines by using secondary batteries. Renew. Sustain. Energy Rev. 2014, 34, 194–207. [Google Scholar] [CrossRef]




Publisher’s Note: MDPI stays neutral with regard to jurisdictional claims in published maps and institutional affiliations. |
© 2020 by the authors. Licensee MDPI, Basel, Switzerland. This article is an open access article distributed under the terms and conditions of the Creative Commons Attribution (CC BY) license (https://creativecommons.org/licenses/by/4.0/).
Share and Cite
Ahyaten, S.; Bahaoui, J.E. Modeling of Wind Turbines Based on DFIG Generator. Proceedings 2020, 63, 16. https://doi.org/10.3390/proceedings2020063016
Ahyaten S, Bahaoui JE. Modeling of Wind Turbines Based on DFIG Generator. Proceedings. 2020; 63(1):16. https://doi.org/10.3390/proceedings2020063016
Chicago/Turabian StyleAhyaten, Sabra, and Jalal El Bahaoui. 2020. "Modeling of Wind Turbines Based on DFIG Generator" Proceedings 63, no. 1: 16. https://doi.org/10.3390/proceedings2020063016
APA StyleAhyaten, S., & Bahaoui, J. E. (2020). Modeling of Wind Turbines Based on DFIG Generator. Proceedings, 63(1), 16. https://doi.org/10.3390/proceedings2020063016

