Calibration of Hardness Transfer Functions Based on Micro Tensile and All Weld Metal Tensile Tests of Heterogeneous Welds †
Abstract
:1. Introduction
2. Material
3. Testing Procedure
- -
- Two AWMTT specimens were extracted in the OM and UM region. Hence, were obtained for both weld regions. From the hardness map shown in Figure 1b, the average hardness values were gathered in the circular region representing the cross section of the AWMTT specimens were extracted (see Figure 2) ( is obtained).
- -
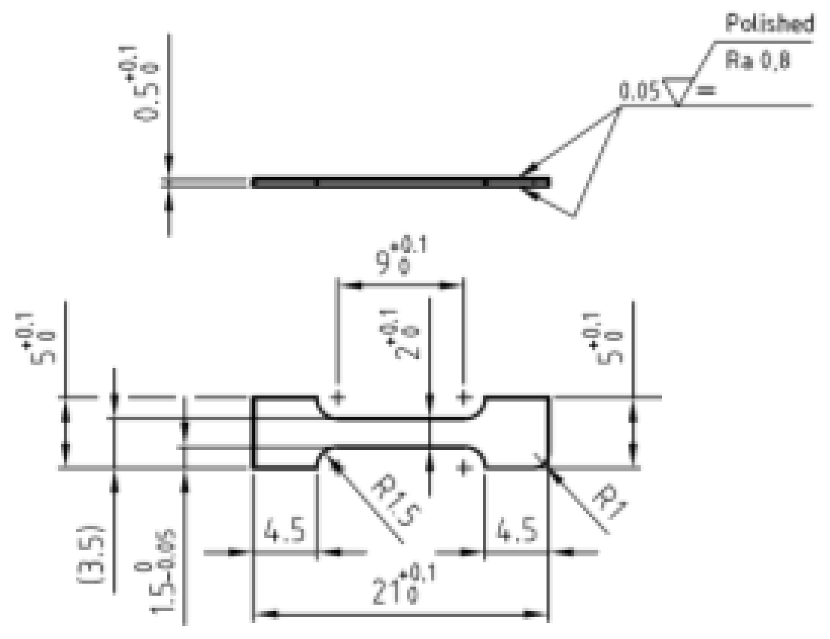
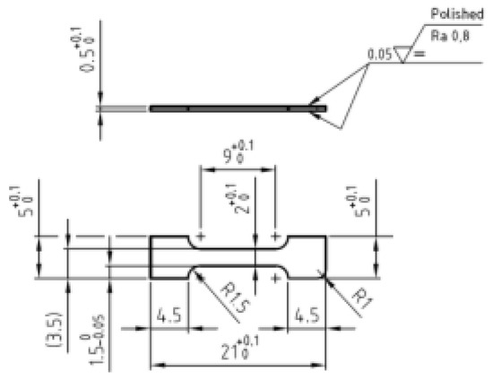
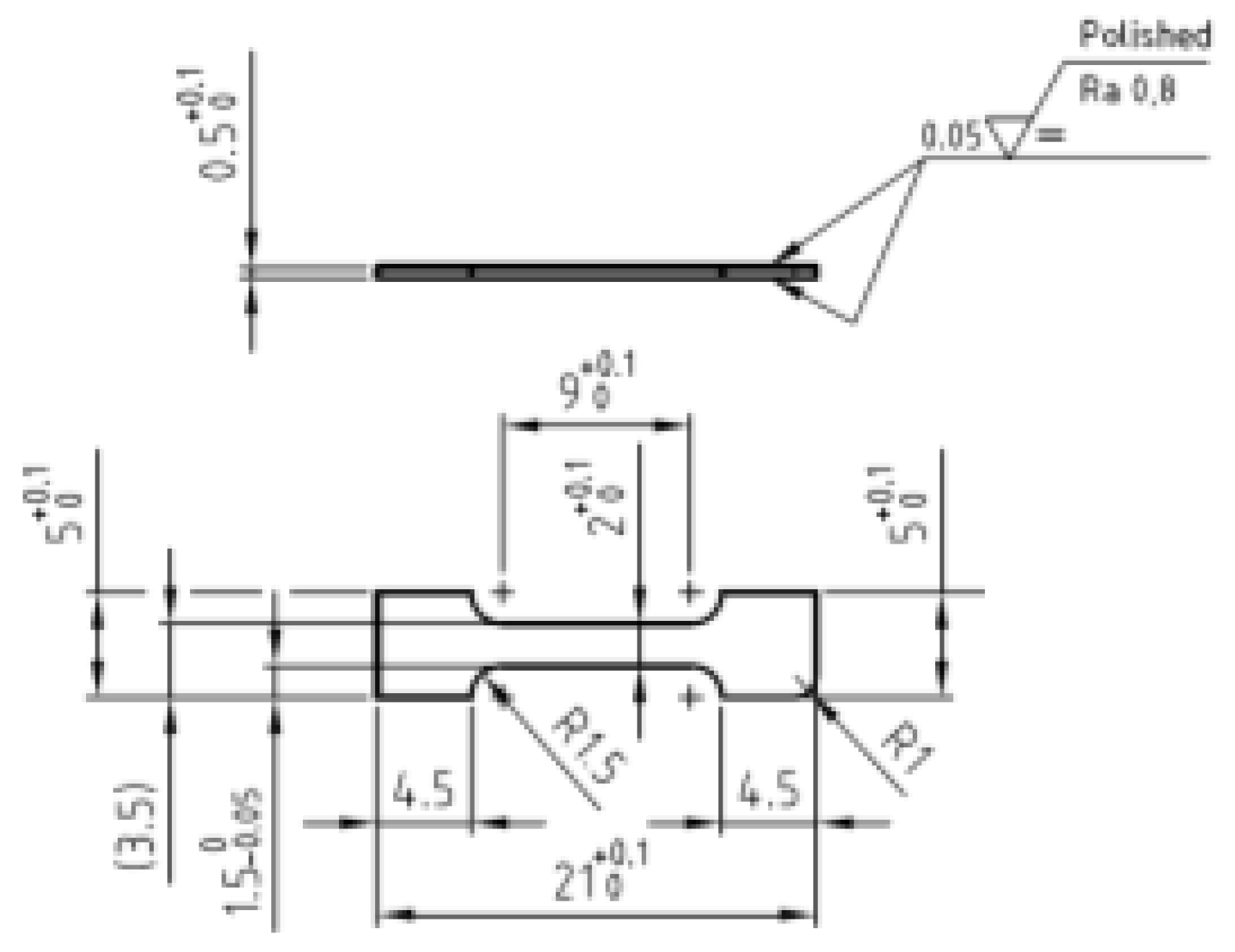
- 16 MTT specimens were tested (8 OM and 8 UM specimens) and Rp02(MTT) and Rm(MTT) were correspondingly obtained for each specimen. The specimen ends were further subjected to hardness indentations to obtain HV5 values Out of 8 specimens in each configuration, first four were selected starting from cap of the weld and the other four were chosen starting at a distance of 8 mm. These specimens were chosen in accordance with the location of the extraction of AWMTT specimen approximately.
3.1. All Weld Metal Tensile Tests
3.2. Micro Tensile Tests
4. Results and Discussions
- The hardness and strength values of the MTT specimens confirm the very strong differences in properties between the UM and OM weld regions.
- Equations (1) and (2) predict lower values of Rm when compared with the standard Equations as seen in Figure 4. For instance, the ultimate tensile strength predicted from the AWMTT data of the undermatching region is ~5% lower than that given by ISO 18265. In Figure 5, a similar deviation is observed for yield stress.
- AWMTT analysis of the UM and OM regions yields an updated hardness transfer functions. This highlights the material-specific character of the relation between hardness and strength properties, and confirms that the generic nature of standardized HV transfer functions may invoke errors.
- Focusing on Rp02 (Figure 5), the differences between different transfer functions are subtle compared to the scatter in data points obtained from the MTT test data. This relates to the knowledge that HV is theoretically stronger related to Rm [11]. The scatter in the Rp02 dataset results from local variations in strain hardening behavior (which are not captured by the transfer functions). In contrast, experimental scatter is limited for Rm and, there, the AWMTT based transfer function appears to better represent the average of the MTT datasets. Notwithstanding the higher scatter for the Rp02 plot, the corresponding HV transfer functions manage to capture the general trend and to quantify the large differences between the yield strengths of UM and OM weld metal.
- Averaging all specimens and configurations, the differences obtained between AWMTT based calibrated transfer functions and MTT results are 3.2% for Rm and 5.2% for Rp02. This is less than the deviations when using standard transfer functions which show average differences of ~11% for Rm (ISO 18265); and ~7% for Rm and ~18% for Rp0.2 (ISO 15653).
5. Conclusions
Author Contributions
Acknowledgments
Conflicts of Interest
References
- Koçak, D.M. Fitnet—European Fitness for Service Network, GTC1—2001—43049; GKSS Forschungszentrum Geesthacht GmbH (GKSS): Geesthacht, Germany, 2006. [Google Scholar]
- Cam, G.; Kocak, M.; Erim, S.; Yeni, C. Determination of mechanical and fracture properties of laser beam welded steel joints. Weld. J. 1999, 78, 193s–201s. Available online: http://img2.aws.org/wj/supplement/june99/CAM.pdf (accessed on 26 July 2018).
- LaVan, D.A.; Sharpe, W.N. Tensile testing of microsamples. Exp. Mech. 1999, 39, 210–216. [Google Scholar] [CrossRef]
- Hertelé, S.; Bally, J.; Gubeljak, N.; Štefane, P.; Verleysen, P.; De Waele, W. Characterization of heterogeneous arc welds through minature tensile testing and vickers hardness mapping. Mater. Tehnol. 2016, 50, 571–574. [Google Scholar] [CrossRef]
- ISO. ISO 15653:2010—Metallic Materials—Method of Test for the Determination of Quasistatic Fracture Toughness of Welds; ISO: Geneva, Switzerland, 2010. [Google Scholar]
- ISO. ISO 18265:2013—Metallic Materials—Conversion of Hardness Values; ISO: Geneva, Switzerland, 2013. [Google Scholar]
- Naib, S.; Van Minnebruggen, K.; De Waele, W.; Hertelé, S. Sensitivity study of crack driving force predictions in heterogeneous welds using Vickers hardness maps. In Proceedings of the International NAFEMS Conference on Engineering Analysis, Modeling, Simulation and 3D-Printing (NAFEMS-3D–2016), Bangalore, India, 29–31 August 2016. [Google Scholar]
- Hertelé, S.; De Waele, W.; Denys, R.; Verstraete, M. Full-range stress–strain behaviour of contemporary pipeline steels: Part I. Model description. Int. J. Press. Vessel. Pip. 2012, 92, 34–40. [Google Scholar] [CrossRef]
- ASTM. ASTM E8/E8M-16a, Standard Test Methods for Tension Testing of Metallic Materials; ASTM: West Conshohocken, PA, USA, 2016. [Google Scholar]
- Koçak, M. Structural integrity of welded structures: Process-property-performance (3P) relationship. In Proceedings of the 63rd Annual Assembly & International Conference of the International Institute of Welding, Istanbul, Turkey, 11–17 July 2010; pp. 11–17. [Google Scholar]
- Tabor, D. The Hardness of Metals; Clarendon: Oxford, UK, 1951. [Google Scholar]





Publisher’s Note: MDPI stays neutral with regard to jurisdictional claims in published maps and institutional affiliations. |
© 2018 by the authors. Licensee MDPI, Basel, Switzerland. This article is an open access article distributed under the terms and conditions of the Creative Commons Attribution (CC BY) license (https://creativecommons.org/licenses/by/4.0/).
Share and Cite
Naib, S.; Štefane, P.; Waele, W.D.; Gubeljak, N.; Hertelé, S. Calibration of Hardness Transfer Functions Based on Micro Tensile and All Weld Metal Tensile Tests of Heterogeneous Welds. Proceedings 2018, 2, 468. https://doi.org/10.3390/ICEM18-05372
Naib S, Štefane P, Waele WD, Gubeljak N, Hertelé S. Calibration of Hardness Transfer Functions Based on Micro Tensile and All Weld Metal Tensile Tests of Heterogeneous Welds. Proceedings. 2018; 2(8):468. https://doi.org/10.3390/ICEM18-05372
Chicago/Turabian StyleNaib, Sameera, Primož Štefane, Wim De Waele, Nenad Gubeljak, and Stijn Hertelé. 2018. "Calibration of Hardness Transfer Functions Based on Micro Tensile and All Weld Metal Tensile Tests of Heterogeneous Welds" Proceedings 2, no. 8: 468. https://doi.org/10.3390/ICEM18-05372
APA StyleNaib, S., Štefane, P., Waele, W. D., Gubeljak, N., & Hertelé, S. (2018). Calibration of Hardness Transfer Functions Based on Micro Tensile and All Weld Metal Tensile Tests of Heterogeneous Welds. Proceedings, 2(8), 468. https://doi.org/10.3390/ICEM18-05372

