Lubrication Film Friction Model for Grooved Annular Seals †
Abstract
:1. Introduction
Literature
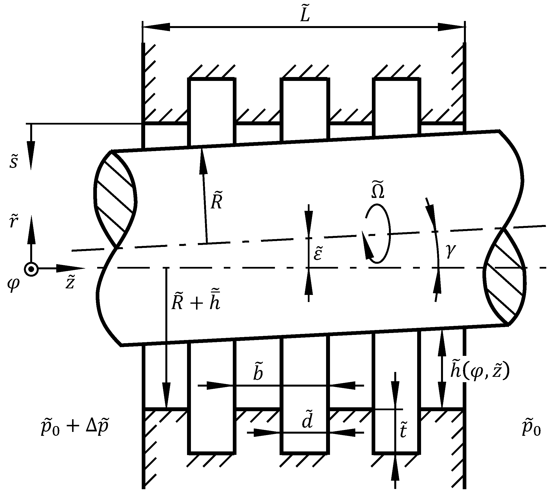
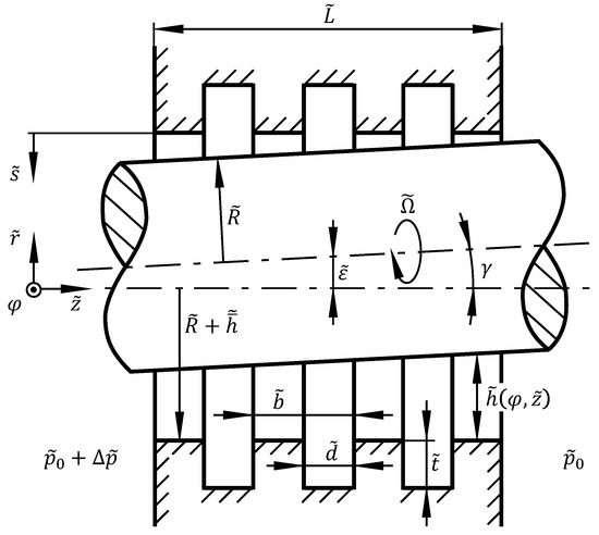
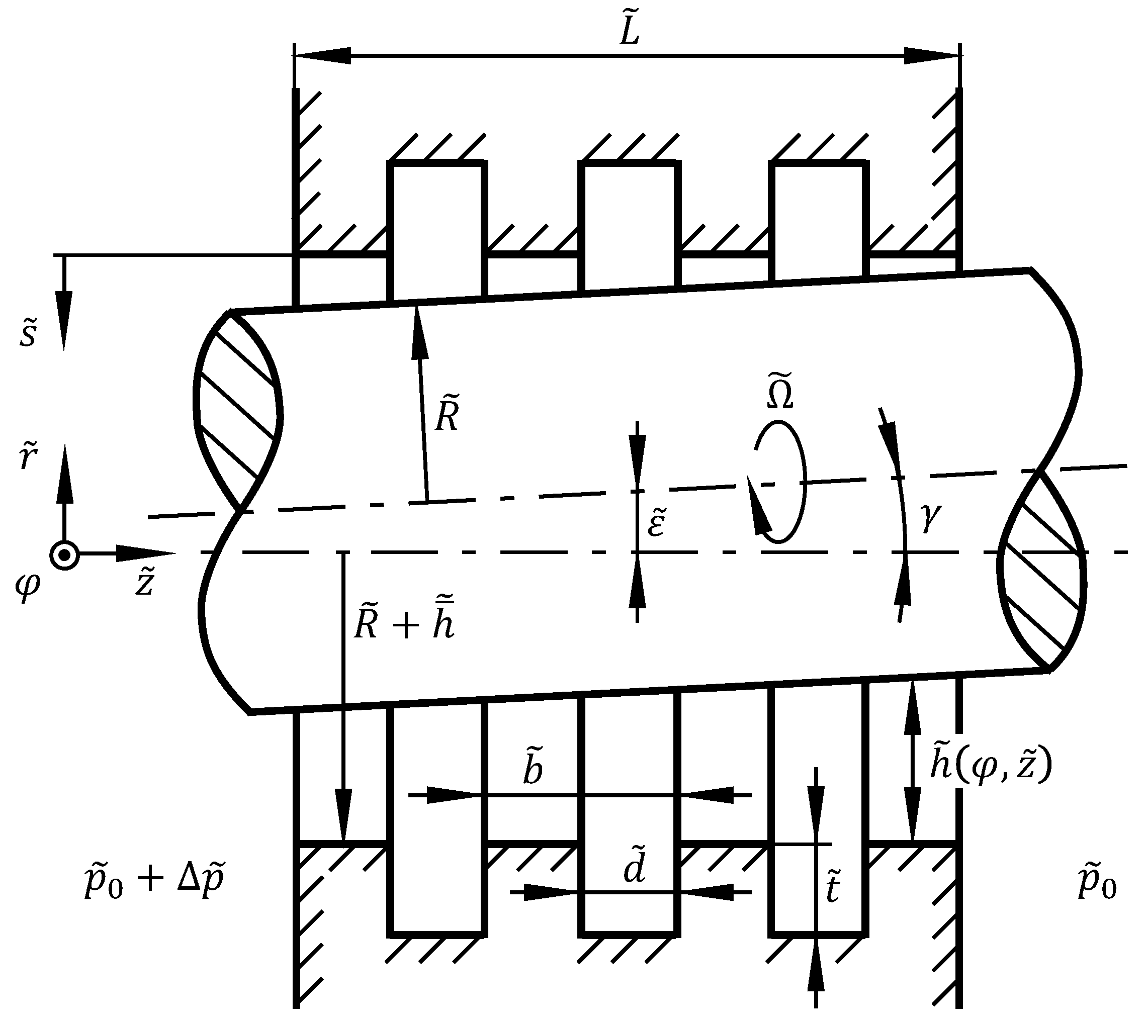
2. Materials and Methods
2.1. Clearance-Averaged Pressure Model
2.2. Hirs’ Bulk Flow Friction Factor Model
- the correlation of Blasius [21] for wall friction factors can be used for both bounding walls of a lubrication film, even if there is relative wall motion, with the use of effective bulk Reynolds numbers;
- the empirical parameters of the Blasius correlation only depend weakly on the type of flow (Poiseuille, Couette, superposition of both);
- the effective wall shear stress can be separated into the directional components analogously to the bulk velocity components.
2.3. Entrance Pressure Loss after the Groove
2.4. Eccentricity and Geometry Scaling
2.5. Simulations
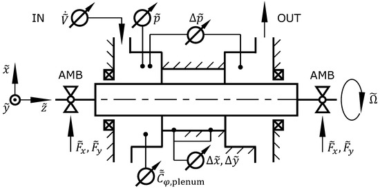
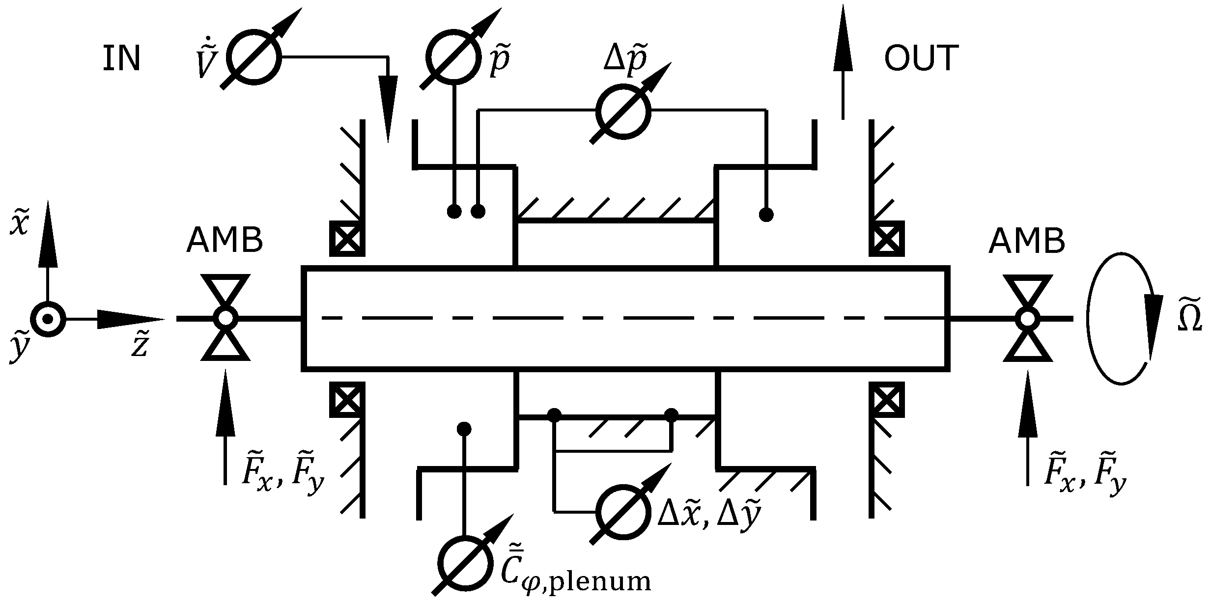
2.6. Annular Seal and Journal Bearing Test Rig
3. Results
3.1. Calibration of the Friction Factor Model for a Single Groove Geometry
3.2. Geometry Scaling
3.3. Theory vs. Experiment
4. Conclusions
Author Contributions
Funding
Data Availability Statement
Acknowledgments
Conflicts of Interest
Nomenclature
| flow number | |
| Reynolds number | |
| relative mean gap height | |
| relative eccentricity | |
| nondimensional seal length | |
| orbit frequency ratio | |
| nondimensional local gap height | |
| nondimensional channel coordinate | |
| nondimensional axial coordinate | |
| nondimensional axial velocity component | |
| nondimensional circumferential velocity component | |
| nondimensional pressure | |
| nondimensional force | |
| nondimensional groove width | |
| nondimensional groove height | |
| nondimensional periodic groove profile width |
References
- Robrecht, R.M.; Pelz, P.F. The Lomakin effect at laminar flow in journal bearings—Modeling and simulation. Tribol. Int. 2022, 175, 107792. [Google Scholar] [CrossRef]
- Robrecht, R.M.; Kuhr, M.M.G.; Pelz, P.F. CAPM vs. Bulk Flow—Reliable and efficient prediction of forces and leakage for annular gaps in pumps. In Proceedings of the Pump Users International Forum 2019, Wiesbaden, Germany, 24–25 September 2019. [Google Scholar]
- Kuhr, M.M.G.; Lang, S.R.; Pelz, P.F. Static Force Characteristic of Annular Gaps—Experimental and Simulation Results. J. Tribol. 2022, 144, 111804. [Google Scholar] [CrossRef]
- Kuhr, M.M.G.; Nordmann, R.; Pelz, P.F. Dynamic force and moment characteristics of annular gaps—Simulation results and evaluation of the relevance of the tilt and moment coefficients. J. Tribol. 2022, 145, 011801. [Google Scholar] [CrossRef]
- Hirs, G.G. A Bulk-Flow Theory for Turbulence in Lubricant Films. J. Lubr. Technol. 1973, 95, 137. [Google Scholar] [CrossRef]
- Robrecht, R.M.; Pelz, P.F. Friction Model for Grooved Annular Seals for Use in Fast and Reliable Design Tools. In Proceedings of the 15th European Turbomachinery Conference, Paper No. ETC2023-208, Budapest, Hungary, 24–28 April 2023; Available online: https://www.euroturbo.eu/publications/conference-proceedings-repository/ (accessed on 24 September 2023).
- Iwatsubo, T.; Sheng, B. Evaluation of Dynamic Characteristics Parallel Grooved Annular Seals by Theory and Experiment. In Proceedings of the 3rd International Conference on Rotordynamics, Lyon, France, 10–12 September 1990; Ed. du Centre National de la Recherche Scientifique: Paris, France, 1990; pp. 313–318. [Google Scholar]
- Florjancic, S. Annular Seals of High Energy Centrifugal Pumps: A New Theory and Full Scale Measurement of Rotordynamic Coefficients and Hydraulic Friction Factors. Ph.D. Thesis, ETH Zürich, Zürich, Switzerland, 1990. [Google Scholar] [CrossRef]
- Marquette, O.R.; Childs, D.W. An Extended Three-Control-Volume Theory for Circumferentially-Grooved Liquid Seals. J. Tribol. 1996, 118, 276–285. [Google Scholar] [CrossRef]
- Ha, T.W.; Lee, A.S. A rotordynamic analysis of circumferentially-grooved pump seals based on a three-control-volume theory. KSME Int. J. 2000, 14, 261–271. [Google Scholar] [CrossRef]
- Arghir, M.; Frene, J. A Bulk-Flow Analysis of Static and Dynamic Characteristics of Eccentric Circumferentially-Grooved Liquid Annular Seals. J. Tribol. 2004, 126, 316–325. [Google Scholar] [CrossRef]
- Zhang, X.; Yin, M.; Sun, H. Establishment and solution of governing equation for plana-grooved liquid seals based on three-control-volume theory. Ind. Lubr. Tribol. 2019, 72, 257–266. [Google Scholar] [CrossRef]
- Wyssmann, H.R.; Pham, T.C.; Jenny, R.J. Prediction of Stiffness and Damping Coefficients for Centrifugal Compressor Labyrinth Seals. J. Eng. Gas Turbines Power 1984, 106, 920–926. [Google Scholar] [CrossRef]
- Scharrer, J.K. A Comparison of Experimental and Theoretical Results for Labyrinth Gas Seals. Ph.D. Thesis, Texas A&M University, College Station, TX, USA, 1987. [Google Scholar]
- Childs, D.W.; Fayolle, P. Test Results for Liquid “Damper” Seals Using a Round-Hole Roughness Pattern for the Stators. J. Tribol. 1999, 121, 42–49. [Google Scholar] [CrossRef]
- Lang, S. Effiziente Berechnung von Gleitlagern und Dichtspalten in Turbomaschinen: Dissertation, Technische Universität Darmstadt, 2017; Shaker Verlag: Aachen, Germany, 2018. [Google Scholar]
- Childs, D.W. Turbomachinery Rotordynamics: Phenomena, Modeling, and Analysis; Wiley: New York, NY, USA, 1993. [Google Scholar]
- Spurk, J.; Aksel, N. Fluid Mechanics, 2nd ed.; Springer: Berlin/Heidelberg, Germany, 2008. [Google Scholar] [CrossRef]
- Szeri, A.Z. Fluid Film Lubrication: Theory and Design; Cambridge University Press: Cambridge, UK, 2005. [Google Scholar]
- van Doormaal, J.P.; Raithby, G.D. Enhancements of the SIMPLE method for predicting incompressible fluid flows. Numer. Heat Transf. 1984, 7, 147–163. [Google Scholar] [CrossRef]
- Blasius, H. Das Aehnlichkeitsgesetz bei Reibungsvorgängen in Flüssigkeiten. In Mitteilungen über Forschungsarbeiten auf dem Gebiete des Ingenieurwesens; Springer: Berlin/Heidelberg, Germany, 1913; pp. 1–41. [Google Scholar] [CrossRef]
- Glauert, M.B. The wall jet. J. Fluid Mech. 1956, 1, 625. [Google Scholar] [CrossRef]
- Schlichting, H.; Gersten, K. Boundary-Layer Theory, 9th ed.; Springer: Berlin/Heidelberg, Germany, 2017. [Google Scholar]
- Kuhr, M.M.G. Identification of the dynamic force and moment characteristics of annular gaps using linear independent rotor whirling motions. Mech. Syst. Signal Process. 2023, 187, 109936. [Google Scholar] [CrossRef]
- Kuhr, M.M.G. Dynamische Eigenschaften Axial Durchströmter Ringspalte; Shaker Verlag: Darmstadt, Germany, 2022. [Google Scholar] [CrossRef]
- Kuhr, M.M.G.; Robrecht, R.M.; Pelz, P.F. Measuring and simulation of fluid forces in annular gaps—Generic experiments covering the relevant parameter range for turbulent and laminar flow in pumps. In Proceedings of the Pump Users International Forum 2019, Wiesbaden, Germany, 24–25 September 2019. [Google Scholar]











| Parameter | i | RMSE | ||
|---|---|---|---|---|
| 1 | 8.67 | |||
| 2 | 4.22 | |||
| 3 | 3.46 | |||
| 4 | 2.35 | |||
| 5 | 1.23 | |||
| 6 | 1.14587 | 0.12 | ||
| 7 | 1.47 | |||
| 8 | 1.28976 | 2.55 | ||
| 9 | 3.05 | |||
| 10 | 2.20 | |||
| 11 | −1.24824 | 1.01 |
Disclaimer/Publisher’s Note: The statements, opinions and data contained in all publications are solely those of the individual author(s) and contributor(s) and not of MDPI and/or the editor(s). MDPI and/or the editor(s) disclaim responsibility for any injury to people or property resulting from any ideas, methods, instructions or products referred to in the content. |
© 2023 by the authors. Licensee MDPI, Basel, Switzerland. This article is an open access article distributed under the terms and conditions of the Creative Commons Attribution (CC BY-NC-ND) license (https://creativecommons.org/licenses/by-nc-nd/4.0/).
Share and Cite
Robrecht, R.M.; Pelz, P.F. Lubrication Film Friction Model for Grooved Annular Seals. Int. J. Turbomach. Propuls. Power 2023, 8, 45. https://doi.org/10.3390/ijtpp8040045
Robrecht RM, Pelz PF. Lubrication Film Friction Model for Grooved Annular Seals. International Journal of Turbomachinery, Propulsion and Power. 2023; 8(4):45. https://doi.org/10.3390/ijtpp8040045
Chicago/Turabian StyleRobrecht, Robin M., and Peter F. Pelz. 2023. "Lubrication Film Friction Model for Grooved Annular Seals" International Journal of Turbomachinery, Propulsion and Power 8, no. 4: 45. https://doi.org/10.3390/ijtpp8040045
APA StyleRobrecht, R. M., & Pelz, P. F. (2023). Lubrication Film Friction Model for Grooved Annular Seals. International Journal of Turbomachinery, Propulsion and Power, 8(4), 45. https://doi.org/10.3390/ijtpp8040045

