Siting and Sizing Method of GFM Converters Based on Genetic Algorithm
Abstract
1. Introduction
- (1)
- The grid supporting capacity of GFM station is analyzed, and the influence of grid strength on the dominant mode of GFM converter is studied.
- (2)
- Based on the definition of multi-infeed short circuit ratio, the calculation method of short circuit ratio of new energy base with GFM station is proposed, and the location and capacity strategy of GFM station to improve the short circuit ratio of new energy grid-connected system is further proposed.
- (3)
- Based on the coupling mechanism between the critical short circuit ratio index and the consumption capacity of the new energy station, the quantitative evaluation of the system support capacity of the GFM converter is realized, and the proposed method of site selection and capacity determination of the GFM equipment can be applied to the actual complex system with high universality.
2. Analysis of the Grid Support Capacity of GFM Substations
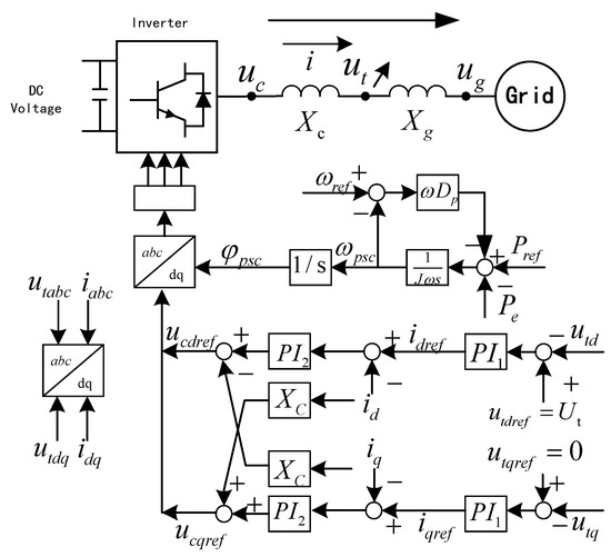
2.1. Control Strategies for GFM Converters
- (1)
- Power synchronization loop
- (2)
- Transmission line
- (3)
- Voltage control loop
- (4)
- Current control loop
2.2. State Space Model of GFM Converter
- (1)
- Power synchronization loop
- (2)
- Transmission line
- (3)
- Voltage control loop
- (4)
- Current control loop
2.3. The Impact of Grid Strength on the Dominant Operational Mode of GFM Converters
3. Methodology for Calculating the SCR in New Energy Base Stations Featuring GFM Substations
3.1. Analysis of Short Circuit Capacity Provided by GFM Sources
3.2. Definition of the SCR for Multi-Site Renewable Energy Systems
3.3. The Mechanism of Enhancing Voltage Stability in Power Systems Through GFM Converters
4. Optimization Strategy for the Siting and Sizing of GFM Stations to Improve SCR of New Energy Integration System
4.1. Outer Layer Model
4.2. Inner Layer Model
4.3. Model Solving Algorithm
5. Simulation Verification–IEEE39 System
5.1. Parameter Settings of IEEE39 System
5.2. Analysis for Simulation Result 1
6. Simulation Verification—An Actual New Energy Station
6.1. Parameter Settings of the Actual New Energy Station
6.2. Analysis for Simulation Result 2
7. Conclusions
- (1)
- From the perspective of grid strength, the multi-station SCR index was employed to validate the contribution of GFM converters to system stability enhancement. Furthermore, a participation factor analysis was performed based on dominant oscillation modes under varying grid strengths, revealing that voltage and power loop controls are critical for maintaining system stability as the short circuit ratio fluctuates.
- (2)
- The GFM converter significantly enhances the MRSCR at each node within the system, with varying impacts depending on the installation location of the inverter. Notably, installations at new energy nodes yield the most substantial improvements in MRSCR for those specific nodes, and this effect becomes increasingly pronounced as the proximity to the installation site decreases.
- (3)
- The GFM converter enhances the short circuit capacity of the system and influences its impedance matrix, thereby improving the short circuit ratio. This enhancement subsequently increases the active power output limit PGFMmax for new energy stations within the cluster under short circuit ratio constraints, effectively quantifying the impact of the GFM converter on the dispatch and consumption capabilities of outgoing power from these clustered renewable energy sources.
- (4)
- After the proposed GFM equipment optimization configuration method is adopted, the system strength and new energy absorption capacity are greatly improved, and the maximum absorption space of 90% of new energy stations reaches 95% of the theoretical maximum absorption space of each new energy station.
Author Contributions
Funding
Data Availability Statement
Conflicts of Interest
Appendix A
| Parameter | Value | Parameter | Value |
|---|---|---|---|
| Udc | 700V | J/kg·m2 | 0.3 |
| Ut | 311V | Dp | 12 |
| Ug | 311V | Kp1 | 5 |
| Lc | 3mH | Ki1 | 145 |
| Lg | 1.1mH | Kp2 | 4 |
| UN | 311V | Ki2 | 8 |
| Number | State Value | Number | State Value |
|---|---|---|---|
| 1 | Δωpsc | 5 | Δx3 |
| 2 | Δφpsc | 6 | Δx4 |
| 3 | Δx1 | 7 | Δid |
| 4 | Δx2 | 8 | Δiq |
References
- Wang, X.; Taul, M.G.; Wu, H.; Liao, Y.; Blaabjerg, F.; Harnefors, L. Grid-Synchronization Stability of Converter-Based Resources—An Overview. IEEE Open J. Ind. Appl. 2020, 1, 115–134. [Google Scholar] [CrossRef]
- Fan, L.; Miao, Z. Wind in weak grids: 4 Hz or 30 Hz oscillations? IEEE Trans. Power Syst. 2018, 33, 5803–5804. [Google Scholar] [CrossRef]
- Liu, S.C.; Wang, X.Y.; Liu, P.X. A stochastic stability enhancement method of grid-connected distributed energy storage systems. IEEE Trans. Smart Grid 2017, 8, 2062–2070. [Google Scholar] [CrossRef]
- Rocabert, J.; Luna, A.; Blaabjerg, F.; Rodríguez, P. Control of power converters in AC microgrids. IEEE Trans. Power Electron. 2012, 27, 4734–4749. [Google Scholar] [CrossRef]
- Huang, L.; Yang, C.; Song, M.; Yuan, H.; Xie, H.; Xin, H.; Wang, Z. An adaptive inertia control to improve stability of virtual synchronous machines under various power grid strength. In Proceedings of the IEEE Power & Energy Society General Meeting, Atlanta, GA, USA, 4–8 August 2019. [Google Scholar]
- Arghir, C.; Jouini, T.; Dörfler, F. Grid-forming control for power converters based on matching of synchronous machines. Automatica 2018, 95, 273–282. [Google Scholar] [CrossRef]
- Matevosyan, J.; Badrzadeh, B.; Prevost, T.; Quitmann, E.; Ramasubramanian, D.; Urdal, H.; Achilles, S.; MacDowell, J.; Huang, S.H.; Vital, V.; et al. Grid-forming inverters: Are they the key for high renewable penetration? IEEE Power Energy Mag. 2019, 17, 89–98. [Google Scholar] [CrossRef]
- Li, Y.; Gu, Y.; Green, T.C. Revisiting Grid-Forming and Grid-Following Inverters: A Duality Theory. IEEE Trans. Power Syst. 2022, 37, 4541–4554. [Google Scholar] [CrossRef]
- D’arco, S.; Suul, J.A.; Fosso, O.B. A Virtual Synchronous Machine implementation for distributed control of power converters in Smart Grids. Electr. Power Syst. Res. 2015, 122, 180–197. [Google Scholar] [CrossRef]
- Johnson, B.B.; Dhople, S.V.; Hamadeh, A.O.; Krein, P.T. Synchronization of Parallel Single-Phase Inverters with Virtual Oscillator Control. IEEE Trans. Power Electron. 2024, 29, 6124–6138. [Google Scholar] [CrossRef]
- Zhou, W.; Torres-Olguin, R.E.; Wang, Y.; Chen, Z. A Gray-Box Hierarchical Oscillatory Instability Source Identification Method of Multiple-Inverter-Fed Power Systems. IEEE J. Emerg. Sel. Top. Power Electron. 2021, 9, 3095–3113. [Google Scholar] [CrossRef]
- Wu, B.; Li, J.; Li, Y.; Wang, Y.; Liu, Q.; Sun, W. Grey box identification method and application of DQ impedance of gird connected inverter. Proc. CSEE 2022, 42, 1534–1546. [Google Scholar]
- Liu, P.; Xie, X.; Li, Y.; Yi, S.; Su, P.; Dai, X.; Ma, N. Mechanism and characteristics of grid-forming control for improving sub/super synchronous oscillation stability of Grid-following-based gridconnected converter. Power Syst. Technol. 2024, 48, 990–997. [Google Scholar]
- Coelho, E.A.A.; Cortizo, P.C.; Garcia, P.F.D. Small-signal stability for parallel-connected inverters in stand-alone AC supply systems. IEEE Trans. Ind. Appl. 2002, 38, 533–542. [Google Scholar] [CrossRef]
- Zhao, L.; Jin, Z.M.; Wang, X.F. Small-signal synchronization stability of grid-forming converters with regulated DC-link dynamics. IEEE Trans. Ind. Electron. 2023, 70, 12399–124095. [Google Scholar] [CrossRef]
- Pogaku, N.; Prodanovic, M.; Green, T.C. Modeling, analysis and testing of autonomous operation of an inverter-based microgrid. IEEE Trans. Power Electron. 2007, 22, 613–625. [Google Scholar] [CrossRef]
- IEEE Std 1204—1997; IEEE Guide for Planning Dc Links Terminating at Ac Locations Having Low Short-Circuit Capacities. IEEE: Piscataway, NJ, USA, 1997.
- Conseil International des Grands Reseaux Elecctriques. Connection of Wind Farms to Weak AC Networks; CIGRE: Paris, France, 2016. [Google Scholar]
- Yu, L.; Sun, H.; Xu, S.; Zhao, B.; Zhang, J.; Li, Z. Overview of strength quantification indexes of power system with power electronic equipment. Proc. CSEE 2022, 42, 499–515. [Google Scholar]
- Xin, H.; Liu, C.; Chen, X.; Wang, Y.; Prieto-Araujo, E.; Huang, L. How Many Grid-Forming Converters Do We Need? A Perspective From Small Signal Stability and Power Grid Strength. IEEE Trans. Power Syst. 2025, 40, 623–635. [Google Scholar] [CrossRef]
- Wang, Y.; Xiang, W.; Zhang, H.; He, Y.; Wen, J. Triangulation Type Direct Drive Wind Turbine Ratio Optimization Configuration Analysis. Power Syst. Tech. 2025, 1–13. [Google Scholar] [CrossRef]
- Wu, C.; Liu, C.; Huang, W. Siting and sizing method of grid-forming converters for improving stability of power system with renewable energy. Autom. Electr. Power Syst. 2023, 47, 130–136. (In Chinese) [Google Scholar]
- Collados-Rodriguez, C.; Cheah-Mane, M.; Prieto-Araujo, E.; Gomis-Bellmunt, O. Stability and operation limits of power systems with high penetration of power electronics. Int. J. Electr. Power Energy Syst. 2022, 138, 107728. [Google Scholar] [CrossRef]
- NERC IRPS White Paper, Grid Forming Functional Specifications for BPS-Connected Battery Energy Storage Systems. 2023. Available online: https://www.nerc.com/comm/RSTC_Reliability_Guidelines/White_Paper_GFM_Functional_Specification.pdf (accessed on 1 September 2019).
- Zhao, X.; Flynn, D. Dynamic studies for 100% converter-based Irish power system. In Proceedings of the 9th Renewable Power Generation Conference (RPG Dublin Online 2021), Online Conference, 1–2 March 2021; IET: London, UK, 2021; pp. 389–394. [Google Scholar]
- Yang, C.; Huang, L.; Xin, H.; Ju, P. Placing Grid-Forming Converters to Enhance Small Signal Stability of PLL-Integrated Power Systems. IEEE Trans. Power Syst. 2020, 36, 3563–3573. [Google Scholar] [CrossRef]
- Wang, B.; Yang, D.; Cai, G. Review of research on power system inertia related issues in the context of high penetration of renewable power generation. Power Syst. Technol. 2020, 44, 2998–3007. [Google Scholar]
- Sun, H.; Xu, S.; Xu, T.; Guo, Q.; He, J.; Zhao, B.; Yu, L.; Zhang, Y.; Li, W.; Zhou, Y.; et al. Definition and Index of Short Circuit Ratio for Multiple Renewable Energy Stations. Proc. CSEE 2021, 41, 497–506. [Google Scholar]
- Ding, K.; Chen, B.; Qin, J. Evaluation Method of Consumption Ability of New Large Scale Energy Clusters Connected to Weak Grids. Electr. Power Constr. 2023, 44, 86–94. [Google Scholar]












| npop | Pc1 | Pc2 | Pm1 | Pm2 | ngen |
|---|---|---|---|---|---|
| 30 | 0.6 | 0.9 | 0.01 | 0.1 | 80 |
| npop | Pc1 | Pc2 | Pm1 | Pm2 | ngen |
|---|---|---|---|---|---|
| 30 | 0.6 | 0.9 | 0.01 | 0.1 | 100 |
| New Energy Station Number | No GFM/Million MWh | Configure GFM/Million MWh | Theoretical Maximum Consumption Space/Million MWh |
|---|---|---|---|
| 1 | 14.62 | 25.75 | 25.75 |
| 2 | 11.58 | 12.75 | 12.75 |
| 3 | 17.70 | 25.19 | 25.75 |
| 4 | 12.45 | 25.49 | 25.49 |
| 5 | 14.33 | 47.97 | 47.97 |
| 6 | 15.59 | 25.88 | 25.88 |
| 7 | 19.07 | 25.75 | 25.75 |
| 8 | 19.63 | 25.72 | 25.75 |
| 9 | 30.89 | 76.47 | 77.26 |
| 10 | 2.07 | 14.85 | 51.50 |
Disclaimer/Publisher’s Note: The statements, opinions and data contained in all publications are solely those of the individual author(s) and contributor(s) and not of MDPI and/or the editor(s). MDPI and/or the editor(s) disclaim responsibility for any injury to people or property resulting from any ideas, methods, instructions or products referred to in the content. |
© 2025 by the authors. Licensee MDPI, Basel, Switzerland. This article is an open access article distributed under the terms and conditions of the Creative Commons Attribution (CC BY) license (https://creativecommons.org/licenses/by/4.0/).
Share and Cite
Sun, W.; Ge, Y.; Liu, G.; Cai, H.; Wang, Q.; Han, X.; Qi, W. Siting and Sizing Method of GFM Converters Based on Genetic Algorithm. Inventions 2025, 10, 13. https://doi.org/10.3390/inventions10010013
Sun W, Ge Y, Liu G, Cai H, Wang Q, Han X, Qi W. Siting and Sizing Method of GFM Converters Based on Genetic Algorithm. Inventions. 2025; 10(1):13. https://doi.org/10.3390/inventions10010013
Chicago/Turabian StyleSun, Wentao, Yi Ge, Guojing Liu, Hui Cai, Quanquan Wang, Xingning Han, and Wanchun Qi. 2025. "Siting and Sizing Method of GFM Converters Based on Genetic Algorithm" Inventions 10, no. 1: 13. https://doi.org/10.3390/inventions10010013
APA StyleSun, W., Ge, Y., Liu, G., Cai, H., Wang, Q., Han, X., & Qi, W. (2025). Siting and Sizing Method of GFM Converters Based on Genetic Algorithm. Inventions, 10(1), 13. https://doi.org/10.3390/inventions10010013
