Estimation of SOC in Lithium-Iron-Phosphate Batteries Using an Adaptive Sliding Mode Observer with Simplified Hysteresis Model during Electric Vehicle Duty Cycles
Abstract
1. Introduction
- Both the hysteresis characteristics and the influence of temperature on the hysteresis effect are taken into consideration, leading to the implementation of mechanistic analysis and battery model modeling.
- The sliding mode observer exhibits high robustness, and the identified parameters used for SOC estimation at different temperatures remain highly robust while maintaining high accuracy over an extended time window in on-board conditions.
- The proposed method reduces the jitter problem associated with the conventional sliding mode observer, resulting in reduced computational complexity and faster convergence speed.
2. A Study of SOC Estimation Methods
2.1. Simplified Hysteresis Modeling
2.2. Effect of Temperature on Hysteresis Modeling
2.3. Model Parameter Identification
3. SOC Estimation Based on Adaptive Sliding Mode Observer with Simplified Hysteresis Models during Electric Vehicle Duty Cycles
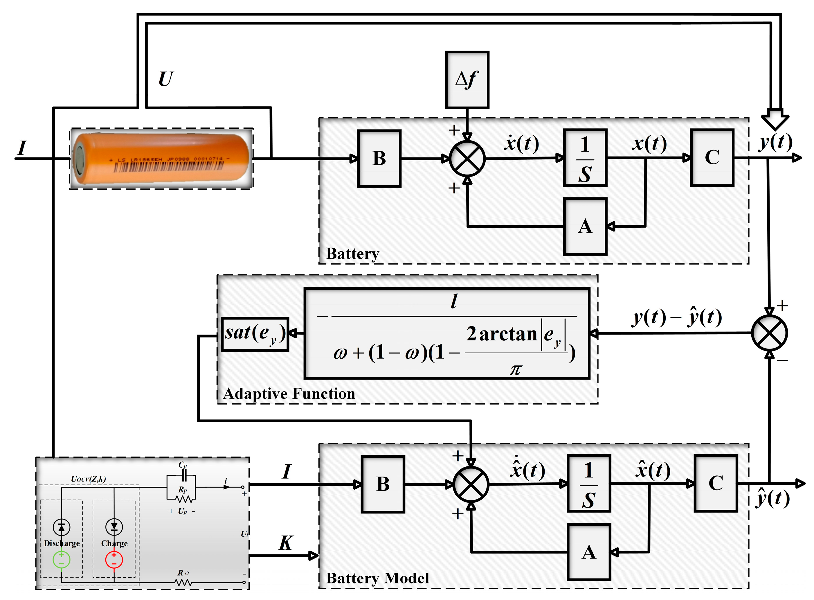
3.1. Adaptive Sliding Mode Observer Design
- (1)
- The observer achieves fast convergence when the estimated output voltage deviates significantly from the sliding mode surface, indicated by a larger value of . In this scenario, approaches due to , resulting in an increase in the value of . This increase signifies an accelerated convergence towards the sliding mode surface and enhances the observer’s convergence speed.
- (2)
- When the estimated output voltage approaches the sliding mode surface, indicated by a small value of , the observer’s jitter can be suppressed. At this point, closely approximates , leading to a gradual decrease in its value. Consequently, the observer’s jitter is effectively suppressed.
3.2. Implementation of SOC Estimation Method Based on Adaptive Sliding Mode Observer with Simplified Hysteresis Model
4. Experimental Research
4.1. Comparison of the Accuracy of Simplified Hysteresis Model and Ordinary Model under Different Working Conditions Validation
4.2. Comparative Validation of SOC Estimates
5. Conclusions
Author Contributions
Funding
Data Availability Statement
Conflicts of Interest
References
- Zhang, Q.; Shang, Y.; Li, Y.; Cui, N.; Duan, B.; Zhang, C. A Novel Fractional Variable-Order Equivalent Circuit Model and Parameter Identification of Electric Vehicle Li-Ion Batteries. ISA Trans. 2020, 97, 448–457. [Google Scholar] [CrossRef]
- Ng, M.-F.; Zhao, J.; Yan, Q.; Conduit, G.J.; Seh, Z.W. Predicting the State of Charge and Health of Batteries Using Data-Driven Machine Learning. Nat. Mach. Intell. 2020, 2, 161–170. [Google Scholar] [CrossRef]
- Zhang, C.; Wang, L.Y.; Li, X.; Chen, W.; Yin, G.G.; Jiang, J. Robust and Adaptive Estimation of State of Charge for Lithium-Ion Batteries. IEEE Trans. Ind. Electron. 2015, 62, 4948–4957. [Google Scholar] [CrossRef]
- Trovão, J.P.; Machado, F.; Pereirinha, P.G. Hybrid Electric Excursion Ships Power Supply System Based on a Multiple Energy Storage System. IET Electr. Syst. Transp. 2016, 6, 190–201. [Google Scholar] [CrossRef]
- Mousazadeh Mousavi, S.Y.; Jalilian, A.; Savaghebi, M.; Guerrero, J.M. Autonomous Control of Current- and Voltage-Controlled DG Interface Inverters for Reactive Power Sharing and Harmonics Compensation in Islanded Microgrids. IEEE Trans. Power Electron. 2018, 33, 9375–9386. [Google Scholar] [CrossRef]
- Zhou, N.; Price, L.; Yande, D.; Creyts, J.; Khanna, N.; Fridley, D.; Lu, H.; Feng, W.; Liu, X.; Hasanbeigi, A.; et al. A Roadmap for China to Peak Carbon Dioxide Emissions and Achieve a 20% Share of Non-Fossil Fuels in Primary Energy by 2030. Appl. Energy 2019, 239, 793–819. [Google Scholar] [CrossRef]
- Hu, X.; Jiang, J.; Cao, D.; Egardt, B. Battery Health Prognosis for Electric Vehicles Using Sample Entropy and Sparse Bayesian Predictive Modeling. IEEE Trans. Ind. Electron. 2015, 63, 1. [Google Scholar] [CrossRef]
- Ye, M.; Hu, G.; Guo, F.; Huang, W.; Wang, Z.; Zhao, X.; Li, Y. A Novel Semi-Analytical Solution for Calculating the Temperature Distribution of the Lithium-Ion Batteries during Nail Penetration Based on Green’s Function Method. Appl. Therm. Eng. 2020, 174, 115129. [Google Scholar] [CrossRef]
- Chun, C.Y.; Cho, B.H.; Kim, J. Covariance Controlled State-of-Charge Estimator of LiFePO4 Cells Using a Simplified Hysteresis Model. Electrochim. Acta 2018, 265, 629–637. [Google Scholar] [CrossRef]
- Thele, M.; Bohlen, O.; Sauer, D.U.; Karden, E. Development of a Voltage-Behavior Model for NiMH Batteries Using an Impedance-Based Modeling Concept. J. Power Sources 2008, 175, 635–643. [Google Scholar] [CrossRef]
- Tan, B.Y.; Du, J.Y.; Ye, X.H.; Cao, X.; Zhai, C. Overview of SOC estimation methods for lithium-ion batteries based on model. Sci. Technol. 2023, 12, 1995–2010. [Google Scholar] [CrossRef]
- Wei, Z.; Zou, C.; Leng, F.; Soong, B.H.; Tseng, K.-J. Online Model Identification and State-of-Charge Estimate for Lithium-Ion Battery With a Recursive Total Least Squares-Based Observer. IEEE Trans. Ind. Electron. 2018, 65, 1336–1346. [Google Scholar] [CrossRef]
- Feng, Y.; Xue, C.; Han, Q.-L.; Han, F.; Du, J. Robust Estimation for State-of-Charge and State-of-Health of Lithium-Ion Batteries Using Integral-Type Terminal Sliding-Mode Observers. IEEE Trans. Ind. Electron. 2020, 67, 4013–4023. [Google Scholar] [CrossRef]
- Plett, G.L. Extended Kalman Filtering for Battery Management Systems of LiPB-Based HEV Battery Packs. J. Power Sources 2004, 134, 262–276. [Google Scholar] [CrossRef]
- Hosseininasab, S.; Momtaheni, N.; Pischinger, S.; Günther, M.; Bauer, L. State-of-Charge Estimation of Lithium-Ion Batteries Using an Adaptive Dual Unscented Kalman Filter Based on a Reduced-Order Model. J. Energy Storage 2023, 73, 109011. [Google Scholar] [CrossRef]
- Wu, L.; Lyu, Z.; Huang, Z.; Zhang, C.; Wei, C. Physics-Based Battery SOC Estimation Methods: Recent Advances and Future Perspectives. J. Energy Chem. 2024, 89, 27–40. [Google Scholar] [CrossRef]
- Pan, H.; Lü, Z.; Lin, W.; Li, J.; Chen, L. State of Charge Estimation of Lithium-Ion Batteries Using a Grey Extended Kalman Filter and a Novel Open-Circuit Voltage Model. Energy 2017, 138, 764–775. [Google Scholar] [CrossRef]
- Cheng, Z.; Lv, J.; Liu, Y.; Yan, Z. Estimation of State of Charge for Lithium-Ion Battery Based on Finite Difference Extended Kalman Filter. J. Appl. Math. 2014, 2014, 348537. [Google Scholar] [CrossRef]
- Chen, Z.; Yang, L.; Zhao, X.; Wang, Y.; He, Z. Online State of Charge Estimation of Li-Ion Battery Based on an Improved Unscented Kalman Filter Approach. Appl. Math. Model. 2019, 70, 532–544. [Google Scholar] [CrossRef]
- Liu, G.; Xu, C.; Li, H.; Jiang, K.; Wang, K. State of Charge and Online Model Parameters Co-Estimation for Liquid Metal Batteries. Appl. Energy 2019, 250, 677–684. [Google Scholar] [CrossRef]
- Cui, X.; Jing, Z.; Luo, M.; Guo, Y.; Qiao, H. A New Method for State of Charge Estimation of Lithium-Ion Batteries Using Square Root Cubature Kalman Filter. Energies 2018, 11, 209. [Google Scholar] [CrossRef]
- Zhao, Y. Performance Evaluation of Cubature Kalman Filter in a GPS/IMU Tightly-Coupled Navigation System. Signal Process. 2016, 119, 67–79. [Google Scholar] [CrossRef]
- Chen, X.-K.; Sun, D. Modeling and State of Charge Estimation of Lithium-Ion Battery. Adv. Manuf. 2015, 3, 202–211. [Google Scholar] [CrossRef]
- Wu, Z.; Wang, G.; Xie, Z.; He, Y.; Lu, X. Lithium Battery SOC Estimation Based on Whale Optimization Algorithm and Unscented Kalman Filter. J. Renew. Sustain. Energy 2020, 12, 065501. [Google Scholar] [CrossRef]
- Jia, W.; Sun, X.; Lin, M.; Wang, C.; Du, H.; Chen, P.; Liu, Z. Model Improvement and SOC Estimation Based on Aluminium Ion Batteries. Eng. Res. Express 2021, 3, 015038. [Google Scholar] [CrossRef]
- Su, D.; Chen, X.K. Charge State Estimation of Li-ion Batteries Based on Discrete-time Sliding Mode Observers. Proc. CSEE 2015, 35, 185–191. [Google Scholar] [CrossRef]
- Sui, X.; Chen, Y.; Zhang, X.H.; Liu, D. Improved sliding mode observer for state of charge estimation of lithium-ion battery. Adv. Technol. Electr. Eng. Energy 2018, 37, 73–82. [Google Scholar] [CrossRef]
- Nath, A.; Gupta, R.; Mehta, R.; Bahga, S.S.; Gupta, A.; Bhasin, S. Attractive Ellipsoid Sliding Mode Observer Design for State of Charge Estimation of Lithium-Ion Cells. IEEE Trans. Veh. Technol. 2020, 69, 14701–14712. [Google Scholar] [CrossRef]
- Sui, X.; He, S.; Stroe, D.-I.; Huang, X.; Meng, J.; Teodorescu, R. A Review of Sliding Mode Observers Based on Equivalent Circuit Model for Battery SoC Estimation. In Proceedings of the 2019 IEEE 28th International Symposium on Industrial Electronics (ISIE), Vancouver, BC, Canada, 12–14 June 2019; IEEE: New York, NY, USA, 2019; pp. 1965–1970. [Google Scholar]
- Xiong, B.; Zhao, J.; Su, Y.; Wei, Z.; Skyllas-Kazacos, M. State of Charge Estimation of Vanadium Redox Flow Battery Based on Sliding Mode Observer and Dynamic Model Including Capacity Fading Factor. IEEE Trans. Sustain. Energy 2017, 8, 1658–1667. [Google Scholar] [CrossRef]
- Chen, X.; Shen, W.X.; Cao, Z.; Kapoor, A. Sliding Mode Observer for State of Charge Estimation Based on Battery Equivalent Circuit in Electric Vehicles. Aust. J. Electr. Electron. Eng. 2012, 9, 225–234. [Google Scholar] [CrossRef]
- Gholizadeh, M.; Salmasi, F.R. Estimation of State of Charge, Unknown Nonlinearities, and State of Health of a Lithium-Ion Battery Based on a Comprehensive Unobservable Model. IEEE Trans. Ind. Electron. 2014, 61, 1335–1344. [Google Scholar] [CrossRef]
- Kim, D.; Koo, K.; Jeong, J.; Goh, T.; Kim, S. Second-Order Discrete-Time Sliding Mode Observer for State of Charge Determination Based on a Dynamic Resistance Li-Ion Battery Model. Energies 2013, 6, 5538–5551. [Google Scholar] [CrossRef]
- Ning, B.; Cao, B.; Wang, B.; Zou, Z. Adaptive Sliding Mode Observers for Lithium-Ion Battery State Estimation Based on Parameters Identified Online. Energy 2018, 153, 732–742. [Google Scholar] [CrossRef]
- Xu, J.; Mi, C.C.; Cao, B.; Deng, J.; Chen, Z.; Li, S. The State of Charge Estimation of Lithium-Ion Batteries Based on a Proportional-Integral Observer. IEEE Trans. Veh. Technol. 2014, 63, 1614–1621. [Google Scholar] [CrossRef]
- Chen, X.; Shen, W.; Dai, M.; Cao, Z.; Jin, J.; Kapoor, A. Robust Adaptive Sliding-Mode Observer Using RBF Neural Network for Lithium-Ion Battery State of Charge Estimation in Electric Vehicles. IEEE Trans. Veh. Technol. 2016, 65, 1936–1947. [Google Scholar] [CrossRef]
- Kim, I.-S. The Novel State of Charge Estimation Method for Lithium Battery Using Sliding Mode Observer. J. Power Sources 2006, 163, 584–590. [Google Scholar] [CrossRef]
- Wehbe, J.; Karami, N. Battery Equivalent Circuits and Brief Summary of Components Value Determination of Lithium Ion: A Review. In Proceedings of the 2015 Third International Conference on Technological Advances in Electrical, Electronics and Computer Engineering (TAEECE), Beirut, Lebanon, 29 April–1 May 2015; IEEE: New York, NY, USA, 2015; pp. 45–49. [Google Scholar]
- Kwak, M.; Lkhagvasuren, B.; Park, J.; You, J.-H. Parameter Identification and SOC Estimation of a Battery Under the Hysteresis Effect. IEEE Trans. Ind. Electron. 2020, 67, 9758–9767. [Google Scholar] [CrossRef]
- Tran, M.-K.; Mevawala, A.; Panchal, S.; Raahemifar, K.; Fowler, M.; Fraser, R. Effect of Integrating the Hysteresis Component to the Equivalent Circuit Model of Lithium-Ion Battery for Dynamic and Non-Dynamic Applications. J. Energy Storage 2020, 32, 101785. [Google Scholar] [CrossRef]
- Zhu, L.; Sun, Z.; Dai, H.; Wei, X. A Novel Modeling Methodology of Open Circuit Voltage Hysteresis for LiFePO4 Batteries Based on an Adaptive Discrete Preisach Model. Appl. Energy 2015, 155, 91–109. [Google Scholar] [CrossRef]
- Chen, S.; Kang, X.; Zhu, Z.X.; Zhang, Y.J.; Han, X. Polarization Voltage Error Correction Considering Battery’s Hysteresis Effect. Power Syst. Technol. 2020, 44, 316–322. [Google Scholar] [CrossRef]
- Kim, J.; Seo, G.-S.; Chun, C.; Cho, B.-H.; Lee, S. OCV Hysteresis Effect-Based SOC Estimation in Extended Kalman Filter Algorithm for a LiFePO4/C Cell. In Proceedings of the 2012 IEEE International Electric Vehicle Conference, Greenville, SC, USA, 4–8 March 2012; IEEE: New York, NY, USA, 2012; pp. 1–5. [Google Scholar]
- Lu, X.Q.; Lin, H.Y.; Feng, Y.; Han, J.L. Soft Switching Sliding Mode Observer for PMSM Sensorless Control. Trans. China Electrotech. Soc. 2015, 30, 106–113. [Google Scholar] [CrossRef]
























| 0 °C | 25 °C | 45 °C | |
|---|---|---|---|
| MAE | 0.018 | 0.013 | 0.014 |
| R2 | 0.988 | 0.991 | 0.989 |
| Cylindrical Lithium-Ion Cell LR18650EH | ||
|---|---|---|
![]() | Weight | 40 ± 2.0 g |
| Rated Capacity | 1600 mAh | |
| Rated Voltage | 3.2 V | |
| Voltage limit | 2.0 V~3.65 V | |
| Maximum Charge Current | 1.0 C | |
| Operating Temperature | 0 °C~60 °C | |
| Cycle Life | 1200 cycles (25 °C, 1 C) | |
| Cathode Material | LiFePO4 | |
| Anode Material | C | |
| Model | (mV) | (mV) | (mV) |
|---|---|---|---|
| Hysteresis | 59.8 | 13.9 | 31.2 |
| Ordinary | 80.9 | 27.6 | 43.7 |
| Model | AVME (mV) | MAE (mV) | RMSE (mV) |
|---|---|---|---|
| Hysteresis | 52.3 | 14.1 | 39.6 |
| Ordinary | 83.1 | 21.2 | 60.9 |
| Temperature/°C | Algorithm | AVME/% | MAE/% |
|---|---|---|---|
| 0 | SMO_DST | 3.21 | 2.48 |
| SMO_FUDS | 4.65 | 3.43 | |
| ASMO_DST | 3.09 | 0.48 | |
| ASMO_FUDS | 2.10 | 0.52 | |
| EKF_DST | 35.87 | 8.76 | |
| EKF_FUDS | 45.84 | 10.9 | |
| 25 | SMO_DST | 5.33 | 3.90 |
| SMO_FUDS | 5.13 | 2.47 | |
| ASMO_DST | 1.22 | 0.39 | |
| ASMO_FUDS | 2.31 | 0.49 | |
| EKF_DST | 1.02 | 0.15 | |
| EKF_FUDS | 1.07 | 0.14 | |
| 45 | SMO_DST | 6.25 | 2.49 |
| SMO_FUDS | 4.20 | 2.47 | |
| ASMO_DST | 2.03 | 0.54 | |
| ASMO_FUDS | 4.00 | 0.70 | |
| EKF_DST | 21.35 | 6.14 | |
| EKF_FUDS | 22.34 | 6.47 |
Disclaimer/Publisher’s Note: The statements, opinions and data contained in all publications are solely those of the individual author(s) and contributor(s) and not of MDPI and/or the editor(s). MDPI and/or the editor(s) disclaim responsibility for any injury to people or property resulting from any ideas, methods, instructions or products referred to in the content. |
© 2024 by the authors. Licensee MDPI, Basel, Switzerland. This article is an open access article distributed under the terms and conditions of the Creative Commons Attribution (CC BY) license (https://creativecommons.org/licenses/by/4.0/).
Share and Cite
Chang, Y.; Li, R.; Sun, H.; Zhang, X. Estimation of SOC in Lithium-Iron-Phosphate Batteries Using an Adaptive Sliding Mode Observer with Simplified Hysteresis Model during Electric Vehicle Duty Cycles. Batteries 2024, 10, 154. https://doi.org/10.3390/batteries10050154
Chang Y, Li R, Sun H, Zhang X. Estimation of SOC in Lithium-Iron-Phosphate Batteries Using an Adaptive Sliding Mode Observer with Simplified Hysteresis Model during Electric Vehicle Duty Cycles. Batteries. 2024; 10(5):154. https://doi.org/10.3390/batteries10050154
Chicago/Turabian StyleChang, Yujia, Ran Li, Hao Sun, and Xiaoyu Zhang. 2024. "Estimation of SOC in Lithium-Iron-Phosphate Batteries Using an Adaptive Sliding Mode Observer with Simplified Hysteresis Model during Electric Vehicle Duty Cycles" Batteries 10, no. 5: 154. https://doi.org/10.3390/batteries10050154
APA StyleChang, Y., Li, R., Sun, H., & Zhang, X. (2024). Estimation of SOC in Lithium-Iron-Phosphate Batteries Using an Adaptive Sliding Mode Observer with Simplified Hysteresis Model during Electric Vehicle Duty Cycles. Batteries, 10(5), 154. https://doi.org/10.3390/batteries10050154


