Investigation of the 3D Printing Process Utilizing a Heterophase System
Abstract
1. Introduction
- Reynolds instability (emergence of turbulent flows in a heterophase system at a high speed of the extruder nozzle) [14];
2. Results and Discussion
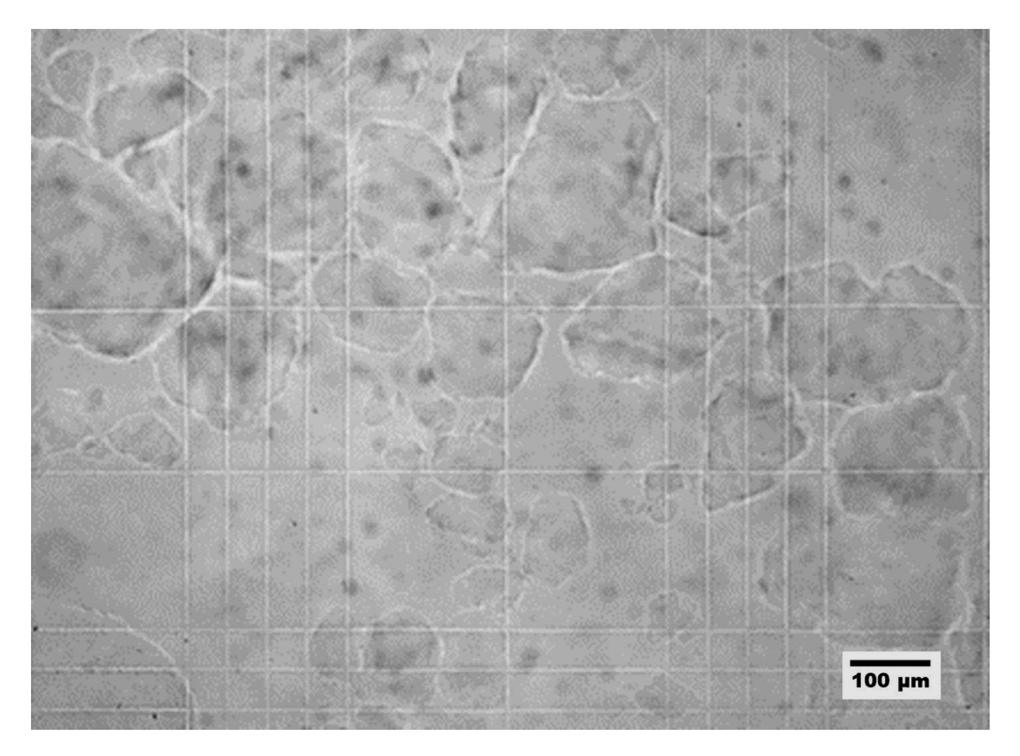
2.1. Investigation into the Composition and Properties of a Heterophase System
2.2. Investigation of the Properties of Sodium Alginate Ink
2.3. Investigation of the 3D Printing Process Using a Heterophase System
3. Conclusions
4. Materials and Methods
4.1. Materials
4.2. Development of the 3D Printer Construction
4.3. Method for Obtaining the Heterophase System based on Gelatin Microparticles in a Liquid Medium for the 3D Printing Process
4.4. Method for Obtaining Sodium Alginate Ink for 3D Printing Process Using Heterophase System
Author Contributions
Funding
Institutional Review Board Statement
Informed Consent Statement
Data Availability Statement
Conflicts of Interest
References
- Wong, K.V.; Hernandez, A. A review of additive manufacturing. Int. Sch. Res. Not. 2012, 2012, 208760. [Google Scholar] [CrossRef]
- Jeon, H.; Kang, K.; Park, S.A.; Kim, W.D.; Paik, S.S.; Lee, S.-H.; Jeong, J.; Choi, D. Generation of multilayered 3D structures of HepG2 cells using a bio-printing technique. Gut Liver 2017, 11, 121. [Google Scholar] [CrossRef] [PubMed]
- Saadi, M.; Maguire, A.; Pottackal, N.T.; Thakur, M.S.H.; Ikram, M.M.; Hart, A.J.; Ajayan, P.M.; Rahman, M.M. Direct ink writing: A 3D printing technology for diverse materials. Adv. Mater. 2022, 34, 2108855. [Google Scholar] [CrossRef] [PubMed]
- Paxton, N.; Smolan, W.; Böck, T.; Melchels, F.; Groll, J.; Jungst, T. Proposal to assess printability of bioinks for extrusion-based bioprinting and evaluation of rheological properties governing bioprintability. Biofabrication 2017, 9, 208760. [Google Scholar] [CrossRef] [PubMed]
- Shiwarski, D.J.; Hudson, A.R.; Tashman, J.W.; Feinberg, A.W. Emergence of FRESH 3D printing as a platform for advanced tissue biofabrication. APL Bioeng. 2021, 5, 53–66. [Google Scholar] [CrossRef]
- Ebers, L.-S.; Laborie, M.-P. Direct ink writing of fully bio-based liquid crystalline lignin/hydroxypropyl cellulose aqueous inks: Optimization of formulations and printing parameters. ACS Appl. Bio Mater. 2020, 3, 6897–6907. [Google Scholar] [CrossRef]
- Ji, S.; Guvendiren, M. Complex 3D bioprinting methods. APL Bioeng. 2021, 5, 83–104. [Google Scholar] [CrossRef]
- Bessler, N.; Ogiermann, D.; Buchholz, M.-B.; Santel, A.; Heidenreich, J.; Ahmmed, R.; Zaehres, H.; Brand-Saberi, B. Nydus One Syringe Extruder (NOSE): A Prusa i3 3D printer conversion for bioprinting applications utilizing the FRESH-method. HardwareX 2019, 6, 69–87. [Google Scholar] [CrossRef]
- Wang, Z.; Florczyk, S.J. Freeze-FRESH: A 3D printing technique to produce biomaterial scaffolds with hierarchical porosity. Materials 2020, 13, 354. [Google Scholar] [CrossRef]
- Bordoni, M.; Karabulut, E.; Kuzmenko, V.; Fantini, V.; Pansarasa, O.; Cereda, C.; Gatenholm, P. 3D printed conductive nanocellulose scaffolds for the differentiation of human neuroblastoma cells. Cells 2020, 9, 682. [Google Scholar] [CrossRef]
- Ilievski, F.; Mazzeo, A.D.; Shepherd, R.F.; Chen, X.; Whitesides, G.M. Soft robotics for chemists. Angew. Chem. 2011, 123, 1930–1935. [Google Scholar] [CrossRef]
- Skylar-Scott, M.A.; Uzel, S.G.; Nam, L.L.; Ahrens, J.H.; Truby, R.L.; Damaraju, S.; Lewis, J.A. Biomanufacturing of organ-specific tissues with high cellular density and embedded vascular channels. Sci. Adv. 2019, 5, 2459–2471. [Google Scholar] [CrossRef] [PubMed]
- Highley, C.B.; Rodell, C.B.; Burdick, J.A. Direct 3D printing of shear-thinning hydrogels into self-healing hydrogels. Adv. Mater. 2015, 27, 5075–5079. [Google Scholar] [CrossRef] [PubMed]
- LeBlanc, K.J.; Niemi, S.R.; Bennett, A.I.; Harris, K.L.; Schulze, K.D.; Sawyer, W.G.; Taylor, C.; Angelini, T.E. Stability of high speed 3D printing in liquid-like solids. ACS Biomater. Sci. Eng. 2016, 2, 1796–1799. [Google Scholar] [CrossRef] [PubMed]
- O’Bryan, C.S.; Bhattacharjee, T.; Niemi, S.R.; Balachandar, S.; Baldwin, N.; Ellison, S.T.; Taylor, C.R.; Sawyer, W.G.; Angelini, T.E. Three-dimensional printing with sacrificial materials for soft matter manufacturing. MRS Bull. 2017, 42, 571–577. [Google Scholar] [CrossRef]
- Muth, J.T.; Vogt, D.M.; Truby, R.L.; Mengüç, Y.; Kolesky, D.B.; Wood, R.J.; Lewis, J.A. Embedded 3D printing of strain sensors within highly stretchable elastomers. Adv. Mater. 2014, 26, 6307–6312. [Google Scholar] [CrossRef]
- O’Bryan, C.S.; Bhattacharjee, T.; Hart, S.; Kabb, C.P.; Schulze, K.D.; Chilakala, I.; Sumerlin, B.S.; Sawyer, W.G.; Angelini, T.E. Self-assembled micro-organogels for 3D printing silicone structures. Sci. Adv. 2017, 3, 160–167. [Google Scholar] [CrossRef]
- Bhattacharjee, T.; Gil, C.J.; Marshall, S.L.; Urueña, J.M.; O’Bryan, C.S.; Carstens, M.; Keselowsky, B.; Palmer, G.D.; Ghivizzani, S.; Gibbs, C.P. Liquid-like solids support cells in 3D. ACS Biomater. Sci. Eng. 2016, 2, 1787–1795. [Google Scholar] [CrossRef]
- Jin, Y.; Chai, W.; Huang, Y. Printability study of hydrogel solution extrusion in nanoclay yield-stress bath during printing-then-gelation biofabrication. Mater. Sci. Eng. C 2017, 80, 313–325. [Google Scholar] [CrossRef]
- Jin, Y.; Song, K.; Gellermann, N.; Huang, Y. Printing of hydrophobic materials in fumed silica nanoparticle suspension. ACS Appl. Mater. Interfaces 2019, 11, 29207–29217. [Google Scholar] [CrossRef]
- Savoji, H.; Davenport Huyer, L.; Mohammadi, M.H.; Lun Lai, B.F.; Rafatian, N.; Bannerman, D.; Radisic, M. 3D printing of vascular tubes using bioelastomer prepolymers by freeform reversible embedding. ACS Biomater. Sci. Eng. 2020, 6, 1333–1343. [Google Scholar] [CrossRef] [PubMed]
- Lei, I.M.; Zhang, D.; Gu, W.; Liu, J.; Zi, Y.; Huang, Y.Y.S. Soft Hydrogel Shapeability via Supportive Bath Matching in Embedded 3D Printing. Adv. Mater. Technol. 2023, 2300001. [Google Scholar] [CrossRef]
- Lee, S.; Sani, E.S.; Spencer, A.R.; Guan, Y.; Weiss, A.S.; Annabi, N. Human-recombinant-Elastin-based bioinks for 3D bioprinting of vascularized soft tissues. Adv. Mater. 2020, 32, 2003915. [Google Scholar] [CrossRef] [PubMed]
- Afghah, F.; Altunbek, M.; Dikyol, C.; Koc, B. Preparation and characterization of nanoclay-hydrogel composite support-bath for bioprinting of complex structures. Sci. Rep. 2020, 10, 5257. [Google Scholar] [CrossRef]
- Rocca, M.; Fragasso, A.; Liu, W.; Heinrich, M.A.; Zhang, Y.S. Embedded multimaterial extrusion bioprinting. SLAS TECHNOLOGY Transl. Life Sci. Innov. 2018, 23, 154–163. [Google Scholar] [CrossRef]
- Bayaniahangar, R.; Ahangar, S.B.; Zhang, Z.; Lee, B.P.; Pearce, J.M. 3-D printed soft magnetic helical coil actuators of iron oxide embedded polydimethylsiloxane. Sens. Actuators B Chem. 2021, 326, 128781. [Google Scholar] [CrossRef]
- Patrício, S.G.; Sousa, L.R.; Correia, T.R.; Gaspar, V.M.; Pires, L.S.; Luís, J.L.; Mano, J.F. Freeform 3D printing using a continuous viscoelastic supporting matrix. Biofabrication 2020, 12, 035017. [Google Scholar] [CrossRef]
- Lei, I.M.; Sheng, Y.; Lei, C.L.; Leow, C.; Huang, Y.Y.S. A hackable, multi-functional, and modular extrusion 3D printer for soft materials. Sci. Rep. 2022, 12, 12294. [Google Scholar] [CrossRef]
- Cidonio, G.; Cooke, M.; Glinka, M.; Dawson, J.I.; Grover, L.; Oreffo, R.O.C. Printing bone in a gel: Using nanocomposite bioink to print functionalised bone scaffolds. Mater. Today Bio 2019, 4, 100028. [Google Scholar] [CrossRef]
- Yang, B.; Liu, T.; Gao, G.; Zhang, X.; Wu, B. Fabrication of 3D GelMA Scaffolds Using Agarose Microgel Embedded Printing. Micromachines 2022, 13, 469. [Google Scholar] [CrossRef]
- Menshutina, N.; Abramov, A.; Tsygankov, P.; Lovskaya, D. Extrusion-based 3D printing for highly porous alginate materials production. Gels 2021, 7, 92. [Google Scholar] [CrossRef] [PubMed]
- Tsygankov, P.Y.; Abramov, A.A.; Menshutina, N.V. 3D-printing with gel materials for the purpose of obtaining aerogels based on sodium alginate. Chem. Ind. Today 2020, 6, 52–57. [Google Scholar]











| Heterophase System | Ink Material | Applications | Reference | Advantages | Disadvantages |
|---|---|---|---|---|---|
| Carbopol | Bioelastomer prepolymers | Vascular tubes | [21] | High transparency of the heterophase system, which allows for the ink photopolymerization; Required rheological properties specific to Herschel–Bulkley fluid | pH sensitivity of a heterophase system; Impossibility of ionic ink crosslinking, since the ions addition to a heterophase system leads to a deterioration in its rheological properties |
| Polyethylene glycol diacrylate-sodium hyaluronate | Tissue engineering | [22] | |||
| GelMA-gelatin-tropoelastin | Bioprinting of elastin containing bioink | [23] | |||
| Pluronic F-127 | Alginate | Tissue engineering | [24] | Biocompatibility; Required rheological properties, including shear-thinning; Ability to ionic ink crosslinking | Temperature sensitivity of a heterophase system |
| Alginate | Tissue engineering, pharmaceutical testing, and organs-on-chips | [25] | |||
| Polydimethylsiloxane–Iron oxide nanoparticle composite | Soft magnetic helical coil actuators | [26] | |||
| Xanthan gum methacrylate | Alginate | Tissue engineering | [27] | Biocompatibility; Required rheological properties, including shear-thinning; Ability to ionic ink crosslinking | pH sensitivity of a heterophase system |
| Alginate | Tissue engineering | [28] | |||
| Agarose | Laponite-gellan gum | Bone constructs | [29] | Biocompatibility; Required rheological properties | pH sensitivity of a heterophase system; Impossibility of ionic ink crosslinking, since the ions addition to a heterophase system leads to a deterioration in its rheological properties |
| Gelatin-methacryloyl | Tissue engineering | [30] | |||
| Nanocomposite bioink alginate-collagen | Hierarchical fibrillar structures | [31] |
| Gelatin Concentration, wt.% | Viscosity, 10−3 Pa∙s |
|---|---|
| 3.0 | 5.4 |
| 3.5 | 10.1 |
| 4.0 | 14.1 |
| 4.5 | 22.4 |
| 5.0 | 32.8 |
| Sodium Alginate Concentration, wt.% | Viscosity, Pa∙s |
|---|---|
| 2 | 0.8 |
| 3 | 1.8 |
| 4 | 5.7 |
| 5 | 8.1 |
| 6 | 24.6 |
| 7 | 44.8 |
| 8 | 67.1 |
| 9 | 118.6 |
| Concentration of Gelatin in Heterophase System, wt.% | Accuracy, % |
|---|---|
| 0 | 0 |
| 3 | 0 |
| 3.5 | 8.7 |
| 4 | 18.1 |
| 4.5 | 64.3 |
| 5 | 56.1 |
Disclaimer/Publisher’s Note: The statements, opinions and data contained in all publications are solely those of the individual author(s) and contributor(s) and not of MDPI and/or the editor(s). MDPI and/or the editor(s) disclaim responsibility for any injury to people or property resulting from any ideas, methods, instructions or products referred to in the content. |
© 2023 by the authors. Licensee MDPI, Basel, Switzerland. This article is an open access article distributed under the terms and conditions of the Creative Commons Attribution (CC BY) license (https://creativecommons.org/licenses/by/4.0/).
Share and Cite
Menshutina, N.; Abramov, A.; Okisheva, M.; Tsygankov, P. Investigation of the 3D Printing Process Utilizing a Heterophase System. Gels 2023, 9, 566. https://doi.org/10.3390/gels9070566
Menshutina N, Abramov A, Okisheva M, Tsygankov P. Investigation of the 3D Printing Process Utilizing a Heterophase System. Gels. 2023; 9(7):566. https://doi.org/10.3390/gels9070566
Chicago/Turabian StyleMenshutina, Natalia, Andrey Abramov, Maria Okisheva, and Pavel Tsygankov. 2023. "Investigation of the 3D Printing Process Utilizing a Heterophase System" Gels 9, no. 7: 566. https://doi.org/10.3390/gels9070566
APA StyleMenshutina, N., Abramov, A., Okisheva, M., & Tsygankov, P. (2023). Investigation of the 3D Printing Process Utilizing a Heterophase System. Gels, 9(7), 566. https://doi.org/10.3390/gels9070566

