Synthesis of ZnO-CuO and ZnO-Co3O4 Materials with Three-Dimensionally Ordered Macroporous Structure and Its H2S Removal Performance at Low-Temperature
Abstract
1. Introduction
2. Materials and Methods
2.1. Chemicals
2.2. Preparation of Adsorbents
2.3. Adsorbents Characterization
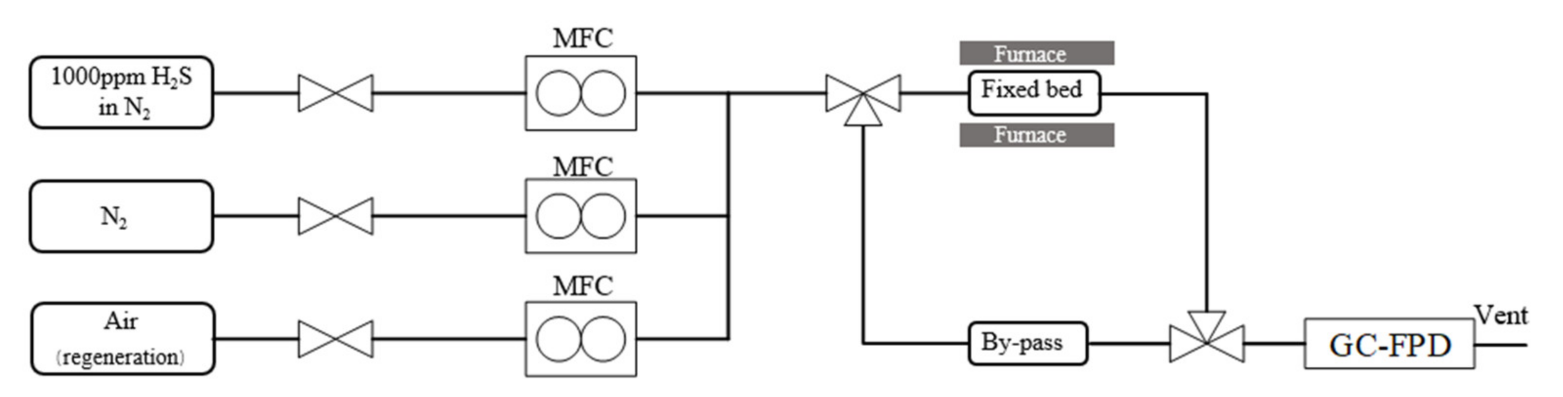
2.4. H2S Adsorption Experiments
3. Results and Discussion
3.1. Characterization of Adsorbents
3.1.1. Morphology and Porous Structure of Adsorbents
3.1.2. XRD Analysis
3.1.3. XPS Analysis
3.2. H2S Removal of Synthesized Adsorbents
3.3. Analysis of Spent Adsorbents
3.4. Successive Sulfidation-Regeneration Performance
4. Conclusions
Author Contributions
Funding
Institutional Review Board Statement
Informed Consent Statement
Acknowledgments
Conflicts of Interest
References
- Yang, C.; Yang, S.; Fan, H.; Wang, Y.; Shangguan, J. Tuning the ZnO-Activated Carbon Interaction through Nitrogen Modification for Enhancing the H2S Removal Capacity. J. Colloid Interface Sci. 2019, 555, 548–557. [Google Scholar] [CrossRef]
- Okonkwo, C.N.; Lee, J.J.; De Vylder, A.; Chiang, Y.; Thybaut, J.W.; Jones, C.W. Selective Removal of Hydrogen Sulfide from Simulated Biogas Streams Using Sterically Hindered Amine Adsorbents. Chem. Eng. J. 2020, 379, 122349. [Google Scholar] [CrossRef]
- Meng, F.N.; Di, X.P.; Dong, H.W.; Zhang, Y.; Zhu, C.L.; Li, C.; Chen, Y.J. Ppb H2S Gas Sensing Characteristics of Cu2O/CuO Sub-Microspheres at Low-Temperature. Sensors Actuators B 2013, 182, 197–204. [Google Scholar] [CrossRef]
- Lu, J.-G.; Zheng, Y.-F.; He, D.-L. Selective Absorption of H2S from Gas Mixtures into Aqueous Solutions of Blended Amines of Methyldiethanolamine and 2-Tertiarybutylamino-2-Ethoxyethanol in a Packed Column. Sep. Purif. Technol. 2006, 52, 209–217. [Google Scholar] [CrossRef]
- Xue, M.; Chitrakar, R.; Sakane, K.; Ooi, K. Screening of Adsorbents for Removal of H2S at Room Temperature. Green Chem. 2003, 5, 529–534. [Google Scholar] [CrossRef]
- Liu, X.; Wang, R. H2S Removal by Peroxo Heteropoly Compound/Ionic Liquid Solution. Fuel Process. Technol. 2017, 160, 78–85. [Google Scholar] [CrossRef]
- Westmoreland, P.R.; Harrison, D.P. Evaluation of Candidate Solids for High-Temperature Desulfurization of Low-Btu Gases. Environ. Sci. Technol. 1976, 10, 659–661. [Google Scholar] [CrossRef]
- Yang, C.; Yang, S.; Fan, H.-L.; Wang, J.; Wang, H.; Shangguan, J.; Huo, C. A Sustainable Design of ZnO-Based Adsorbent for Robust H2S Uptake and Secondary Utilization as Hydrogenation Catalyst. Chem. Eng. J. 2020, 382, 122892. [Google Scholar] [CrossRef]
- Yang, C.; Wang, Y.; Fan, H.; de Falco, G.; Yang, S.; Shangguan, J.; Bandosz, T.J. Bifunctional ZnO-MgO/Activated Carbon Adsorbents Boost H2S Room Temperature Adsorption and Catalytic Oxidation. Appl. Catal. B Environ. 2020, 266, 118674. [Google Scholar] [CrossRef]
- Sun, J.; Modi, S.; Liu, K.; Lesieur, R. Kinetics of Zinc Oxide Sulfidation for Packed-Bed Desulfurizer Modeling. Energy Fuels 2007, 21, 1863–1871. [Google Scholar] [CrossRef]
- Garces, H.F.; Galindo, H.M.; Garces, L.J.; Hunt, J.; Morey, A.; Suib, S.L. Low Temperature H2S Dry-Desulfurization with Zinc Oxide. Microporous Mesoporous Mater. 2010, 127, 190–197. [Google Scholar] [CrossRef]
- Abdullah, A.H.; Mat, R.; Somderam, S.; Abd Aziz, A.S.; Mohamed, A. Hydrogen Sulfide Adsorption by Zinc Oxide-Impregnated Zeolite (Synthesized from Malaysian Kaolin) for Biogas Desulfurization. J. Ind. Eng. Chem. 2018, 65, 334–342. [Google Scholar] [CrossRef]
- Tran, D.T. Synthesis of Porous ZnO Based Materials Using an Agarose Gel Template for H2S Desulfurization. RSC Adv. 2016, 6, 1339–1345. [Google Scholar] [CrossRef]
- Yang, C.; Wang, J.; Fan, H.; Hu, Y.; Shen, J.; Shangguan, J.; Wang, B. Activated Carbon-Assisted Fabrication of Cost-Efficient ZnO/SiO2 Desulfurizer with Characteristic of High Loadings and High Dispersion. Energy Fuels 2018, 32, 6064–6072. [Google Scholar] [CrossRef]
- Wang, X.; Sun, T.; Yang, J.; Zhao, L.; Jia, J. Low-Temperature H2S Removal from Gas Streams with SBA-15 Supported ZnO Nanoparticles. Chem. Eng. J. 2008, 142, 48–55. [Google Scholar] [CrossRef]
- Wang, X.H. Chemical Characterization of Mesoporous Material Supported ZnO Nanoparticles for Hydrogen Sulfide Capture from Gas Streams. Adv. Mater. Res. 2010, 129–131, 143–148. [Google Scholar] [CrossRef]
- Geng, Q.; Wang, L.-J.; Yang, C.; Zhang, H.-Y.; Zhao, Y.-R.; Fan, H.-L.; Huo, C. Room-Temperature Hydrogen Sulfide Removal with Zinc Oxide Nanoparticle/Molecular Sieve Prepared by Melt Infiltration. Fuel Process. Technol. 2019, 185, 26–37. [Google Scholar] [CrossRef]
- Dhage, P.; Samokhvalov, A.; Repala, D.; Duin, E.C.; Tatarchuk, B.J. Regenerable Fe–Mn–ZnO/SiO2 Sorbents for Room Temperature Removal of H2S from Fuel Reformates: Performance, Active Sites, Operando Studies. Phys. Chem. Chem. Phys. 2011, 13, 2179–2187. [Google Scholar] [CrossRef]
- Lew, S.; Sarofim, A.F.; Flytzani-Stephanopoulos, M. Sulfidation of Zinc Titanate and Zinc Oxide Solids. Ind. Eng. Chem. Res. 1992, 31, 1890–1899. [Google Scholar] [CrossRef]
- Shangguan, J.; Zhao, Y.; Fan, H.; Liang, L.; Shen, F.; Miao, M. Desulfurization Behavior of Zinc Oxide Based Sorbent Modified by the Combination of Al2O3 and K2CO3. Fuel 2013, 108, 80–84. [Google Scholar] [CrossRef]
- Balsamo, M.; Cimino, S.; de Falco, G.; Erto, A.; Lisi, L. ZnO-CuO Supported on Activated Carbon for H2S Removal at Room Temperature. Chem. Eng. J. 2016, 304, 399–407. [Google Scholar] [CrossRef]
- De Falco, G.; Montagnaro, F.; Balsamo, M.; Erto, A.; Deorsola, F.A.; Lisi, L.; Cimino, S. Synergic Effect of Zn and Cu Oxides Dispersed on Activated Carbon during Reactive Adsorption of H2S at Room Temperature. Microporous Mesoporous Mater. 2018, 257, 135–146. [Google Scholar] [CrossRef]
- Huang, Z.B.; Liu, B.S.; Wang, F.; Amin, R. Performance of Zn–Fe–Mn/MCM-48 Sorbents for High Temperature H2S Removal and Analysis of Regeneration Process. Appl. Surf. Sci. 2015, 353, 1–10. [Google Scholar] [CrossRef]
- Kanamura, K.; Akutagawa, N.; Dokko, K. Three Dimensionally Ordered Composite Solid Materials for All Solid-State Rechargeable Lithium Batteries. J. Power Sources 2005, 146, 86–89. [Google Scholar] [CrossRef]
- Wei, Y.; Liu, J.; Zhao, Z.; Duan, A.; Jiang, G. The Catalysts of Three-Dimensionally Ordered Macroporous Ce1−xZrxO2-Supported Gold Nanoparticles for Soot Combustion: The Metal–Support Interaction. J. Catal. 2012, 287, 13–29. [Google Scholar] [CrossRef]
- Xu, J.; Liu, J.; Zhao, Z.; Xu, C.; Zheng, J.; Duan, A.; Jiang, G. Easy Synthesis of Three-Dimensionally Ordered Macroporous La1−xKxCoO3 Catalysts and Their High Activities for the Catalytic Combustion of Soot. J. Catal. 2011, 282, 1–12. [Google Scholar] [CrossRef]
- Wang, L.-J.; Fan, H.-L.; Shangguan, J.; Croiset, E.; Chen, Z.; Wang, H.; Mi, J. Design of a Sorbent to Enhance Reactive Adsorption of Hydrogen Sulfide. ACS Appl. Mater. Interfaces 2014, 6, 21167–21177. [Google Scholar] [CrossRef]
- Fan, H.-L.; Sun, T.; Zhao, Y.-P.; Shangguan, J.; Lin, J.-Y. Three-Dimensionally Ordered Macroporous Iron Oxide for Removal of H2S at Medium Temperature. Environ. Sci. Technol. 2013, 47, 4859–4865. [Google Scholar] [CrossRef]
- Wang, J.; Wang, L.; Fan, H.; Wang, H.; Hu, Y.; Wang, Z. Highly Porous Copper Oxide Sorbent for H2S Capture at Ambient Temperature. Fuel 2017, 209, 329–338. [Google Scholar] [CrossRef]
- Wang, J.; Yang, C.; Zhao, Y.-R.; Fan, H.-L.; Wang, Z.-D.; Shangguan, J.; Mi, J. Synthesis of Porous Cobalt Oxide and Its Performance for H 2 S Removal at Room Temperature. Ind. Eng. Chem. Res. 2017, 56, 12621–12629. [Google Scholar] [CrossRef]
- Yang, H.; Deng, J.; Xie, S.; Jiang, Y.; Dai, H.; Au, C.T. Au/MnOx/3DOM SiO2: Highly Active Catalysts for Toluene Oxidation. Appl. Catal. A Gen. 2015, 507, 139–148. [Google Scholar] [CrossRef]
- Sawangphruk, M.; Limtrakul, J. Effects of Pore Diameters on the Pseudocapacitive Property of Three-Dimensionally Ordered Macroporous Manganese Oxide Electrodes. Mater. Lett. 2012, 68, 230–233. [Google Scholar] [CrossRef]
- Li, L.; Zhang, H.; Zhou, P.; Meng, X.; Liu, L.; Jia, J.; Sun, T. Three Dimensional Ordered Macroporous Zinc Ferrite Composited Silica Sorbents with Promotional Desulfurization and Regeneration Activity at Mid-High Temperature. Appl. Surf. Sci. 2019, 470, 177–186. [Google Scholar] [CrossRef]
- Wei, Y.; Zhao, Z.; Li, T.; Liu, J.; Duan, A.; Jiang, G. The Novel Catalysts of Truncated Polyhedron Pt Nanoparticles Supported on Three-Dimensionally Ordered Macroporous Oxides (Mn, Fe, Co, Ni, Cu) with Nanoporous Walls for Soot Combustion. Appl. Catal. B Environ. 2014, 146, 57–70. [Google Scholar] [CrossRef]
- Li, L.; Huang, X.; Hu, T.; Wang, J.; Zhang, W.; Zhang, J. Synthesis of three-dimensionally ordered macroporous composite Ag/Bi2O3–TiO2 by dual templates and its photocatalytic activities for degradation of organic pollutants under multiple modes. New J. Chem. 2014, 38, 5293. [Google Scholar] [CrossRef]
- Li, H.; Zhang, L.; Dai, H.; He, H. Facile Synthesis and Unique Physicochemical Properties of Three-Dimensionally Ordered Macroporous Magnesium Oxide, Gamma-Alumina, and Ceria−Zirconia Solid Solutions with Crystalline Mesoporous Walls. Inorg. Chem. 2009, 48, 4421–4434. [Google Scholar] [CrossRef]
- Chen, D.; Li, Z.; Wan, Y.; Tu, X.; Shi, Y.; Chen, Z.; Shen, W.; Yu, C.; Tu, B.; Zhao, D. Anionic Surfactant Induced Mesophase Transformation to Synthesize Highly Ordered Large-Pore Mesoporous Silica Structures. J. Mater. Chem. 2006, 16, 1511. [Google Scholar] [CrossRef]
- Li, W.-C.; Lu, A.-H.; Weidenthaler, C.; Schüth, F. Hard-Templating Pathway To Create Mesoporous Magnesium Oxide. Chem. Mater. 2004, 16, 5676–5681. [Google Scholar] [CrossRef]
- Yarbrough, R.; Davis, K.; Dawood, S.; Rathnayake, H. A Sol–Gel Synthesis to Prepare Size and Shape-Controlled Mesoporous Nanostructures of Binary (II–VI) Metal Oxides. RSC Adv. 2020, 10, 14134–14146. [Google Scholar] [CrossRef]
- Taufik, A.; Albert, A.; Saleh, R. Sol-Gel Synthesis of Ternary CuO/TiO2/ZnO Nanocomposites for Enhanced Photocatalytic Performance under UV and Visible Light Irradiation. J. Photochem. Photobiol. A Chem. 2017, 344, 149–162. [Google Scholar] [CrossRef]
- Cannas, C.; Casu, M.; Lai, A.; Musinu, A.; Piccaluga, G. XRD, TEM and 29Si MAS NMR Study of Sol-Gel ZnO-SiO2 Nanocomposites. J. Mater. Chem. 1999, 9, 1765–1769. [Google Scholar] [CrossRef]
- Machala, L.; Zboril, R.; Gedanken, A. Amorphous Iron(III) Oxide—A Review. J. Phys. Chem. B 2007, 111, 4003–4018. [Google Scholar] [CrossRef]
- Liu, G.; Huang, Z.-H.; Kang, F. Preparation of ZnO/SiO2 Gel Composites and Their Performance of H2S Removal at Room Temperature. J. Hazard. Mater. 2012, 215–216, 166–172. [Google Scholar] [CrossRef]
- Habibi, M.H.; Karimi, B. Application of Impregnation Combustion Method for Fabrication of Nanostructure CuO/ZnO Composite Oxide: XRD, FESEM, DRS and FTIR Study. J. Ind. Eng. Chem. 2014, 20, 1566–1570. [Google Scholar] [CrossRef]
- Sujinnapram, S.; Onreabroy, W.; Nantawisarakul, T.; Chia, S.-P.; Ratnavelu, K.; Muhamad, M.R. XRD, Photoluminescence and Optical Absorption Investigations of Cobalt-Doped ZnO. In Proceedings of the AIP Conference; AIP: Kuala Lumpur, Malaysia, 2009; pp. 340–343. [Google Scholar]
- Zhu, L.; Li, H.; Liu, Z.; Xia, P.; Xie, Y.; Xiong, D. Synthesis of the 0D/3D CuO/ZnO Heterojunction with Enhanced Photocatalytic Activity. J. Phys. Chem. C 2018, 122, 9531–9539. [Google Scholar] [CrossRef]
- Lee, Y.-H.; Ju, H.; Rha, S.-K.; Lee, S.-H.; Lee, Y.-S. Anode Effects in Electroplated Cu Film. J. Surf. Anal. 2011, 17, 282–286. [Google Scholar] [CrossRef][Green Version]
- Li, L.; Sun, T.H.; Shu, C.H.; Zhang, H.B. Low Temperature H2S Removal with 3-D Structural Mesoporous Molecular Sieves Supported ZnO from Gas Stream. J. Hazard. Mater. 2016, 311, 142–150. [Google Scholar] [CrossRef]
- Hussain, M.; Abbas, N.; Fino, D.; Russo, N. Novel Mesoporous Silica Supported ZnO Adsorbents for the Desulphurization of Biogas at Low Temperatures. Chem. Eng. J. 2012, 188, 222–232. [Google Scholar] [CrossRef]
- Montes, D.; Tocuyo, E.; González, E.; Rodríguez, D.; Solano, R.; Atencio, R.; Ramos, M.A.; Moronta, A. Reactive H2S Chemisorption on Mesoporous Silica Molecular Sieve-Supported CuO or ZnO. Microporous Mesoporous Mater. 2013, 168, 111–120. [Google Scholar] [CrossRef]
- Gebhardt, J.E.; McCarron, J.J.; Richardson, P.E.; Buckley, A.N. The Effect of Cathodic Treatment on the Anodic Polarization of Copper Sulfides. Hydrometallurgy 1986, 17, 27–38. [Google Scholar] [CrossRef]
- Nefedov, V.I. A Comparison of Results of an ESCA Study of Nonconducting Solids Using Spectrometers of Different Constructions. J. Electron. Spectrosc. Relat. Phenom. 1982, 25, 29–47. [Google Scholar] [CrossRef]
- Strohmeier, B.R.; Levden, D.E.; Field, R.S.; Hercules, D.M. Surface Spectroscopic Characterization of CuAl2O3 Catalysts. J. Catal. 1985, 94, 514–530. [Google Scholar] [CrossRef]
- Biesinger, M.C.; Payne, B.P.; Grosvenor, A.P.; Lau, L.W.M.; Gerson, A.R.; Smart, R.S.C. Resolving Surface Chemical States in XPS Analysis of First Row Transition Metals, Oxides and Hydroxides: Cr, Mn, Fe, Co and Ni. Appl. Surf. Sci. 2011, 257, 2717–2730. [Google Scholar] [CrossRef]
- Madec, L.; Xia, J.; Petibon, R.; Nelson, K.J.; Sun, J.-P.; Hill, I.G.; Dahn, J.R. Effect of Sulfate Electrolyte Additives on LiNi1/3Mn1/3Co1/3O2/Graphite Pouch Cell Lifetime: Correlation between XPS Surface Studies and Electrochemical Test Results. J. Phys. Chem. C 2014, 118, 29608–29622. [Google Scholar] [CrossRef]












| Name | SBET (m3/g) | Vt (cm3/g) | dBJH (nm) |
|---|---|---|---|
| 3DOM-Zn | 187.1 | 0.467 | 3.361 |
| 3DOM-Zn0.33Cu0.66 | 213.2 | 0.335 | 3.387 |
| 3DOM-Zn0.5Cu0.5 | 209.1 | 0.379 | 3.423 |
| 3DOM-Zn0.66Cu0.33 | 198.4 | 0.337 | 3.437 |
| 3DOM-Zn0.33Co0.66 | 237.1 | 0.288 | 3.405 |
| 3DOM-Zn0.5Co0.5 | 217.5 | 0.264 | 3.347 |
| 3DOM-Zn0.66Co0.33 | 221.7 | 0.442 | 3.389 |
| Adsorbents | Proportion of Metal Oxide (%) | Feed Gas Composition | Synthesis Temperature (°C) | Desulfurizaion Temperature (°C) | Breakthrough Capacity (mg/g Sorbent) | Ref. |
|---|---|---|---|---|---|---|
| 3DOM-CuO/SiO2 | 50 | 500 mg/m3 H2S, N2 balance | 500 | Room temperature | 97 | [29] |
| 3DOM-Co3O4/SiO2 | 57 | 3% H2O, 500 mg/m3 H2S, N2 balance | 500 | 30 | 75 | [30] |
| 3DOM-Fe2O3/SiO2 | 71.8–72.3 | 300 mg/m3 H2S, 5 % H2, N2 balance | 500 | 350 | 38.92 | [28] |
| Z30/K6 | 30 | 800 ppm H2S, N2 balance | 300 | Room temperature | 37.6 | [48] |
| ZnO/SBA-15-F | 15 | 200 ppm H2S, N2 balance | 550 | Room temperature | 21.8 | [49] |
| 20Cu/MSU-1 | 20 | 5% H2S, 95% CH4 | 450 | Room temperature | 18.3 | [50] |
| SZ-30-400 | 30 | 100 ppm H2S, N2 balance | 400 | Room temperature | 90.7 | [43] |
| 3DOM-Zn | 30 | 200 ppm H2S, N2 balance | 500 | 150 | 45.9 | This work |
| 3DOM-Zn0.5Cu0.5 | 30 | 200 ppm H2S, N2 balance | 500 | 150 | 102.5 | This work |
| 3DOM-Zn0.33Co066 | 30 | 200 ppm, H2S, N2 balance | 500 | 150 | 72.7 | This work |
Publisher’s Note: MDPI stays neutral with regard to jurisdictional claims in published maps and institutional affiliations. |
© 2021 by the authors. Licensee MDPI, Basel, Switzerland. This article is an open access article distributed under the terms and conditions of the Creative Commons Attribution (CC BY) license (https://creativecommons.org/licenses/by/4.0/).
Share and Cite
Yu, T.; Chen, Z.; Wang, Y.; Xu, J. Synthesis of ZnO-CuO and ZnO-Co3O4 Materials with Three-Dimensionally Ordered Macroporous Structure and Its H2S Removal Performance at Low-Temperature. Processes 2021, 9, 1925. https://doi.org/10.3390/pr9111925
Yu T, Chen Z, Wang Y, Xu J. Synthesis of ZnO-CuO and ZnO-Co3O4 Materials with Three-Dimensionally Ordered Macroporous Structure and Its H2S Removal Performance at Low-Temperature. Processes. 2021; 9(11):1925. https://doi.org/10.3390/pr9111925
Chicago/Turabian StyleYu, Tao, Zhuo Chen, Yundong Wang, and Jianhong Xu. 2021. "Synthesis of ZnO-CuO and ZnO-Co3O4 Materials with Three-Dimensionally Ordered Macroporous Structure and Its H2S Removal Performance at Low-Temperature" Processes 9, no. 11: 1925. https://doi.org/10.3390/pr9111925
APA StyleYu, T., Chen, Z., Wang, Y., & Xu, J. (2021). Synthesis of ZnO-CuO and ZnO-Co3O4 Materials with Three-Dimensionally Ordered Macroporous Structure and Its H2S Removal Performance at Low-Temperature. Processes, 9(11), 1925. https://doi.org/10.3390/pr9111925
