Experimental Research on the Optimization and Evaluation of the Polymer/Chromium-Ion Deep Profile Control System for the Fractured Low-Permeability Reservoirs
Abstract
:1. Introduction
2. The Optimization of the Polymer/Chromium Ion Profile Control System
2.1. The Viscosity Test Experiment
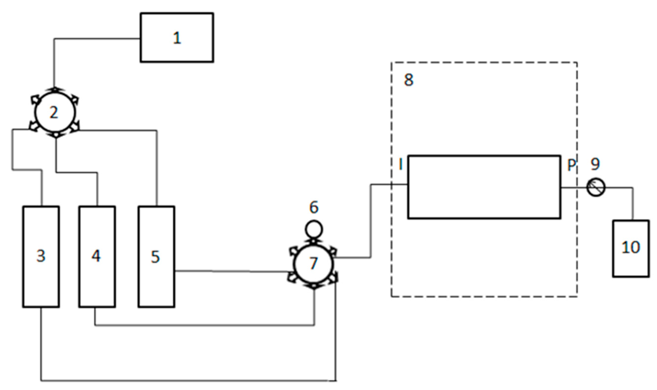
2.1.1. Experimental Devices and Materials
2.1.2. The Experimental Process
2.2. Determination of Molecular Weight and Concentration of Polymer
2.2.1. The Molecular Weight of the Polymer
2.2.2. The Polymer Concentration
2.3. The Optimization of Formulation System of the Chromium Ion Crosslinking Agent
2.3.1. The Optimal Formulation of the Crosslinking Agent
2.3.2. The Optimization of the Crosslinking Agent Concentration
2.4. The Assisting Agent Optimization
2.4.1. The Stabilizer
2.4.2. The Crosslinking Speed Regulator
2.5. The Shearing Resistance
3. Adaptability Evaluation of the Profile Control System for the Fractured Low-Permeability Reservoirs
3.1. The Fluidity Experiment
3.1.1. Testing Principle of the Experimental Parameters
3.1.2. Experimental Devices and Materials
3.1.3. The Experimental Process
3.1.4. Results and Discussion
4. The Evaluation of the Oil Displacement Effect
4.1. The Experimental Device and Process
4.2. The Experimental Materials
4.3. The Experimental Scheme
4.4. Results and Discussion
5. Conclusions
Author Contributions
Funding
Conflicts of Interest
Abbreviations
| ASP | That is ternary composite system which is one of the most effective technologies for tertiary oil recovery, which includes alkali, surfactant and polymer. |
| JCYJ-1 | It is a kind of volume expansion profile control agent with temperature and salt resistance, which is developed according to the characteristics of qian43 formation in Jianghan Oilfield. |
| JCDC-1 | It is a kind of delayed bonding profile control agent with good injection performance. |
| PI | PI decision-making technology is based on the wellhead pressure drop curve of water injection well, and the PI value of water injection well is calculated from the pressure drop curve of water injection well head. It reflects the change of wellhead pressure with time. Where: PI: pressure index of water injection well (MPa) |
| PV | It refers to the number of PV injected into the injection well, that is, the volume of polymer solution injected into the ground accounts for the total underground pore volume (unit PV). |
References
- Hua, Z.; Lin, M.; Dong, Z.; Li, M. Study of deep profile control and oil displacement technologies with nanoscale polymer microspheres. J. Colloid Interface Sci. 2014, 424, 67–74. [Google Scholar] [CrossRef] [PubMed]
- Chen, C.; Wang, H.H.; Liu, Q.W. Influence of a crosslinked polymer profile-control agent on oil reservoir permeability. Chem. Technol. Fuels Oils 2017, 53, 135–139. [Google Scholar] [CrossRef]
- Wei, J.G. Evaluation of the gel profile control agent polyacrylamide in enhanced oil recovery. Adv. Pet. Explor. Dev. 2013, 5, 348–352. [Google Scholar]
- Li, Y.Q.; Jia, J.F. Screening the formula of deep profile control for class II reservoirs in sanan oilfield. Spec. Oil Gas Reserv. 2010, 4, 27. [Google Scholar]
- Zhou, Y.Z.; Yin, D.Y.; Zhang, C.L. Preparation and plug optimization of profile control agent in asp flooding. Pet. Geol. Recovery Effic. 2014, 21, 73–76. [Google Scholar]
- Wang, C.S.; Sun, Y.F.; Dong, G.Q.; Yu, H.Y.; Xu, Y.J. The development of the new high temperature resistance profile control agent which is compound with inorganic particles and ge. Adv. Pet. Explor. Dev. 2014, 7, 67–71. [Google Scholar]
- Lu, X.G.; Zhao, L.L.; Zhang, K. Effect and analysis on cr3⁺ gel improving profile control in alkalescent alkaline/surfactant/polymer flooding. J. Appl. Polym. Sci. 2009, 112, 2773–2780. [Google Scholar] [CrossRef]
- Liu, X.J. The research and application of profile control for low porosity and poor permeability fracture reservoir in baolang oilfield. J. Chongqing Univ. Sci. 2005. [Google Scholar] [CrossRef]
- Li, J.J.; Xiong, C.M.; Bai, Y.R.; Jiang, R.Y.; Wei, F.L.; Zhang, M. Leak-off behavior and water shut-off performance of a polymer/chromium(Cr3+) gel in fractured media. J. Cent. South Univ. 2017, 24, 1418–1429. [Google Scholar] [CrossRef]
- Iskander, G.; Nurxat, N.; Sarkyt, K. Bulk gels for permeability reduction in fractured and matrix reservoirs. Energy Rep. 2019, 5, 733–746. [Google Scholar]
- Mao, X. Optimization of chemical profile control agent in Naiman Oilfield. Technol. Wind 2020, 9, 157. [Google Scholar]
- Liu, X.B.; Shang, H.Z. Evaluation of dynamic gel forming performance of gel profile control agent in deep formation. Daqing Pet. Geol. Dev. 2020, 39, 86–90. [Google Scholar]
- Liu, J.X. Selection of water plugging and profile control formula system for Chang 6 reservoir in Hujianshan. Xi’an Shiyou Univ. 2018, 22–40. [Google Scholar]
- Shi, Z.M.; Wang, C.Y.; Pan, J.L. Formulation optimization of deep profile control agent. Contemp. Chem. Ind. 2018, 47, 831–835. [Google Scholar]
- Xu, C.M.; Li, X.W.; Guo, F.Y.; Yang, H.E.; Li, Y.T.; Wang, X.H. Method for carrying out profile control on fracture-type oil reservoir. Acta Petrolei Senica 2013, 932–937. [Google Scholar]
- Lin, L.J. Study on the response characteristics of oil wells after deep profile control in low permeability fractured reservoirs. Open Phys. 2018, 16, 832–838. [Google Scholar] [CrossRef]
- Li, Z.J.; Wu, W.M.; Pan, Y.Q.; He, S.W.; Ren, W.B.; Feng, Y.B. Sand-carrying profile control agent composition of fracture-cave type oil deposit and profile control method of profile control agent. J. Southwest Pet. Univ. (Sci. Technol. Ed.) 2012, 34, 83–87. [Google Scholar]
- Wang, X.; Guo, C.; Yang, T.; Li, H. Development and experimental evaluation of profile control physical model for low permeability fractured reservoir. Oilfield Chem. 2017, 34, 265–269, 284. [Google Scholar]
- Wu, Y.K. Research and application of profile control technology for low permeability reservoirs with high temperature and high salt. Pet. Geol. Eng. 2013, 4, 38. [Google Scholar]
- Shi, Y.; Xie, J.Y.; Gao, W. The application of pi decision technology on water plugging and profile control in oilfield. J. Xinjiang Pet. Inst. 2002, 50–52. [Google Scholar] [CrossRef]
- Zhang, L.S.; Shao, H.B.; Yao, H.S. Research and application of the deep profile control techology in fractured reservoirs with extra-low permeability. Reserv. Eval. Dev. 2011, 3, 58–61. [Google Scholar]
- Cao, Y.; Yue, X.A.; Yang, S.R.; Li, X.S.; Wang, M.; Hao, L.L. Preparation and evaluation of gel oily sludge profile control system. Oil Drill. Prod. Technol. 2012, 34, 77–80. [Google Scholar]
- Peng, Q.G.; Huang, B.; Yang, W.Y.; Chen, W.Y.; Meng, K.Q. EPMSC profile control echnology for a horizontal well in Bohai Oilfiel. Oilfield Chem. 2019, 36, 450–455. [Google Scholar]
- Jia, L. Water shutoff and profile control technology for fractured reservoirs with low permeability and ultra-low permeability. Petrochem. Ind. Technol. 2019, 26, 7. [Google Scholar]
- Li, Y. Study on particle plugging agent for fractured vuggy reservoir. China Univ. Pet. 2018. [Google Scholar] [CrossRef]
- He, T.; Wang, J.; Yu, H.; Xu, P.; Liu, X.W. Study on Mechanism of multiple rounds profile control in fractured water flooding reservoir. Reserv. Eval. Dev. 2018, 8, 68–72. [Google Scholar]
- Quan, H.H.; Zhu, Y.S.; Zhang, Z. Study on reasonable waterflooding development strategy for fractured low permeability reservoir. Ground Water 2018, 40, 90–92, 124. [Google Scholar]












| Polymer Molecular Weight (g·mol−1) | Time (d) | |||||||||
|---|---|---|---|---|---|---|---|---|---|---|
| 0 | 0.5 | 1 | 1.5 | 3 | 5 | 8 | 12 | 20 | 30 | |
| Viscosity (mpa·s) | ||||||||||
| 8 million | 20 | 20 | 60 | 120 | 200 | 320 | 290 | 230 | 140 | 84 |
| 10 million | 14 | 96 | 180 | 230 | 400 | 641 | 640 | 520 | 430 | 360 |
| 13 million | 19 | 177 | 348 | 636 | 1285 | 1709 | 1709 | 1603 | 1444 | 1371 |
| 16 million | 33 | 268 | 551 | 1780 | 2759 | 2869 | 2737 | 2565 | 2393 | 2250 |
| 19 million | 58 | 421 | 1806 | 2870 | 3280 | 3499 | 3397 | 3346 | 3276 | 3170 |
| Molecular Weight (g·mol−1) | Concentration (mg·L−1) | |||
|---|---|---|---|---|
| 500 | 1000 | 1500 | 2000 | |
| Gelling Time (Day) | ||||
| 1300 | 3 | 2.7 | 2.5 | 2.4 |
| 1600 | 3 | 2.1 | 2.1 | 2 |
| 1900 | 2.5 | 1.5 | 1.5 | 1.4 |
| Name | Chromium Chloride | Lactic Acid | Sodium Hydroxide |
|---|---|---|---|
| Content (%) | 2.56 | 2.61 | 1.87 |
| Molecular Weight of Polymer (10,000) | Polymer Concentration (mg·L−1) | Formulation of the Crosslinking Agent | Crosslinking Agent Concentration (mg·L−1) | Assisting Agent Concentration (mg·L−1) | ||||
|---|---|---|---|---|---|---|---|---|
| 1600 | 1000–1500 | CrCl3 | lactic acid | NaOH | 150 | Thiourea | NaCl | NaHCO3 |
| 1900 | 500–1000 | 2.56% | 2.61% | 1.87% | 900 | 800 | 700 | |
| Core No. | Porosity (%) | |||
|---|---|---|---|---|
| Measured with Gas | Measured with Water | |||
| #3-1 | 17.6 | 30 | / | / |
| #3-2 | 18.5 | 32.1 | / | / |
| #3-3 | 17.4 | 28.8 | / | / |
| #3-4 | 18.2 | 32.2 | 198.85 | 6.2 |
| #3-5 | 18.3 | 31.2 | 192.96 | 6.2 |
| #3-6 | 17.9 | 31.6 | 196.95 | 6.2 |
| Core No. | Fracture Existence | Molecular Weight of Polymer (×10,000) | Concentration (mg/L) | Water Drive Pressure Difference (MPa) | Pressure Difference of Profile Control and Displacement (MPa) | Pressure Difference of Subsequent Water Drive (MPa) | Resistance Coefficient | Plugging Rate (%) | Coefficient of Residual Resistance | Injectability |
|---|---|---|---|---|---|---|---|---|---|---|
| #3-1 | × | 1600 | 1000 | 0.030 | / | / | / | / | / | Non injectable |
| #3-2 | × | 1900 | 500 | 0.030 | / | / | / | / | / | Non injectable |
| #3-3 | √ | 1600 | 1000 | 0.012 | 0.211 | 0.895 | 19.2 | 87.6 | 81.4 | Injectable |
| #3-4 | √ | 1900 | 500 | 0.011 | / | / | / | / | / | Non injectable |
| Core No. | #4-1 | #4-2 | #4-3 | #4-4 | |
| Core size (cm) | Length | 32 | 32 | 32 | 32 |
| Width | 4.9 | 4.9 | 5 | 4.9 | |
| Height | 5.1 | 5 | 4.9 | 5 | |
| Volume (cm3) | 799.7 | 784 | 784 | 784 | |
| Porosity (%) | 17.5 | 17.7 | 17.3 | 17.2 | |
| Pore volume (cm3) | 139.9 | 138.8 | 135.6 | 134.8 | |
| (10−3 μm2) | Measured with gas | 43.4 | 43.2 | 44.1 | 41.3 |
| Effective conversion | 29.9 | 29.8 | 30.4 | 28.5 | |
| (10−3 μm2) | Measured with water | 312.8 | 288.2 | 306.4 | 291.8 |
| Volume of saturated oil (cm3) | 86.2 | 85.5 | 83.9 | 83.6 | |
| Initial water saturation (%) | 38.4 | 38.3 | 38.1 | 37.9 | |
| Molecular weight of polymer | / | 1600 | 1600 | 1600 | |
| Polymer concentration (mg·L−1) | / | 500 | 1000 | 1500 | |
| Timing of profile control (water content) | / | 80% | 80% | 80% | |
| Dosage of the profile control agent | / | 0.15 | 0.15 | 0.15 | |
| Injection rate (mL·min−1) | / | 0.15 | 0.15 | 0.15 | |
| Remarks | Water drive | Profile control | Profile control | Profile control | |
| Recovery efficiency (%) | 39.1 | 43.8 | 46 | 47.1 | |
© 2020 by the authors. Licensee MDPI, Basel, Switzerland. This article is an open access article distributed under the terms and conditions of the Creative Commons Attribution (CC BY) license (http://creativecommons.org/licenses/by/4.0/).
Share and Cite
Yin, D.; Song, S.; Xu, Q.; Liu, K. Experimental Research on the Optimization and Evaluation of the Polymer/Chromium-Ion Deep Profile Control System for the Fractured Low-Permeability Reservoirs. Processes 2020, 8, 1021. https://doi.org/10.3390/pr8091021
Yin D, Song S, Xu Q, Liu K. Experimental Research on the Optimization and Evaluation of the Polymer/Chromium-Ion Deep Profile Control System for the Fractured Low-Permeability Reservoirs. Processes. 2020; 8(9):1021. https://doi.org/10.3390/pr8091021
Chicago/Turabian StyleYin, Daiyin, Shuang Song, Qi Xu, and Kai Liu. 2020. "Experimental Research on the Optimization and Evaluation of the Polymer/Chromium-Ion Deep Profile Control System for the Fractured Low-Permeability Reservoirs" Processes 8, no. 9: 1021. https://doi.org/10.3390/pr8091021
APA StyleYin, D., Song, S., Xu, Q., & Liu, K. (2020). Experimental Research on the Optimization and Evaluation of the Polymer/Chromium-Ion Deep Profile Control System for the Fractured Low-Permeability Reservoirs. Processes, 8(9), 1021. https://doi.org/10.3390/pr8091021

