Computational Fluid Dynamics (CFD) Simulations and Experimental Measurements in an Inductively-Coupled Plasma Generator Operating at Atmospheric Pressure: Performance Analysis and Parametric Study
Abstract
:1. Introduction
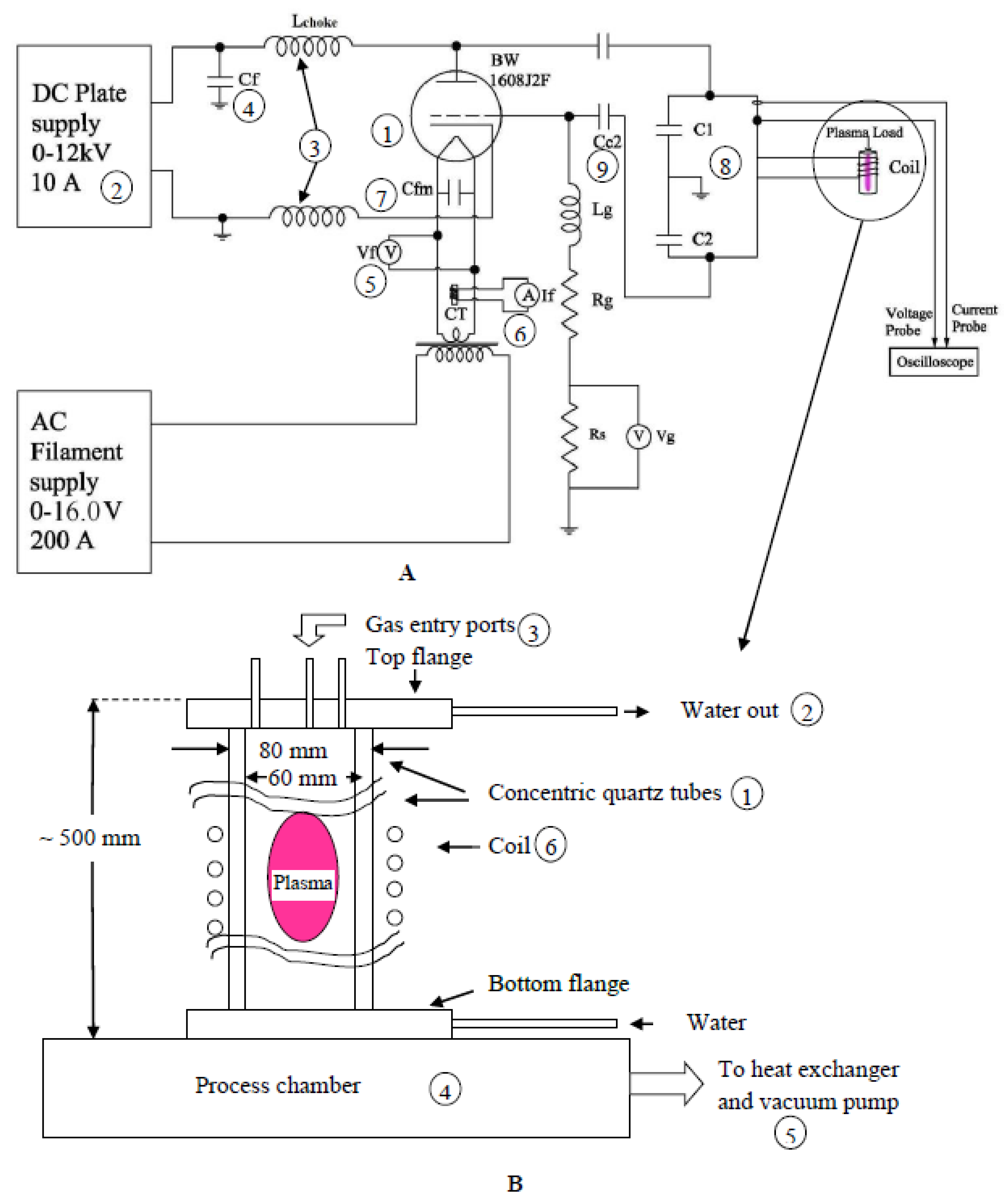
2. Experimental Set-Up
3. Experimental Measurements
3.1. Calorimetric Measurements
3.2. Electrical Measurements
3.3. Error Analysis
- DC power supply:Deviations in the voltage and current panels are given below:
- (a)
- Voltage panel: 0.25 kV
- (b)
- Current panel: 0.25 A
The combined error was calculated by the following formula:Power = V × I = (V ± ∆I) × (I ± ∆I)The voltage V = 5 KV for the present case and current I = 4 AFrom the deviations given above, the errors in the voltage and current, respectively, are 5% and 6.25%. The large errors are due to the magnitudes of power involved. For example, if we consider 20 kW power, 5 kV × 4 A = 20 kW has error due to least count of meters showing the readings. When we use the standard formula for error that is (V + ∆V) × (I + ∆I) where ∆V and ∆I are the least count of the display meters, we get 20 + 2.3125 which turns out to be resulting in an error of about 11.5%. - Water flow meter:An error of 0.5 lpm was noted. The flow rate was 5 lpm. Hence, the percentage error was 10%.
- Water temperature:An error of 0.5 °C was noted. The temperature difference (∆T) for one cooling circuit was 4 °C; hence, the error in ∆T is around 10%.
- Grid Power:Rid voltage: 0.1 V. Since the power loss in the grid is very small compared to the plate loss and other losses, the error in its measurement does not contribute much to the error in the calculation of dissipated power and thus in the calculation of oscillator efficiency.It was observed that the percentage error in the efficiencies and RF power is high at low DC power and low at high DC power. Rounding off and truncation errors are very small compared to errors due to finite least counts and, therefore, they are ignored. The overall experimental errors accounted for 20–25%.
4. Mathematical Modeling
4.1. Governing Equations, Assumptions, and Boundary Conditions
- Flow field is affected by local plasma temperature changes.
- System is axially symmetric.
- Steady-state, incompressible, turbulent flow.
- Negligible viscous dissipation.
- Local thermodynamic equilibrium (LTE).
- Volumetric power input due to ohmic heating.
- Radiation heat losses can be treated as a volumetric heat sink.
- The plasma is optically thin.
- Negligible displacement currents.
- No reactions occur inside or externally in the plasma reactor.
- Inlet conditions (z = 0):
- Centreline (r = 0):
- Wall ():where,
- Exit,
4.2. Equations for the Calculation of Impedance
4.3. Method of Solution
5. Results and Discussion
5.1. Comparison of the Present CFD Model with Literature
5.2. Comparison of Present CFD Predictions with Experimental Data
5.2.1. Temperature Profiles
5.2.2. Velocity Profiles
5.3. Distribution of DC Power in Various Elements of RF Oscillator Circuit
5.4. Variation of Oscillator Efficiency with DC Power
5.5. Variation of Plasma Resistance and Inductance
5.5.1. Variation of Resistance
Effect of Power
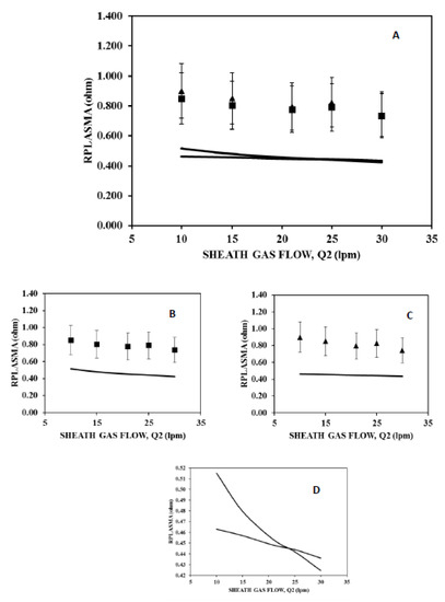
Effect of Sheath Gas Flow Rate
5.5.2. Variation of Torch Inductance
Effect of RF Power
Effect of Sheath gas Flow Rate
6. Conclusions
Author Contributions
Funding
Acknowledgments
Conflicts of Interest
Nomenclature
| Imaginary part of vector potential in Equation (19) | |
| Real part of vector potential in Equation (18) | |
| Real part of vector potential for pth volume as in Equation (19) | |
| Real part of vector potential for pth volume as in Equation (18) | |
| Vector potential in azimuthal direction | |
| Transition probability between the upper level and the lower level | |
| B | Constant |
| c | velocity of light as in Equation (3) |
| turbulence model constant | |
| turbulence model constant | |
| turbulence model constant | |
| C1 | high-voltage capacitor which are part of RF oscillator (nF) |
| C2 | high-voltage capacitor which are part of RF oscillator (nF) |
| constant used in turbulent energy dissipation equation Table 4, (-) | |
| constant used in turbulent energy dissipation equation Table 4, (-) | |
| Heat capacity of water (kJ kg−1 °C−1) | |
| dc | coil tube diameter |
| e(t) | induced voltage at the terminal of Rogowski coil (V) |
| excitation energy of the upper level u | |
| electric field in azimuthal direction | |
| complete elliptic integrals | |
| resonating frequency (MHz) | |
| radial body force | |
| axial body force | |
| production of turbulent kinetic energy | |
| function of complete elliptical integrals | |
| function of complete elliptical integrals at pth volume | |
| enthalpy | |
| radial component of magnetic field | |
| axial component of magnetic field | |
| complex conjugate of axial component of magnetic field | |
| Coil current | |
| RMS RF current across the coil | |
| DC current | |
| DC grid current | |
| current across Rogowski coil | |
| i | imaginary as in Table 4, (i = ) |
| K | Complete elliptic integrals |
| Complete elliptic integrals | |
| k | Boltzmann constant as used in Equation (2) |
| κ | Turbulent kinetic energy as in Table 4 |
| constant depending on radial and axial co-ordinates Equations (18)–(21) | |
| constant as in Equation (21) for ith volume | |
| constant as in Equation (21) for pth volume | |
| Inductance of the coil | |
| Grid choke | |
| Inductance of the plasma | |
| Inductance of the torch | |
| mass flow rate | |
| N | number of coil turns |
| P | Input power |
| pressure | |
| DC power | |
| Power loss in grid circuit | |
| Power loss in cooling water through each element i | |
| Power loss in plate circuit of the triode | |
| Q1 | central injection gas flow rate |
| Q2 | plasma gas flow rate |
| Q3 | sheath gas flow rate |
| Resistance of the coil | |
| Grid leak resistance | |
| Reflected resistance of plasma as seen by the coil | |
| transducer gain | |
| Resistance of the torch | |
| R0 | Radius of the confinement tube |
| Rc | Radius of the coil |
| Radius of ith coil | |
| S | cross-sectional area of the coil |
| Sp | Cross-section of the pth control volume |
| averaged strain term used in production term as in Table 4 | |
| Strain term as in Table 4 | |
| Absolute value of averaged strain term used in production term as in Table 4 | |
| Absolute value of strain term as in Table 4 | |
| Temperature | |
| Inside surface temperature of quartz tube | |
| Inlet temperature of cooling water | |
| Temperature rise across each element i | |
| Ti | integrator time constant |
| Outlet temperature of cooling water | |
| local energy dissipation rate | |
| Volumetric radiation heat losses | |
| Radial component of velocity | |
| Tangential (swirl) component of velocity in Equation (11) | |
| Tangential (swirl) component of velocity for a particular radius range as in Equation (11) | |
| Tangential (swirl) component of velocity for a particular radius range as in Equation (11) | |
| Axial component of velocity | |
| DC voltage | |
| RMS RF voltage across the coil | |
| Vm | output voltage at the terminal of the current transducer |
| Reactive part of the torch | |
| Impedance of inductively coupled plasma torch | |
| Distance in axial direction | |
| Height of the boundary at pth control volume. | |
| Height of the ith coil | |
| Greek symbol | |
| Thermal diffusivity | |
| Tube wall thickness | |
| Thermal conductivity | |
| Thermal conductivity of the quartz confinement tube ( = 1.047 W/mK) | |
| Permeability of free space | |
| Angular frequency | |
| Density | |
| kinematic viscosity | |
| dynamic viscosity | |
| Electrical conductivity | |
| Electrical conductivity at pth control volume | |
| Subscript | |
| C | coil |
| dc | direct current |
| g | grid |
| i | element |
| in | inlet |
| o | outlet |
| P | Plasma |
| T | Torch |
| Abbreviation | |
| 2D | Two dimensional |
| DSO | Digital Storage Oscilloscope |
| ICP | Inductively Coupled Plasma |
| ID | Inner diameter |
| OD | Outer diameter |
| RF | Radio frequency |
References
- Chen, M.Y.; Johnson, D.L. Effects of additive gases on radio-frequency plasma sintering of alumina. J. Mater. Sci. 1992, 27, 191–196. [Google Scholar] [CrossRef]
- Owano, T.G.; Kruger, C.H. Parametric study of atmospheric-pressure diamond synthesis with an inductively coupled plasma torch. Plasma Chem. Plasma Process. 1993, 13, 433–446. [Google Scholar] [CrossRef]
- Bolous, M.I. The Inductively Coupled Radio Frequency Plasma. High Temp. Mater. Processes 1997, 1, 17–39. [Google Scholar] [CrossRef]
- Shigeta, M.; Sato, T.; Nishiyama, H. Numerical simulation of a potassium-seeded turbulent RF inductively coupled plasma with particles. Thin Solid Films 2003, 435, 5–12. [Google Scholar] [CrossRef]
- Miller, R.C.; Ayen, R.J. Temperature profiles and energy balances for an inductively coupled plasma torch. J. Appl. Phys. 1969, 40, 5260–5273. [Google Scholar] [CrossRef]
- Yang, J.G.; Yoon, N.S.; Kim, B.C.; Choi, J.H.; Lee, G.S.; Hwang, S.M. Power absorption characteristics of an inductively coupled plasma discharge. IEEE Trans. Plasma Sci. 1999, 27, 676–681. [Google Scholar] [CrossRef]
- Punjabi, S.B.; Das, T.K.; Joshi, N.K.; Mangalvedekar, H.A.; Lande, B.K.; Das, A.K. The effect of various coil parameters on ICP torch simulation. J. Phys. Conf. Ser. 2010, 208, 012048. [Google Scholar] [CrossRef]
- Chentouf, A.; Fouladgar, J.; Develey, G. A simplified method for the calculation of the impedance of an induction plasma. IEEE Trans. Magn. 1995, 31, 2100–2103. [Google Scholar] [CrossRef]
- Fouladgar, J.; Chentouf, A. The calculation of the impedance of an induction plasma installation by a hybrid finite element boundary element method. IEEE Trans. Magn. 1993, 29, 2479–2481. [Google Scholar] [CrossRef]
- Kim, J.; Mostaghimi, J.; Iravani, R. Performance analysis of a radio frequency induction plasma generator using nonlinear state space approach. IEEE Trans. Plasma Sci. 1997, 25, 1023–1028. [Google Scholar] [CrossRef]
- Merkhouf, A.; Boulos, M.I. Integrated model for the radio frequency induction plasma torch and power supply system. Plasma Sources Sci. Technol. 1998, 7, 599–606. [Google Scholar] [CrossRef]
- Merkhouf, A.; Boulos, M.I. Distributed energy analysis for an integrated radio frequency induction plasma system. J. Phys. D: Appl. Phys. 2000, 33, 1581–1587. [Google Scholar] [CrossRef]
- Colombo, V.; Concetti, A.; Ghedini, E.; Gherardi, M.; Sanibondi, P. Three-Dimensional Time-Dependent Large Eddy Simulation of Turbulent Flows in an Inductively Coupled Thermal Plasma Torch with a Reaction Chamber. IEEE Trans. Plasma Sci. 2011, 39, 2894–2895. [Google Scholar] [CrossRef]
- Shigeta, M. Time-dependent 3D simulation of an argon RF inductively coupled thermal plasma. Plasma Sources Sci. Technol. 2012, 21, 055029. [Google Scholar] [CrossRef]
- Shigeta, M. Three-dimensional flow dynamics of an argon RF plasma with dc jet assistance: A numerical study. J. Phys. D: Appl. Phys. 2013, 46, 015401. [Google Scholar] [CrossRef]
- Biswal, S. Performance Analysis and Estimation of Electrical Parameters for a 50 kW, 4 MHz Inductively Coupled Plasma Reactor; Technical Report; Veermata Jijabai Technical Institute: Mumbai, India, 2007. [Google Scholar]
- Terman, F. Electronics and radio engineering; Mc-Graw-Hill: New York, NY, USA, 1955. [Google Scholar]
- Farouk, T.; Farouk, B.; Gutsol, A.; Fridman, A. Atmospheric pressure radio frequency glow discharges in argon: effects of external matching circuit parameters. Plasma Sources Sci. Technol. 2008, 17, 035015. [Google Scholar] [CrossRef]
- Farouk, T.; Farouk, B.; Gutsol, A.; Fridman, A. Atmospheric pressure methane–hydrogen dc micro-glow discharge for thin film deposition. J. Phys. D: Appl. Phys. 2008, 41, 175202. [Google Scholar] [CrossRef]
- Farouk, T.; Farouk, B.; Fridman, A. Computational Studies of Atmospheric-Pressure Methane–Hydrogen DC Micro Glow Discharges. IEEE Trans. Plasma Sci. 2010, 38, 73–85. [Google Scholar] [CrossRef]
- Punjabi, S.B.; Sahasrabuddhe, S.N.; Ghorui, S.; Joshi, N.K.; Das, A.K.; Kothari, D.C.; Ganguli, A.A.; Joshi, J.B. Flow and temperature patterns in the coil region of Inductively Coupled Plasma Reactor: Experimental measurements and CFD simulations. AIChE J. 2014, 60, 3647–3664. [Google Scholar] [CrossRef]
- Lesinski, J.; Gagne, R.; Boulos, M.I. Gas and Particle Velocity Measurements in an Induction Plasma; Technical Report; University of Sherbrooke: Sherbrooke, QC, Canada, 1981. [Google Scholar]






30 lpm.
30 lpm.



30 lpm; 1. 10 lpm; 2. 30 lpm.
30 lpm; 1. 10 lpm; 2. 30 lpm.


| Authors | Geometry | Method | Assumptions † | Findings ‡ | Conclusions # | Limitations ## |
|---|---|---|---|---|---|---|
| Fouladgar and Chentouf [8] | 2D axi-symmetric geometry with frequency variable from 3 to 5 MHz. Energy and electromagnetic equations are solved | Hybrid Finite Element-Boundary Element (FE-BE) | 1, 2 | 1,2,3 | 1,2 | 1, 2, 3 |
| Chentouf et al. [9] | 2D axi-symmetric geometry with frequency variable from 3 to 5 MHz. Energy and electromagnetic equations are solved | Boundary elements- Finite Difference | 1, 2, 3 | 1, 4, 5, 6 | 3, 4 | 1, 4 |
| Kim et al. [10] | 2D model of induction plasma generator in which ICP is considered part of RF network. Simulations were carried out using two frequencies (2.39 and 4.95 MHz) | Non-linear steady state approach | 1, 4, 5, 6, 7, 8 | 7, 8, 9 | 5, 7 | 3, 5 |
| Merkhouf and Boulos [12] | 2D model is solved using k-ɛ turbulent model with non-linear analytical model of the generator circuit | Integrated model | 4, 5, 8 | 1, 10, 11, 12, 13, 14, 15 | 8 | 3, 6 |
| Merkhouf and Boulos, [11] | 2D model is solved using k-ɛ turbulent model. This work was to validate the earlier published simulated results | Integrated model | 4, 5, 8 | 16, 17, 18 | 9 | 7 |
| Components | Values |
|---|---|
| Inductance of Coil (LC) | 1.59 µH |
| Resistance of coil | 0.03 ohm |
| Number of turns of coil | 4 |
| Coil Outer diameter | 110 mm |
| Coil Inner diameter | 90 mm |
| C1 | 11.86 nF |
| C2 | 1.42 nF |
| Grid leak resistance Rg | 330 |
| Sheath Gas (lpm) | DC Power (kW) | Vc (kV) | Ic (A) | RF Power (kW) | in Deg. (Estimated) |
|---|---|---|---|---|---|
| 10 | 21.25 | 3.74 | 112.02 | 15.57 | 87.87 |
| 15.0 | 3.11 | 93.75 | 10.39 | 87.96 | |
| 9.75 | 2.67 | 79.23 | 6.37 | 88.28 | |
| 5.5 | 2.21 | 63.77 | 3.04 | 88.76 | |
| 3.75 | 2.08 | 59.20 | 1.50 | 89.30 | |
| 15 | 21.25 | 3.65 | 106.92 | 16.39 | 87.59 |
| 15.0 | 3.10 | 91.29 | 11.52 | 87.67 | |
| 9.75 | 2.60 | 76.37 | 7.14 | 87.94 | |
| 5.0 | 1.00 | 58.26 | 3.22 | 88.41 | |
| 3.75 | 1.97 | 55.81 | 1.97 | 88.97 | |
| 21 | 21.25 | 3.64 | 108.43 | 15.90 | 87.69 |
| 12.25 | 2.79 | 83.62 | 8.80 | 87.84 | |
| 7.5 | 2.13 | 62.88 | 4.80 | 87.95 | |
| 5.0 | 2.01 | 57.88 | 2.55 | 88.74 | |
| 3.75 | 1.86 | 53.34 | 1.53 | 89.11 | |
| 25 | 21.25 | 3.62 | 115.74 | 16.53 | 87.74 |
| 15.0 | 3.07 | 97.95 | 11.33 | 87.84 | |
| 9.0 | 2.49 | 78.48 | 5.76 | 88.31 | |
| 5.0 | 2.08 | 63.99 | 2.55 | 88.90 | |
| 30 | 22.5 | 4.05 | 125.19 | 16.88 | 88.09 |
| 16.0 | 3.39 | 105.43 | 11.53 | 88.15 | |
| 9.0 | 2.51 | 77.52 | 5.98 | 88.24 | |
| 5.0 | 1.93 | 58.19 | 2.54 | 88.70 | |
| 3.75 | 1.88 | 56.05 | 1.36 | 89.26 |
| Property | Equations |
|---|---|
| Continuity | |
| Axial velocity Momentum | |
| Radial velocity Momentum | where, ; ; and |
| Energy | |
| Turbulent Kinetic Energy | Turbulent kinetic energy where and |
| Energy Dissipation Rate equation | = 1.44, = 1.92 |
| Vector Potential Equation |
© 2019 by the authors. Licensee MDPI, Basel, Switzerland. This article is an open access article distributed under the terms and conditions of the Creative Commons Attribution (CC BY) license (http://creativecommons.org/licenses/by/4.0/).
Share and Cite
Punjabi, S.B.; Barve, D.N.; Joshi, N.K.; Das, A.K.; Kothari, D.C.; Ganguli, A.A.; Sahasrabhude, S.N.; Joshi, J.B. Computational Fluid Dynamics (CFD) Simulations and Experimental Measurements in an Inductively-Coupled Plasma Generator Operating at Atmospheric Pressure: Performance Analysis and Parametric Study. Processes 2019, 7, 133. https://doi.org/10.3390/pr7030133
Punjabi SB, Barve DN, Joshi NK, Das AK, Kothari DC, Ganguli AA, Sahasrabhude SN, Joshi JB. Computational Fluid Dynamics (CFD) Simulations and Experimental Measurements in an Inductively-Coupled Plasma Generator Operating at Atmospheric Pressure: Performance Analysis and Parametric Study. Processes. 2019; 7(3):133. https://doi.org/10.3390/pr7030133
Chicago/Turabian StylePunjabi, Sangeeta B., Dilip N. Barve, Narendra K. Joshi, Asoka K. Das, Dushyant C. Kothari, Arijit A. Ganguli, Sunil N. Sahasrabhude, and Jyeshtharaj B. Joshi. 2019. "Computational Fluid Dynamics (CFD) Simulations and Experimental Measurements in an Inductively-Coupled Plasma Generator Operating at Atmospheric Pressure: Performance Analysis and Parametric Study" Processes 7, no. 3: 133. https://doi.org/10.3390/pr7030133
APA StylePunjabi, S. B., Barve, D. N., Joshi, N. K., Das, A. K., Kothari, D. C., Ganguli, A. A., Sahasrabhude, S. N., & Joshi, J. B. (2019). Computational Fluid Dynamics (CFD) Simulations and Experimental Measurements in an Inductively-Coupled Plasma Generator Operating at Atmospheric Pressure: Performance Analysis and Parametric Study. Processes, 7(3), 133. https://doi.org/10.3390/pr7030133

