Next Article in Journal
Thermal Engineering of MoFeNiP Carbon Electrocatalysts for Efficient Hydrogen Evolution in Acidic and Alkaline Media
Next Article in Special Issue
Performance Improvement of Photovoltaic Panels Through Advanced Fault Detection Techniques
Previous Article in Journal
Development of a Polyurethane Lost Circulation Material Suitable for Malignant Leakage of Drilling Fluid
Previous Article in Special Issue
Electron-Shuttling and Bioenergy-Stimulating Properties of Mulberry Anthocyanins: A Mechanistic Study Linking Redox Activity to MFC Performance and Receptor Affinity
 
 
Font Type:
Arial Georgia Verdana
Font Size:
Aa Aa Aa
Line Spacing:
Column Width:
Background:
Article

Harnessing Heat Pipes for Solar-Powered Cooling: An Experimental Study of a BaCl2–NH3 Thermochemical Refrigerator

by
Francisco Christian Martínez-Tejeda
1,*,
José Andrés Alanís-Navarro
2,
Elizabeth Cadenas-Castrejón
3,
Victor Hugo Gómez-Espinoza
1,
Isaac Pilatowsky-Figueroa
1,
Ignacio Ramiro Martín Domínguez
4 and
Erick César López-Vidaña
4,5,*
1
Instituto de Energías Renovables, Universidad Nacional Autónoma de México, Temixco 62580, Morelos, Mexico
2
Departamento de Ingeniería en Energía y Desarrollo Sostenible, Universidad Politécnica del Estado de Guerrero, Taxco de Alarcón 40321, Guerrero, Mexico
3
Centro de Investigación y de Estudios Avanzados del Instituto Politécnico Nacional, Unidad Irapuato, Carretera Panamericana Irapuato-León, Irapuato 36821, Guanajuato, Mexico
4
Centro de Investigación de Materiales Avanzados S.C., Ejido Arroyo Seco, Durango 34147, Durango, Mexico
5
Secretaría de Ciencias, Humanidades, Tecnología e Innovación, Av. Insurgentes Sur 1582, Col. Crédito Constructor, Demarcación Territorial Benito Juárez, Ciudad de México 03940, Mexico
*
Authors to whom correspondence should be addressed.
Processes 2025, 13(11), 3708; https://doi.org/10.3390/pr13113708
Submission received: 25 September 2025 / Revised: 4 November 2025 / Accepted: 10 November 2025 / Published: 17 November 2025
(This article belongs to the Special Issue Advances in Renewable Energy Systems (2nd Edition))

Abstract

This study presents the experimental and thermodynamic evaluation of a solar thermochemical refrigeration system (STRS) powered by evacuated tube solar collectors with heat pipes as thermal energy sources, using industrial-grade BaCl2–NH3. The system was designed to produce refrigeration and ice using industrial-grade BaCl2–NH3 without additional additives or electrical input. Experimental tests were conducted under real-world conditions, with generation temperatures between 55 and 66 °C and solar irradiance of 750 to 900 W/m2. The system achieved efficient ammonia desorption, yielding up to 4.2 L of refrigerant and demonstrating repeatable operation over several thermochemical cycles. During the nighttime absorption–evaporation process, the STRS reached evaporation temperatures of −7 to −3 °C and absorption temperatures between 24 and 31 °C, suitable for ice production. The internal coefficient of performance ranged from 0.244 to 0.307, with an overall efficiency of 0.146 to 0.206. The experimental data obtained were used to derive pressure–temperature equilibrium equations for the BaCl2–NH3 working pair, yielding correlation coefficients greater than 0.98, which confirms thermodynamic consistency. The results demonstrate that additive-free, industrial-grade BaCl2 can achieve high efficiency at low temperatures, making this system a cost-effective and sustainable alternative for refrigeration and cold storage in rural areas. This research contributes new experimental knowledge on low-temperature thermochemical refrigeration and supports future development toward quasi-continuous optimization cycles based on experimental data.

Graphical Abstract

1. Introduction

Energy consumption and carbon dioxide (CO2) emissions worldwide continue to increase yearly [1]. Among the different forms of energy produced globally, electricity is the most consumed, as it drives both productive and service activities. One of the most energy-intensive technologies worldwide is vapor-compression refrigeration, which is estimated to account for approximately 30% of total electricity consumption [2]. Although this technology is the most widely used for cooling, it poses two major environmental issues: first, it indirectly emits CO2 into the atmosphere by relying on electricity; second, it employs toxic refrigerant gases that directly harm the ozone layer, reducing its capacity to absorb shortwave ultraviolet solar radiation and thereby contributing to global warming through the greenhouse effect [3].
For this reason, it is urgent to seek alternatives to vapor-compression technology to reduce or eliminate electricity consumption while using refrigerants with minimal environmental impact, such as water, ammonia, amines, and alcohols. A promising alternative is sorption refrigeration (absorption, adsorption, and thermochemical refrigeration). These technologies operate using thermal energy instead of electricity. The required thermal energy can be sourced from solar, geothermal, biomass, or industrial waste heat. Sorption refrigeration and solar energy complement each other well, as the highest cooling demand coincides with periods of high solar irradiance (I).
Thermal refrigeration encompasses absorption (liquid–gas), adsorption (solid–gas), and chemical reactions between solids and refrigerant vapors (solid–gas absorption). In adsorption refrigeration, the adsorbent is a compact or granular solid, while the adsorbate is the refrigerant, with adsorption being characterized by physical bonding through Van der Waals forces. Commonly used working pairs include silica gel–water, zeolite–water, activated carbon–methanol, activated carbon–ethanol, and activated carbon–ammonia [4,5].
In absorption refrigeration, liquid or solid absorbents are used, and the absorbate is the refrigerant, interacting exothermically with the absorbent to form a new compound, typically named after the gaseous refrigerant used (e.g., ammoniates, aminates, hydrates, and alcoholates).
For absorption cooling systems using liquids, the H2O–NH3 and LiBr–NH3 working pairs are the most commonly employed [6,7]. In contrast, for solid absorption, alkali and alkaline earth metal halide salts with ammonia have been widely studied in recent decades, including CaCl2–NH3 [8,9,10], SrCl2–NH3 [11], and BaCl2–NH3 [12,13]. In the generation process (i.e., separation of the refrigerant from the solid), thermal energy is supplied, making the thermal conductivity of the solid absorbent a critical factor. However, alkali metal salts have low thermal conductivity, in the range of 0.1 to 0.2 W/m·K [14], and tend to agglomerate during absorption, which can hinder performance. Matrix additives have been introduced to prevent agglomeration while enhancing thermal conductivity to mitigate this issue. Various materials have been proposed for this purpose, including expanded graphite [15], vermiculite [16,17], sibunit carbon, and Al2O3 [17].
For many years, thermal refrigeration systems have been developed using conventional and renewable energy sources, ranging from prototypes to fully functional refrigeration systems. These technologies have primarily been applied to space cooling, ice production, and food preservation [18].
Several theoretical and laboratory-scale studies have investigated the operation of the BaCl2–NH3 pair, with some using pure salt [12,13] while others combine it with materials such as expanded graphite, vermiculite, etc. [19,20,21]. However, few BaCl2–NH3 system prototypes operate directly or indirectly with solar thermal technology. Previous studies have been conducted with interesting results, which are mentioned below.
Driss Stitou [22] developed a pilot solar air-conditioning plant with a capacity of 20 kWh, providing a temperature of 4 °C for residential buildings in France. He used BaCl2 mixed with natural expanded graphite and flat-plate solar collectors, achieving cold production of 0.8 to 1.2 kWh per square meter of collector area. The annual efficiency of the solar collectors was between 40% and 50%, while the process COP ranged from 40% to 50%. On the other hand, N. Le Pierrès (2008) designed a thermochemical process to cool 560 L to −30 °C using solar energy at 70 °C, obtaining a COP between 0.07 and 0.05 [23]. Later, he demonstrated the feasibility of achieving −30 °C with a COP of 0.031 [24] and modelled a freezing process for a 500 L container at −20 °C using flat-plate solar collectors at 70 °C. The system required a collector area of 5.8 m2 and 39 kg of reactive salt, achieving a COP of 0.1 and a solar COP of 0.05 [25]. C. Rivera (2007) demonstrated the feasibility of operating a thermochemical system with flat-plate solar collectors at the laboratory level [12]. He established heating fluid conditions between 70 and 95 °C, generation at 53 °C, condensation at 23 °C, and evaporation–absorption temperatures between −10 and 0 °C. Dueñas (2001) presented theoretical results for a BaCl2–NH3 thermochemical system, showing that COP values remain relatively stable across different operating temperatures [13]. Additionally, the generation temperatures ranged from 50 to 60 °C, making the system compatible with simple heating methods. Other studies have investigated BaCl2–NH3 for heat pump applications [26].
Regarding studying different compounds and other forms of refrigeration, Veselovskaya et al. analyzed the viability of novel sorbent materials for heat transformation. The BaCl2/vermiculite compound was shown to have a COP suitable for ice production and air-conditioning cycles, reaching up to 0.6 [27]. M. Pons evaluated six solar-powered air-conditioning systems based on four principles: LiBr + H2O (liquid sorption), silica gel + water (solid sorption), BaCl2 + NH3 (thermochemical reaction), and desiccant + humid air (open cycles). The results demonstrated the potential of these technologies for building cooling, with COP values around 0.1 [28].
Other swarm intelligence-based cooling systems promise to maximize cooling through environmental adaptation, although they rely on multiple physical and software components, increasing their complexity and maintenance costs. Methods such as those of Wang et al. (2025) successfully optimize cooling channels with promising results [29].
On the other hand, passive waste heat removal systems, such as the one proposed by Bi et al. (2025) for nuclear reactors, operate without additional electrical components through natural heat exchange [30]. However, their design is sensitive to fluid circulation disturbances.

1.1. Justification and Limitations of the Industrial-Grade BaCl2–NH3 Compound Without Additives

As can be seen, there are few studies on thermochemical solar refrigeration related to ice production via solid–gas reactions, since most focus on air-conditioning applications, despite the significant demand for ice in developing countries [31,32,33]. Furthermore, while several studies address ice production, most incorporate additives into the absorbent to improve thermal conductivity [34,35]. These compounds present some disadvantages: (a) an increase in the solid mass to be heated, (b) the possibility of chemical interactions with the gas, and (c) the limited availability of additives, which increases equipment costs [34,35]. Meanwhile, compounds without any additives offer the following advantages: (1) chemical and processing simplicity, (2) less inactive material mass, (3) reduced initial material costs, (4) less manufacturing complexity, and (5) compatibility with low generation temperatures.
While these compounds do have several advantages, such as low thermal conductivity and agglomeration, intermittent operation and scalability complexity, the need for pre-dehydration, and the quality and impurities of the industrial-grade BaCl2–NH3 compound, these disadvantages can be mitigated by improving mechanical/geometric heat transfer through controlled pretreatment, a multi-layer (quasi-continuous) architecture, controlling impurities through load analysis and adjustment, heat recovery and reuse, a safety protocol, modeling, and sensitivity testing [18,36].
This study highlights the importance of using additive-free industrial-grade barium chloride, as it offers the advantage of simplicity and compatibility for refrigeration systems operating at low generation temperatures, ranging from 53 to 66 °C [12,18]. Furthermore, as mentioned previously, it is possible to increase the temperature differential and improve heat transfer in each component, eliminating the need for special materials that would complicate and increase the manufacturing cost of the absorbent/adsorbent [37]. Considering these limitations, a simple system for ice production was developed, featuring low-cost construction and operation while utilizing a solar heating system for its functionality, demonstrating technical feasibility for ice production (−7 to −3, with COP ~0.24–0.31) [13,18].
Therefore, we can say that the BaCl2–NH3 working pair offers an optimal balance between thermodynamic efficiency, material stability, and compatibility with low-temperature solar heat sources. Its high ammonia capacity, suitable equilibrium pressure, and extensive validation in previous studies justify its selection for this research [12,18]. While other pairs, such as CaCl2–NH3 and SrCl2–NH3, are viable, their higher temperature requirements, cost, and structural instabilities make BaCl2–NH3 the most practical and technically sound option for solar thermochemical cooling systems.

1.2. Thermodynamic Cycle Description

The principle of thermochemical reaction processes is based on the thermal effect of a reversible reaction between a solid and a reactive gas, as shown in Equation (1) [24,38,39]:
S 1 + v · g S 2 + v ( H r )
The mixture used for the experimental prototype consisted of barium chloride (a salt) and ammonia (a refrigerant), which undergoes the following reaction, shown in Equation (2) [13,18,36,40]:
B a C l 2 + 8 N H 3     B a C l 2 , 8 N H 3 + H r
The equilibrium relationship for solid–gas reactions (chemisorption) is monovariant, meaning there is a one-to-one correspondence between the reaction temperature and the equilibrium vapor pressure. This relationship can be expressed by the Clausius–Clapeyron equation, as shown in Equation (3) [23,41]:
l n P P 0 = H r R 0   T + S R 0

1.3. Thermochemical Process

In refrigeration systems using solid absorbents, the operating cycle is intermittent or discontinuous due to the difficulty of establishing continuous circulation of the solid absorbent. Consequently, the generator (G) also functions as the absorber (A) during the thermodynamic cycle. The generator contains the solid–gas compound in its absorbed phase. The refrigerant gas is generated at a specific pressure (PGE) and temperature (TGE) by supplying thermal energy. The refrigerant vapor is transferred to the condenser (C), liquefied by chilled water at a condensation temperature (TCO), dissipating this heat. Once in the liquid phase, the refrigerant is stored at high pressure (PCO). This simultaneous process of generation, condensation, and storage occurs in the first phase of the cycle.
The stored liquid refrigerant expands to the evaporation pressure (PEV) for cooling, reaching the desired refrigeration temperature (TEV). Simultaneously, the solid absorbent reabsorbs the refrigerant vapor at low pressure (PAB) and absorption temperature (TAB), reforming the compound and initiating a new thermochemical absorption cycle (see Figure 1).
Now, according to Figure 2, the performance (COPₜ) and overall efficiency (ηg) can be obtained through an energy balance, as shown in Equation (4) [13,36]:
Q T G E +   Q T E V =   Q T C O + Q T A B
where QTGE, QTEV, QTCO, and QTAB represent the total heat at the different stages of generation, evaporation, condensation, and absorption, respectively. These values can be determined using Equations (5)–(17) [36]:
(a)
Total Generation Heat
Q T G E = Q S G + Q G
where
Q S G = M S + M R 1   C C S G T G T A
C C S G = ( M S   C S ) + ( M R 1 C R s ) M S + M R 1
Q G = M R 1 M R 2   H R ( T G )
(b)
Total Condensation Heat
Q T C O = ( M R 1 M R 2 ) ( h v T G h l T C )
(c)
Total Evaporation Heat
Q T E V = ( M R 1 M R 2 ) Q R
Q R = ( h v T E h l T C )
(d)
Total Absorption Heat
Q T A B = Q S S A + Q A + Q S R A
Q S S A = M S + M R 2   C C S T G T A
Q A = M R 1 M R 2   H R T A
Q S R A = M R 1 M R 2 h v T A h v T E
(e)
Coefficient of Performance (COPt)
C O P t = Q T E V Q T G E
(f)
Overall Efficiency (ηg)
η g = C O P t ·   η c o l

2. Materials and Methods

2.1. Selection of the BaCl2–NH3 Compound

The BaCl2–NH3 compound was selected for this application for the following reasons: it combines high ammonia absorption capacity, an equilibrium pressure suitable for producing cold from −5 to 0 °C, good chemical stability and acceptable reversibility, and is readily available, cost-effective, and safe compared to other metal halides. Its thermal behavior allows for direct coupling to low- and medium-temperature solar collectors (55–70 °C), without the need for concentrators, which is essential for rural or off-grid systems.
In short, it represents an optimal balance between thermodynamic performance, economic viability, and operational efficiency, justifying its preferential use over other options.

2.2. Synthesis of the BaCl2–NH3 Compound

The working mixture used for the thermochemical refrigeration cycle was industrial-grade barium chloride dihydrate, BaCl2 · 2H2O (98% X-HUMATE, Tianjin, China), which required pre-dehydration to absorb the 8 moles of NH3 that BaCl2 can accept in anhydrous form [42]. It is essential to highlight that the refrigerant used in this working pair is considered natural, with a simple inorganic molecule, without carbon, so it does not contribute to the depletion of the ozone layer or to global warming significantly (global warming potential~0 and ozone depletion potential = 0) [43]. The quantities used were 17.55 kg of BaCl2 and 4.2 kg of NH3. For this study, empirical equilibrium pressure–temperature relationships for ammonia and the compound were obtained by analyzing experimental data obtained in this study.

2.3. Description of the Thermochemical Refrigeration System

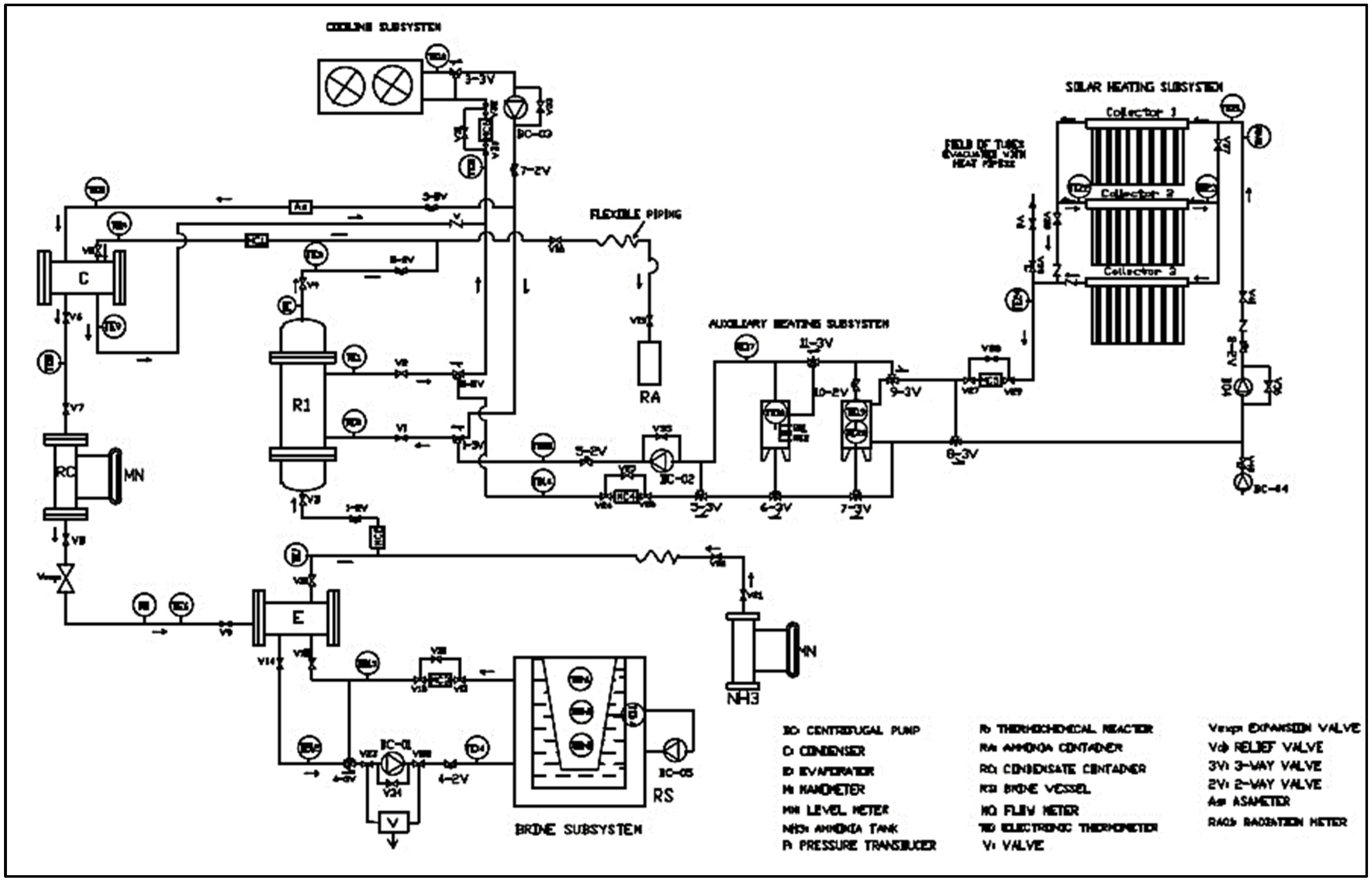
The solar thermochemical refrigeration system (STRS) consists of the following elements: Firstly, there is a thermochemical reactor (TR), formed of a shell-and-tube heat exchanger made of carbon steel and stainless-steel tubes. Inside the internal tubes is a stainless-steel distributor that supplies vapor to each tube after being filled with dehydrated (anhydrous) industrial barium chloride. The reactor has an outer casing where water circulates as a heating and cooling thermal fluid to dissociate the refrigerant and absorb the heat from the reaction. There is also a condenser (C), formed of a corrugated plate heat exchanger made of 316 stainless steel with a 6 kW capacity, and a condensate reservoir (CR), made up of a 304 stainless-steel container with a 7 L ammonia storage capacity. An expansion valve (Vexp.) separates the system’s high- and low-pressure zones and regulates the refrigerant mass flow rate (ṁ) up to 0.035 kg/s. It also contains an evaporator (E), a corrugated plate heat exchanger made of 316 stainless steel with a 6 kW capacity.
The STRS includes various subsystems: (a) A cooling subsystem, which is composed of a water chiller controlled at temperatures between 7 and 30 °C and a 1100 L water storage tank. (b) A cold production subsystem, which includes a 50 L thermotank with two internal storage containers for ice production that operate indirectly using a secondary thermal fluid after ammonia evaporation. (c) A solar heating subsystem, which consists of three concentric evacuated tube solar collectors with hermetic heat exchangers (heat pipes). Each collector contains 30 borosilicate glass tubes, 47 mm in diameter and 150 mm in length, with a total solar collection area of 6.99 m2. The inner surface of the glass tubes is coated with aluminum nitride (Al-N/Al), which has an absorption coefficient of 92%. The tubes are evacuated to a pressure of 5 mPa, with a linear heat loss coefficient of 0.8 W/m2 °C. The solar collector field is oriented southward, with an inclination corresponding to the latitude of Temixco, Morelos, Mexico (18.85° N, −99.23° W), and a spacing of 29.3 cm between them. Figure 3 and Figure 4 show a schematic and real representation of the STRS and its operational subsystems, respectively [39]. The solar heating system operates under forced convection, and its thermal efficiency is given by Equation (18) [44]:
η = 0.717 1.52 Δ T I 0.008 Δ T 2 I
where
Δ T = T i T s 2 T E n v   ;   I = S o l a r   I r r a d i a n c e   ( W m 2 )
Note: Safety and environment for ammonia.
It is important to mention that, as a safety measure, the thermochemical cooling cycle (BaCl2–NH3) has storage tanks to recover ammonia in case of a leak. This is because ammonia is corrosive, irritating, and toxic, so it can cause severe burns to the skin, eyes, and respiratory tract. Due to its high volatility, characteristic odor (which serves as a warning), and potential to form flammable and explosive mixtures at specific concentrations, these additional measures should be necessary; see Figure 3.

2.4. Experimental Study

The solar thermochemical refrigeration system (STRS) is located on the solar platform of the Institute of Renewable Energies of the National Autonomous University of Mexico (IER-UNAM) in Temixco, Morelos, at approximately 18°46′ to 18°55′ north latitude and 99°12′ to 99°21′ west longitude. According to data from the IER’s meteorological and solarimetric station, the climate is considered warm and humid. The ambient temperature ranges from 18 to 35 °C annually, and solar irradiance ranges from 14 to 15 MJ/m2. The thermochemical cooling system was evaluated between February and December 2024.
The STRS was evaluated using a single-stage, intermittent operating system. The system operated with evacuated tube solar collectors with heat pipes. The operating temperatures were established within the following ranges: 55 to 66 °C for generation, 20 to 30 °C for condensation, 24 to 31 °C for absorption, and −7 to −3 °C for evaporation.
It is important to mention that the efficiency of the solar heating subsystem was obtained from Equation (18) and the measurements obtained of temperatures and solar irradiance of the collectors.

Acquisition of Experimental Data

For the analysis and obtaining of the experimental data of the STRS, it was necessary to develop a program for the acquisition and automatic management of data for which the instrumentation of the following sensors was used: (a) temperature (type T class 1 thermocouple and thermistor with an accuracy of ± 0.5 and ±0.1 °C, respectively), (b) pressure (differential pressure sensors with an accuracy of ±0.15%), (c) liquid and vapor flow (Coriolis type with an accuracy of ±0.1%), and (d) spectral pyranometer class B (accuracy < 2%) [18].

3. Results and Discussion

In order to carry out the experimental evaluation of the solar thermochemical refrigeration system, several thermodynamic cycles were carried out, such as the desorption–condensation and absorption–evaporation processes, to determine the practical viability of the system, quantifying parameters such as the rate of production and absorption of ammonia, the internal thermal performance coefficients, and the overall efficiency, as well as the temperature–pressure equilibrium equation from the experimental data of the barium chloride–industrial ammonia working pair. These indicators allowed the validation of the viability of the solar thermochemical refrigeration system in real operating conditions, and it was possible to establish the bases for optimizing the design and construction of this equipment.
The operating conditions for the system evaluation were determined using various operating parameters, as shown in Table 1.

3.1. System Operation

Different thermodynamic cycles were tested for the experimental evaluation of the STRS, graphically presenting the characteristic behavior of each process. The STRS operates intermittently, and two fundamental processes occur: (a) Generation–condensation–storage: This process was carried out during the day, harnessing the thermal energy from the evacuated tube solar collectors with heat pipes. The operating temperatures were between 55 and 66 °C for generation in the TR and between 20 and 30 °C for condensation, with a solar irradiance of 750 to 900 W/m2. (b) Evaporation–absorption: This process was carried out at night, reaching evaporation temperatures between −7 and −3 °C and absorption temperatures in the TR between 24 and 31 °C. Under these operating conditions, optimal cooling temperatures were achieved.

3.1.1. Desorption–Condensation–Storage

Figure 5a shows ammonia production at different generation/condensation temperatures. The first analysis was carried out at a condensation temperature (TCo) of 30 °C, a generation temperature (TGe) of 55 °C, and an average irradiance of 850 W/m2, achieving a production of 1000 mL of NH3, equivalent to 15% of the generated refrigerant, in a 7 h operation period. In the second analysis, at TCo = 25 °C and TGe = 57 °C, with an average irradiance of 750 W/m2, 2800 mL of NH3 were produced, representing 42% of the desorbed gas in 10 h, with a THot between 30 and 66 °C. Finally, for the last analysis of this thermochemical cycle, at TCo = 20 °C, TGe = 66 °C, and solar irradiance of 850 W/m2, a production of 4200 mL of NH3(l) was obtained, equivalent to 63% of desorbed gas in 6 h, with a THot of 55 to 66 °C. Figure 5b presents the characteristic generation/condensation process of the thermochemical cycle, showing the evolution of the heating temperatures in the solar collector field, desorption, and condensation as a function of the solar irradiance reached. This process was carried out during the day, from 8:00 a.m. to 5:00 p.m., with a heating and cooling water mass flow rate of 62 L/min in the reactor and 25 L/min in the condenser.

3.1.2. Evaporation–Absorption

This process analyzed the evaporation–absorption at evaporation temperatures ranging from −7 to −3 °C, showing the evolution of evaporation, absorption, cooling water, and ambient temperatures during this stage. Additionally, the volume of ammonia absorbed at constant pressure is presented to restart a new thermodynamic cycle. The evaporation/absorption process took place between 17:30 and 21:00 h. In Figure 5a, the amount of NH3 absorbed is shown, with average evaporation and absorption pressures of 358 and 355 kPa, respectively. A total of 4200 mL of ammonia was absorbed, with a water flow rate of 4 L/min in the evaporator and 25 L/min in the reactor, corresponding to an ammonia flow rate of 0.016 L/min, at ambient temperatures ranging from 25 to 32 °C.
Additionally, in Figure 6b, the evolution of the evaporation temperature (TEv) is presented, which varied between −7 and −3 °C, maintaining a constant value of −7 °C. The absorption temperature (TAb) ranged from 25 to 32 °C, achieving a temperature difference (∆T) in chilled water production of 12 °C.

3.2. Determination of the Equilibrium Equations for the Compounds NH3(l)–NH3(v) and BaCl2(s)–NH3(v)

To determine the characteristic equilibrium equations for the compounds NH3(l)–NH3(v) and BaCl2(s)–NH3(v), a type A statistical analysis was performed on the experimental data obtained by evaluating the thermochemical solar refrigeration system and the representative equations of this working pair (1–17). A linear regression analysis, derived from the Clausius–Clapeyron equation, was used to establish the relationship between the equilibrium pressure (expressed as Ln P°) and the inverse temperature (−1000/T), describing each compound’s thermodynamic behavior. For this analysis, defining the uncertainties associated with each system was necessary. Experimental uncertainties, both for the independent and dependent variables, were estimated using a type A statistical analysis for the compounds NH3(l)–NH3(v) and BaCl2(s)–NH3(v). For each data point, error bars were included in the x (−1000/T) and y (Ln P°) directions, reflecting the experimental uncertainty, which was evaluated according to the linear regression model applied to each compound. Figure 7, obtained from the experimental data, shows the thermodynamic behavior of the compounds.
Figure 7 shows the uncertainties associated with the variables (−1000/T) and (Ln P°), the coefficient of determination (R2), and the respective equilibrium equations.
The statistical linear regression analysis results show thermodynamically consistent behavior for both compounds: liquid ammonia–vapor and barium chloride–ammonia. The equations shown accurately describe the dependence of the equilibrium pressure on temperature, demonstrating the linear trends observed in Figure 6 for Ln P° versus (−1000/T).
For the NH3(l)–NH3(v) system, a slope of −2799.6 K was obtained, representing the enthalpy change associated with the vaporization process, with a coefficient of determination (R2 = 0.986). This indicates a significant relationship between the experimental data and the linear model obtained. However, this system exhibited relatively larger uncertainties on the −1000/T axes of ±0.079 and on the Ln P° axes of ±0.222, likely attributable to instrument sensitivity, thermal fluctuations during measurements, or the kinetics of liquid–vapor equilibrium.
However, the BaCl2(s)–NH3(v) compound exhibited a steeper slope (−4500.7 K) and a higher correlation coefficient (R2 = 0.997), indicating linear and predictable behavior. This steeper gradient corresponds to a higher ammonia desorption enthalpy relative to the solid compound, related to the interactions of the sorbent materials or solid chemical complexes.
While the uncertainty on the −1000/T axis was lower than that of the NH3(l)–NH3(v) compound at ±0.062, the uncertainty on the Ln P° axis was higher at ±0.279, perhaps related to hysteresis phenomena, complex stability, or a delay in reaching equilibrium.
These findings conclude that both compounds exhibit predictable responses to temperature variations but differ in terms of stability, sensitivity, and equilibrium complexity. These factors must be considered when applying these materials in practical applications, including thermal energy storage systems, absorption refrigeration, and solar refrigeration, where equilibrium pressure behavior is crucial for process efficiency.
The results demonstrate that both compounds behave according to the thermodynamically expected values. The barium chloride–ammonia system, characterized by a steeper slope in its equilibrium equation, exhibits a more energy-intensive desorption process than the vaporization of pure ammonia, an important distinction for absorption and thermal storage applications. The inclusion of uncertainties through type A analysis provides a quantitative measure of the reliability of the experimental data, reinforcing the validity of both equilibrium models presented through the following equations:
L n P ° = 23.341 2799.6 T ; N H 3 l N H 3 v
L n P ° = 27.695 4500.7 T ; B a c l 2 N H 3 0 8
where P (Pa) and T (K).

3.2.1. Comparative Analysis of Temperature Versus Pressure Equilibrium Equations for the Compounds Barium Chloride–Ammonia

To perform a statistical and comparative analysis between the temperature–pressure characteristic equations of different authors, using the barium chloride–ammonia mixture as the working pair, it was necessary to reproduce the equations presented by the different authors and compare them with the equations proposed in this study, presented in Table 2. Based on Equation (3), the following results are obtained.
Statistical Analysis of Barium Chloride–Ammonia Compounds by Different Authors
All models exhibit a coefficient of determination > 0.99, indicating that the Arrhenius-type relationship (logarithm of pressure vs. inverse of temperature) is reliable in describing the thermal dependence of pressure for both compounds. Also, the comparison of sorption/vaporization enthalpies (ΔH) is available. For the pure NH3 compound (liquid–vapor), all studies’ estimated vaporization enthalpy is around 23.1 kJ/mol. This value is consistent with the literature for ammonia.
On the other hand, the BaCl2–NH3 system’s sorption enthalpy is higher, around 37.42–45.96 kJ/mol. This is reliable because the interaction between barium chloride and ammonia is a chemical/physical sorption that requires more energy than just desorbing ammonia.
The constant of the independent term has a slight variation, ranging from ~23.0 to 23.4 for pure NH3, and 27.7 to 30.8 for BaCl2–NH3. This indicates stability in the pre-exponential term of the model. These models allow the equilibrium pressure to be predicted for temperatures within the experimental range (approximately −20 °C to 55 °C). This is essential for designing and optimizing refrigeration and absorption systems using BaCl2–NH3.
It is important to mention that all authors agree on a ΔH of NH3 evaporation around 23.2–23.4 kJ/mol. This validates the thermodynamic reliability of the compound NH3(l)–NH3(v).
And for BaCl2(s)–NH3(v), there is considerable variability in ΔH (37.4 to 46.0 kJ/mol), indicating possible differences in the solid phase, differences in measurement techniques, and different states and ammonia–metal bonds.
Finally, it should be noted that the higher enthalpy of BaCl2–NH3 means more energy is required to desorb ammonia (free it from the salt), an important factor in the cycle’s energy efficiency. As shown in this study, it reports lower ΔH values (37.42 kJ/mol), which means an improvement in the efficiency of the NH3 thermal desorption process, which could be interpreted as better energy performance in practical applications (see Table 2).
In addition, Table 3 shows the power coefficients, the internal overall coefficient, and the overall efficiencies of the STRS operating at different temperatures, pressures, and flow rates. The experimental internal overall performance ranged between 0.244 and 0.307, while the overall efficiencies ranged from 0.146 to 0.206, using solar collector efficiencies of 0.6 to 0.67 to achieve evaporation temperatures suitable for ice production.
The experimental results validate the integration of STRS as a viable alternative for refrigeration applications in rural and fishing areas, where the availability of cold storage infrastructure is limited.

3.3. Novelty of the Research and Its Scientific, Technological, and Social Relevance

This study presents a substantial novelty in the design, characterization, and experimental validation of a solar thermochemical refrigeration system (STRS) based on the BaCl2–NH3 working pair using heat captured by vacuum solar collectors with heat pipes. Unlike previous work employing doped materials or additives (expanded graphite, vermiculite, Al2O3), this research demonstrated the technical feasibility of using industrial-grade barium chloride without additives, simplifying the synthesis process, reducing manufacturing costs, and avoiding unwanted chemical interactions. Furthermore, an experimental pressure–temperature equilibrium equation for the industrial-grade BaCl2–NH3 system was obtained, with type A statistical validation and a coefficient of determination R2 = 0.997, representing an original contribution to the thermodynamic modeling of thermochemical (solid–gas) systems applied to solar refrigeration. This equation allows for predicting the behavior of the reactive couple under real operating conditions and optimizing future thermochemical designs.
From a scientific perspective, this work expands our understanding of the thermal dynamics and overall efficiency of intermittent solar-powered thermochemical systems, providing experimental data that strengthens our comprehension of the BaCl2–NH3 desorption–absorption process under real irradiances (750–900 W/m2). Technologically, the system achieves overall performance (COPₜ) values between 0.244 and 0.307 and overall efficiencies between 0.146 and 0.206, demonstrating that solar thermochemical refrigeration can compete with traditional absorption and adsorption technologies, but with greater simplicity, lower cost, and no direct electricity consumption. In social and environmental terms, the study is highly relevant for rural and coastal regions, where ice production and food preservation depend on intermittent energy sources. By eliminating the use of refrigerants with global warming potential (GWP ≈ 0) and operating with accessible materials, the proposal contributes to the transition towards sustainable refrigeration systems, in line with the Sustainable Development Goals (SDGs 7 and 13) [46].

3.4. Comparative Assessment of BaCl2–NH3 Thermochemical Refrigeration Systems

Table 4 summarizes previous experimental and theoretical studies using the BaCl2–NH3 working pair for thermochemical or solar-powered refrigeration applications. The comparative analysis highlights the steady progress achieved over the last two decades in terms of performance, materials, and design simplicity.
Previous studies Dueñas et al., 2001 [13] y Rivera et al., 2007 [12] demonstrated the viability of BaCl2–NH3 systems at relatively low generation temperatures (50–60 °C), but provided limited efficiency data. Subsequent studies Le Pierrès et al., 2007 [24]; 2008 [23] y Stitou et al., 2012 [22] required higher solar inlet temperatures (~70 °C) to achieve freezing or air-conditioned conditions, often using multi-stage configurations or absorbers composed of additives such as expanded graphite or vermiculite. These materials improved heat transfer but increased system complexity and cost.
In contrast, the present study achieves operation at temperatures of 55–66 °C using industrial-grade BaCl2 without additives, supported by evacuated tube collectors with heat pipes. This design allows for cooling at temperatures of −7 to −3 °C and an overall performance and efficiency of 0.24–0.31 and η = 14.6–20.6%, respectively, comparable to or better than values reported in the literature (COP = 0.05–0.40; η = 5–23%). The results demonstrate that high thermal efficiency can be achieved through geometric and thermal optimization, rather than chemical modification of the reactive medium.
Overall, the additive-free configuration represents a balance between performance, simplicity, and sustainability, offering a low-cost solution for ice production and refrigeration in rural areas with minimal environmental impact (GWP ≈ 0, ODP = 0). However, as with all intermittent systems, future research should focus on quasi-continuous operation and dynamic modelling to further improve scalability and energy utilization.

3.5. Discussion

The results obtained in the STRS confirm that the BaCl2–NH3 working pair can provide stable refrigeration cycles under real solar conditions without the need for conductivity-enhancing additives. The system’s performance indicators—ammonia desorption yield, coefficient of performance (COP), and overall efficiency (ηg)—demonstrate a consistent thermodynamic response to variations in solar radiation and ambient conditions.

3.5.1. Thermochemical Behavior and Energy Conversion Efficiency

The desorption–condensation data (Figure 5) reveal that increasing the generation temperature from 55 °C to 66 °C while maintaining a condensation temperature close to 20 °C significantly increases ammonia production. The maximum desorption yield of 4.2 L (≈61%) at 66 °C confirms that low-enthalpy solar heat can efficiently drive the endothermic dissociation of the BaCl2–NH3 complex. This behavior is consistent with the equilibrium predicted from the Clausius–Clapeyron relation and demonstrates good thermal coupling between the evacuated tube collectors and the reactor.
The ammonia production curve shows a nearly linear response to increasing generation temperature, implying that the system operates close to its equilibrium limit and that heat transfer within the reaction bed is sufficiently effective. Despite using industrial-grade salt, no significant degradation in yield or limitations in mass transfer were observed—an important result considering the typically low thermal conductivity (≈0.15 W/m·K) of halide salts.

3.5.2. Cooling Performance and Absorption Dynamics

During the evaporation–absorption stage, the STRS achieved evaporation temperatures of −7 to −3 °C and absorption temperatures of 24 to 31 °C, generating a temperature difference of 12 °C in the chilled water circuit. This is sufficient for ice formation and cold storage. The absorption rate closely followed the desorption performance, confirming the high reversibility of the thermochemical reaction.
The internal COP ranged from 0.244 to 0.307, while the overall thermal efficiency varied from 14.6% to 20.6%, comparable to or higher than that of previous BaCl2–NH3 systems driven by flat-plate collectors (COP ≈ 0.05–0.40; η ≈ 5–23%). These figures highlight the role of vacuum tube collectors with heat pipes in maintaining stable generation temperatures and reducing heat losses. The high thermal efficiency achieved without composite additives demonstrates that geometric optimization and effective heat recovery can replace costly material modifications.

3.5.3. Thermodynamic Consistency and Equilibrium Analysis

The pressure–temperature equilibrium equations for NH3(l)–NH3(v) and BaCl2(s)–NH3(v) exhibit strong linearity (R2 = 0.986 and 0.997, respectively), confirming the reproducibility and consistency of the experimental data. The enthalpy of vaporization (ΔH ≈ 23.3 kJ mol−1) of pure ammonia is consistent with the existing literature, while the sorption enthalpy for BaCl2–NH3 (ΔH ≈ 37.4 kJ mol−1) indicates a moderate energy requirement for desorption, lower than that of most compound systems (40–46 kJ mol−1). This suggests that the industrial-grade salt exhibits favorable kinetics and a lower activation energy, possibly due to microstructural imperfections that enhance diffusion.
The lower desorption enthalpy directly contributes to higher system efficiency by reducing the thermal load during regeneration. This finding is crucial for the design of low-temperature solar reactors operating below 70 °C, eliminating the need for concentrating collectors.

3.5.4. Comparative and Practical Implications

The benchmarking (Table 4) demonstrates that this system achieves performance equivalent to that of multi-stage or additive-based configurations, but with simpler construction and lower cost. Previous studies required higher solar inlet temperatures (≈70 °C) to reach freezing conditions, while the current prototype operates effectively between 55 and 66 °C. The simplicity of the additive-free BaCl2–NH3 mixture also minimizes environmental impact and improves system recyclability, in line with the principles of sustainable technology.
Furthermore, the successful operation under Mexican climatic conditions confirms the adaptability of STRS technology for rural and coastal regions where conventional refrigeration is limited by access to electricity.
According to the analysis, the industrial-grade BaCl2–NH3 pair balances performance, simplicity, and sustainability.
The high correlation coefficients, moderate desorption enthalpy, and repeatable operation throughout the cycles demonstrate the thermochemical process’s robustness and the STRS design’s practical feasibility.
These results provide a solid foundation for future optimization studies, including quasi-continuous systems.

4. Conclusions

Experimental research on a single-stage solar thermochemical cooling system (STRS), utilizing the BaCl2–NH3 working pair, demonstrated technical feasibility, achieving stable operation at low generation temperatures without using additives to enhance thermal conductivity. The system successfully integrated evacuated tube solar collectors with heat pipes, enabling operation at generation temperatures of 55–66 °C and evaporation temperatures between −7 and −3 °C, suitable for ice production and food preservation in rural areas with limited electricity access.
The STRS achieved a coefficient of performance (COP) ranging from 0.244 to 0.307 and an overall thermal efficiency of 0.146 to 0.206 under solar irradiance levels of 750–900 W/m2. An ammonia desorption rate of 61% was attained at 66 °C, confirming high thermochemical reversibility and efficient solar energy conversion. A key thermodynamic contribution of this work is the development of an empirical pressure–temperature equilibrium equation for industrial-grade BaCl2–NH3 (R2 = 0.997), which enhances predictive modeling and system optimization. Unlike previous studies that relied on doped or composite absorbents, the proposed design achieves comparable or superior performance while offering advantages in manufacturability, cost, and environmental compatibility—featuring a global warming potential (GWP) of approximately zero and zero ozone depletion potential (ODP). This study demonstrates that additive-free BaCl2–NH3 systems represent a cost-effective and sustainable solution for refrigeration and ice production in rural areas. Furthermore, the approach supports Sustainable Development Goals (SDGs) 7 and 13 by advancing clean and affordable energy technologies.
Future research efforts should focus on several complementary lines of work. The priority is the design of quasi-continuous or hybrid cycles to overcome the intermittency of solar energy and ensure stable operation. This development must be accompanied by thermogeometric optimization to improve heat and mass transfer, thereby increasing the efficiency of the thermochemical reaction. Likewise, it is crucial to implement artificial intelligence models, using neural networks and machine learning, to enable advanced system prediction and optimization. Finally, it will be essential to conduct a detailed techno-economic analysis and a life cycle assessment to quantify this sustainable technology’s long-term economic and environmental benefits.

Author Contributions

Conceptualization, F.C.M.-T., I.P.-F. and E.C.L.-V.; methodology, F.C.M.-T., I.P.-F. and V.H.G.-E.; software, E.C.-C.; validation, F.C.M.-T., I.P.-F. and V.H.G.-E.; formal analysis, F.C.M.-T., E.C.L.-V. and E.C.-C.; investigation, F.C.M.-T., E.C.L.-V. and I.R.M.D.; resources, F.C.M.-T. and I.P.-F.; data curation, F.C.M.-T., E.C.L.-V. and J.A.A.-N.; writing—original draft preparation, F.C.M.-T., E.C.L.-V. and J.A.A.-N.; visualization, F.C.M.-T., E.C.L.-V. and I.P.-F.; supervision, F.C.M.-T. and I.P.-F.; project administration, I.P.-F. and I.R.M.D.; funding acquisition, F.C.M.-T. and I.P.-F. All authors have read and agreed to the published version of the manuscript.

Funding

This work was funded by Programa de Apoyo a Proyectos de Investigación e Innovación Tecnológica -UNAM: PAPITT IG100716; Centro Mexicano de Innovación en Energía Solar: CEMIE-Sol P09.

Data Availability Statement

The data presented in this study are available on request from the corresponding author.

Acknowledgments

We would like to express our deep and sincere gratitude to Roberto Best-Brown and José Campos A. for their invaluable support in the production of this article.

Conflicts of Interest

The authors declare that they have no competing interests.

Abbreviations

AAbsorber
CCondenserSubscripts or superscripts
COPCoefficient of performanceABAbsorption
CPSCold production subsystemCOCondensation
CRCondensate recipientcolCollectors
CSCooling subsystemDEDesorption/dissociation
DDesorberEVEvaporation
EEvaporatorexpExpansion
ELMElectronic level meterextExternal
FMFlowmeterGEGeneration
GGeneratorgOverall
gGas HotHeating
GNEExpanded graphiteiIn
HESHeating electric subsystemintInternal
ISolar irradiancelLiquid
IPSIce/chilled water production systemoOut
LMLevel meterSSensible
Mass flow ratet Thermal
PPressureTTotal
Equilibrium pressurevVapor
QEnergy
RReactor
SSolid (salt)
STRSSolar thermochemical refrigeration systemGreek symbols
TTemperatureΔH°Enthalpy variation
TRThermochemical reactor ηEfficiency
VValve

References

  1. Ahmed, S.; Ahmed, K.; Ismail, M. Predictive Analysis of CO2 Emissions and the Role of Environmental Technology, Energy Use and Economic Output: Evidence from Emerging Economies. Air Qual. Atmos. Health 2020, 13, 1035–1044. [Google Scholar] [CrossRef]
  2. Li, S.; Lu, J. A Theoretical Comparative Study of Vapor-Compression Refrigeration Cycle Using Al2O3 Nanoparticle with Low-GWP Refrigerants. Entropy 2022, 24, 1820. [Google Scholar] [CrossRef]
  3. Wang, L.; Bu, X.; Ma, W. Experimental Study of an Adsorption Refrigeration Test Unit. Energy Procedia 2018, 152, 895–903. [Google Scholar] [CrossRef]
  4. An, G.L.; Wang, L.W.; Gao, J.; Wang, R.Z. A Review on the Solid Sorption Mechanism and Kinetic Models of Metal Halide-Ammonia Working Pairs. Renew. Sustain. Energy Rev. 2018, 91, 783–792. [Google Scholar] [CrossRef]
  5. Meunier, F. Adsorption Heat Powered Heat Pumps. Appl. Therm. Eng. 2013, 61, 830–836. [Google Scholar] [CrossRef]
  6. Ullah, K.R.; Saidur, R.; Ping, H.W.; Akikur, R.K.; Shuvo, N.H. A Review of Solar Thermal Refrigeration and Cooling Methods. Renew. Sustain. Energy Rev. 2013, 24, 499–513. [Google Scholar] [CrossRef]
  7. Novella, R.; Dolz, V.; Martín, J.; Royo-Pascual, L. Thermodynamic Analysis of an Absorption Refrigeration System Used to Cool down the Intake Air in an Internal Combustion Engine. Appl. Therm. Eng. 2017, 111, 257–270. [Google Scholar] [CrossRef]
  8. Enibe, S.O.; Iloeje, O.C. Transient Analysis and Performance Prediction of a Solid Absorption Solar Refrigerator. Sol. Energy 1997, 61, 43–59. [Google Scholar] [CrossRef]
  9. Vasiliev, L.L.; Mishkinis, D.A.; Antukh, A.A.; Vasiliev, L.L., Jr. Solar-Gas Solid Sorption Refrigerator. Adsorption 2001, 7, 149–161. [Google Scholar] [CrossRef]
  10. Oliveira, R.G.; Wang, R.Z. A Consolidated Calcium Chloride-Expanded Graphite Compound for Use in Sorption Refrigeration Systems. Carbon 2007, 45, 390–396. [Google Scholar] [CrossRef]
  11. Rao, K.N.M.; Gopal, R.M.; Bhattacharyya, S. Analysis of a SrCl2-NH3 Solid Sorption Refrigeration System. Int. J. Low-Carbon Technol. 2015, 10, 365–373. [Google Scholar] [CrossRef]
  12. Rivera, C.; Pilatowsky, I.; Méndez, E.; Rivera, W. Experimental Study of a Thermo-Chemical Refrigerator Using the Barium Chloride–Ammonia Reaction. Int. J. Hydrogen Energy 2007, 32, 3154–3158. [Google Scholar] [CrossRef]
  13. Dueñas, C.; Pilatowsky, I.; Romero, R.J.; Oskam, A.; Finck, P.A. Dynamic Study of the Thermal Behaviour of Solar Thermochemical Refrigerator: Barium Chloride-Ammonia for Ice Production. Sol. Energy Mater. Sol. Cells 2001, 70, 401–413. [Google Scholar] [CrossRef]
  14. Sur, A.; Das, R.K. Review of Technology Used to Improve Heat and Mass Transfer Characteristics of Adsorption Refrigeration System. Int. J. Air-Cond. Refrig. 2016, 24, 1630003. [Google Scholar] [CrossRef]
  15. Li, T.X.; Wang, R.Z.; Kiplagat, J.K.; Wang, L.W. Performance Study of a Consolidated Manganese Chloride–Expanded Graphite Compound for Sorption Deep-Freezing Processes. Appl. Energy 2009, 86, 1201–1209. [Google Scholar] [CrossRef]
  16. Zhong, Y.; Critoph, R.E.; Thorpe, R.N.; Tamainot-Telto, Z.; Aristov, Y.I. Isothermal Sorption Characteristics of the BaCl2–NH3 Pair in a Vermiculite Host Matrix. Appl. Therm. Eng. 2007, 27, 2455–2462. [Google Scholar] [CrossRef]
  17. Veselovskaya, J.V.; Tokarev, M.M.; Grekova, A.D.; Gordeeva, L.G. Novel Ammonia Sorbents ‘‘porous Matrix Modified by Active Salt” for Adsorptive Heat Transformation: 6. The Ways of Adsorption Dynamics Enhancement. Appl. Therm. Eng. 2012, 37, 87–94. [Google Scholar] [CrossRef]
  18. Martínez-Tejeda, F.; Pilatowsky, I.; Best, R.; Meza-Cruz, O.; Gómez, V.H.; Cadenas, E.; Romero, R.J. Experimental Barium Chloride-Ammonia Cooling Cycle Study at Low Generation Temperatures. Appl. Therm. Eng. 2018, 141, 751–761. [Google Scholar] [CrossRef]
  19. Fitó, J.; Coronas, A.; Mauran, S.; Mazet, N.; Perier-Muzet, M.; Stitou, D. Hybrid System Combining Mechanical Compression and Thermochemical Storage of Ammonia Vapor for Cold Production. Energy Convers. Manag. 2019, 180, 709–723. [Google Scholar] [CrossRef]
  20. Alyousef, Y.; Antukh, A.A.; Tsitovich, A.P.; Vasiliev, L.L. Three Adsorbers Solar Cooler with Composite Sorbent Bed and Heat Pipe Thermal Control. Appl. Therm. Eng. 2012, 38, 124–130. [Google Scholar] [CrossRef]
  21. Li, T.X.; Wang, R.Z.; Wang, L.W.; Kiplagat, J.K. Study on the Heat Transfer and Sorption Characteristics of a Consolidated Composite Sorbent for Solar-Powered Thermochemical Cooling Systems. Sol. Energy 2009, 83, 1742–1755. [Google Scholar] [CrossRef]
  22. Stitou, D.; Mazet, N.; Mauran, S. Experimental Investigation of a Solid/Gas Thermochemical Storage Process for Solar Air-Conditioning. Energy 2012, 41, 261–270. [Google Scholar] [CrossRef]
  23. Le Pierrès, N.; Driss, S.; Nathalie, M. Design of a Thermochemical Process for Deep Freezing Using Solar Low-Grade Heat. Chem. Eng. Process. Process. Intensif. 2008, 47, 484–489. [Google Scholar] [CrossRef]
  24. Le Pierrès, N.; Mazet, N.; Stitou, D. Experimental Results of a Solar Powered Cooling System at Low Temperature. Int. J. Refrig. 2007, 30, 1050–1058. [Google Scholar] [CrossRef]
  25. Le Pierrès, N.; Mazet, N.; Stitou, D. Modelling and Performances of a Deep-Freezing Process Using Low-Grade Solar Heat. Energy 2007, 32, 154–164. [Google Scholar] [CrossRef]
  26. Dufour, L.C.; de Hartoulari, R.; Moutaabbid, M. Solid-Ammonia Systems and Solar Refrigeration: A Kinetic Study of the Barium Chloride/Ammonia System. React. Solids 1988, 5, 205–218. [Google Scholar] [CrossRef]
  27. Tokarev, M.M.; Veselovskaya, J.V.; Yanagi, H.; Aristov, Y.I. Novel Ammonia Sorbents “Porous Matrix Modified by Active Salt” for Adsorptive Heat Transformation: 2. Calcium Chloride in ACF Felt. Appl. Therm. Eng. 2010, 30, 845–849. [Google Scholar] [CrossRef]
  28. Pons, M.; Anies, G.; Boudehenn, F.; Bourdoukan, P.; Castaing-Lasvignottes, J.; Evola, G.; Le Denn, A.; Le Pierrès, N.; Marc, O.; Mazet, N.; et al. Performance Comparison of Six Solar-Powered Air-Conditioners Operated in Five Places. Energy 2012, 46, 471–483. [Google Scholar] [CrossRef]
  29. Wang, K.; Wang, T.; Li, X. Topology Optimization of Cooling Channels Based on Swarm Intelligence. Struct. Multidiscip. Optim. 2025, 68, 140. [Google Scholar] [CrossRef]
  30. Bi, Y.; Xia, G.; Wang, C.; Peng, M.; Xu, Y.; Wu, J. Design and Transient Analysis of a Novel Type Passive Residual Heat Removal System. Nucl. Eng. Des. 2025, 445, 114446. [Google Scholar] [CrossRef]
  31. Isaak, D. Energy for Rural Development Program Report PR-80-7; Solar Icemaking for Rural Development: Technical Prospects; The East-West Resource Systems Institute: Honolulu, HI, USA, 1980. [Google Scholar]
  32. Mostafa, M.; Ezzeldien, M.; Attalla, M.; Ghazaly, N.M.; Alrowaili, Z.A.; Hasaneen, M.F.; Shmroukh, A.N. Comparison of Different Adsorption Pairs Based on Zeotropic and Azeotropic Mixture Refrigerants for Solar Adsorption Ice Maker. Environ. Sci. Pollut. Res. 2021, 28, 41479–41491. [Google Scholar] [CrossRef]
  33. Elsheniti, M.B.; AlRabiah, A.; Al-Ansary, H.; Almutairi, Z.; Orfi, J.; El-Leathy, A. Performance Assessment of an Ice-Production Hybrid Solar CPV/T System Combining Both Adsorption and Vapor-Compression Refrigeration Systems. Sustainability 2023, 15, 3711. [Google Scholar] [CrossRef]
  34. Al-Dabbas, M.A.A. The Capability to Make Ice from Sunlight Utilizing a New Absorption Unit of Nano-Coated Ammonia/Calcium Chloride. Int. J. Heat Technol. 2021, 39, 1236–1242. [Google Scholar] [CrossRef]
  35. Chauhan, P.R.; Kaushik, S.C.; Tyagi, S.K. A Review on Thermal Performance Enhancement of Green Cooling System Using Different Adsorbent/Refrigerant Pairs. Energy Convers. Manag. X 2022, 14, 100225. [Google Scholar] [CrossRef]
  36. Martínez Tejeda, F.C. Estudio Teórico y Experimental de un Sistema de Enfriamiento Solar (Cloruro de Bario-Amoniaco) de Una Etapa. Ph.D. Thesis, Universidad Nacional Autónoma de México, Ciudad de México, México, 2016. [Google Scholar]
  37. Meza-Cruz, O.; Pilatowsky, I.; Pérez-Ramírez, A.; Rivera-Blanco, C.; El Hamzaoui, Y.; Perez-Ramirez, M.; Sanchez, M.A. Modeling a Thermochemical Reactor of a Solar Refrigerator by BaCl2-NH3 Sorption Using Artificial Neural Networks and Mathematical Symmetry Groups. Math. Probl. Eng. 2020, 2020, 1–11. [Google Scholar] [CrossRef]
  38. Sharonov, V.E.; Aristov, Y.I. Ammonia Adsorption by MgCl2, CaCl2 and BaCl2 Confined to Porous Alumina: The Fixed Bed Adsorber. React. Kinet. Catal. Lett. 2005, 85, 183–188. [Google Scholar] [CrossRef]
  39. Mauran, S.; Prades, P.; L’Haridon, F. Heat and Mass Transfer in Consolidated Reacting Beds for Thermochemical Systems. Heat Recovery Syst. CHP 1993, 13, 315–319. [Google Scholar] [CrossRef]
  40. Jiang, L.; Wang, L.W.; Luo, W.L.; Wang, R.Z. Experimental Study on Working Pairs for Two-Stage Chemisorption Freezing Cycle. Renew. Energy 2015, 74, 287–297. [Google Scholar] [CrossRef]
  41. Locke, J.A.; Atkinson, G.H.; Shire, G.S.F.; Metcalf, S.J.; Critoph, R.E. Experimental Evaluation of Barium Bromide-Ammonia Equilibrium Lines. Appl. Therm. Eng. 2025, 259, 124879. [Google Scholar] [CrossRef]
  42. Tanner, J.E. Vapor Pressures of Hydrated Barium Chloride. J. Chem. Eng. Data 2005, 50, 777–779. [Google Scholar] [CrossRef]
  43. Hsieh, C.-Y.; Yeh, R.-H. Performance Enhancement Analysis of Environmentally Friendly Refrigerants. Processes 2024, 12, 904. [Google Scholar] [CrossRef]
  44. Martínez-Tejeda, F.; Pilatowsky, I.; Meza-Cruz, O.; Gómez, V.H. Estudio experimental de un sistema de calentamiento de agua con captadores solares al vacío con caloriductos y su potencial de aplicación para procesos de enfriamiento. In Proceedings of the En Memoria Electrónica del XXI Congreso Internacional de Ahorro de Energía, Guadalajara, Jalisco, México, 17–19 November 2010. [Google Scholar]
  45. Crozat, G.; Mauran, S. Intégration de la pompe à chaleur chimique dans des systèmes de chauffage de l’habitat ou de stockage d’énergie. Rev. Générale Therm. 1987, 26, 605–611. Available online: https://www.osti.gov/etdeweb/biblio/5453338 (accessed on 9 November 2025).
  46. United Nations (UN). Transforming Our World: The 2030 Agenda for Sustainable Development; United Nations: New York, NY, USA, 2015; Available online: https://unctad.org/meetings/es/sessionaldocuments/ares70d1_es.pdf (accessed on 9 November 2025).
Figure 1. Schematic diagram of the thermochemical refrigeration cycle [18].
Figure 1. Schematic diagram of the thermochemical refrigeration cycle [18].
Processes 13 03708 g001
Figure 2. Diagram of the components of the thermochemical refrigeration system.
Figure 2. Diagram of the components of the thermochemical refrigeration system.
Processes 13 03708 g002
Figure 3. Schematic diagram of the solar thermochemical refrigeration system.
Figure 3. Schematic diagram of the solar thermochemical refrigeration system.
Processes 13 03708 g003
Figure 4. Experimental solar thermochemical refrigeration system.
Figure 4. Experimental solar thermochemical refrigeration system.
Processes 13 03708 g004
Figure 5. (a) Ammonia production under different operating conditions. (b) Evolution of temperatures and solar irradiation during the cycle.
Figure 5. (a) Ammonia production under different operating conditions. (b) Evolution of temperatures and solar irradiation during the cycle.
Processes 13 03708 g005
Figure 6. (a) Volume of ammonia absorbed during the evaporation–absorption process. (b) Evolution of evaporation, absorption, ambient, and cooling water temperatures.
Figure 6. (a) Volume of ammonia absorbed during the evaporation–absorption process. (b) Evolution of evaporation, absorption, ambient, and cooling water temperatures.
Processes 13 03708 g006
Figure 7. Vapor pressure–temperature relationship of industrial-grade BaCl2–NH3.
Figure 7. Vapor pressure–temperature relationship of industrial-grade BaCl2–NH3.
Processes 13 03708 g007
Table 1. Experimental operating parameters.
Table 1. Experimental operating parameters.
ParametersExperimental EvaluationOperating IntervalUncertainty Estimates
Temperature (°C)Condenser Inlet55–66±0.5 °C
Condenser Outlet20–30
Evaporator Inlet20–25
Evaporator Outlet−7–−3
Generator Inlet60–70
Generator Outlet55–66
Heating Water Inlet50–70
Pressure (kPa)Condenser800–1250±0.15%
Evaporator200–370
Generator800–1250
Absorber200–260
Mass flow rate (kg/min)Heating Water20–60±0.1%
Cooling Water5–25
Chilled Water0–10
Refrigerants0.016–0.055
Solar Irradiance (W/m2)750 to 900<2%
Table 2. Comparison of the barium chloride–ammonia mixture model equations used by different authors.
Table 2. Comparison of the barium chloride–ammonia mixture model equations used by different authors.
AuthorCompoundsAuthor Equation in Ln P° vs. 1/T,
(P in Pa, T in K)
ΔH (kJ/mol)
Crozat (1987), [45]NH3(l)–NH3(v) L n P ° = 23.05 2799.6 T 23.26
BaCl2(s)–NH3(v) L n P ° = 29.30 5017 T 41.71
Driss (2012), [22]NH3(l)–NH3(v) L n P ° = 23.25 2810.3 T 23.36
BaCl2(s)–NH3(v) L n P ° = 27.95 4600.4 T 38.25
Martínez-T. (2018), [18]NH3(l)–NH3(v) L n P = 23.20 2758 T 22.94
BaCl2(s)–NH3(v) L n P ° = 30.80 5530.4 T 45.96
This studyNH3(l)–NH3(v) L n P ° = 23.34 2799.6 T 23.26
BaCl2(s)–NH3(v) L n P ° = 27.70 4500.7 T 37.42
Table 3. Internal overall performance and overall efficiency of the thermochemical system.
Table 3. Internal overall performance and overall efficiency of the thermochemical system.
ParametersExperimental EvaluationRange OperatingUncertainty Value
Power (kW)Condensation0.056–0.2660.161 ± 0.021
Evaporation0.057–0.2530.155 ± 0.020
Generation0.241–0.8240.533 ± 0.058
Absorption0.234–0.8380.536 ± 0.060
Internal Overall Performance and Overall Efficiency
(Dimensionless)
Internal Overall Performance0.244–0.3070.276 ± 0.006
Average Solar Collector Efficiency0.60–0.670.635 ± 0.007
Overall Efficiency0.146–0.2060.176 ± 0.006
Table 4. Comparative summary of BaCl2–NH3 thermochemical refrigeration systems.
Table 4. Comparative summary of BaCl2–NH3 thermochemical refrigeration systems.
Reference (Year)Working Pair/AdditiveType and FeaturesGeneration T (°C)Evaporation T (°C)ApplicationOverall Performance COPGlobal Efficiency (%)
Dueñas et al., 2001 [13]BaCl2–NH3 (no additives)Solid–gas thermochemical refrigerator; solar flat-plate collectors≈50–60 Ice production
Rivera et al., 2007 [12]BaCl2–NH3Intermittent thermochemical refrigerator; lab prototype≈53Sub-zeroCooling
Le Pierrès et al., 2007 [24]BaCl2–NH3 (cascaded)Deep-freezing process; flat-plate collectors (~70 °C)≈70≈−20Deep freezing≈0.10≈5
Le Pierrès et al., 2008 [23]BaCl2–NH3 (two-stage)Deep-freezing; flat-plate collectors (~70 °C)≈70≈−30Deep freezing0.05–0.07≈5
Stitou et al., 2012 [22]BaCl2–NH3 (with storage)Solar air conditioning; 20 m2 flat-plate collectors60–70≈4Air conditioning0.30–0.4015–23
Martínez-Tejeda et al., 2018 [18]BaCl2–NH3 (industrial)Single-stage thermochemical cooling≈60≈3Cooling
This studyBaCl2–NH3 (industrial, no additives)Solar STRS; evacuated tubes with heat pipes; intermittent55–66−7 to −3Ice production/cooling0.244–0.30714.6–20.6
Disclaimer/Publisher’s Note: The statements, opinions and data contained in all publications are solely those of the individual author(s) and contributor(s) and not of MDPI and/or the editor(s). MDPI and/or the editor(s) disclaim responsibility for any injury to people or property resulting from any ideas, methods, instructions or products referred to in the content.

Share and Cite

MDPI and ACS Style

Martínez-Tejeda, F.C.; Alanís-Navarro, J.A.; Cadenas-Castrejón, E.; Gómez-Espinoza, V.H.; Pilatowsky-Figueroa, I.; Martín Domínguez, I.R.; López-Vidaña, E.C. Harnessing Heat Pipes for Solar-Powered Cooling: An Experimental Study of a BaCl2–NH3 Thermochemical Refrigerator. Processes 2025, 13, 3708. https://doi.org/10.3390/pr13113708

AMA Style

Martínez-Tejeda FC, Alanís-Navarro JA, Cadenas-Castrejón E, Gómez-Espinoza VH, Pilatowsky-Figueroa I, Martín Domínguez IR, López-Vidaña EC. Harnessing Heat Pipes for Solar-Powered Cooling: An Experimental Study of a BaCl2–NH3 Thermochemical Refrigerator. Processes. 2025; 13(11):3708. https://doi.org/10.3390/pr13113708

Chicago/Turabian Style

Martínez-Tejeda, Francisco Christian, José Andrés Alanís-Navarro, Elizabeth Cadenas-Castrejón, Victor Hugo Gómez-Espinoza, Isaac Pilatowsky-Figueroa, Ignacio Ramiro Martín Domínguez, and Erick César López-Vidaña. 2025. "Harnessing Heat Pipes for Solar-Powered Cooling: An Experimental Study of a BaCl2–NH3 Thermochemical Refrigerator" Processes 13, no. 11: 3708. https://doi.org/10.3390/pr13113708

APA Style

Martínez-Tejeda, F. C., Alanís-Navarro, J. A., Cadenas-Castrejón, E., Gómez-Espinoza, V. H., Pilatowsky-Figueroa, I., Martín Domínguez, I. R., & López-Vidaña, E. C. (2025). Harnessing Heat Pipes for Solar-Powered Cooling: An Experimental Study of a BaCl2–NH3 Thermochemical Refrigerator. Processes, 13(11), 3708. https://doi.org/10.3390/pr13113708

Note that from the first issue of 2016, this journal uses article numbers instead of page numbers. See further details here.

Article Metrics

Back to TopTop