An Improved ADRC Design Based on a Generalized Differentiator for a Nonlinear Hydraulic Turbine Regulating System
Abstract
1. Introduction
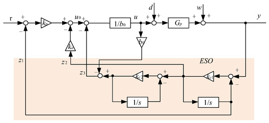
2. Improved ADRC Based on GD
- 1.
- Based on the expected dynamics, an appropriate controller bandwidth is selected .
- 2.
- The controller parameters and are rectified according to Equation (4).
- 3.
- We select the observer bandwidth according to Equation (7).
- 4.
- The observer parameters are rectified according to Equation (6).
- 5.
- We adjust so that the actual output curve of the system approaches the expected dynamic curve. If a suitable cannot be found, we reduce and repeat operations 2–5.
3. Test Instance
4. The Model of Turbine Regulation System
5. Simulation of Turbine Regulation System Based on Improved LADRC with GD
5.1. Case 1: Step Response
5.2. Case 2: The Transmission Line Suddenly Tripping
5.3. Case 3: Three-Phase Short-Circuit Fault at the End of the Synchronous Generator
5.4. Case 4: Severe Short-Circuit Fault in the Middle of a Transmission Line
6. Conclusions
Author Contributions
Funding
Data Availability Statement
Conflicts of Interest
Appendix A. The Principle of GD
References
- Yolcan, O.O. World energy outlook and state of renewable energy: 10-Year evaluation. Innov. Green Dev. 2023, 2, 100070. [Google Scholar] [CrossRef]
- Xie, X.; Ma, N.; Liu, W.; Zhao, W.; Xu, P.; Li, H. Functions of Energy Storage in Renewable Energy Dominated Power Systems: Review and Prospect. J. Proc. Chin. Soc. Electr. Eng. 2023, 43, 158. [Google Scholar]
- Hassan, Q.; Viktor, P.; Al-Musawi, T.J.; Ali, B.M.; Algburi, S.; Alzoubi, H.M.; Al-Jiboory, A.K.; Sameen, A.Z.; Salman, H.M.; Jaszczur, M. The renewable energy role in the global energy Transformations. Renew. Energy Focus 2024, 48, 100545. [Google Scholar] [CrossRef]
- Zhao, Z.; Yang, J.; Huang, Y.; Yang, W.; Ma, W.; Hou, L.; Chen, M. Improvement of regulation quality for hydro-dominated power system: Quantifying oscillation characteristic and multi-objective optimization. Renew. Energy 2021, 168, 606–631. [Google Scholar] [CrossRef]
- Ju, J.; Nan, H.; Zhao, M.; Chen, Y. The Influence of the Ratio of Hydropower Unit Capacity on the Stability of Primary Frequency Regulation of Power Grid. In Proceedings of the 2018 IEEE 3rd Advanced Information Technology, Electronic and Automation Control Conference (IAEAC), Chongqing, China, 12–14 October 2018; pp. 1388–1392. [Google Scholar]
- Tan, X.; Wang, H.; Xu, R.; Li, C. Frequency Stability of the Hydro-Dominated Power Grid Integrating the DFIG-based Variable-Speed Pumped Storage Unit. In Proceedings of the 2023 International Conference on Power, Communication, Computing and Networking Technologies, Wuhan, China, 24–25 September 2023; pp. 1–7. [Google Scholar]
- Feng, C.; Mai, Z.; Wu, C.; Zheng, Y.; Zhang, N. Advantage of battery energy storage systems for assisting hydropower units to suppress the frequency fluctuations caused by wind power variations. J. Energy Storage 2024, 78, 109989. [Google Scholar] [CrossRef]
- Beires, P.; Vasconcelos, M.; Moreira, C.; Lopes, J.P. Stability of autonomous power systems with reversible hydro power plants: A study case for large scale renewables integration. Electr. Power Syst. Res. 2018, 158, 1. [Google Scholar] [CrossRef]
- Shi, K.; Wang, B.; Chen, H. Fuzzy generalised predictive control for a fractional-order nonlinear hydro-turbine regulating system. IET Renew. Power Gener. 2018, 12, 1708–1713. [Google Scholar] [CrossRef]
- Tian, Y.; Wang, B.; Chen, D.; Wang, S.; Chen, P.; Yang, Y. Design of a Nonlinear Predictive Controller for a Fractional-Order Hydraulic Turbine Governing System with Mechanical Time Delay. Energies 2019, 12, 4727. [Google Scholar] [CrossRef]
- Beus, M.; Pandžić, H. Practical Implementation of a Hydro Power Unit Active Power Regulation Based on an MPC Algorithm. IEEE Trans. Energy Convers. 2022, 37, 243–253. [Google Scholar] [CrossRef]
- Bao, H.; Yang, J.; Fu, L.; Li, J. Study on nonlinear control of transition process of hydropower station based on differential geometry. J. Water Resour. 2008, 39, 1339–1345. [Google Scholar] [CrossRef]
- An, H.; Yang, J.; Yang, W.; Cheng, Y.; Peng, Y. An Improved Frequency Dead Zone with Feed-Forward Control for Hydropower Units: Performance Evaluation of Primary Frequency Control. Energies 2019, 12, 1497. [Google Scholar] [CrossRef]
- Liang, J.; Yuan, X.; Yuan, Y.; Chen, Z.; Li, Y. Nonlinear dynamic analysis and robust controller design for Francis hydraulic turbine regulating system with a straight-tube surge tank. Mech. Syst. Signal Process. 2017, 85, 927–946. [Google Scholar] [CrossRef]
- Huang, S.; Wang, J. Robust Fixed-Time Integral Sliding Mode Control of a Nonlinear Hydraulic Turbine Regulating System. J. Comput. Nonlinear Dyn. 2020, 15, 031002. [Google Scholar] [CrossRef]
- Liu, Z.; Yan, Z.; Zhang, H.; Xie, H.; Zou, Y.; Zheng, Y.; Xiao, Z.; Chen, F. Suppression and Analysis of Low-Frequency Oscillation in Hydropower Unit Regulation Systems with Complex Water Diversion Systems. Energies 2024, 17, 4831. [Google Scholar] [CrossRef]
- Huang, Z.; Li, B.; Fu, W. Study on nonlinear robust control of hydropower unit regulation system using PSOGSA algorithm. J. Hydropower Gener. 2024, 43, 101–112. [Google Scholar] [CrossRef]
- Han, J. Self-Immunity Control Technology the Technique for Estimating and Compensating the Uncertainties; Beijing National Defense Industry Publishing House: Beijing, China, 2008. [Google Scholar]
- Gao, Z. Scaling and bandwidth-parameterization based controller tuning. In Proceedings of the 2003 American Control Conference, Denver, CO, USA, 4–6 June 2003; Volume 6, pp. 4989–4996. [Google Scholar]
- Wu, Z.; Li, D.; Xue, Y.; Chen, Y. Gain scheduling design based on active disturbance rejection control for thermal power plant under full operating conditions. Energy 2019, 185, 744–762. [Google Scholar] [CrossRef]
- Shi, G.; Wu, Z.; He, T.; Li, D.; Ding, Y.; Liu, S. Decentralized active disturbance rejection control design for the gas turbine. Meas. Control 2020, 53, 1589–1601. [Google Scholar] [CrossRef]
- Gu, J.; Ji, N.L.; Sun, Y.J.; Tan, J.L.; Wang, D.X. A self-resilient multi-model control method for steam generator water level in nuclear power plants. J. Power Eng. 2012, 32, 373–377. [Google Scholar]
- Zhao, D.; Zheng, Q.; Gao, F.; Bouquain, D.; Dou, M.; Miraoui, A. Disturbance decoupling control of an ultra-high speed centrifugal compressor for the air management of fuel cell systems. Int. J. Hydrogen Energy 2014, 39, 1788–1798. [Google Scholar] [CrossRef]
- Zhang, J.; Cui, C.; Gu, S.; Wang, T.; Zhao, L. Trajectory Tracking Control of Pneumatic Servo System: A Variable Gain ADRC Approach. IEEE Trans. Cybern. 2023, 53, 6977–6986. [Google Scholar] [CrossRef] [PubMed]
- Tian, C.; Yan, P. Sampled-data predictive ADRC design for nano motion systems with measurement time delay. Kongzhi Lilun Yu Yingyong 2018, 35, 1560. [Google Scholar]
- Li, Y.; Chen, Z.; Liu, Z. Attitude control of a quad-rotor robot based on ADRC. Ha’Erbin Gong Ye Da Xue Xue Bao 2014, 46, 115–123. [Google Scholar]
- Shi, Y.; Qiao, J.; Xue, L. The Stability of Coupled Four Rotor Unmanned Aerial Vehicle based on ADRC Controller. Control Eng. China 2019, 26, 2099. [Google Scholar]
- Shi, G.; Dai, C.; Liu, S.; Li, D.; Ding, Y. The Design of a Reference Model-Based Proportional-Integral-Derivative Controller with the Generalized Derivative. In Proceedings of the 2023 23rd International Conference on Control, Automation and Systems (ICCAS), Yeosu, Republic of Korea, 17–20 October 2023; pp. 547–552. [Google Scholar] [CrossRef]
- Ho, W.K.; Hang, C.C.; Cao, L.S. Tuning of PID controllers based on gain and phase margin specifications. Automatica 1995, 31, 497–502. [Google Scholar] [CrossRef]















| Object | Controller Parameters | |
|---|---|---|
| LADRC | Improved LADRC with GD | |
| 5, 50, 2.5 | 5, 50, 2.5 | |
| 0.78, 11.7, 10 | 0.78, 3.1, 10 | |
| 0.5, 7.5, 0.7 | 0.5, 7.5, 0.7 | |
| 0.5, 7.5, 3.3 | 0.5, 8, 3.3 | |
| 0.4, 6, 4.1 | 0.4, 6, 4.1 | |
| Mathematical Symbol | Nomenclature | Value |
|---|---|---|
| Reaction Time Constant of the Receiver | 0.3 | |
| Turbine Transfer Coefficient | 1, 1.5, 0, 1, 0.5, 0 | |
| Water Flow Inertia Time Constant | 1.54 | |
| Transmission Time of the Pressure Wave | 0.53 | |
| Generator Inertia Time Constant | 3.2 | |
| Integrated Self-regulation Coefficient | 1 | |
| Bus Voltage of the Large Grid | 1 | |
| Generator Transient Potential | 1 | |
| Initial Angle | 63.74° | |
| Initial Angular Velocity | 314 rad/s | |
| d-axis Transient Reactance | 1.150 | |
| q-axis Reactance | 1.474 |
| Controller | Overshoot (%) | Undershoot | Regulation Time (s) |
|---|---|---|---|
| LADRC with GD | 0.556 | −0.0657 | 15.02 |
| LADRC | 0.535 | −0.0621 | 15.65 |
| PID (ZNM) | 0.527 | −0.1355 | 16.89 |
| PID (GPM) | 0.182 | −0.1432 | 15.65 |
| PID (PSO) | 0.030 | −0.2061 | 12.68 |
| Scenario | Controller | Overshoot | Undershoot | Settling Time (s) | |||
|---|---|---|---|---|---|---|---|
| Fault (1) | LADRC with GD | 0.1935 | 0.0066 | −0.2706 | −0.0090 | 4.4768 | 4.9601 |
| LADRC | 0.1967 | 0.0068 | − 0.2716 | −0.0092 | 4.4076 | 4.8968 | |
| PID (ZN) | 0.2221 | 0.0073 | −0.2813 | −0.0.0094 | 6.3668 | 6.8719 | |
| PID (GPM) | 0.2217 | 0.0073 | −0.2812 | −0.0094 | 6.3668 | 6.8719 | |
| PID (PSO) | 0.2208 | 0.0073 | −0.2808 | −0.0093 | 6.1093 | 6.5403 | |
| Fault (2) | LADRC with GD | 0.2853 | 0.0088 | −0.3430 | −0.0103 | 4.7793 | 5.1302 |
| LADRC | 0.2895 | 0.0.0091 | −0.3466 | −0.0104 | 4.7081 | 5.1880 | |
| PID (ZN) | 0.3104 | 0.0095 | −0.3521 | −0.0105 | 6.9868 | 7.4539 | |
| PID (GPM) | 0.3101 | 0.0095 | −0.3521 | −0.0105 | 6.9868 | 7.4539 | |
| PID (PSO) | 0.3088 | 0.0094 | −0.3514 | −0.0105 | 6.6901 | 7.1425 | |
| Fault (3) | LADRC with GD | 0.3090 | 0.0097 | −0.3808 | −0.0117 | 5.0801 | 5.5801 |
| LADRC | 0.3142 | 0.0100 | −0.3850 | −0.0119 | 5.0053 | 5.4954 | |
| PID (ZN) | 0.3388 | 0.0105 | −0.3918 | −0.0121 | 6.9760 | 7.2064 | |
| PID (GPM) | 0.3385 | 0.0105 | −0.3918 | −0.0121 | 6.9760 | 7.2064 | |
| PID (PSO) | 0.3371 | 0.0104 | −0.3911 | −0.0120 | 6.6798 | 7.0786 | |
Disclaimer/Publisher’s Note: The statements, opinions and data contained in all publications are solely those of the individual author(s) and contributor(s) and not of MDPI and/or the editor(s). MDPI and/or the editor(s) disclaim responsibility for any injury to people or property resulting from any ideas, methods, instructions or products referred to in the content. |
© 2025 by the authors. Licensee MDPI, Basel, Switzerland. This article is an open access article distributed under the terms and conditions of the Creative Commons Attribution (CC BY) license (https://creativecommons.org/licenses/by/4.0/).
Share and Cite
Zhang, J.; Liu, S.; Li, J.; Li, D.; Wang, Z. An Improved ADRC Design Based on a Generalized Differentiator for a Nonlinear Hydraulic Turbine Regulating System. Processes 2025, 13, 86. https://doi.org/10.3390/pr13010086
Zhang J, Liu S, Li J, Li D, Wang Z. An Improved ADRC Design Based on a Generalized Differentiator for a Nonlinear Hydraulic Turbine Regulating System. Processes. 2025; 13(1):86. https://doi.org/10.3390/pr13010086
Chicago/Turabian StyleZhang, Jiwen, Shaojie Liu, Jingyan Li, Donghai Li, and Zhengwei Wang. 2025. "An Improved ADRC Design Based on a Generalized Differentiator for a Nonlinear Hydraulic Turbine Regulating System" Processes 13, no. 1: 86. https://doi.org/10.3390/pr13010086
APA StyleZhang, J., Liu, S., Li, J., Li, D., & Wang, Z. (2025). An Improved ADRC Design Based on a Generalized Differentiator for a Nonlinear Hydraulic Turbine Regulating System. Processes, 13(1), 86. https://doi.org/10.3390/pr13010086

