Event-Driven Day-Ahead and Intra-Day Optimal Dispatch Strategy for Sustainable Operation of Power Systems Considering Major Weather Events
Abstract
1. Introduction
1.1. Background
1.2. Literature Review
1.3. Contributions
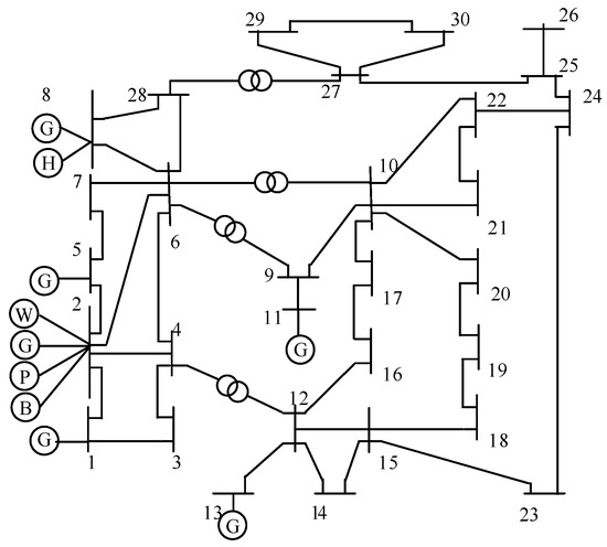
2. Flexible Resource Aggregation System Description
- Decision Function: The decision function provides a decision directive to the scheduling platform, enabling transition between different scheduling strategies.
- Pre-Event Scheduling Strategy: This part of the strategy deals with scheduling decisions made before the occurrence of significant weather events.
- Post-Event Scheduling Strategy: The post-event scheduling strategy focuses on scheduling decisions made after significant weather events.
3. Deterministic Day-Ahead and Intra-Day Optimal Dispatch Models
3.1. Model of Flexible Resources
3.1.1. Thermal Power
3.1.2. Battery Storage
3.1.3. Pumped Storage
3.1.4. Demand Response
- Class A IDR arranged one day in advance;
- Class B IDR, with a response time of 15 min to 2 h;
- Class C DR, with a response time of 5 to 15 min.where and are the load increase and decrease amounts for PDR; and are the maximum load increase and decrease amounts for PDR; and are the load increase and decrease amounts for Class A, B, and C IDRs, respectively; and and are the maximum load increase and decrease amounts for IDR.
3.2. Deterministic Day-Ahead and Intro-Day Optimal Dispatch Models
3.2.1. Objective Function
- 1.
- Day-ahead deterministic optimal dispatch model
- 2.
- Intra-day deterministic optimal dispatch model
3.2.2. Constraints
4. Methodology
4.1. Random Variable Probability Models
4.1.1. Wind Power Probability Model
4.1.2. Photovoltaic Probability Model
4.1.3. Load Probability Model
4.2. Day-Ahead and Intra-Day Optimal Dispatch Models Considering Uncertainty
4.2.1. Day-Ahead Robust Optimal Dispatch Model
4.2.2. Intra-Day Rolling Stochastic Optimal Dispatch Model
4.3. Event-Driven Day-Ahead and Intra-Day Optimal Dispatch Strategy Considering Major Weather Events
5. Results and Discussions
5.1. Parameter Settings
5.2. Case Analysis
5.2.1. Comparison of Operation Results
5.2.2. Comparison of Methodologies
- Scheme 1: Use the deterministic day-ahead and intra-day optimal dispatch strategy throughout the year.
- Scheme 2: Use the day-ahead robust and intra-day stochastic optimal dispatch strategy throughout the year.
- Scheme 3: Use an event-driven dispatch strategy, which means using the deterministic day-ahead and intra-day optimal dispatch strategy under normal weather conditions, and the day-ahead robust and intra-day stochastic optimal dispatch strategy during major weather events.
6. Conclusions
Author Contributions
Funding
Data Availability Statement
Conflicts of Interest
References
- Dini, A.; Hassankashi, A.; Pirouzi, S.; Lehtonen, M.; Arandian, B.; Baziar, A.A. A Flexible-Reliable Operation Optimization Model of the Networked Energy Hubs with Distributed Generations, Energy Storage Systems and Demand Response. Energy 2022, 239, 121923. [Google Scholar] [CrossRef]
- China Power System Transformation—Analysis. Available online: https://www.iea.org/reports/china-power-system-transformation (accessed on 14 April 2024).
- Hussain, S.; Lai, C.; Eicker, U. Flexibility: Literature Review on Concepts, Modeling, and Provision Method in Smart Grid. Sustain. Energy Grids Netw. 2023, 35, 101113. [Google Scholar] [CrossRef]
- Silva Jr, S.S.; Assis, T.M.L. Adaptive Underfrequency Load Shedding in Systems with Renewable Energy Sources and Storage Capability. Electr. Power Syst. Res. 2020, 189, 106747. [Google Scholar] [CrossRef]
- Kargarian, A.; Hug, G.; Mohammadi, J. A Multi-Time Scale Co-Optimization Method for Sizing of Energy Storage and Fast-Ramping Generation. IEEE Trans. Sustain. Energy 2016, 7, 1351–1361. [Google Scholar] [CrossRef]
- Liu, Y.; Li, Y.; Gooi, H.B.; Jian, Y.; Xin, H.; Jiang, X.; Pan, J. Distributed Robust Energy Management of a Multimicrogrid System in the Real-Time Energy Market. IEEE Trans. Sustain. Energy 2019, 10, 396–406. [Google Scholar] [CrossRef]
- Liu, Z.; Liu, S.; Li, Q.; Zhang, Y.; Deng, W.; Zhou, L. Optimal Day-Ahead Scheduling of Islanded Microgrid Consid-ering Risk-Based Reserve Decision. J. Mod. Power Syst. Clean Energy 2021, 9, 1149–1160. [Google Scholar] [CrossRef]
- Ma, X.; Peng, B.; Ma, X.; Tian, C.; Yan, Y. Multi-Timescale Optimization Scheduling of Regional Integrated Energy System Based on Source-Load Joint Forecasting. Energy 2023, 283, 129186. [Google Scholar] [CrossRef]
- Jin, L.; Fang, X.; Cai, Z.; Chen, D.; Li, Y. Multiple Time-Scales Source-Storage-Load Coordination Scheduling Strategy of Grid Connected to Energy Storage Power Station Considering Characteristic Distribution. Dianwang Jishu/Power Syst. Technol. 2020, 44, 3641–3648. [Google Scholar] [CrossRef]
- Hou, J.; Yu, W.; Xu, Z.; Ge, Q.; Li, Z.; Meng, Y. Multi-Time Scale Optimization Scheduling of Microgrid Con-sidering Source and Load Uncertainty. Electr. Power Syst. Res. 2023, 216, 109037. [Google Scholar] [CrossRef]
- Fan, W.; Tan, Q.; Xue, F.; De, G.; Zhang, A.; Li, F.; Li, X. Multi-Stage Time Sequence Planning Model of Integrated Energy System Considering Extreme Scenarios and Uncertainty. Energy Rep. 2022, 8, 14962–14978. [Google Scholar] [CrossRef]
- Silva, A.R.; Pousinho, H.M.I.; Estanqueiro, A. A Multistage Stochastic Approach for the Optimal Bidding of Variable Renewable Energy in the Day-Ahead, Intraday and Balancing Markets. Energy 2022, 258, 124856. [Google Scholar] [CrossRef]
- Nosair, H.; Bouffard, F. Flexibility Envelopes for Power System Operational Planning. IEEE Trans. Sustain. Energy 2015, 6, 800–809. [Google Scholar] [CrossRef]
- Xi, X.; Gao, Y.; Wang, Y.; Wang, X.; Zhang, Y.; Chen, W. Probabilistic Energy Flow Algorithm for Integrated Energy Systems Based on Fuzzy C-Means Clustering. In Proceedings of the 2023 IEEE 6th International Electrical and Energy Conference (CIEEC), Hefei, China, 12–14 May 2023; pp. 2428–2433. [Google Scholar]
- Cao, Y.; Wei, W.; Chen, L.; Wu, Q.; Mei, S. Supply Inadequacy Risk Evaluation of Stand-Alone Renewable Powered Heat-Electricity Energy Systems: A Data-Driven Robust Approach. IEEE Trans. Ind. Inform. 2021, 17, 1937–1947. [Google Scholar] [CrossRef]
- Peng, C.; Xie, P.; Pan, L.; Yu, R. Flexible Robust Optimization Dispatch for Hybrid Wind/Photovoltaic/Hydro/Thermal Power System. IEEE Trans. Smart Grid 2016, 7, 751–762. [Google Scholar] [CrossRef]
- Liu, D.; Zhang, C.; Chen, G.; Xu, Y.; Dong, Z.Y. Stochastic Security-Constrained Optimal Power Flow for a Mi-crogrid Considering Tie-Line Switching. Int. J. Electr. Power Energy Syst. 2022, 134, 107357. [Google Scholar] [CrossRef]
- Liu, Y.; Guo, L.; Hou, R.; Wang, C.; Wang, X. A Hybrid Stochastic/Robust-Based Multi-Period Investment Planning Model for Island Microgrid. Int. J. Electr. Power Energy Syst. 2021, 130, 106998. [Google Scholar] [CrossRef]
- Alipour, M.; Gharehpetian, G.B.; Ahmadiahangar, R.; Rosin, A.; Kilter, J. Energy Storage Facilities Impact on Flexibility of Active Distribution Networks: Stochastic Approach. Electr. Power Syst. Res. 2022, 213, 108645. [Google Scholar] [CrossRef]
- Wang, Y.; Wang, X.; Zhang, Y.; Zhang, Y.; Xu, Z. Over-Limit Risk Assessment Method of Integrated Energy System Considering Source-Load Correlation. Glob. Energy Interconnect. 2023, 6, 661–674. [Google Scholar] [CrossRef]
- Niu, X.-P.; Wang, R.-Z.; Liao, D.; Zhu, S.-P.; Zhang, X.-C.; Keshtegar, B. Probabilistic Modeling of Uncertainties in Fatigue Reliability Analysis of Turbine Bladed Disks. Int. J. Fatigue 2021, 142, 105912. [Google Scholar] [CrossRef]
- Mohandes, B.; Moursi, M.S.E.; Hatziargyriou, N.; Khatib, S.E. A Review of Power System Flexibility with High Penetration of Renewables. IEEE Trans. Power Syst. 2019, 34, 3140–3155. [Google Scholar] [CrossRef]
- Gasser, P.; Suter, J.; Cinelli, M.; Spada, M.; Burgherr, P.; Hirschberg, S.; Kadziński, M.; Stojadinović, B. Comprehensive Resilience Assessment of Electricity Supply Security for 140 Countries. Ecol. Indic. 2020, 110, 105731. [Google Scholar] [CrossRef]
- Bu, Y.; Zhang, X. On the Way to Integrate Increasing Shares of Variable Renewables in China: Activating Nearby Accommodation Potential under New Provincial Renewable Portfolio Standard. Processes 2021, 9, 361. [Google Scholar] [CrossRef]
- Calvin, K.; Dasgupta, D.; Krinner, G.; Mukherji, A.; Thorne, P.W.; Trisos, C.; Romero, J.; Aldunce, P.; Barrett, K.; Blanco, G.; et al. IPCC, 2023: Climate Change 2023: Synthesis Report. Contribution of Working Groups I, II and III to the Sixth Assessment Report of the Intergovernmental Panel on Climate Change; Core Writing Team, Lee, H., Romero, J., Eds.; Intergovernmental Panel on Climate Change (IPCC): Geneva, Switzerland, 2023. [Google Scholar]







| Cost (Million USD) | Deterministic Day-Ahead and Intro-Day Optimal Dispatch Strategy | Day-Ahead Robust and Intra-Day Stochastic Optimal Dispatch Strategy | Comparison |
|---|---|---|---|
| Total cost | 817.76 | 815.41 | +2.35 |
| Operating cost | 797.66 | 814.32 | −16.66 |
| Load-shedding cost | 19.1 | 0.09 | +19.1 |
| Renewable energy abandoned cost | 0.09 | 0 | +0.09 |
| Cost (Million USD) | Deterministic Day-Ahead and Intro-Day Optimal Dispatch Strategy | Day-Ahead Robust and Intra-Day Stochastic Optimal Dispatch Strategy | Comparison |
|---|---|---|---|
| Total cost | 6832.00 | 6818.24 | +13.76 |
| Operating cost | 6782.50 | 6810.39 | −27.89 |
| Load-shedding cost | 48.74 | 7.34 | +41.4 |
| Renewable energy abandoned cost | 0.76 | 0.51 | +0.25 |
| Cost (Million USD) | Scheme 1 | Scheme 2 | Scheme 3 |
|---|---|---|---|
| Total cost | 570,789 | 1,018,660 | 572,018 |
| Operating cost | 570,006 | 1,018,650 | 571,746 |
| Load-shedding cost | 721 | 6 | 278 |
| Renewable energy abandoned cost | 62 | 4 | 13 |
Disclaimer/Publisher’s Note: The statements, opinions and data contained in all publications are solely those of the individual author(s) and contributor(s) and not of MDPI and/or the editor(s). MDPI and/or the editor(s) disclaim responsibility for any injury to people or property resulting from any ideas, methods, instructions or products referred to in the content. |
© 2024 by the authors. Licensee MDPI, Basel, Switzerland. This article is an open access article distributed under the terms and conditions of the Creative Commons Attribution (CC BY) license (https://creativecommons.org/licenses/by/4.0/).
Share and Cite
Liang, Z.; Sun, D.; Du, E.; Fang, Y. Event-Driven Day-Ahead and Intra-Day Optimal Dispatch Strategy for Sustainable Operation of Power Systems Considering Major Weather Events. Processes 2024, 12, 840. https://doi.org/10.3390/pr12040840
Liang Z, Sun D, Du E, Fang Y. Event-Driven Day-Ahead and Intra-Day Optimal Dispatch Strategy for Sustainable Operation of Power Systems Considering Major Weather Events. Processes. 2024; 12(4):840. https://doi.org/10.3390/pr12040840
Chicago/Turabian StyleLiang, Zhifeng, Dayan Sun, Ershun Du, and Yuchen Fang. 2024. "Event-Driven Day-Ahead and Intra-Day Optimal Dispatch Strategy for Sustainable Operation of Power Systems Considering Major Weather Events" Processes 12, no. 4: 840. https://doi.org/10.3390/pr12040840
APA StyleLiang, Z., Sun, D., Du, E., & Fang, Y. (2024). Event-Driven Day-Ahead and Intra-Day Optimal Dispatch Strategy for Sustainable Operation of Power Systems Considering Major Weather Events. Processes, 12(4), 840. https://doi.org/10.3390/pr12040840
