Simulation Study on Factors Affecting the Output Voltage of Extended-Range Electric Vehicle Power Batteries
Abstract
1. Introduction
2. Simulation Model Establishment
2.1. Power Battery Model
2.1.1. SOC Calculation
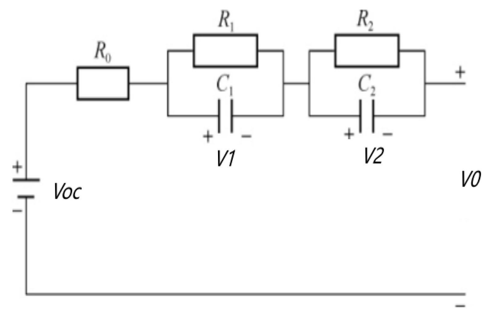
2.1.2. No-Load Battery Voltage
2.2. EREV Model
2.2.1. Peak Power Calculation
2.2.2. Calculation of Peak Speed
2.2.3. Calculation of Peak Torque
2.3. EREV Modeling of Cruise
2.3.1. Vehicle and Engine Module
2.3.2. Drive Motor Module
2.3.3. Power Battery Module
3. Simulation Settings
3.1. Cycle Condition Task Setting
3.2. Simulation Initial Condition Setting
4. Results Analysis and Discussion
4.1. Impact of Working Conditions
4.2. Impact of Nominal Voltage on Battery Cells
4.3. Series Parallel Connection of Battery Cells
5. Conclusions
- The output voltage can be affected by operating conditions with the same battery configuration parameters. The idle voltage (308.59 V), maximum voltage (375.67 V) and minimum voltage (191.53 V) of the CLTC operating conditions are higher than those of the NEDC and WLTC operating conditions.
- The nominal voltage of the battery cell change did not significantly improve the voltage output of the power battery. The breakdown phenomenon still exists, but the breakdown time will change.
- The number of series and parallel connections of battery cells directly affects the output voltage which can avoid breakdown phenomena. The maximum fluctuation amplitude of the NEDC decreased from 119.66 V to 31.18 V compared to the idle voltage, with a reduction of 73.9%. The maximum fluctuation amplitude of the WLTC operating condition decreased from 113.84 V to 30.62 V, with a reduction of 73.1%. The maximum fluctuation amplitude of the WLTC operating condition decreased from 117.06 V to 37.3 V, with a reduction of 68.1%.
Author Contributions
Funding
Data Availability Statement
Conflicts of Interest
References
- Yazdi, M.; Moradi, R.; Pirbalouti, R.G.; Zarei, E.; Li, H. Enabling Safe and Sustainable Hydrogen Mobility: Circular Economy-Driven Management of Hydrogen Vehicle Safety. Processes 2023, 11, 2730. [Google Scholar] [CrossRef]
- Castillo, O.; Álvarez, R.; Domingo, R. Opportunities and Barriers of Hydrogen–Electric Hybrid Powertrain Vans: A Systematic Literature Review. Processes 2020, 8, 1261. [Google Scholar] [CrossRef]
- Xu, X.; Feng, J.; Wang, H.; Zhang, N.; Wang, X. Dynamics Analysis of Misalignment and Stator Short-Circuit Coupling Fault in Electric Vehicle Range Extender. Processes 2020, 8, 1037. [Google Scholar] [CrossRef]
- Zaid, S.A.; Albalawi, H.; Alatwi, A.M.; Elemary, A. Performance Improvement of an Electric Vehicle Charging Station Using Brain Emotional Learning-Based Intelligent Control. Processes 2024, 12, 1014. [Google Scholar] [CrossRef]
- López, V.; Jove, E.; Gato, F.Z.; Pinto-Santos, F.; Piñón-Pazos, A.J.; Casteleiro-Roca, J.-L.; Quintian, H.; Calvo-Rolle, J.L. Intelligent Model for Power Cells State of Charge Forecasting in EV. Processes 2022, 10, 1406. [Google Scholar] [CrossRef]
- Atawi, I.E.; Hendawi, E.; Zaid, S.A. Analysis and Design of a Standalone Electric Vehicle Charging Station Supplied by Photovoltaic Energy. Processes 2021, 9, 1246. [Google Scholar] [CrossRef]
- Fuhrmann, M.; Torcheux, L.; Kobayashi, Y. Knee point prediction for lithium-ion batteries using differential voltage analysis and degree of inhomogeneity. J. Power Sources 2024, 621, 235210. [Google Scholar] [CrossRef]
- Lai, X.; Yao, Y.; Tang, X.; Zheng, Y.; Zhou, Y.; Sun, Y.; Gao, F. Voltage profile reconstruction and state of health estimation for lithium-ion batteries under dynamic working conditions. Energy 2023, 282, 128971. [Google Scholar] [CrossRef]
- E, J.; Xiao, H.; Tian, S.; Huang, Y. A comprehensive review on thermal runaway model of a lithium-ion battery: Mechanism, thermal, mechanical, propagation, gas venting and combustion. Renew. Energy 2024, 229, 120762. [Google Scholar] [CrossRef]
- Xiao, H.; E, J.; Tian, S.; Huang, Y.; Song, X. Effect of composite cooling strategy including phase change material and liquid cooling on the thermal safety performance of a lithium-ion battery pack under thermal runaway propagation. Energy 2024, 295, 131093. [Google Scholar] [CrossRef]
- Peng, S.; Zhu, J.; Wu, T.; Tang, A.; Kan, J.; Pecht, M. SOH early prediction of Lithium-ion batteries based on voltage interval selection and features fusion. Energy 2024, 308, 132993. [Google Scholar] [CrossRef]
- Ke, X.; Hong, H.; Zheng, P.; Zhang, S.; Zhu, L.; Li, Z.; Cai, J.; Fan, P.; Yang, J.; Wang, J.; et al. State-of-health estimation for lithium-ion batteries using relaxation voltage under dynamic conditions. J. Energy Storage 2024, 100, 113506. [Google Scholar] [CrossRef]
- Zhang, H.; Peng, J.; Dong, H.; Tan, H.; Ding, F. Hierarchical reinforcement learning based energy management strategy of plug-in hybrid electric vehicle for ecological car-following process. Appl. Energy 2023, 333, 120599. [Google Scholar] [CrossRef]
- Huang, Y.; Hu, H.; Tan, J.; Lu, C.; Xuan, D. Deep reinforcement learning based energy management strategy for range extend fuel cell hybrid electric vehicle. Energy Convers. Manag. 2023, 277, 116678. [Google Scholar] [CrossRef]
- Xu, Y.; Zhang, H.; Yang, Y.; Zhang, J.; Yang, F.; Yan, D.; Wang, Y. Optimization of energy management strategy for extended range electric vehicles using multi-island genetic algorithm. J. Energy Storage 2023, 61, 106802. [Google Scholar] [CrossRef]
- Xiao, B.; Yang, W.; Wu, J.; Walker, P.D.; Zhang, N. Energy management strategy via maximum entropy reinforcement learning for an extended range logistics vehicle. Energy 2022, 253, 124105. [Google Scholar] [CrossRef]
- Parkar, O.; Snyder, B.; Rahi, A.; Anwar, S. Modified Particle Swarm Optimization Based Powertrain Energy Management for Range Extended Electric Vehicle. Energies 2023, 16, 5082. [Google Scholar] [CrossRef]
- Yang, Y.; Xu, Y.; Zhang, H.; Yang, F.; Ren, J.; Wang, X.; Jin, P.; Huang, D. Research on the energy management strategy of extended range electric vehicles based on a hybrid energy storage system. Energy Rep. 2022, 8, 6602–6623. [Google Scholar] [CrossRef]
- Zhang, X.; Wu, Z.; Hu, X.; Qian, W.; Li, Z. Trajectory optimization-based auxiliary power unit control strategy for an extended range electric vehicle. IEEE Trans. Veh. Technol. 2017, 66, 10866–10874. [Google Scholar] [CrossRef]
- Zhang, J.; Zhang, W.; Zhang, Y.; Zhang, C.; Zhao, B.; Zhao, X.; Ma, S. Capacity estimation for series-connected battery pack based on partial charging voltage curve segments. J. Energy Storage 2024, 95, 112576. [Google Scholar] [CrossRef]
- Gong, M.; Chen, J.; Chen, J.; Zhao, X. Study on Discharge Characteristic Performance of New Energy Electric Vehicle Batteries in Teaching Experiments of Safety Simulation under Different Operating Conditions. Energies 2024, 17, 2845. [Google Scholar] [CrossRef]
- Li, J.; Wang, Y.; Chen, J.; Zhang, X. Study on energy management strategy and dynamic modeling for auxiliary power units in range-extended electric vehicles. Appl. Energy 2017, 194, 363–375. [Google Scholar] [CrossRef]
- Yao, J.C.; Han, T. Data-driven lithium-ion batteries capacity estimation based on deep transfer learning using partial segment of charging/discharging data. Energy 2023, 271, 127033. [Google Scholar] [CrossRef]
- Park, S.J.; Song, Y.W.; Kang, B.S.; Kim, W.J.; Choi, Y.J.; Kim, C.; Hong, Y.S. Depth of discharge characteristics and control strategy to optimize electric vehicle battery life. J. Energy Storage 2023, 59, 106477. [Google Scholar] [CrossRef]
- Jing, J.; Liu, Y.; Wang, Y.; Huang, W. Research on energy management based on SOC in P2.5 hybridvehicles. In Proceedings of the 2021 International Conference on Energy Engineering and Power Systems (EEPS2021), Hangzhou, China, 20–22 August 2021. [Google Scholar]
- Wang, W.; Li, W.; Qu, F.; Cai, J.; Wang, P.; Zheng, H. Research on Multi-operating Point Control Strategy of Extended Range Electric Vehicle Engine. In Proceedings of the 2023 the 6th International Conference on Energy, Electrical and Power Engineering, Guangzhou, China, 12–14 May 2023. [Google Scholar]
- Bublil, S.; Leifer, N.; Nanda, R.; Elias, Y.; Fayena-Greenstein, M.; Aurbach, D.; Goobes, G. Alumina thin coat on pre-charged soft carbon anode reduces electrolyte breakdown and maintains sodiation sites active in Na-ion battery-Insights from NMR measurements. J. Solid State Chem. 2021, 298, 122121. [Google Scholar] [CrossRef]
- Wang, C.; Deng, T.; Fan, X.; Zheng, M.; Yu, R.; Lu, Q.; Sun, X. Identifying soft breakdown in all-solid-state lithium battery. Joule 2022, 6, 1770–1781. [Google Scholar] [CrossRef]
- Sealy, C. Oxygen to blame for Li-ion battery breakdown. In Materials Today; Elsevier: Amsterdam, The Netherlands, 2024. [Google Scholar] [CrossRef]
- Diaz-Fortuny, J.; Saraza-Canflanca, P.; Rodriguez, R.; Martin-Martinez, J.; Castro-Lopez, R.; Roca, E.; Fernandez, F.V.; Nafria, M. Statistical threshold voltage shifts caused by BTI and HCI at nominal and accelerated conditions. Solid-State Electron. 2021, 185, 108037. [Google Scholar] [CrossRef]
- Narayanan, S.S.S.; Thangavel, S. Terminal voltage prediction of Li-Ion batteries using Combined Neural Network and Teaching Learning Based Optimization algorithm. Appl. Soft Comput. 2023, 133, 109954. [Google Scholar] [CrossRef]












| Parameter | Value |
|---|---|
| Empty weight m0/kg | 2450 |
| Full load mass m/kg | 3080 |
| Wheelbase L/mm | 3005 |
| Length × Width × Height/mm | 5050 × 1995 × 1750 |
| Tire radius/mm | 354 |
| Windward area A/m2 | 3.04 |
| Number of cylinders | 4 |
| Parameter | Value |
|---|---|
| Nominal voltage/V | 3.7 |
| Energy density/W·h/kg | 120~200 |
| Specific power/W/kg | 1500~2000 |
| Charge temperature/°C | 0~45 |
| Discharge temperature/°C | −20~60 |
| Internal resistance/mΩ | <30 |
| Charging cycles | >1500 |
| Operating Conditions | Idle Voltage/V | Maximum Voltage/V | Minimum Voltage/V | Standard Deviation |
|---|---|---|---|---|
| NEDC | 306.44 | 353.06 | 186.78 | 30.02 |
| WLTC | 308.65 | 357.14 | 194.81 | 22.5 |
| CLTC | 308.59 | 375.67 | 191.53 | 24.52 |
| Operating Conditions | Idle Voltage/V | Maximum Voltage/V | Minimum Voltage/V | Standard Deviation |
|---|---|---|---|---|
| NEDC | 766.82 | 798.0 | 741.24 | 7.86 |
| WLTC | 766.9 | 797.52 | 746.6 | 10.56 |
| CLTC | 766.62 | 803.92 | 731.24 | 8.27 |
Disclaimer/Publisher’s Note: The statements, opinions and data contained in all publications are solely those of the individual author(s) and contributor(s) and not of MDPI and/or the editor(s). MDPI and/or the editor(s) disclaim responsibility for any injury to people or property resulting from any ideas, methods, instructions or products referred to in the content. |
© 2024 by the authors. Licensee MDPI, Basel, Switzerland. This article is an open access article distributed under the terms and conditions of the Creative Commons Attribution (CC BY) license (https://creativecommons.org/licenses/by/4.0/).
Share and Cite
Wang, X.; Zhang, B.; E, J.; Xiao, X. Simulation Study on Factors Affecting the Output Voltage of Extended-Range Electric Vehicle Power Batteries. Processes 2024, 12, 2195. https://doi.org/10.3390/pr12102195
Wang X, Zhang B, E J, Xiao X. Simulation Study on Factors Affecting the Output Voltage of Extended-Range Electric Vehicle Power Batteries. Processes. 2024; 12(10):2195. https://doi.org/10.3390/pr12102195
Chicago/Turabian StyleWang, Xiaodong, Bin Zhang, Jiaqiang E, and Xidan Xiao. 2024. "Simulation Study on Factors Affecting the Output Voltage of Extended-Range Electric Vehicle Power Batteries" Processes 12, no. 10: 2195. https://doi.org/10.3390/pr12102195
APA StyleWang, X., Zhang, B., E, J., & Xiao, X. (2024). Simulation Study on Factors Affecting the Output Voltage of Extended-Range Electric Vehicle Power Batteries. Processes, 12(10), 2195. https://doi.org/10.3390/pr12102195

