Recent Progress on Hydrogen-Rich Syngas Production from Coal Gasification
Abstract
1. Introduction
2. Conventional Coal Gasification Technologies
- (1)
- Fixed bed gasification
- (2)
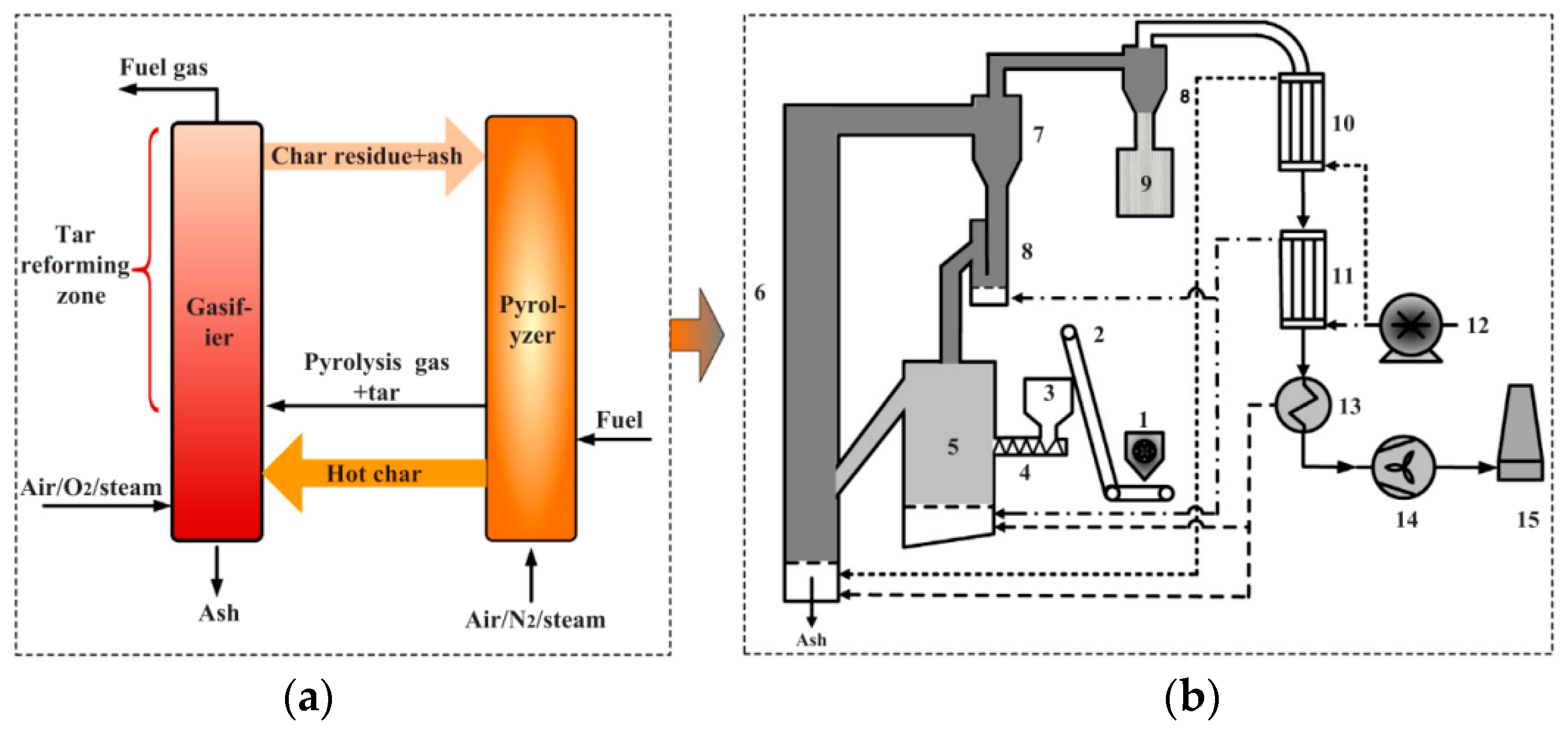
- Fluidized bed gasification
- (3)
- Entrained flow bed gasification
- (4)
- Hydrogen syngas production of conventional coal gasification
3. Relatively New Coal Gasification Technologies
3.1. Supercritical Water Gasification
3.2. Plasma Gasification
3.3. Chemical-Looping Gasification
3.4. Decoupling Gasification
4. Coal Char–CO2 Gasification
- (1)
- Coal types
- (2)
- Temperature and pressures
- (3)
- Catalysts
- (4)
- Co-gasification
- (5)
- Kinetics of char gasification and modeling
Summary
5. Future Direction
- Further improving the conventional coal gasification efficiency to achieve more efficient and cleaner conversion of coal, and focusing on solving practical engineering problems in terms of large-scale reactor design, gas pollutant control, solid residue utilization, etc.
- For SCWG technology, catalytic gasification is an important and promising strategy that needs to be studied in order to achieve complete coal gasification at relatively low reaction temperatures. The design and development of novel reactors resisting harsh conditions need to be conducted to meet the requirements of long cycle operation of the SCWG process. Conversion mechanisms of S and N elements in SCWG are incompletely clear, requiring more attention and in-depth research.
- Proposing new ways to efficiently utilize high-temperature thermal energy (above 1400 °C) that originates from the hot syngas generated by plasma gasification; overcoming the technical issues on short electrode lifespan in plasma torches; a comprehensive evaluation of plasma technology is urgently needed from the aspect of fuel conversion, carbon deposition, CO2 emission, hydrogen extraction cost from the post-processing gas, running costs and investment, etc.
- The design and development of efficient oxygen carriers with high activity, high selectivity, long life, etc. are extremely critical to CLG technology. The design and optimization of CLG reactors are also key problems that have to be overcome to match oxygen carriers. The system integration of CLG, involving reaction and product purification, heating utilization, and process optimization, needs further investigation.
- For decoupling gasification technology, some novel strategies, such as catalytic gasification, microwave gasification, etc., can be attempted to improve the reaction performance of coal char–CO2 gasification under moderate conditions. The coupling–matching between coal pyrolysis and char gasification, system integration of energy, and economic analysis have to be deeply considered and evaluated.
- Hydrogen production from the conventional and new gasification technologies needs to be evaluated in more depth.
6. Conclusions
Author Contributions
Funding
Data Availability Statement
Acknowledgments
Conflicts of Interest
References
- BP Statistical Review of World Energy. 2022, 71st edition. Available online: https:/www.bp.com/statisticalreview (accessed on 10 May 2023).
- Perera, F.; Nadeau, K. Climate change, fossil-fuel pollution, and children’s health. N. Engl. J. Med. 2022, 386, 2303–2314. [Google Scholar] [CrossRef]
- Yapatake Kossele, T.P.; Ndjakwa Tonga, M.; Ngaba Mbai-Akem, M.G. Eco-friendly environment in Cameroon: Does an increase in fossil fuel energy consumption influence economic growth? AJSTID 2020, 12, 759–769. [Google Scholar] [CrossRef]
- Smit, B.; Garcia, S. Carbon capture and storage: Making fossil fuels great again? Europhys. News 2020, 51, 20–22. [Google Scholar] [CrossRef]
- Friedlingstein, P. Global carbon budgets: Determining limits on fossil fuel emissions. Weather 2020, 75, 210–211. [Google Scholar] [CrossRef]
- Guo, L.; Yan, H.; Li, Y.; Chen, X.; Liu, F. Analysis and control technology of blue smoke in coal-fired power plants. IOP Conf. Ser. Earth Env. Sci. 2020, 446, 032051–032057. [Google Scholar] [CrossRef]
- Rashedi, A.; Khanam, T.; Jonkman, M. On reduced consumption of fossil fuels in 2020 and its consequences in global environment and exergy demand. Energies 2020, 13, 6048. [Google Scholar] [CrossRef]
- International Energy Agency. Global Energy Review: CO2 Emissions in 2021. 2021. Available online: https://www.iea.org/reports/global-energy-review-2021 (accessed on 10 May 2023).
- He, S.; Li, S.; Gao, L. Proposal and energy saving analysis of novel methanol–electricity polygeneration system based on staged coal gasification method. Energy Convers. Manag. 2021, 233, 113931–113945. [Google Scholar] [CrossRef]
- Wang, W.; Li, Z.; Lyu, J.; Zhang, H.; Yue, G.; Ni, W. An overview of the development history and technical progress of China’s coal-fired power industry. Front. Energy 2019, 13, 417–426. [Google Scholar] [CrossRef]
- Sixth Assessment Report -IPCC: Technical Summary. 2021. Available online: https://www.ipcc.ch/report/ar6/wg2/chapter/technical-summary/ (accessed on 10 May 2023).
- Yadav, S.; Mondal, S.S. A complete review based on various aspects of pulverized coal combustion. Int. J. Energy Res. 2019, 43, 3134–3165. [Google Scholar] [CrossRef]
- Fan, L.; Li, F.; Ramkumar, S. Utilization of chemical looping strategy in coal gasification processes. Particuology 2008, 6, 131–142. [Google Scholar] [CrossRef]
- Hammond, G.P.; Akwe, S.S.O.; Williams, S. Techno-economic appraisal of fossil-fuelled power generation systems with carbon dioxide capture and storage. Energy 2011, 36, 975–984. [Google Scholar] [CrossRef]
- Huang, B.; Xu, S.; Gao, S.; Liu, L.; Tao, J.; Niu, H.; Cai, M.; Cheng, J. Industrial test and techno-economic analysis of CO2 capture in Huaneng Beijing coal-fired power station. Appl. Energy 2010, 87, 3347–3354. [Google Scholar] [CrossRef]
- Zhou, C.; He, K.; Lv, W.; Chen, Y.; Tang, S.; Liu, C.; Yue, H.; Liang, B. Energy and economic analysis for post-combustion CO2 capture using amine-functionalized adsorbents in a temperature vacuum swing process. Energy Fuels 2018, 33, 1774–1784. [Google Scholar] [CrossRef]
- Li, Y.; Guo, L.; Zhang, X.; Jin, H.; Lu, Y. Hydrogen production from coal gasification in supercritical water with a continuous flowing system. Int. J. Hydrogen Energy 2010, 35, 3036–3045. [Google Scholar] [CrossRef]
- Matamba, T.; Iglauer, S.; Keshavarz, A. A progress insight of the formation of hydrogen rich syngas from coal gasification. J. Energy Inst. 2022, 105, 81–102. [Google Scholar] [CrossRef]
- Ismail, T.M.; Shi, M.; Xu, J.; Chen, X.; Wang, F.; El-Salam, M.A. Assessment of coal gasification in a pressurized fixed bed gasifier using an ASPEN plus and Euler–Euler model. Int. J. Coal Sci. Technol. 2020, 7, 516–535. [Google Scholar] [CrossRef]
- Li, R.; Xie, M.; Jin, H.; Guo, L.; Liu, F. Effect of swirl on gasification characteristics in an entrained-flow coal gasifier. Int. J. Chem. React. Eng. 2020, 18. [Google Scholar] [CrossRef]
- Makoba, M.; Botha, D.E.; Rapoo, M.T.; Szabó, L.Z.; Shomana, T.; Agachi, P.S.; Muzenda, E. A Review on botswana coal potential from a pyrolysis and gasification perspective. Period. Polytech. Chem. 2020, 65, 80–96. [Google Scholar] [CrossRef]
- Kim, J.; Choi, H.; Lim, J.; Rhim, Y.; Chun, D.; Kim, S.; Lee, S.; Yoo, J. Hydrogen production via steam gasification of ash free coals. Int. J. Hydrogen Energy 2013, 38, 6014–6020. [Google Scholar] [CrossRef]
- Kato, K.; Matsueda, K. Leading edge of coal utilization technologies for gasification and cokemaking. KONA Powder Part. J. 2018, 35, 112–121. [Google Scholar] [CrossRef]
- Fan, C.; Jin, H. A numerical study on gasification of a single char particle in supercritical water for hydrogen production. Fuel 2020, 268, 117399–117410. [Google Scholar] [CrossRef]
- Jin, H.; Fan, C.; Guo, L.; Liu, S.; Cao, C.; Wang, R. Experimental study on hydrogen production by lignite gasification in supercritical water fluidized bed reactor using external recycle of liquid residual. Energy Convers. Manag. 2017, 145, 214–219. [Google Scholar] [CrossRef]
- Zhang, Y.; Jin, B.; Zou, X.; Zhao, H. A clean coal utilization technology based on coal pyrolysis and chemical looping with oxygen uncoupling: Principle and experimental validation. Energy 2016, 98, 181–189. [Google Scholar] [CrossRef]
- Wang, P.; Means, N.; Shekhawat, D.; Berry, D.; Massoudi, M. Chemical-looping combustion and gasification of coals and oxygen carrier development: A brief review. Energies 2015, 8, 10605–10635. [Google Scholar] [CrossRef]
- Zhang, J.; Wang, Y.; Dong, L.; Gao, S.; Xu, G. Decoupling gasification: Approach principle and technology justification. Energy Fuels 2010, 24, 6223–6232. [Google Scholar] [CrossRef]
- Yoon, S.J.; Goo Lee, J. Syngas Production from coal through microwave plasma gasification: Influence of oxygen, steam, and coal particle size. Energy Fuels 2011, 26, 524–529. [Google Scholar] [CrossRef]
- Hrycak, B.; Czylkowski, D.; Miotk, R.; Dors, M.; Jasinski, M.; Mizeraczyk, J. Application of atmospheric pressure microwave plasma source for hydrogen production from ethanol. Int. J. Hydrogen Energy 2014, 39, 14184–14190. [Google Scholar] [CrossRef]
- Jain, V.; Visani, A.; Patil, C.; Patel, B.K.; Sharma, P.K.; John, P.I.; Nema, S.K. Gliding arc triggered microwave plasma arc at atmospheric pressure for coal gasification application. Int. J. Mod. Phys. Conf. Ser. 2014, 32, 146345–1460353. [Google Scholar] [CrossRef]
- Bazaluk, O.; Lozynskyi, V.; Falshtynskyi, V.; Saik, P.; Dychkovskyi, R.; Cabana, E. Experimental studies of the effect of design and technological solutions on the intensification of an underground coal gasification process. Energies 2021, 14, 4369. [Google Scholar] [CrossRef]
- Kačur, J.; Laciak, M.; Durdán, M.; Flegner, P. Model-free control of UCG based on continual optimization of operating variables: An experimental study. Energies 2021, 14, 4323. [Google Scholar] [CrossRef]
- Saik, P.; Berdnyk, M. Mathematical model and methods for solving heat-transfer problem during underground coal gasification. Min. Miner. Depos. 2022, 16, 87–94. [Google Scholar] [CrossRef]
- Diao, R.; Li, S.; Deng, J.; Zhu, X. Interaction and kinetic analysis of co-gasification of bituminous coal with walnut shell under CO2 atmosphere: Effect of inorganics and carbon structures. Renew. Energy 2021, 173, 177–187. [Google Scholar] [CrossRef]
- Yang, X.; Liang, Z.; Chen, H.; Wang, J.; Mu, X. Effects of K2CO3 and Ca(OH)2 on CO2 gasification of char with high alkali and alkaline earth metal content and study of different kinetic models. Therm. Sci. 2022, 26, 119–133. [Google Scholar] [CrossRef]
- Lv, P.; Wang, J.; Bai, Y.; Song, X.; Su, W.; Yu, G.; Ma, Y. CO2 gasification of petroleum coke with use of iron-based waste catalyst from F-T synthesis. Thermochim. Acta 2022, 711, 179205–179215. [Google Scholar] [CrossRef]
- Oh, G.; Ra, H.W.; Yoon, S.M.; Mun, T.Y.; Seo, M.W.; Lee, J.G.; Yoon, S.J. Gasification of coal water mixture in an entrained-flow gasifier: Effect of air and oxygen mixing ratio. Appl. Therm. Eng. 2018, 129, 657–664. [Google Scholar] [CrossRef]
- Zhang, H.; Zhu, Z.; Dong, Q.; Yu, K.; Lu, Q. Structural properties and gasification reactivity of Shenmu fly ash obtained from a 5t/d circulating fluidized bed gasifier. Procedia Eng. 2015, 102, 1104–1111. [Google Scholar] [CrossRef]
- Midilli, A.; Kucuk, H.; Topal, M.E.; Akbulut, U.; Dincer, I. A comprehensive review on hydrogen production from coal gasification: Challenges and Opportunities. Int. J. Hydrogen Energy 2021, 46, 25385–25412. [Google Scholar] [CrossRef]
- Singh, A.; Rawat, K.S.; Nautiyal, O.P.; Chavdal, T.V. Energy Resources Development, and Management: Biomass to Fuel Conversion Techniques; Bishen Singh Mahendra Pal Singh Publisher: Uttarakhand, India, 2016; pp. 155–194. [Google Scholar]
- Zeng, X.; Wang, Y.; Yu, J.; Wu, S.; Han, J.; Xu, S.; Xu, G. Gas Upgrading in a downdraft fixed-bed reactor downstream of a fluidized-bed coal pyrolyzer. Energy Fuels 2011, 25, 5242–5249. [Google Scholar] [CrossRef]
- Choudhury, H.A.; Chakma, S.; Moholkar, V.S. Recent Advances in Thermo-Chemical Conversion of Biomass; Elsevier: Amsterdam, The Netherlands, 2015. [Google Scholar]
- Bridgwater, A.V. Renewable fuels and chemicals by thermal processing of biomass. Chem. Eng. J. 2003, 91, 87–102. [Google Scholar] [CrossRef]
- Arena, U. Fluidized Bed Technologies for Near-Zero Emission Combustion and Gasification; Woodhead Publishing Inc.: Duxford, UK, 2013; pp. 765–812. [Google Scholar]
- Zhang, J.; Zhao, Z.; Zhang, G.; Xi, Z.; Zhao, F.; Dong, L.; Xu, G. Pilot study on jetting pre-oxidation fluidized bed gasification adapting to caking coal. Appl. Energy 2013, 110, 276–284. [Google Scholar] [CrossRef]
- Hrbek, J.; Whitty, K. Fluidized Bed Conversion of Biomass and Waste. IEA Bioenergy Task 33 Workshop: Gasification of Biomass and Waste; Skive, Denmark, 2017. [Google Scholar]
- Pettinau, A.; Orsini, A.; Calì, G.; Ferrara, F. The Sotacarbo coal gasification experimental plant for a CO2-free hydrogen production. Int. J. Hydrogen Energy 2010, 35, 9836–9844. [Google Scholar] [CrossRef]
- Maitlo, G. Computational fluid dynamic (CFD) simulation of thar lignite coal and sugarcane bagasse in entrained flow gasifier. Pak. J. Anal. Environ. Chem. 2019, 20, 141–150. [Google Scholar] [CrossRef]
- Bae, J.S.; Lee, D.W.; Park, S.J.; Lee, Y.J.; Hong, J.C.; Ra, H.W.; Han, C.; Choi, Y.C. High-pressure gasification of coal water ethanol slurry in an entrained flow gasifier for bioethanol application. Energy Fuels 2012, 26, 6033–6039. [Google Scholar] [CrossRef]
- Ghassemi, H.; Mostafavi, S.; Shahsavan-Markadeh, R. Modeling of high-ash coal gasification in an entrained-flow gasifier and an IGCC plant. J. Energy Eng. 2016, 142, 04015052. [Google Scholar] [CrossRef]
- Shen, Z.; Nikolic, H.; Caudill, L.S.; Liu, K. A deep insight on the coal ash-to-slag transformation behavior during the entrained flow gasification process. Fuel 2021, 289, 119953–119966. [Google Scholar] [CrossRef]
- Higman, C. Gasification Process Technology: Advances in Clean Hydrocarbon Fuel Processing; Woodhead Publishing Inc.: Duxford, UK, 2011; Volume 155. [Google Scholar]
- Li, N.; Li, Y.; Zhou, H.; Liu, Y.; Song, Y.; Zhi, K.; He, R.; Yang, K.; Liu, Q. Direct production of high hydrogen syngas by steam gasification of Shengli lignite/chars: Significant catalytic effect of calcium and its possible active intermediate complexes. Fuel 2017, 203, 817–824. [Google Scholar] [CrossRef]
- Smoliński, A.; Howaniec, N.; Stańczyk, K. A comparative experimental study of biomass, lignite and hard coal steam gasification. Renew. Energy 2011, 36, 1836–1842. [Google Scholar] [CrossRef]
- Jeong, Y.S.; Choi, Y.K.; Park, K.B.; Kim, J.S. Air co-gasification of coal and dried sewage sludge in a two-stage gasifier: Effect of blending ratio on the producer gas composition and tar removal. Energy 2019, 185, 708–716. [Google Scholar] [CrossRef]
- Rudra Paul, T.; Nath, H.; Chauhan, V.; Sahoo, A. Gasification studies of high ash Indian coals using Aspen plus simulation. Mater. Today: Proc. 2021, 46, 6149–6155. [Google Scholar] [CrossRef]
- Li, G.; Liu, Z.; Liu, F.; Weng, Y.; Ma, S.; Zhang, Y. Thermodynamic analysis and techno-economic assessment of synthetic natural gas production via ash agglomerating fluidized bed gasification using coal as fuel. Int. J. Hydrogen Energy 2020, 45, 27359–27368. [Google Scholar] [CrossRef]
- Shahabuddin, M.; Kibria, M.A.; Bhattacharya, S. Evaluation of high-temperature pyrolysis and CO2 gasification performance of bituminous coal in an entrained flow gasifier. J. Energy Inst. 2021, 94, 294–309. [Google Scholar] [CrossRef]
- He, S.; Gao, L.; Dong, R.; Li, S. A novel hydrogen production system based on the three-step coal gasification technology thermally coupled with the chemical looping combustion process. Int. J. Hydrogen Energy 2022, 47, 7100–7112. [Google Scholar] [CrossRef]
- Faki, E.; Üzden, Ş.T.; Seçer, A.; Hasanoğlu, A. Hydrogen production from low temperature supercritical water Co-Gasification of low rank lignites with biomass. Int. J. Hydrogen Energy 2022, 47, 7682–7692. [Google Scholar] [CrossRef]
- Yu, J.; Jiang, C.; Guan, Q.; Gu, J.; Ning, P.; Miao, R.; Chen, Q.; Zhang, J. Conversion of low-grade coals in sub-and supercritical water: A review. Fuel 2018, 217, 275–284. [Google Scholar] [CrossRef]
- Pan, P.; Peng, W.; Li, J.; Chen, H.; Xu, G.; Liu, T. Design and evaluation of a conceptual waste-to-energy approach integrating plasma waste gasification with coal-fired power generation. Energy 2022, 238, 121947–121964. [Google Scholar] [CrossRef]
- Serov, A.A.; Hrabovsky, M.; Kopecky, V.; Maslani, A.; Hlina, M.; Hurba, O. Lignite gasification in thermal steam plasma. Plasma Chem. Plasma Process. 2019, 39, 395–406. [Google Scholar] [CrossRef]
- Wang, B.; Li, H.; Wang, W.; Luo, C.; Mei, D. Chemical looping combustion of lignite with the CaSO4–CoO mixed oxygen carrier. J. Energy Inst. 2020, 93, 1229–1241. [Google Scholar] [CrossRef]
- Li, T.; Chen, Y.; Wu, Q.; Wang, W. Chemical looping co-gasification of lignite and rice husk for syngas generation with a Co decorated Cu-based oxygen carrier. Energy Sour. Part A 2020, 162. [Google Scholar] [CrossRef]
- Li, M.; Sun, L.; Chen, L.; Feng, H.; Zhao, B.; Yang, S.; Xie, X.; Zhang, X. Syngas production from biomass chemical looping gasification with Fe2O3–CaO oxygen carrier. J. Therm. Anal. Calorim. 2021, 147, 7811–7817. [Google Scholar] [CrossRef]
- Janajreh, I.; Adeyemi, I.; Raza, S.S.; Ghenai, C. A review of recent developments and future prospects in gasification systems and their modeling. Renew. Sust. Energy Rev. 2021, 138, 110505–110532. [Google Scholar] [CrossRef]
- Guo, L.; Jin, H.; Lu, Y. Supercritical water gasification research and development in China. J. Supercrit. Fluids 2015, 96, 144–150. [Google Scholar] [CrossRef]
- Chen, J.; Wang, Q.; Xu, Z.; E, J.; Leng, E.; Zhang, F.; Liao, G. Process in supercritical water gasification of coal: A review of fundamentals, mechanisms, catalysts and element transformation. Energy Conv. Manag. 2021, 237, 114122–114146. [Google Scholar] [CrossRef]
- Jin, H.; Chen, Y.; Ge, Z.; Liu, S.; Ren, C.; Guo, L. Hydrogen production by Zhundong coal gasification in supercritical water. Int. J. Hydrogen Energy 2015, 40, 16096–16103. [Google Scholar] [CrossRef]
- Fan, C.; Jin, H.; Shang, F.; Feng, H.; Sun, J. Study on the surface structure development of porous char particles in catalytic supercritical water gasification process. Fuel Process. Technol. 2019, 193, 73–81. [Google Scholar] [CrossRef]
- Wang, R.; Lu, L.; Zhang, D.; Wei, W.; Jin, H.; Guo, L. Effects of alkaline metals on the reactivity of the carbon structure after partial supercritical water gasification of coal. Energy Fuels 2020, 34, 13916–13923. [Google Scholar] [CrossRef]
- Ge, Z.; Guo, L.; Jin, H. Catalytic supercritical water gasification mechanism of coal. Int. J. Hydrogen Energy 2020, 45, 9504–9511. [Google Scholar] [CrossRef]
- Fan, C.; Guo, S.; Jin, H. Numerical study on coal gasification in supercritical water fluidized bed and exploration of complete gasification under mild temperature conditions. Chem. Eng. Sci. 2019, 206, 134–145. [Google Scholar] [CrossRef]
- Su, X.; Jin, H.; Guo, L.; Guo, S.; Ge, Z. Experimental study on Zhundong coal gasification in supercritical water with a quartz reactor: Reaction kinetics and pathway. Int. J. Hydrogen Energy 2015, 40, 7424–7432. [Google Scholar] [CrossRef]
- Chen, J.; Pan, X.; Li, H.; Jin, H.; Fan, J. Molecular dynamics investigation on the gasification of a coal particle in supercritical water. Int. J. Hydrogen Energy 2020, 45, 4254–4267. [Google Scholar] [CrossRef]
- Chen, J.; Wang, L.; Cheng, Z.; Lu, L.; Guo, L.; Jin, H.; Zhang, D.; Wang, R.; Liu, S. Performance simulation and thermodynamics analysis of hydrogen production based on supercritical water gasification of coal. Int. J. Hydrogen Energy 2021, 46, 28474–28485. [Google Scholar] [CrossRef]
- Jin, H.; Fan, C.; Guo, L.; Zhao, X.; Cao, C.; Wei, W. Pore Structure and its evolution in char during supercritical water gasification process. J. Porous Media 2019, 22, 195–207. [Google Scholar] [CrossRef]
- Feng, H.; Sun, J.; Jin, H.; Kou, J.; Guo, L. Char suppression mechanism using recycled intermediate phenol in supercritical water gasification of coal. Fuel 2021, 305, 121441–121452. [Google Scholar] [CrossRef]
- Feng, H.; Ren, Y.; Fan, C.; Lu, L.; Wei, W.; Jin, H.; Guo, L. Regulation mechanism of coal gasification in supercritical water for hydrogen production: A ReaxFF-MD simulation. Int. J. Hydrogen Energy 2022, 47, 31255–31268. [Google Scholar] [CrossRef]
- Feng, H.; Kou, J.; Wang, C.; Jin, H.; Guo, L. Insight into the internal relevance of three-phase products in supercritical water gasification of coal. Fuel 2022, 327, 125026–125039. [Google Scholar] [CrossRef]
- Liu, S.; Guo, L.; Jin, H.; Li, L.; Li, G.; Yu, L. Hydrogen production by supercritical water gasification of coal: A reaction kinetic model including nitrogen and sulfur elements. Int. J. Hydrogen Energy 2020, 45, 31732–31744. [Google Scholar] [CrossRef]
- Verma, B.K.; Rajeshkannan, E.; Renganathan, T.; Pushpavanam, S. A hybrid thermo-kinetic model for high temperature plasma gasification. AIChE J. 2018, 64, 2592–2602. [Google Scholar] [CrossRef]
- Zhao, F.; Li, S.; Ren, Y.; Yao, Q.; Yuan, Y. Investigation of mechanisms in plasma-assisted ignition of dispersed coal particle streams. Fuel 2016, 186, 518–524. [Google Scholar] [CrossRef]
- Uhm, H.S.; Na, Y.H.; Hong, Y.C.; Shin, D.H.; Cho, C.H.; Park, Y.K. High-efficiency gasification of low-grade coal by microwave steam Pplasma. Energy Fuels 2014, 28, 4402–4408. [Google Scholar] [CrossRef]
- Sanlisoy, A.; Ozdinc Carpinlioglu, M. Microwave plasma gasification of a variety of fuel for syngas production. Plasma Chem. Plasma Process. 2019, 39, 1211–1225. [Google Scholar] [CrossRef]
- Ibrahimoglu, B.; Yilmazoglu, M.Z. Numerical modeling of a downdraft plasma coal gasifier with plasma reactions. Int. J. Hydrogen Energy 2020, 45, 3532–3548. [Google Scholar] [CrossRef]
- Lelievre, C.; Pickles, C.A.; Hultgren, S. Plasma-augmented fluidized bed gasification of sub-bituminous coal in CO2–O2 atmospheres. High Temp. Mater. Process. 2016, 35, 89–101. [Google Scholar] [CrossRef]
- Messerle, V.E.; Ustimenko, A.B.; Lavrichshev, O.A. Comparative study of coal plasma gasification: Simulation and experiment. Fuel 2016, 164, 172–179. [Google Scholar] [CrossRef]
- Sakhraji, M.; Ramos, A.; Monteiro, E.; Bouziane, K.; Rouboa, A. Plasma gasification process using computational fluid dynamics modeling. Energy Rep. 2022, 8, 1541–1549. [Google Scholar] [CrossRef]
- Lee, H.G.; Park, H.W.; Choi, S.; Park, H.S.; Park, D.W. Production of synthesis gas from coal by DC non-transferred steam plasma gasification system. J. Chem. Eng. Jpn. 2014, 47, 334–339. [Google Scholar] [CrossRef]
- Okati, A.; Reza Khani, M.; Shokri, B.; Monteiro, E.; Rouboa, A. Parametric studies over a plasma co-gasification process of biomass and coal through a restricted model in Aspen plus. Fuel 2023, 331, 125952–125960. [Google Scholar] [CrossRef]
- Popov, V.E.; Subbotin, D.I.; Surov, A.V.; Popov, S.D.; Serba, E.O.; Godina, E.P.; Kiselev, A.A. Co-gasification of lignite and used car tires by H2O/air thermal plasma. J. Phys. Conf. Ser. 2019, 1243, 012010–012016. [Google Scholar] [CrossRef]
- Gherardi, N.; Mizeraczyk, J.; Jasiński, M.; Marotta, E.; Paradisi, C. Plasma processing methods for hydrogen production. Eur. Phys. J. Appl. Phys. 2016, 75, 24702–24709. [Google Scholar]
- Guo, Q.; Hu, X.; Liu, Y.; Jia, W.; Yang, M.; Wu, M.; Tian, H.; Ryu, H.-J. Coal chemical-looping gasification of Ca-based oxygen carriers decorated by CaO. Powder Technol. 2015, 275, 60–68. [Google Scholar] [CrossRef]
- Wei, G.; Wang, H.; Zhao, W.; Huang, Z.; Yi, Q.; He, F.; Zhao, K.; Zheng, A.; Meng, J.; Deng, Z.; et al. Synthesis gas production from chemical looping gasification of lignite by using hematite as oxygen carrier. Energy Conv. Manag. 2019, 185, 774–782. [Google Scholar] [CrossRef]
- Liu, Y.; Zhang, X.; Gao, M.; Hu, X.; Guo, Q. Effect of coal ash on Fe-based oxygen carrier in coal char chemical looping gasification. Int. J. Chem. React. Eng. 2019, 17. [Google Scholar] [CrossRef]
- Yang, J.; Ma, L.; Yang, J.; Xiang, H.; Liu, H.; Guo, Z. Mechanism of lignite-to-pure syngas low temperature chemical looping gasification synergistic in situ S capture. Fuel 2018, 222, 675–686. [Google Scholar] [CrossRef]
- Liu, T.; Yu, Z.; Mei, Y.; Feng, R.; Yang, S.; Wang, Z.; Fang, Y. Potassium migration and transformation during the deep reduction of oxygen carrier (OC) by char in coal-direct chemical looping hydrogen generation using potassium-modified Fe2O3/Al2O3 OC. Fuel 2019, 256, 115883–115892. [Google Scholar] [CrossRef]
- Yang, J.; Ma, L.; Yang, J.; Liu, H.; Liu, S.; Yang, Y.; Mu, L.; Wei, Y.; Ao, R.; Guo, Z.; et al. Thermodynamic and kinetic analysis of CuO-CaSO4 oxygen carrier in chemical looping gasification. Energy 2019, 188, 116109–116123. [Google Scholar] [CrossRef]
- An, M.; Guo, Q.; Ma, J.; Hu, X. Chemical-looping gasification of coal with CuFe2O4 oxygen carriers: The reaction characteristics and structural evolution. Can. J. Chem. Eng. 2020, 98, 1512–1524. [Google Scholar] [CrossRef]
- Kun, Z.; He, D.; Guan, J.; Shan, L.; Wu, Z.; Zhang, Q. Coal gasification using chemical looping with varied metal oxides as oxygen carriers. Int. J. Hydrogen Energy 2020, 45, 10696–10708. [Google Scholar] [CrossRef]
- Zhao, K.; Fang, X.; Huang, Z.; Wei, G.; Zheng, A.; Zhao, Z. Hydrogen-rich syngas production from chemical looping gasification of lignite by using NiFe2O4 and CuFe2O4 as oxygen carriers. Fuel 2021, 303, 121269–121279. [Google Scholar] [CrossRef]
- Qi, B.; Xia, Z.; Huang, G.Y.; Wang, W. Study of chemical looping co-gasification (CLCG) of coal and rice husk with an iron-based oxygen carrier via solid–solid reactions. J. Energy Inst. 2019, 92, 382–390. [Google Scholar] [CrossRef]
- Wei, G.; Yang, M.; Huang, Z.; Bai, H.; Chang, G.; He, F.; Yi, Q.; Huang, Y.; Zheng, A.; Zhao, K.; et al. Syngas production from lignite via chemical looping gasification with hematite oxygen carrier enhanced by exogenous metals. Fuel 2022, 321, 124119–124128. [Google Scholar] [CrossRef]
- Kun, Z.; He, D.; Guan, J.; Wang, Q.; Li, X.; Shang, J.; Zhang, Q. Interaction between bimetallic composite oxygen carriers and coal and its contribution to coal direct chemical looping gasification. Int. J. Hydrogen Energy 2020, 45, 19052–19066. [Google Scholar] [CrossRef]
- Yang, J.; Ren, Y.; Lu, J.; Liu, H.; Zhang, Z.; Pang, H.; Bounkhong, K. Chemical looping gasification with a CuFe2O4-enhanced phosphogypsum oxygen carrier during reduction in a fluidized bed reactor. Chem. Eng. J. 2021, 426, 131346–131360. [Google Scholar] [CrossRef]
- Wang, Y.; Niu, P.; Zhao, H. Chemical looping gasification of coal using calcium ferrites as oxygen carrier. Fuel Process. Technol. 2019, 192, 75–86. [Google Scholar] [CrossRef]
- Meng, F.; Li, X.; Qiu, S.; Li, J.; Wang, H.; Hu, G. Study on hydrogen production of ZhunDong coal using chemical looping with Cu-Fe as oxygen carrier. Combust. Sci. Technol. 2021, 194, 3188–3205. [Google Scholar] [CrossRef]
- Wei, X.; An, M.; Yuan, N.; Sun, X.; Guo, Q. Investigation of chemical-looping gasification characteristics of chinese western coals with hematite-CuO oxygen carrier. E3S Web of Conf. 2020, 213, 01002. [Google Scholar] [CrossRef]
- Cui, Z.; Sun, S.; Zhang, H.; Liu, B.; Tian, W.; Guo, Q. Comprehensive optimization of coal chemical looping gasification process for low CO2 emission based on multi-scale simulation coupled experiment. Fuel 2022, 324, 124464–124475. [Google Scholar] [CrossRef]
- Cui, Z.; Tian, W.; Zhang, H.; Guo, Q. Multi-scale modeling and control of chemical looping gasification coupled coal pyrolysis system for cleaner production of synthesis gas. J. Clean. Prod. 2021, 299, 126903–126918. [Google Scholar] [CrossRef]
- Xie, F.; An, M.; Li, P.; Hu, X.; Bai, H.; Guo, Q. Simulation study on the gasification process of Ningdong coal with iron-based oxygen carrier. Chin. J. Chem. Eng. 2021, 29, 326–334. [Google Scholar] [CrossRef]
- Zhu, X.; Zhang, J.; Yan, J.; Shen, L. Characteristic evaluation and process simulation of CuFe2O4 as oxygen carriers in coal chemical looping gasification. ACS Omega 2021, 6, 4783–4792. [Google Scholar] [CrossRef]
- Yang, J.; Liu, S.; Guo, Z.; Ao, R.; Dai, Q.; Sun, Y.; Deng, Z.; Tan, X.; Yang, Y.; Ma, L. Fluidization and reaction behavior in chemical looping gasification of lignite. Sustain. Energy Fuels 2021, 5, 3656–3665. [Google Scholar] [CrossRef]
- Li, B.; Wang, S.; Yang, X.; Wu, Q.; He, Y. Thermodynamic evaluation of sorption-enhanced chemical looping gasification with coal as fuel. Int. J. Hydrogen Energy 2020, 45, 21186–21194. [Google Scholar] [CrossRef]
- Xia, Z.; Wang, W.; Wang, G. Study of the crystal structure effect and mechanism during chemical looping gasification of coal. J. Energy Inst. 2019, 92, 1284–1293. [Google Scholar] [CrossRef]
- An, M.; Guo, Q.; Wei, X. Reaction mechanism of H2S with Hg0 on CuFe2O4 oxygen carrier with oxygen vacancy structure during coal chemical looping gasification. Fuel 2023, 333, 126477–126488. [Google Scholar] [CrossRef]
- Zhang, B.; Yang, B.; Guo, W.; Wu, S.; Zhang, J.; Wu, Z. Chemical looping gasification of maceral from low-rank coal: Products distribution and kinetic analysis on vitrinite. Chin. J. Chem. Eng. 2021, 36, 233–241. [Google Scholar] [CrossRef]
- Zhang, R.; Liu, D.; Wang, Q.; Luo, Z.; Fang, M.; Cen, K. Coal Char Gasification on a Circulating Fluidized Bed for Hydrogen Generation: Experiments and Simulation. Energy Technol. 2015, 3, 1059–1067. [Google Scholar] [CrossRef]
- Zhang, R.; Chen, Y.; Lei, K.; Ye, B.; Cao, J.; Liu, D. Thermodynamic and economic analyses of a novel coal pyrolysis-gasification-combustion staged conversion utilization polygeneration system. Asia-Pac. J. Chem. Eng. 2018, 13. [Google Scholar] [CrossRef]
- Lee, J.W.; Yun, Y.; Chung, S.W.; Kang, S.H.; Ryu, J.H.; Kim, G.T.; Kim, Y.J. Application of multiple swirl burners in pilot-scale entrained bed gasifier for short residence time. Fuel 2014, 117, 1052–1060. [Google Scholar] [CrossRef]
- Wang, D.; Li, S.; Gao, L.; Wu, H.; Jin, H. Novel coal-steam gasification with a thermochemical regenerative process for power generation. J. Energy Resour. Technol. 2018, 140, 092203–092212. [Google Scholar] [CrossRef]
- Zhang, R. Thermodynamic and economic analysis of a coal staged conversion utilization polygeneration system. Energy Technol. 2015, 3, 646–657. [Google Scholar] [CrossRef]
- Liu, Q.; Zhao, Y.J.; Huang, Y.; Pei, F.; Cui, Y.; Shi, L.J.; Chang, L.P.; Yi, Q. Pilot test of low-rank coal pyrolysis coupled with gasification to hydrogen-rich gas for direct reduced iron: Process modeling, simulation and thermodynamic analysis. Fuel 2023, 331, 125862–125874. [Google Scholar] [CrossRef]
- Wang, C.; Zhang, M.; Han, Z.; Bai, D.; Duo, W.; Bi, X.; Abudula, A.; Guan, G.; Xu, G. Pilot verification of a two-stage fluidized bed gasifier with a downer pyrolyzer using oxygen-rich air. Fuel 2022, 307, 121816–121825. [Google Scholar] [CrossRef]
- Zhang, L.; Zeng, X.; Wang, J.; Wang, F.; Zhang, J.; Guo, M.; Peng, C.; Wu, R.; Xu, G. Characteristics comparison of tar from lignite pyrolysis with inherent and simulated moisture for adopting a two-stage gasification process. Fuel 2019, 236, 695–708. [Google Scholar] [CrossRef]
- Zeng, X.; Wang, F.; Han, Z.; Han, J.; Zhang, J.; Wu, R.; Xu, G. Assessment of char property on tar catalytic reforming in a fluidized bed reactor for adopting a two-stage gasification process. Appl. Energy 2019, 248, 115–125. [Google Scholar] [CrossRef]
- Zeng, X.; Wang, F.; Han, Z.; Sun, Y.; Cui, Y.; Xu, G. Characterization and pilot scale test of a fluidized bed two-stage gasification process for the production of clean industrial fuel gas from low-rank coal. Carbon Resour. Convers. 2018, 1, 73–80. [Google Scholar] [CrossRef]
- Chen, Z.; Li, Y.; Lai, D.; Geng, S.; Zhou, Q.; Gao, S.; Xu, G. Coupling coal pyrolysis with char gasification in a multi-stage fluidized bed to co-produce high-quality tar and syngas. Appl. Energy 2018, 215, 348–355. [Google Scholar] [CrossRef]
- Zeng, X.; Wang, F.; Li, H.; Wang, Y.; Dong, L.; Yu, J.; Xu, G. Pilot verification of a low-tar two-stage coal gasification process with a fluidized bed pyrolyzer and fixed bed gasifier. Appl. Energy 2014, 115, 9–16. [Google Scholar] [CrossRef]
- Wu, H.; Li, S.; Gao, L.; Zhang, X.; Jin, H. Coal to dimethyl ether (DME) based on a new gasification technology by decomposing C and H components. In Proceedings of the 30th International Conference on Efficiency, Cost, Optimization, Simulation and Environmental Impact of Energy Systems- ECOS, San Diego CA, USA, 2–6 July 2017. [Google Scholar]
- Meng, D.; Wang, T.; Xu, J.; Chen, X. Diffusion effect and evolution of kinetic parameters during coal char-CO2 gasification. Fuel 2019, 255, 115819–115829. [Google Scholar] [CrossRef]
- Liu, L.; Kong, B.; Yang, J.; Liu, Q.; Liu, X. CO2 gasification kinetics and structural characteristics of Tri-high coal char prepared at elevated temperature. ACS Omega 2020, 5, 507–517. [Google Scholar] [CrossRef] [PubMed]
- Ellison, C.; Abdelsayed, V.; Smith, M.; Shekhawat, D. Comparative evaluation of microwave and conventional gasification of different coal types: Experimental reaction studies. Fuel 2022, 321, 124055–124065. [Google Scholar] [CrossRef]
- Lu, G.; Bai, Y.; Lv, P.; Wang, J.; Song, X.; Su, W.; Yu, G. Changes in active sites and reactivity induced by interactions among Ca, Si and Al during coal char gasification. Fuel 2022, 310, 122322–122329. [Google Scholar] [CrossRef]
- Zhang, Y.; Wang, H.; Wang, X. Structural Characteristics of lignite char from different pyrolysis reactors and the influence on their gasification reactivity. J. Braz. Chem. Soc. 2022, 33, 268–273. [Google Scholar] [CrossRef]
- Kim, Y.T.; Seo, D.K.; Hwang, J. Study of the effect of coal type and particle size on char–CO2 gasification via gas analysis. Energy Fuels 2011, 25, 5044–5054. [Google Scholar] [CrossRef]
- Hong, D.; Wang, Y.; Zhai, X. A ReaxFF study of the effect of pressure on the contribution of char-CO2 gasification to char conversion during pressurized oxy-fuel combustion. Fuel 2022, 329, 125439–125446. [Google Scholar] [CrossRef]
- Liu, R.; Zhang, Y.; Ling, Z.; Song, Y. Some new insights into the synergy occurring during char gasification in CO2/H2O mixtures. Fuel 2020, 268, 117307–117315. [Google Scholar] [CrossRef]
- Dudek, M.; Czerski, G.; Grzywacz, P.; Śpiewak, K.; Suwała, W.; Łopata, S.; Leszczyński, J. Comparison of CO2 gasification of coal in isothermal and non-isothermal conditions. E3S Web Conf. 2019, 108, 02017–02025. [Google Scholar] [CrossRef]
- Chun, Y.N.; Song, H.G. Microwave-induced carbon-CO2 gasification for energy conversion. Energy 2020, 190, 116386–116395. [Google Scholar] [CrossRef]
- Qiu, Q.; Pan, D.; Zhang, W.; Zeng, F.; Liu, L. Catalytic kinetics and mechanisms of KCl with different concentrations on gasification of coal char. Processes 2022, 10, 1357. [Google Scholar] [CrossRef]
- Uwaoma, R.C.; Strydom, C.A.; Bunt, J.R.; Okolo, G.N.; Matjie, R.H. The catalytic effect of Benfield waste salt on CO2 gasification of a typical South African Highveld coal. J. Therm. Anal. Calorim. 2018, 135, 2723–2732. [Google Scholar] [CrossRef]
- Lu, Q.; Guo, R.; Zhang, H.; Wang, J.-P.; Lu, T.; Li, G.-Y.; Liang, Y.-H. To stimulate, and to inhibit: A theoretical understanding of the sodium-catalytic mechanism of coke gasification. Chem. Eng. J. 2022, 435, 135091–135101. [Google Scholar] [CrossRef]
- Qin, Y.; He, Y.; Ren, W.; Gao, M.; Wiltowski, T. Catalytic effect of alkali metal in biomass ash on the gasification of coal char in CO2. J. Therm. Anal. Calorim. 2019, 139, 3079–3089. [Google Scholar] [CrossRef]
- Li, L.; Wang, Z.; Zhao, R.; Mei, Y.; Shi, W.; Liu, Z.; Huang, J.; Fang, Y. The different catalytic effects of Na species on char gas-ification and the reasons for this different. J. Therm. Anal. Calorim. 2021, 147, 5687–5699. [Google Scholar] [CrossRef]
- Geng, P.; Zhang, Y. Calcium deactivation during the char-CO2 gasification and its influence on determining the apparent reaction order. Chem. Eng. J. 2020, 395, 124955–124963. [Google Scholar] [CrossRef]
- Lan, C.; Liu, R.; Zhang, S.; Lyu, Q.; Gao, Y.; Yan, G. Influence mechanism of CaO on gasification characteristics and kinetic behaviors of carbon-CO2 reaction. Fuel 2022, 311, 122583–122592. [Google Scholar] [CrossRef]
- Yu, G.; Yu, D.; Liu, F.; Han, J.; Yu, X.; Wu, J.; Xu, M. Different impacts of magnesium on the catalytic activity of exchangeable calcium in coal gasification with CO2 and steam. Fuel 2020, 266, 117050–117060. [Google Scholar] [CrossRef]
- Wang, Z.; Pang, K.; Li, K.; Zhang, J.; Sun, M.; Han, B.; Jiang, C.; Li, H. Positive Catalytic Effect and Mechanism of Iron on the Gasification Reactivity of Coke using Thermogravimetry and Density Functional Theory. ISIJ Int. 2021, 61, 773–781. [Google Scholar] [CrossRef]
- Zhao, D.; Liu, H.; Lu, P.; Sun, B.; Guo, S.; Qin, M. DFT study of the catalytic effect of Fe on the gasification of char-CO2. Fuel 2021, 292, 120203–120219. [Google Scholar] [CrossRef]
- Zhang, X.; Song, X.; Wang, J.; Su, W.; Bai, Y.; Zhou, B.; Yu, G. CO2 gasification of Yangchangwan coal catalyzed by iron-based waste catalyst from indirect coal-liquefaction plant. Fuel 2021, 285, 119228–119236. [Google Scholar] [CrossRef]
- Wang, Q.; Luo, C.; Li, X.; Ding, H.; Shen, C.; Cao, D.; Zhang, L. Development of LaFeO3 modified with potassium as catalyst for coal char CO2 gasification. J. CO2 Util. 2019, 32, 163–169. [Google Scholar] [CrossRef]
- Xu, B.; Cao, Q.; Kuang, D.; Gasem, K.A.; Adidharma, H.; Ding, D.; Fan, M. Kinetics and mechanism of CO2 gasification of coal catalyzed by Na2CO3, FeCO3 and Na2CO3–FeCO3. J. Energy Inst. 2020, 93, 922–933. [Google Scholar] [CrossRef]
- Zhang, G.; Suo, X.L.; Sheng, J.G.; Tan, X. Influence of Different Catalysts on Coal Char-CO2 Gasification. IOP Conf. Ser. Earth Environ. Sci. 2021, 701, 012011–012018. [Google Scholar] [CrossRef]
- Mao, L.; Li, H.; Xia, B.; Liu, T.; Zhang, Y.; Zheng, M. Effect of Ca/Fe-based auxiliaries on anthracite char gasification under CO2 atmosphere: Synergistic catalysis. Thermochim. Acta 2022, 713, 179224–1799235. [Google Scholar] [CrossRef]
- Yao, Q.; Ma, M.; Liu, Y.; He, L.; Sun, M.; Ma, X. Pyrolysis characteristics of metal ion-exchanged Shendong coal and its char gasification performance. J. Anal. Appl. Pyrolysis 2021, 155, 105087–105098. [Google Scholar] [CrossRef]
- Wang, P.; Wang, C.A.; Wang, C.; Yuan, M.; Zhang, J.; Du, Y.; Che, D. Investigation on Co-casification characteristics of semicoke and bituminous coal in a CO2 atmosphere at high temperatures. Energy Fuels 2020, 34, 16132–16146. [Google Scholar] [CrossRef]
- Wang, Q.; Wang, E.; Li, K.; Husnain, N.; Li, D. Synergistic effects and kinetics analysis of biochar with semi-coke during CO2 co-gasification. Energy 2020, 191, 116528–116542. [Google Scholar] [CrossRef]
- Ren, L.; Wei, R.; Zhu, T. Co-gasification reactivity of petroleum coke with coal and coal liquefaction residue. J. Energy Inst. 2020, 93, 436–441. [Google Scholar] [CrossRef]
- Wei, J.; Gong, Y.; Guo, Q.; Chen, X.; Ding, L.; Yu, G. A mechanism investigation of synergy behaviour variations during blended char co-gasification of biomass and different rank coals. Renew. Energy 2019, 131, 597–605. [Google Scholar] [CrossRef]
- Kumari, N.; Saha, S.; Sahu, G.; Chauhan, V.; Roy, R.; Datta, S.; Chavan, P.D. Comparison of CO2 gasification reactivity and kinetics: Petcoke, biomass and high ash coal. Biomass- Convers. Biorefinery 2020, 12, 2277–2290. [Google Scholar] [CrossRef]
- Xu, T.; Wu, Y.; Bhattacharya, S. Gasification kinetic modelling of Victorian brown coal chars and validity for entrained flow gasification in CO2. Int. J. Min. Sci. Technol. 2021, 31, 473–481. [Google Scholar] [CrossRef]
- Irfan, M.F.; Usman, M.R.; Kusakabe, K. Coal gasification in CO2 atmosphere and its kinetics since 1948: A brief review. Energy 2011, 36, 12–40. [Google Scholar] [CrossRef]
- Roncancio, R.; Gore, J.P. CO2 char gasification: A systematic review from 2014 to 2020. Energy Convers. Manag. X 2021, 10, 100060–100077. [Google Scholar] [CrossRef]
- Jiang, P.; Meng, Y.; Lu, Z.; Xu, L.; Yang, G.; Luo, X.; Shi, K.; Wu, T. Kinetic and thermodynamic investigations of CO2 gasification of coal chars prepared via conventional and microwave pyrolysis. Int. J. Coal Sci. Technol. 2020, 7, 422–432. [Google Scholar] [CrossRef]
- Dai, B.; Qiu, J.-Y.; Ren, S.; Su, B.-X.; Ding, X.; Ju, D.-C.; Bai, N.; Long, H.-M. Kinetic analysis of CO2 gasification of biochar and anthracite based on integral isoconversional nonlinear method. High Temp. Mater. Process. 2020, 39, 527–538. [Google Scholar] [CrossRef]






















| Ref. | Gasification Type | Feedstock | Gasification Temperature [°C] | Gasifying Agent | Gas Product Distribution [%] | Method | ||
|---|---|---|---|---|---|---|---|---|
| H2 | CO | CO2 | ||||||
| [54] | Fixed bed | Lignite | 600–850 | Steam | 25.4–35.5 | 35.8–39.6 | 28.6–34.9 | Experimental |
| [55] | Fixed bed | Lignite and hard coal | 700 | Steam, air | 57–66 | 8–22 | 18–32 | Experimental |
| [56] | Fluidized bed | coal | 810–815 | Air | 14.6–30.1 | 9.4–12.3 | 10.6–13.5 | Experimental |
| [57] | Fluidized bed | Indian coal | 750–1050 | Steam | 9–12 | 8.5–2.3 | 4.2–6.5 | Aspen |
| [58] | Fluidized bed | Anthracite | 995 | Steam, O2, N2 | 35.4–38.4 | 26.3–28.3 | 123.6–24.8 | Aspen |
| [52] | Entrained gasification | Bituminous coals and limestone | 1300–1350 | O2 | 20.7–30.2 | 19.6–28.9 | 34.6–51.8 | Experimental |
| [59] | Entrained gasification | Bituminous coal | 1000–1400 | CO2 | 1–17 | 5–62 | 0.38–4.46 | Experimental |
| Ref. | Coal | Temperature [°C] | Carbon Gasification Efficiency [%] | Synthesis Gas Content [%] | H2 Content [%] | CO2 Content [%] | H2 Yield [mol/kg] | Method |
|---|---|---|---|---|---|---|---|---|
| [75] | Yimin lignite | 700 | - | 59.86 | 58.17 | 33.84 | 38.28 | Experimental |
| [72] | High-volatility bituminous coal | 650 | 13.0 | ~72 | 71 | ~22 | - | Experimental |
| [24] | Chinese coal | 600~750 | - | 67.6 | 65.8 | 32.3 | - | Simulation |
| [71] | Zhundong coal | 620~660 | 95.7 | 51~55 | 49~52 | 32~35 | 42.22 | Experimental |
| [69] | Hongliulin Coal | 640~690 | 100.5 | 57.8 | 56.2 | 31.69 | 77.5 | Experimental |
| [78] | Hongliulin coal | 800 | - | 67.06~71.3 | 68.15~64.07 | 45~50 | 107 | Simulation |
| [76] | Zhundong coal | 850 | ~100 | ~18 | ~15 | ~22.5 | 53 | Experimental |
| [25] | Lignite | 530 | 82 | ~57 | ~55 | ~40 | 32 | Experimental |
| [61] | Coal and sorghum | 500 | - | 49.2 | 43.5 | 29.2 | 8.8 | Experimental |
| Ref. | Coal | Gasification Agent | Temperature [°C] | Synthesis Gas Yield [%] | H2 Content [%] | CO2 Content [%] | Method |
|---|---|---|---|---|---|---|---|
| [86] | Low-grade coal | Steam | 1640 | ~72 | ~40 | ~18 | Experimental |
| [92] | Low-grade coal and high-grade coal | Steam | 1227 | 89 | 55~57.5 | 12.5 | Experimental |
| [90] | High-ash bituminous coal | Steam | - | 96.4 | 55.1 | - | Experimental |
| [93] | Biomass and coal | Air/steam/O2 | 2000 | ~30 | 15~20 | - | Simulation |
| [63] | MSW and coal | - | 2500 | 43.73 | 9.08 | 1.39 | Simulation |
| [94] | Lignite and used car tires | Steam and air | 1226.85 | 73.81 | 44.32 | 4.49 | Simulation |
| Ref. | Coal | Gasification Agent | Oxygen Carrier | Synthesis Gas Content [%] | H2 Content [%] | CO2 Content [%] | Method |
|---|---|---|---|---|---|---|---|
| [96] | Lignite coal | Steam | CaSO4-CaO/bentonite | 66.98 | - | - | Experimental |
| [104] | Lignite coal | Steam | NiFe2O4 | 77.9 | - | - | Experimental |
| [110] | Zhundong lignite coal | Steam | Cu-Fe-Mg | ~20 | ~16 | ~4 | Experimental |
| [112] | Meihuajing coal | Steam | CuO | 57.68 | 18.8 | 22.09 | Experimental |
| [113] | Bituminous coal | Steam | CuO | 77.186 | 31.208 | 4.256 | Simulation |
| [114] | Ningdong coal | Steam | Fe2O3 | 70 | 48.67 | 15.79 | Experimental |
| [120] | Low-rank coal | - | Fe2O3 | ~71.58 | ~9 | 21.35 | Experimental |
| [115] | Lignite coal | Steam | CuFe2O4 | 89.55 | 36.43 | 8.41 | Simulation |
| Ref. | Char/Coke | Temperature [°C] | Gasification Agent | Synthesis Gas Content [%] | H2 Content [%] | CO Content [%] | CO2 Content [%] | Method |
|---|---|---|---|---|---|---|---|---|
| [126] | Coke | 1000 | Steam O2 | 85.82 | 51.48 | - | 12.22 | Simulation |
| [131] | Yunnan coal char | 850 | Steam O2 | ~80 | ~46 | ~29 | ~17 | Experimental |
| [132] | Sub-bituminous coal char | 800–1000 | Steam Air | ~26.66 | 11.82 | 13.34 | 16.52 | Experimental |
| [9] | Coal coke | 1000 | Steam | 85.8 | 35 | 50.8 | 14.1 | Simulation |
| [121] | Shenmu bituminous coal char | 900 | Steam O2 | ~40 | ~22 | ~18 | ~60 | Simulation |
| [60] | Coal coke | 900 | - | 96 | 56 | 23.1 | 4 | Simulation |
| Coke | 1100 | CO2 | 64.0 | 2.8 | 61.2 | 35.9 | Simulation |
| Carbon Source | Char Type | Kinetic Model | T [°C] | P [MPa] | Particle Size (mm) | Activation Energy (kJ/mol) | Apparatus | Ref. |
|---|---|---|---|---|---|---|---|---|
| Anthracite | Pure char | RPM | 25–1200 | 0.1 | 0.25–5 | 168.5 | TGA | [169] |
| Petcoke | Pure char | SCM | 1100–1300 | 0.1 | −0.21 + 0.15 | 142.59 | TGA | [164] |
| Petcoke | Pure char | VRM | 1100–1300 | 0.1 | −0.21 + 0.15 | 142.83 | TGA | [164] |
| Bituminous Qinghai coal | Pure char, Py1173 | SCM | 900–1000 | 0.1 | 0.106 | 151.39 | TGA | [168] |
| Bituminous Qinghai coal | Pure char, Py1173 | RPM | 900–1000 | 0.1 | 0.106 | 139.65 | TGA | [168] |
| Sub-bituminous coal | Pure char, 4% Na | RPM | 700–850 | 0.1 | 0.12 | 96.65 | TGA | [156] |
| Sub-bituminous coal | Pure char, 4% Fe | RPM | 700–850 | 0.1 | 0.12 | 155.54 | TGA | [156] |
| Low-ash Yallourn coal | Pure char | MRPM | 700–1100 | 0.1 | 0.09–0.106 | 197.76 | TGA | [165] |
| Low-ash Yallourn coal | Pure char | MRPM | 700–1100 | 0.1 | 0.02–0.038 | 208.89 | TGA | [165] |
| Inner Mongolia coal | Char, 1.5 Na2CO3 | MRPM | 900–1000 | 0.1 | 0.125 | 89.683 | TGA | [148] |
| Inner Mongolia coal | Char, 1.5 Na2SO4 | MRPM | 900–1000 | 0.1 | 0.125 | 53.369 | TGA | [148] |
| Zhundong coal | Pure char | SCM | 800–900 | 0.1 | 0.16 | 120 | TGA | [36] |
| Zhundong coal | Char, K2CO3 | MRPM | 800–900 | 0.1 | 0.16 | 81 | TGA | [36] |
Disclaimer/Publisher’s Note: The statements, opinions and data contained in all publications are solely those of the individual author(s) and contributor(s) and not of MDPI and/or the editor(s). MDPI and/or the editor(s) disclaim responsibility for any injury to people or property resulting from any ideas, methods, instructions or products referred to in the content. |
© 2023 by the authors. Licensee MDPI, Basel, Switzerland. This article is an open access article distributed under the terms and conditions of the Creative Commons Attribution (CC BY) license (https://creativecommons.org/licenses/by/4.0/).
Share and Cite
Dai, F.; Zhang, S.; Luo, Y.; Wang, K.; Liu, Y.; Ji, X. Recent Progress on Hydrogen-Rich Syngas Production from Coal Gasification. Processes 2023, 11, 1765. https://doi.org/10.3390/pr11061765
Dai F, Zhang S, Luo Y, Wang K, Liu Y, Ji X. Recent Progress on Hydrogen-Rich Syngas Production from Coal Gasification. Processes. 2023; 11(6):1765. https://doi.org/10.3390/pr11061765
Chicago/Turabian StyleDai, Fei, Shengping Zhang, Yuanpei Luo, Ke Wang, Yanrong Liu, and Xiaoyan Ji. 2023. "Recent Progress on Hydrogen-Rich Syngas Production from Coal Gasification" Processes 11, no. 6: 1765. https://doi.org/10.3390/pr11061765
APA StyleDai, F., Zhang, S., Luo, Y., Wang, K., Liu, Y., & Ji, X. (2023). Recent Progress on Hydrogen-Rich Syngas Production from Coal Gasification. Processes, 11(6), 1765. https://doi.org/10.3390/pr11061765
