Research on and Design of an Electric Drive Automatic Control System for Mine Belt Conveyors
Abstract
1. Introduction
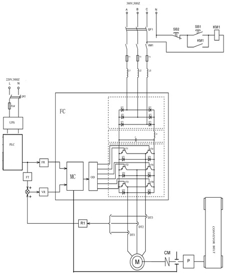
2. Industrial Plant Description
2.1. Selection of Electric Drive Control Coordinates
2.2. Formulation of Requirements
3. The Automated Electric Drive
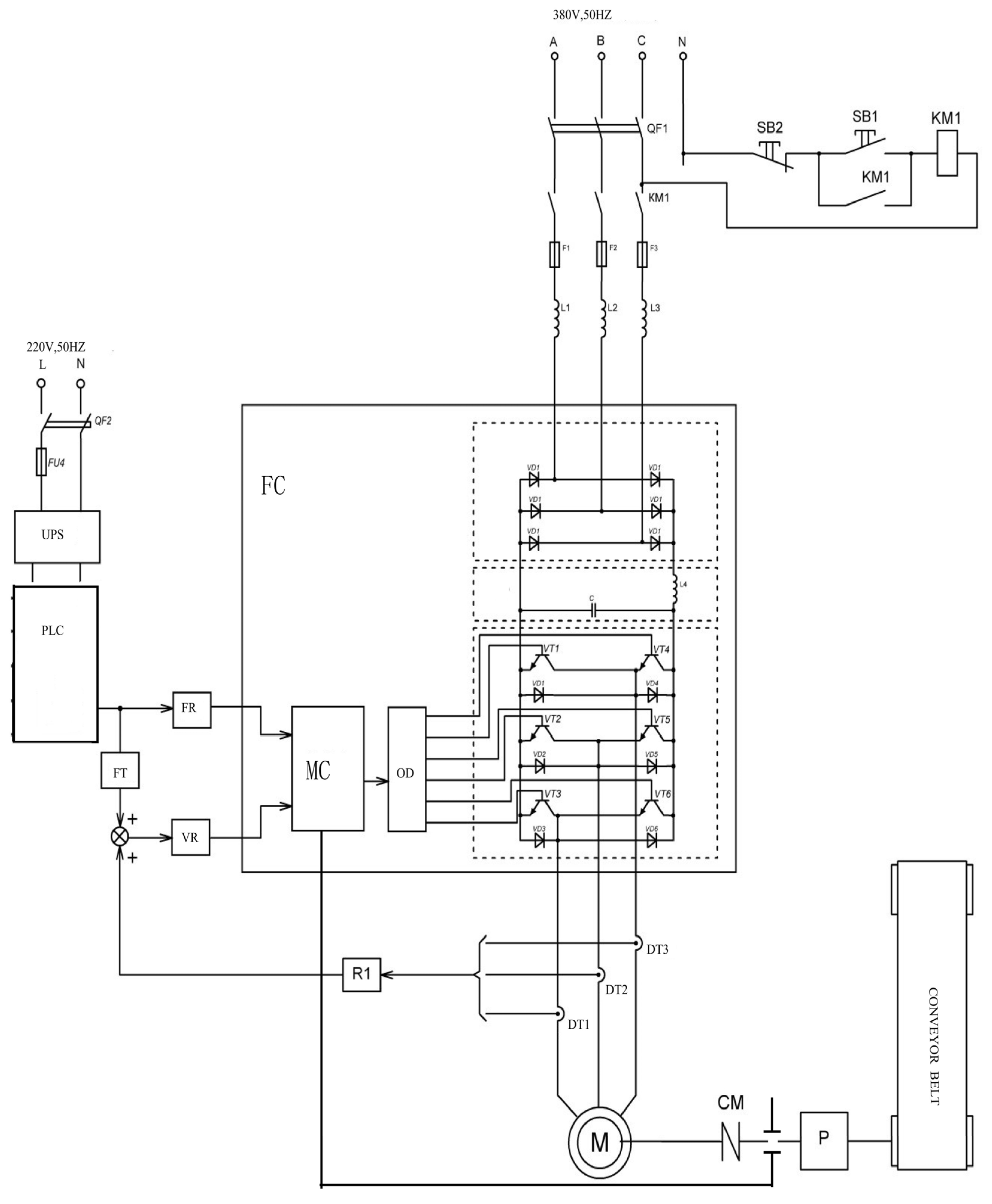
3.1. Functional Diagram of an Automated Electric Drive
- -
- Frequency control;
- -
- Phase rotor adjustment;
- -
- Hydraulic clutch speed regulation.
- Regulation is dual-zone downregulation ( ≈ const) and upregulation (U1 = U1H, f1 > f1H) with respect to the main speed.
- Adjustment range of open structure.
- Stable regulation.
- Permissible load—T = Tn when downregulating with respect to the main speed, and P = PH when adjusting upregulating.
- This method requires the use of a frequency converter (FC)—a device that controls the frequency and amplitude of the output voltage.
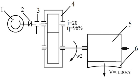
3.2. Method of Motor Selection
3.3. Designing an Electrical Energy Converter
4. Experimental Verification and Design of Algorithm
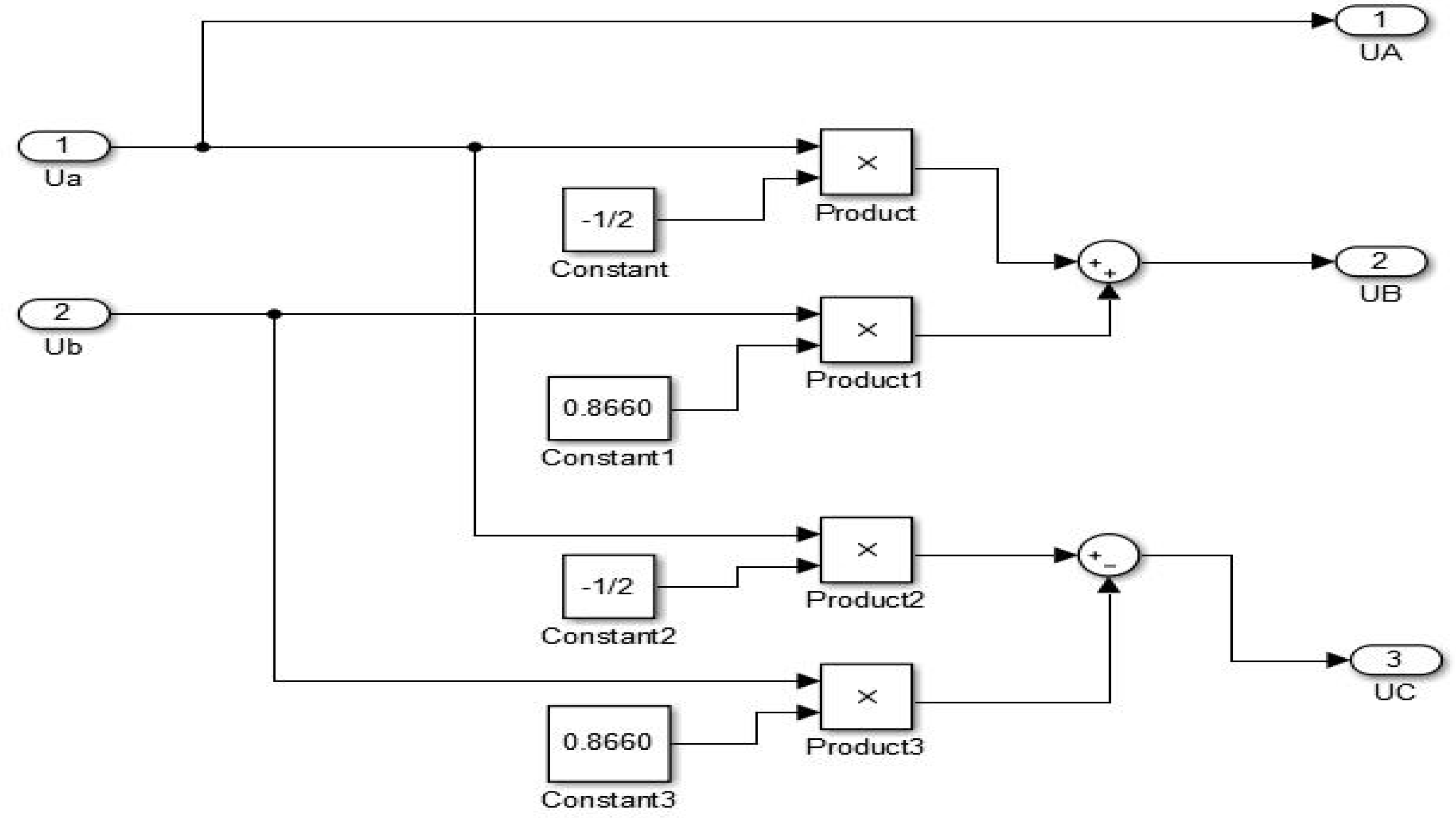
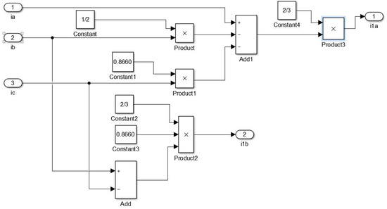
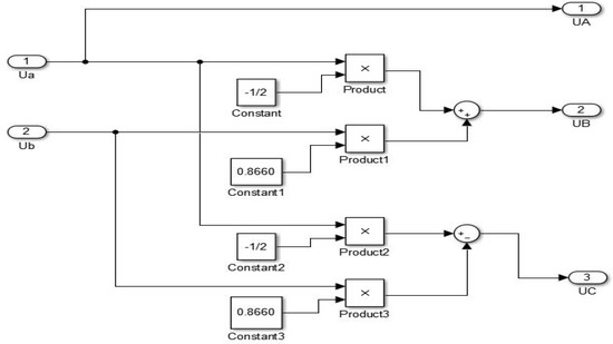
4.1. Design of Mathematical Models (Equations and Structural Circuits)
4.2. Selection
4.2.1. Calculation of Periodic Transient State of Mechanism and Determination of Quality Index
4.2.2. Comparative Analysis of the Obtained Quality Index and the Electric Drive Requirements of the Mechanism
- (1)
- The acceleration speed in the starting process was roughly constant without setbacks, which meets the transient quality requirements;
- (2)
- The smooth start of the engine was ensured, and the torque and acceleration values were limited at the same time;
- (3)
- The speed accuracy was kept within the allowable value.
4.2.3. Checking the Heating Capacity of the Motor and the Overload Capacity of the Electric Drive According to the Accurate Load Diagram of the Mechanical Device per Working Cycle
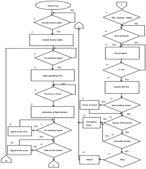
4.3. Design of Control Program Algorithm
5. Conclusions
Author Contributions
Funding
Institutional Review Board Statement
Informed Consent Statement
Data Availability Statement
Acknowledgments
Conflicts of Interest
References
- Yang, C.; Bu, L.; Chen, B. Energy modeling and online parameter identification for permanent magnet synchronous motor driven belt conveyors. Measurement 2021, 178, 109342. [Google Scholar] [CrossRef]
- Niu, F.; Wang, B.; Babel, A.S.; Li, K.; Strangas, E.G. Comparative evaluation of direct torque control strategies for permanent magnet synchronous machines. IEEE Trans. Power Electron. 2015, 31, 1408–1424. [Google Scholar] [CrossRef]
- Salvador, C.; Mascaró, M.; Ruiz del Solar, J. Automation of Unit and Auxiliary Operations in Block/Panel Caving: Challenges and Opportunities; Massmin: Santiago, Chile, 2020. [Google Scholar]
- Fernando, H.; Marshall, J.A.; Larsson, J. Iterative learning-based admittance control for autonomous excavation. J. Intell. Robot. Syst. 2019, 96, 493–500. [Google Scholar] [CrossRef]
- Alahmad, M.A.; Wheeler, P.G.; Schwer, A.; Eiden, J.; Brumbaugh, A. A comparative study of three feedback devices for residential real-time energy monitoring. IEEE Trans. Ind. Electron. 2011, 59, 2002–2013. [Google Scholar] [CrossRef]
- Gao, L.; Fletcher, J.E.; Zheng, L. Low-speed control improvements for a two-level five-phase inverter-fed induction machine using classic direct torque control. IEEE Trans. Ind. Electron. 2010, 58, 2744–2754. [Google Scholar] [CrossRef]
- Alharbi, F.; Luo, S.; Zhang, H.; Shaukat, K.; Yang, G.; Wheeler, C.A.; Chen, Z. A brief review of acoustic and vibration signal-based fault detection for belt conveyor idlers using machine learning models. Sensors 2023, 23, 1902. [Google Scholar] [CrossRef] [PubMed]
- Suetake, M.; da Silva, I.N.; Goedtel, A. Embedded DSP-based compact fuzzy system and its application for induction-motor V /f speed control. IEEE Trans. Ind. Electron. 2010, 58, 750–760. [Google Scholar] [CrossRef]
- Jeftenić, B.; Ristić, L.; Bebić, M.; Štatkić, S. Controlled induction motor drives supplied by frequency converters on belt conveyors—Modeling and commissioning. In Proceedings of the 2009 35th Annual Conference of IEEE Industrial Electronics, Porto, Portugal, 3–5 November 2009; pp. 1063–1068. [Google Scholar]
- Middelberg, A.; Zhang, J.; Xia, X. An optimal control model for load shifting–with application in the energy management of a colliery. Appl. Energy 2009, 86, 1266–1273. [Google Scholar] [CrossRef]
- Kulinowski, P.; Kasza, P.; Zarzycki, J. Influence of design parameters of idler bearing units on the energy consumption of a belt conveyor. Sustainability 2021, 13, 437. [Google Scholar] [CrossRef]
- Kusumaningtyas, I.; Lodewijks, G. Toward intelligent power consumption optimization in long high-speed passenger conveyors. In Proceedings of the 2007 IEEE Intelligent Transportation Systems Conference, Bellevue, WA, USA, 30 September–3 October 2007; pp. 597–602. [Google Scholar]
- Zhang, S.; Xia, X. A new energy calculation model of belt conveyor. In Proceedings of the AFRICON, Nairobi, Kenya, 23–25 September 2009; pp. 1–6. [Google Scholar]
- Zimroz, R.; Hardygóra, M.; Blazej, R. Maintenance of belt conveyor systems in Poland—An overview. In Proceedings of the 12th International Symposium Continuous Surface Mining-Aachen 2014; Springer: Cham, Switzerland, 2015; pp. 21–30. [Google Scholar]
- Stefaniak, P.K.; Wyłomańska, A.; Obuchowski, J.; Zimroz, R. Procedures for decision thresholds finding in maintenance management of belt conveyor system–statistical modeling of diagnostic data. In Proceedings of the 12th International Symposium Continuous Surface Mining-Aachen 2014; Springer: Cham, Switzerland, 2015; pp. 391–402. [Google Scholar]
- Szrek, J.; Wodecki, J.; Błażej, R.; Zimroz, R. An inspection robot for belt conveyor maintenance in underground mine—Infrared thermography for overheated idlers detection. Appl. Sci. 2020, 10, 4984. [Google Scholar] [CrossRef]
- Zhao, M.H. Design of Patrol Robot System for Mining Belt Conveyor. In Proceedings of the 2018 10th International Conference on Intelligent Human-Machine Systems and Cybernetics (IHMSC), Hangzhou, China, 25–26 August 2018; Volume 2, pp. 1–3. [Google Scholar]
- Käslin, R.; Kolvenbach, H.; Paez, L.; Lika, K.; Hutter, M. Towards a passive adaptive planar foot with ground orientation and contact force sensing for legged robots. In Proceedings of the 2018 IEEE/RSJ International Conference on Intelligent Robots and Systems (IROS), Madrid, Spain, 1–5 October 2018; pp. 2707–2714. [Google Scholar]
- Soofastaei, A.; Karimpour, E.; Knights, P.; Kizil, M. Energy-efficient loading and hauling operations. In Energy Efficiency in the Minerals Industry: Best Practices and Research Directions; Springer: Cham, Switzerland, 2018; pp. 121–146. [Google Scholar]
- Zhang, S.; Xia, X. Modeling and energy efficiency optimization of belt conveyors. Appl. Energy 2011, 88, 3061–3071. [Google Scholar] [CrossRef]
- Gładysiewicz, L.; Konieczna-Fuławka, M. Influence of idler set load distribution on belt rolling resistance. Arch. Min. Sci. 2019, 64, 251–259. [Google Scholar]
- Król, R.; Gladysiewicz, L.; Kaszuba, D.; Kisielewski, W. New quality standards of testing idlers for highly effective belt conveyors. In IOP Conference Series: Earth and Environmental Science; IOP Publishing: Bristol, UK, 2017; Volume 95, p. 042055. [Google Scholar]
- Akparibo, A.R.; Normanyo, E. Application of resistance energy model to optimising electric power consumption of a belt conveyor system. Int. J. Power Syst. 2019, 4, 97–108. [Google Scholar] [CrossRef]
- Youssef, G.S.; Taha, I.; Shihata, L.A.; Abdel-ghany, W.E.; Ebeid, S.J. Improved energy efficiency in troughed belt conveyors: Selected factors and effects. Int. J. Eng. Tech. Res. 2015, 3, 174–180. [Google Scholar]
- Lutyński, A.; Kozubek, A. Eksploatacja przeno´snika wznoszcego upadowej odstawczo-transportowej w KWK “Marcel”. Maszyny Górnicze 2010, 28, 13–18. [Google Scholar]
- Szrek, J.; Jakubiak, J.; Zimroz, R. A mobile robot-based system for automatic inspection of belt conveyors in mining industry. Energies 2022, 15, 327. [Google Scholar] [CrossRef]
















| Technical Specification | Value |
|---|---|
| Rated running speed of conveyor belt, m/s | 3, 10 |
| Tape width, mm | 1200 |
| Yield, t/h | 1200 |
| Length, m | 550 |
| Motor power, kW | 160 |
| Motor shaft speed and synchronization, revolution/minute | 1000 |
| Voltage, V | 660 |
| Transmission ratio of reducer | 20 |
| Drive drum diameter, m | 1, 2 |
| Type | Parameter | Value |
|---|---|---|
| Inverter | Power | Three-phase 3 × 660/690 V supply voltage |
| Rated motor power | 200 kW | |
| Rated output current | 208 A | |
| Output frequency | 0–400 Hz | |
| Acceleration time | 0–3600 s | |
| Weight | 1200 kg | |
| Filter | Rated current | 215 A |
| Power loss | 0.425 kW | |
| Inductance | 150 μHn | |
| Voltage | 3 ph 660–690 V | |
| Nominal current | 270 A | |
| Output frequency | 50–60 Hz | |
| Contactor | Nominal current | 250 A |
| Number of power poles | 3P | |
| Control coil voltage | 127 V | |
| Power module | Rated power | 200 kW |
| Rated current | 215 A | |
| Supply voltage | 660–690 V |
Disclaimer/Publisher’s Note: The statements, opinions and data contained in all publications are solely those of the individual author(s) and contributor(s) and not of MDPI and/or the editor(s). MDPI and/or the editor(s) disclaim responsibility for any injury to people or property resulting from any ideas, methods, instructions or products referred to in the content. |
© 2023 by the authors. Licensee MDPI, Basel, Switzerland. This article is an open access article distributed under the terms and conditions of the Creative Commons Attribution (CC BY) license (https://creativecommons.org/licenses/by/4.0/).
Share and Cite
Wang, L.; Li, H.; Huang, J.; Zeng, J.; Tang, L.; Wu, W.; Luo, Y. Research on and Design of an Electric Drive Automatic Control System for Mine Belt Conveyors. Processes 2023, 11, 1762. https://doi.org/10.3390/pr11061762
Wang L, Li H, Huang J, Zeng J, Tang L, Wu W, Luo Y. Research on and Design of an Electric Drive Automatic Control System for Mine Belt Conveyors. Processes. 2023; 11(6):1762. https://doi.org/10.3390/pr11061762
Chicago/Turabian StyleWang, Li, Haoxin Li, Jingkai Huang, Jinbin Zeng, Luxin Tang, Weibin Wu, and Yuanqiang Luo. 2023. "Research on and Design of an Electric Drive Automatic Control System for Mine Belt Conveyors" Processes 11, no. 6: 1762. https://doi.org/10.3390/pr11061762
APA StyleWang, L., Li, H., Huang, J., Zeng, J., Tang, L., Wu, W., & Luo, Y. (2023). Research on and Design of an Electric Drive Automatic Control System for Mine Belt Conveyors. Processes, 11(6), 1762. https://doi.org/10.3390/pr11061762

