Enhancement of LVRT Ability of DFIG Wind Turbine by an Improved Protection Scheme with a Modified Advanced Nonlinear Control Loop
Abstract
1. Introduction
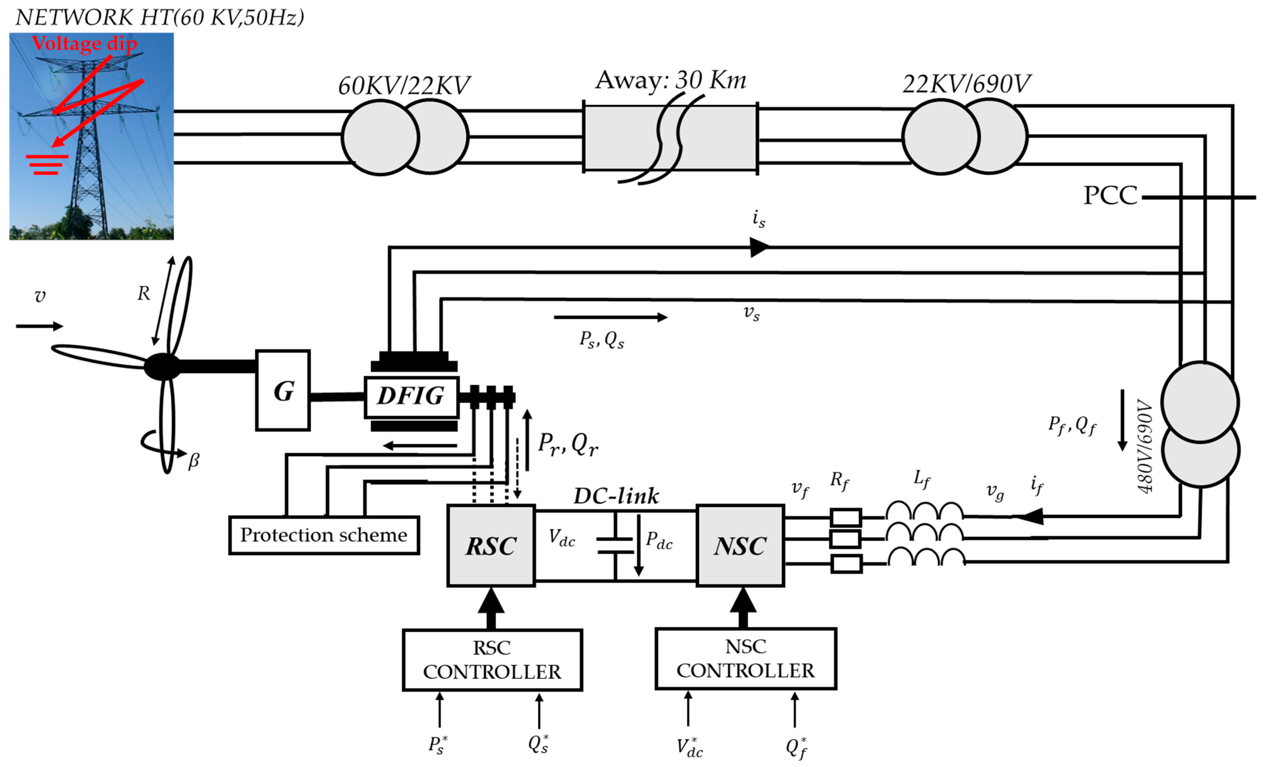
2. System Description and Modeling
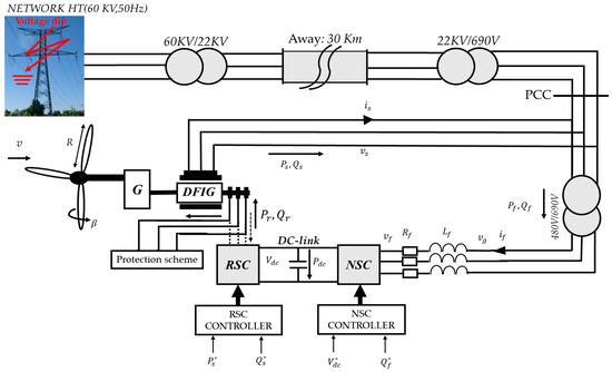
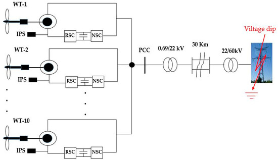
2.1. Description of the System
2.2. Power Model of DFIG and RSC in the Reference Framedirect-Quadrature (d-q)
2.3. Power Model of NSC in the Reference Frame d-q
3. Advanced Nonlinear Control Strategy
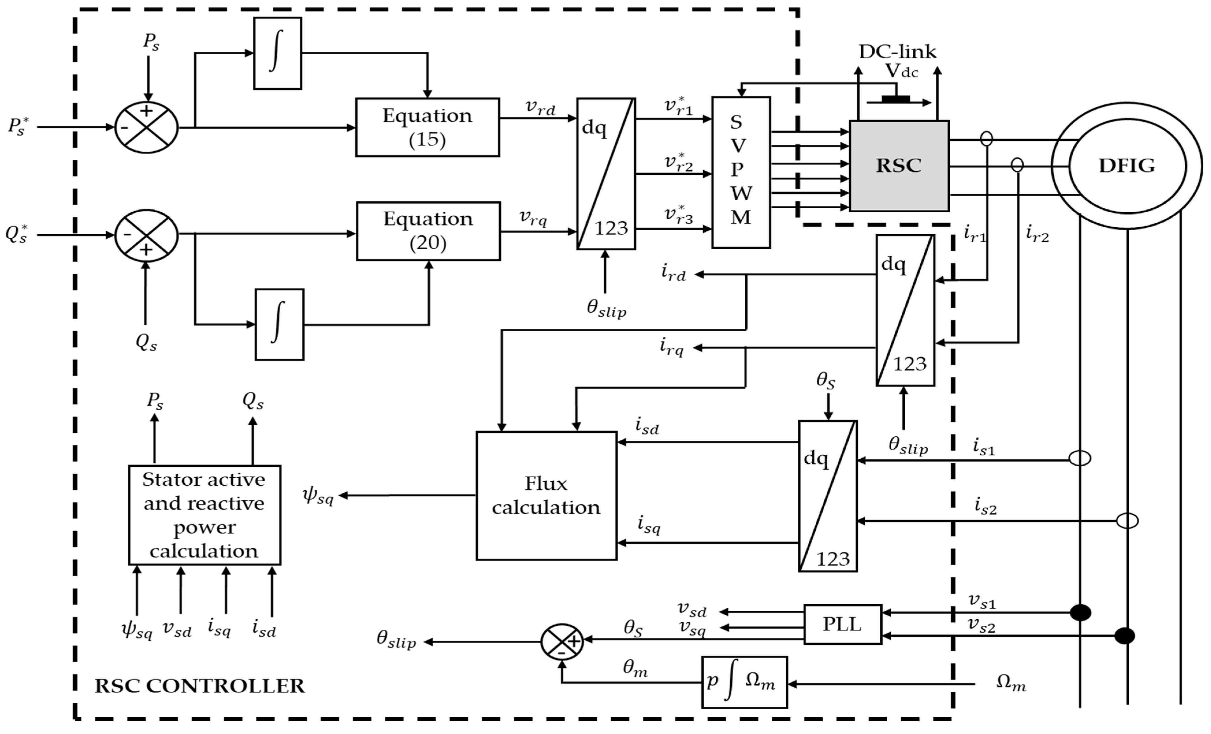
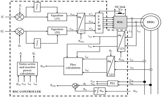
3.1. Power Control on the Rotor Side
Stator Active and Reactive Power Control
- ▪
- Analog comparators to determine the difference between the set point (reference) and the measurement (output).
- ▪
- Sensors to be able to measure voltage and current.
- ▪
- Equation blocks (control law) to generate the commands.
- ▪
- Blocks of direct and inverse Park transformation (123 ---dq and dq ---123)
- ▪
- A Space Vector Pulse Width Modulation (SVPWM) block to elaborate the six pulses to control the IGBT switches.
- ▪
- A block Phase-Locked Loop (PLL) to make the stator electrical angle.
- ▪
- Calculation blocks of some important values for the RSC controller.
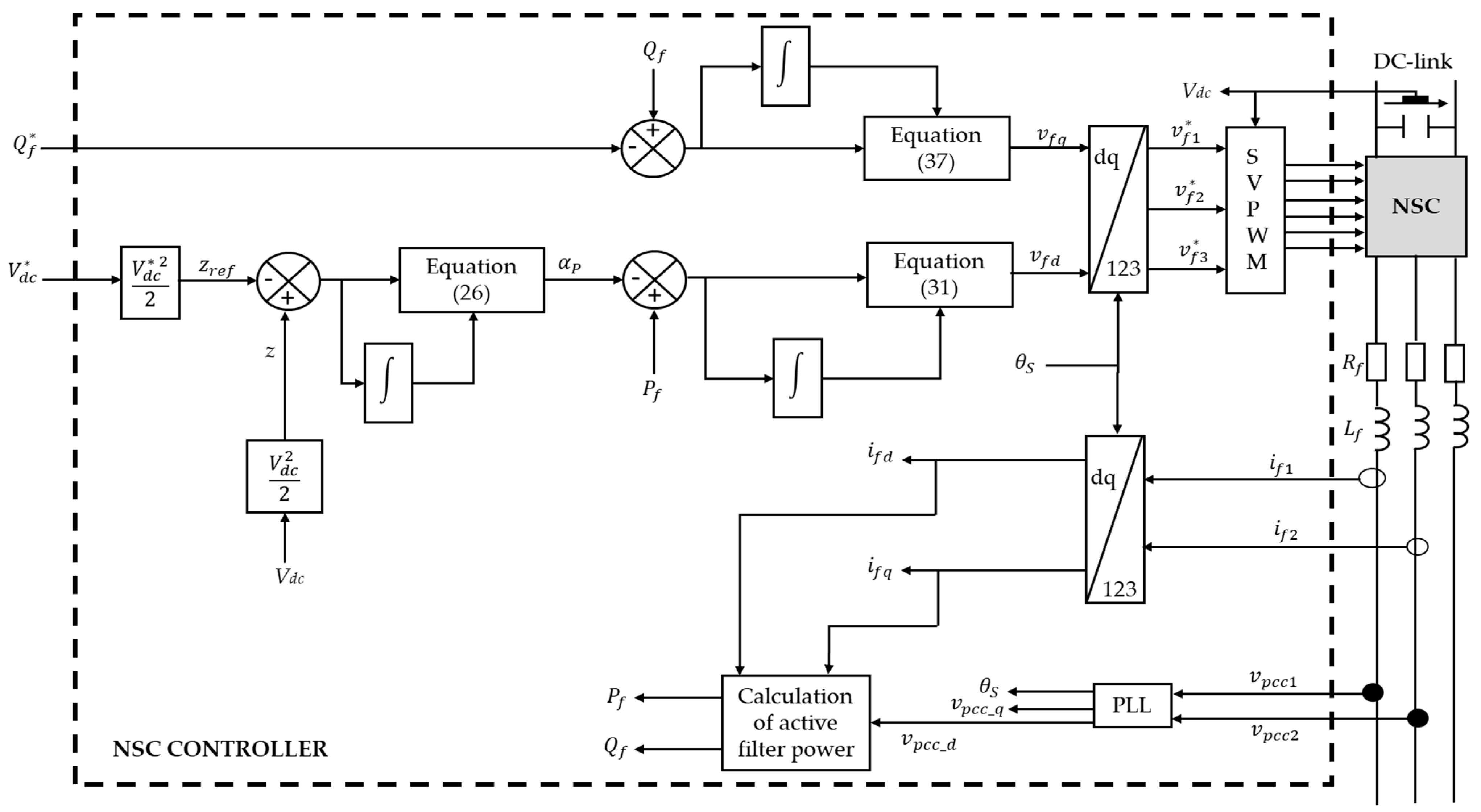
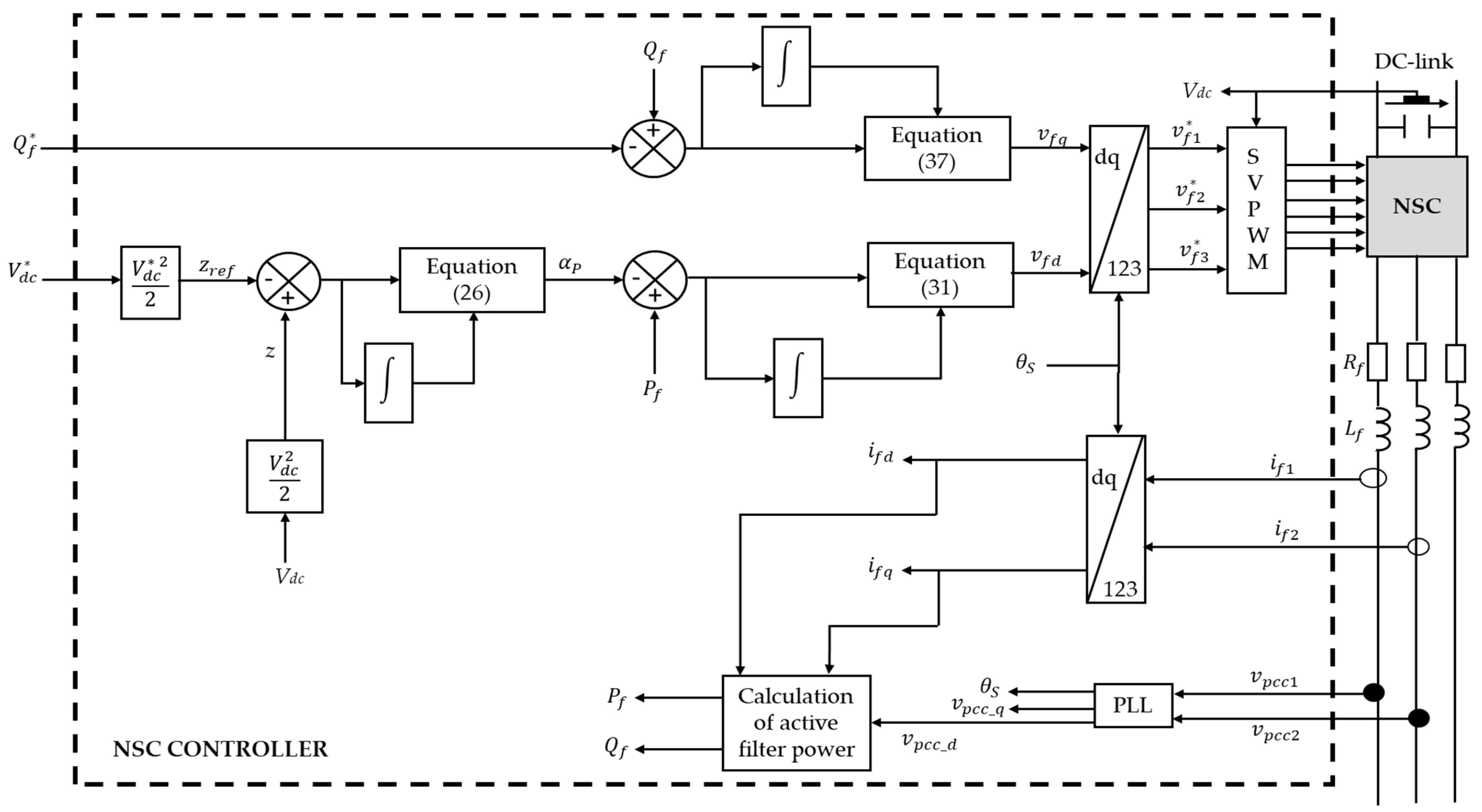
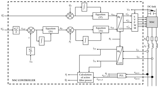
3.2. Power Control on the Network Side
Control of DC-Link Tension and Reactive Energy
- ▪
- Analog comparators to determine the difference between the set point (reference) and the measurement (output).
- ▪
- Sensors to be able to measure voltage and current.
- ▪
- Equation blocks (control law) to generate the commands.
- ▪
- Blocks of direct and inverse Park transformation (123 ---dq and dq ---123)
- ▪
- A Space Vector Pulse Width Modulation (SVPWM) block to elaborate the six pulses to control the IGBT switches.
- ▪
- A block Phase-Locked Loop (PLL) to make the stator electrical angle.
- ▪
- Calculation blocks of some important values for the RSC controller.
3.3. DFIG during Voltage Dip
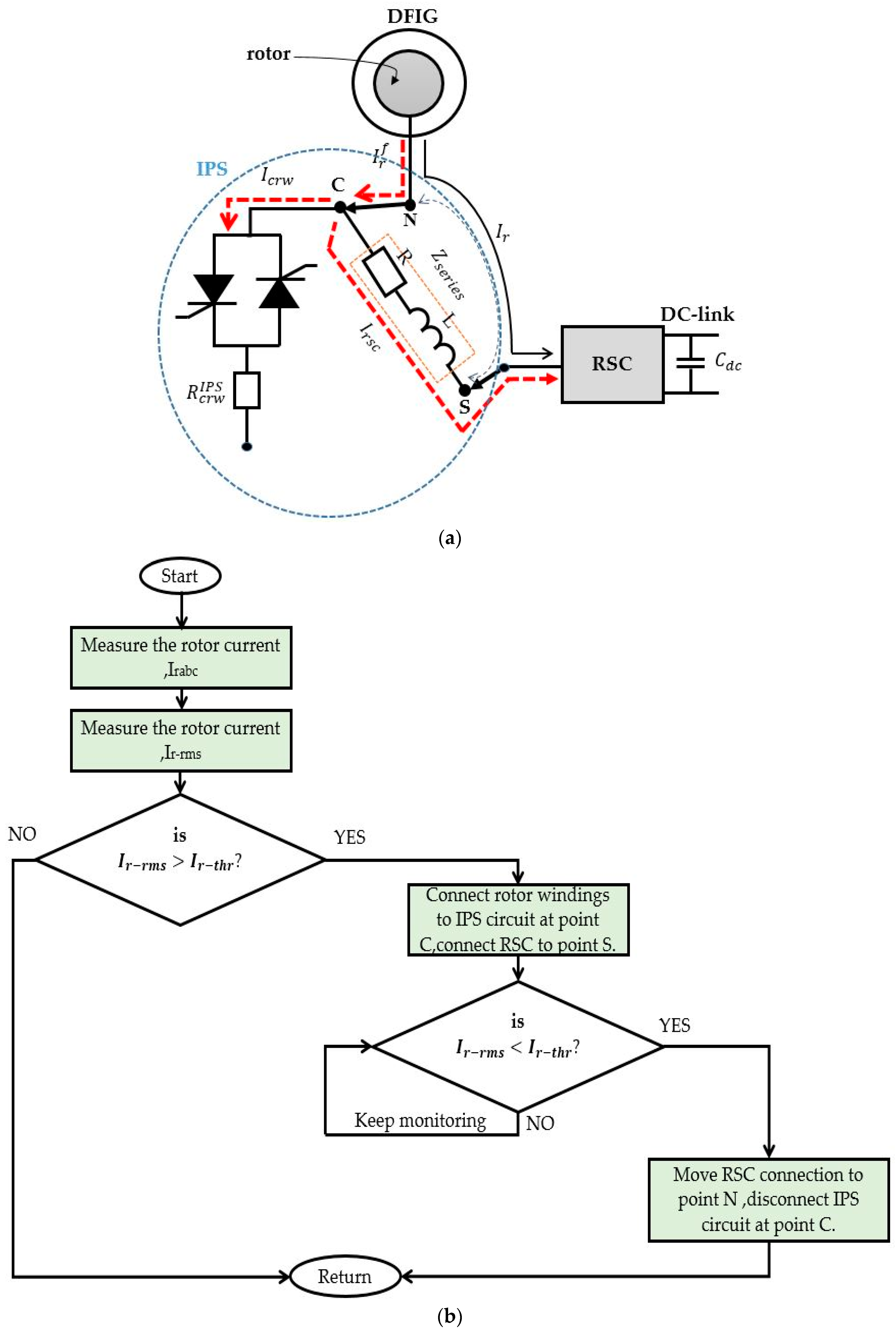
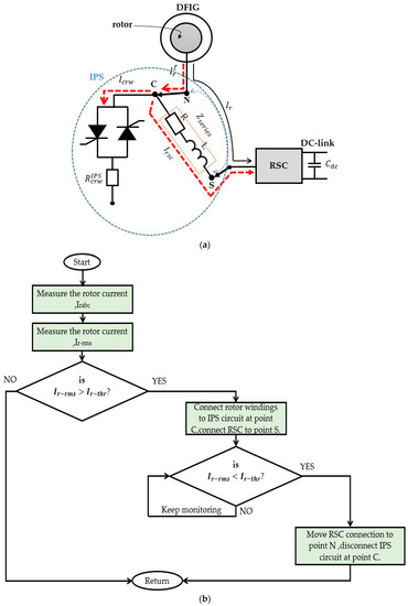
4. Protection against Rotor Excess Current
4.1. Improved Protection Scheme (IPS)
4.2. Results of the Simulation
5. Modification of the Nonlinear Control Strategy
5.1. Control of Reactive Power
5.2. Results of the Simulation
6. Conclusions
- -
- Implement this MADA-based wind turbine protection technique experimentally and illustrate the limitations of the different techniques against each other.
- -
- Develop the study to verify the proper protection of the MADA against all other types of disturbances that may occur on the high voltage network and propose solutions in this sense.
Author Contributions
Funding
Data Availability Statement
Acknowledgments
Conflicts of Interest
References
- Hamid, C.; Derouich, A.; Hallabi, T.; Zamzoum, O.; Mohammed, T.; Rhaili, S.E.; Boulkhrachef, O. Performance improve-ment of the variable speed wind turbine driving a DFIG using nonlinear control strategies. Int. J. Power Electron. Drive Syst. 2021, 12, 2470. [Google Scholar]
- Loulijat, A.; Ababssi, N.; Mohamed, M. Kalman Observer Contribution to a Second Order Sliding Mode Control for Wind Turbine Based on DFIG During the Network Voltage Dip. Int. J. Intell. Eng. Syst. 2021, 14, 88–101. [Google Scholar] [CrossRef]
- Masaud, T.M.; Sen, P.K. Modeling and control of doubly fed. In Proceedings of the North American Power Symposium, Boston, MA, USA, 4–6 August 2011. [Google Scholar]
- Adekanle, O.S.; Guisser, M.; Abdelmounim, E.; Aboulfatah, M. Nonlinear Controller with Rotor Crowbar and DC-Chopper Fault Ride Through Technique for Grid-Connected Doubly-Fed Induction Generator. Int. Rev. Autom. Control. 2018, 11, 281. [Google Scholar] [CrossRef]
- Mossa, M.A.; Echeikh, H.; Diab, A.A.Z.; Quynh, N.V. Effective Direct Power Control for a Sensor-Less Doubly Fed Induction Generator with a Losses Minimization Criterion. Electronics 2020, 9, 1269. [Google Scholar] [CrossRef]
- Mossa, M.A.; Al-Sumaiti, A.S.; Do, T.D.; Diab, A.A.Z. Cost-Effective Predictive Flux Control for a Sensorless Doubly Fed Induction Generator. IEEE Access 2019, 7, 172606–172627. [Google Scholar] [CrossRef]
- Liang, J.; Qiao, W.; Harley, R.G. Feed-Forward Transient Current Control for Low-Voltage Ride-Through Enhancement of DFIG Wind Turbines. IEEE Trans. Energy Convers. 2010, 25, 836–843. [Google Scholar] [CrossRef]
- Chojaa, H.; Derouich, A.; Chehaidia, S.E.; Taoussi, M.; Zamzoum, O.; Mosaad, M.I.; Benbouhenni, H.; Yessef, M. Advanced Control Techniques for Doubly-Fed Induction Generators Based Wind Energy Conversion Systems. In Proceedings of the Global Energy Conference (GEC), Batman, Turkey, 26–29 October 2022; pp. 282–287. [Google Scholar] [CrossRef]
- Touati, A.; Abdelmounim, E.; Aboulfatah, M.; Moutabir, A.; Majdoul, R. Improved Strategy of an MPPT Based on the Torque Estimator for Variable Speed Turbines. Int. Rev. Model. Simul. 2015, 8, 620. [Google Scholar] [CrossRef]
- Chojaa, H.; Derouich, A.; Taoussi, M.; Zamzoum, O.; Yessef, M. Optimization of DFIG Wind Turbine Power Quality Through Adaptive Fuzzy Control. In Digital Technologies and Applications. ICDTA 2021. Lecture Notes in Networks and Systems; Motahhir, S., Bossoufi, B., Eds.; Springer: Cham, Switzerland, 2021; Volume 211. [Google Scholar] [CrossRef]
- Belmokhtar, K.; Doumbia, M.; Agbossou, K. Novel fuzzy logic based sensorless maximum power point tracking strategy for wind turbine systems driven DFIG (doubly-fed induction generator). Energy 2014, 76, 679–693. [Google Scholar] [CrossRef]
- Justo, J.J.; Mwasilu, F.; Jung, J.-W. Doubly-fed induction generator based wind turbines: A comprehensive review of fault ride-through strategies. Renew. Sustain. Energy Rev. 2015, 45, 447–467. [Google Scholar] [CrossRef]
- Mwasilu, F.; Jung, J.-W.; Ro, K.-S.; Justo, J. Improvement of dynamic performance of doubly fed induction generator-based wind turbine power system under an unbalanced grid voltage condition. IET Renew. Power Gener. 2012, 6, 424–434. [Google Scholar] [CrossRef]
- Qin, B.; Li, H.; Zhou, X.; Li, J.; Liu, W. Low-Voltage Ride-Through Techniques in DFIG-Based Wind Turbines: A Review. Appl. Sci. 2020, 10, 2154. [Google Scholar] [CrossRef]
- Adekanle, O.S.; Guisser, M.; Abdelmounim, E.; Aboulfatah, M. Observer-Based Adaptive Backstepping Control of Grid-Connected Wind Turbine Under Deep Grid Voltage Dip. In Recent Advances in Electrical and Information Technologies for Sustainable Development; El Hani, S., Essaaidi, M., Eds.; Springer: Cham, Switzerland, 2019; pp. 75–84. [Google Scholar] [CrossRef]
- Mossa, M.; Mohamed, Y. Novel Scheme for Improving the Performance of a Wind Driven Doubly Fed Induction Generator During Grid Fault. Wind. Eng. 2012, 36, 305–334. [Google Scholar] [CrossRef]
- Erlich, I.; Bachmann, U. Grid code requirements concerning connection and operation Of wind turbines in Germany. In Proceedings of the IEEE Power Engineering Society General Meeting, San Francisco, CA, USA, 16 June 2005; pp. 1253–1257. [Google Scholar] [CrossRef]
- Islam, R.; Hasan, J.; Shipon, R.R.; Sadi, M.A.H.; Abuhussein, A.; Roy, T.K. Neuro Fuzzy Logic Controlled Parallel Resonance Type Fault Current Limiter to Improve the Fault Ride Through Capability of DFIG Based Wind Farm. IEEE Access 2020, 8, 115314–115334. [Google Scholar] [CrossRef]
- Lima, F.K.; Luna, A.; Rodriguez, P.; Watanabe, E.H.; Blaabjerg, F. Rotor voltage dynamics in the doubly fed induction generator during grid faults. IEEE Trans. Power Electron. 2009, 25, 118–130. [Google Scholar] [CrossRef]
- Hu, S.; Lin, X.; Kang, Y.; Zou, X. An Improved Low-Voltage Ride-Through Control Strategy of Doubly Fed Induction Generator During Grid Faults. IEEE Trans. Power Electron. 2011, 26, 3653–3665. [Google Scholar] [CrossRef]
- Pannell, G.; Atkinson, D.J.; Zahawi, B. Minimum-Threshold Crowbar for a DFIG Wind Turbine. IEEE Trans. Energy Convers. 2010, 25, 750–759. [Google Scholar] [CrossRef]
- Noureldeen, O. Behavior of DFIG Wind Turbines with Crowbar Protection under Short Circuit. Int. J. Electr. Comput. Sci. 2012, 12, 32–37. [Google Scholar]
- Qiao, W.; Venayagamoorthy, G.K.; Harley, R.G. Real-Time Implementation of a STATCOM on a Wind Farm Equipped With Doubly Fed Induction Generators. IEEE Trans. Ind. Appl. 2009, 45, 98–107. [Google Scholar] [CrossRef]
- Wessels, C.; Gebhardt, F.; Fuchs, F.W. Fault Ride-Through of a DFIG Wind Turbine Using a Dynamic Voltage Restorer During Symmetrical and Asymmetrical Grid Faults. IEEE Trans. Power Electron. 2011, 26, 807–815. [Google Scholar] [CrossRef]
- Ibrahim, A.O.; Nguyen, T.H.; Lee, D.-C.; Kim, S.-C. A Fault Ride-Through Technique of DFIG Wind Turbine Systems Using Dynamic Voltage Restorers. IEEE Trans. Energy Convers. 2011, 26, 871–882. [Google Scholar] [CrossRef]
- Xiao, S.; Yang, G.; Zhou, H.; Geng, H. An LVRT Control Strategy Based on Flux Linkage Tracking for DFIG-Based WECS. IEEE Trans. Ind. Electron. 2013, 60, 2820–2832. [Google Scholar] [CrossRef]
- Soares, O.; Gonçalves, H.; Martins, A.; Carvalho, A. Nonlinear control of the doubly-fed induction generator in wind power systems. Renew. Energy 2010, 35, 1662–1670. [Google Scholar] [CrossRef]
- Loulijat, A.; Ababssi, N.; Makhad, M. DFIG use with combined strategy in case of failure of wind farm. Int. J. Electr. Comput. Eng. 2020, 10, 2221–2234. [Google Scholar] [CrossRef]
- Yao, J.; Li, H.; Liao, Y.; Chen, Z. An Improved Control Strategy of Limiting the DC-Link Voltage Fluctuation for a Doubly Fed Induction Wind Generator. IEEE Trans. Power Electron. 2008, 23, 1205–1213. [Google Scholar] [CrossRef]
- Yang, J.; Fletcher, J.E.; O’Reilly, J. A Series-Dynamic-Resistor-Based Converter Protection Scheme for Doubly-Fed Induction Generator During Various Fault Conditions. IEEE Trans. Energy Convers. 2010, 25, 422–432. [Google Scholar] [CrossRef]
- Vats, S.; Sahoo, S.S.; Tripathi, P.M.; Vikas; Chatterjee, K. Low voltage ride through enhancement of DFIG based WECS using flux control. In Proceedings of the 4th International Conference on Recent Advances in Information Technology (RAIT), Dhanbad, India, 15–17 March 2018; pp. 1–6. [Google Scholar] [CrossRef]
- Mohammadi, J.; Afsharnia, S.; Ebrahimzadeh, E.; Blaabjerg, F. An Enhanced LVRT Scheme for DFIG-based WECSs under Both Balanced and Unbalanced Grid Voltage Sags. Electr. Power Compon. Syst. 2017, 45, 1242–1252. [Google Scholar] [CrossRef]
- Rahimi, M.; Parniani, M. Low voltage ride-through capability improvement of DFIG-based wind turbines under unbalanced voltage dips. Int. J. Electr. Power Energy Syst. 2014, 60, 82–95. [Google Scholar] [CrossRef]
- Justo, J.J.; Mwasilu, F.; Jung, J.-W. Enhanced crowbarless FRT strategy for DFIG based wind turbines under three-phase voltage dip. Electr. Power Syst. Res. 2017, 142, 215–226. [Google Scholar] [CrossRef]
- Justo, J.J.; Ro, K.-S. Control strategies of doubly fed induction generator-based wind turbine system with new rotor current protection topology. J. Renew. Sustain. Energy 2012, 4, 043123. [Google Scholar] [CrossRef]
- Hossain, M.J.; Saha, T.K.; Mithulananthan, N.; Pota, H.R. Control Strategies for Augmenting LVRT Capability of DFIGs in Interconnected Power Systems. IEEE Trans. Ind. Electron. 2012, 60, 2510–2522. [Google Scholar] [CrossRef]
- Wang, M.; Hu, Y.; Zhao, W.; Wang, Y.; Chen, G. Application of modular multilevel converter in medium voltage high power permanent magnet synchronous generator wind energy conversion systems. IET Renew. Power Gener. 2016, 10, 824–833. [Google Scholar] [CrossRef]
- Tsili, M.; Papathanassiou, S. A review of grid code technical requirements for wind farms. IET Renew. Power Gener. 2009, 3, 308. [Google Scholar] [CrossRef]
- Smajo, J.; Vukadinovic, D. Electromagnetic torque analysis of a DFIG for wind turbines. WSEAS Trans. Syst. 2008, 7, 479–488. [Google Scholar]
- Chakib, M.; Nasser, T.; Essadki, A. Comparative Study of Active Disturbance Rejection Control with RST Control for Variable Wind Speed Turbine Based on Doubly Fed Induction Generator Connected to the Grid. Int. J. Intell. Eng. Syst. 2020, 13, 248–258. [Google Scholar] [CrossRef]
- Adekanle, O.; Guisser, M.; Abdelmounim, E.; Aboulfatah, M. Integral Backstepping controller combined with High Gain Observer for the optimization of grid-connected Doubly-Fed Induction Generator. In Proceedings of the International Conference on Wireless Technologies, Embedded and Intelligent Systems (WITS), Fez, Morocco, 19–20 April 2017. [Google Scholar] [CrossRef]
- Belounis, O.; LaBar, H. Fuzzy Sliding Mode Controller of DFIG for Wind Energy Conversion. Int. J. Intell. Eng. Syst. 2017, 10, 163–172. [Google Scholar] [CrossRef]
- Chojaa, H.; Derouich, A.; Chehaidia, S.E.; Zamzoum, O.; Taoussi, M.; Benbouhenni, H.; Mahfoud, S. Enhancement of Direct Power Control by Using Artificial Neural Network for a Doubly Fed Induction Generator-Based WECS: An Experimental Validation. Electronics 2022, 11, 4106. [Google Scholar] [CrossRef]
- Chojaa, H.; Derouich, A.; Zamzoum, O.; Mahfoud, S.; Taoussi, M.; Albalawi, H.; Benbouhenni, H.; Mosaad, M.I. A Novel DPC Approach for DFIG-Based Variable Speed Wind Power Systems Using DSpace. IEEE Access 2023, 11, 9493–9510. [Google Scholar] [CrossRef]
















| Parameter | Value |
|---|---|
| Rated power | Pn = 2 MW |
| Stator nominal voltage | Vsn = 690 V |
| Nominal frequency | f = 50 Hz |
| Number of pole pairs | p = 2 |
| Stator resistance | Rs = 0.023 p.u |
| Rotor resistance | Rr = 0.016 p.u |
| Stator inductance | Ls = 0.18 p.u |
| Rotor inductance | Lr = 0.18 p.u |
| Mutual inductance | M = 2.9 p.u |
| DC-link voltage | Vdc = 1.2 kV |
| Parameter | Value |
| Classic crowbar resistance | = 0.25 Ω |
| IPS crowbar resistance | = 0.18 Ω |
| Resistance of the series impedance | R = 12 Ω |
| Inductance of the series impedance | L = 30 H |
Disclaimer/Publisher’s Note: The statements, opinions and data contained in all publications are solely those of the individual author(s) and contributor(s) and not of MDPI and/or the editor(s). MDPI and/or the editor(s) disclaim responsibility for any injury to people or property resulting from any ideas, methods, instructions or products referred to in the content. |
© 2023 by the authors. Licensee MDPI, Basel, Switzerland. This article is an open access article distributed under the terms and conditions of the Creative Commons Attribution (CC BY) license (https://creativecommons.org/licenses/by/4.0/).
Share and Cite
Loulijat, A.; Chojaa, H.; El marghichi, M.; Ettalabi, N.; Hilali, A.; Mouradi, A.; Abdelaziz, A.Y.; Elbarbary, Z.M.S.; Mossa, M.A. Enhancement of LVRT Ability of DFIG Wind Turbine by an Improved Protection Scheme with a Modified Advanced Nonlinear Control Loop. Processes 2023, 11, 1417. https://doi.org/10.3390/pr11051417
Loulijat A, Chojaa H, El marghichi M, Ettalabi N, Hilali A, Mouradi A, Abdelaziz AY, Elbarbary ZMS, Mossa MA. Enhancement of LVRT Ability of DFIG Wind Turbine by an Improved Protection Scheme with a Modified Advanced Nonlinear Control Loop. Processes. 2023; 11(5):1417. https://doi.org/10.3390/pr11051417
Chicago/Turabian StyleLoulijat, Azeddine, Hamid Chojaa, Mouncef El marghichi, Naoufl Ettalabi, Abdelilah Hilali, Abderrahman Mouradi, Almoataz Y. Abdelaziz, Zakaria M. Salem Elbarbary, and Mahmoud A. Mossa. 2023. "Enhancement of LVRT Ability of DFIG Wind Turbine by an Improved Protection Scheme with a Modified Advanced Nonlinear Control Loop" Processes 11, no. 5: 1417. https://doi.org/10.3390/pr11051417
APA StyleLoulijat, A., Chojaa, H., El marghichi, M., Ettalabi, N., Hilali, A., Mouradi, A., Abdelaziz, A. Y., Elbarbary, Z. M. S., & Mossa, M. A. (2023). Enhancement of LVRT Ability of DFIG Wind Turbine by an Improved Protection Scheme with a Modified Advanced Nonlinear Control Loop. Processes, 11(5), 1417. https://doi.org/10.3390/pr11051417

