Develop a New Correlation between Thermal Radiation and Heat Source in Dual-Tube Heat Exchanger with a Twist Ratio Insert and Dimple Configurations: An Experimental Study
Abstract
:1. Introduction
- Developing new correlations for Performance Evaluation Criteria (PEC) in terms of Nusselt number (Nu), friction factor (f), Reynolds number (Re), Dimple diameter (Dd), Hole diameter (Dh) for given set of flow and geometrical parameters.
 
- Providing a dimple protrusion surface only on front face with a hole configuration placed adjacent to it over the tube length of 1500 mm.
 
2. Methodology
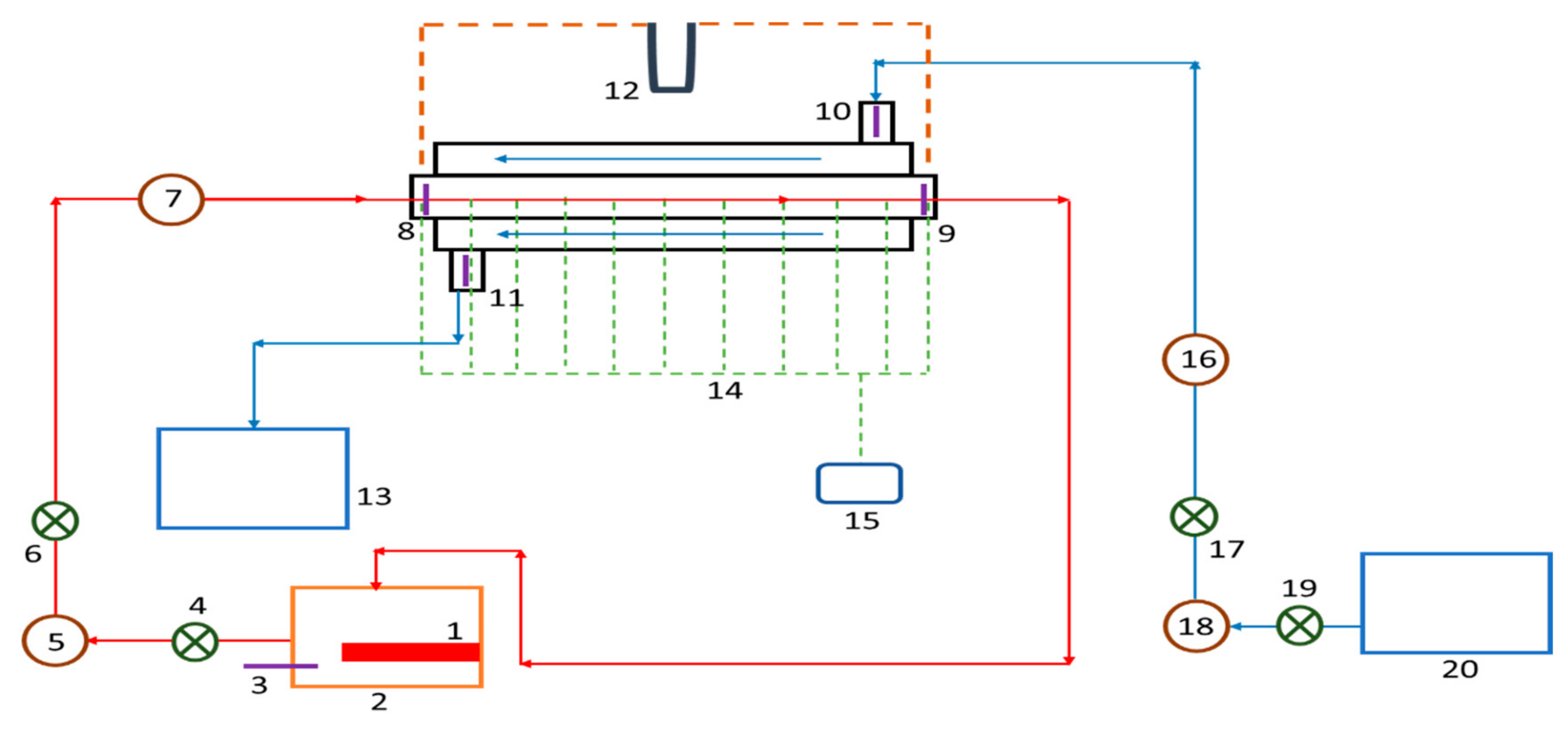
3. Experimental Set-Up
4. Data Analysis [54]
- Twisted factor is spatial measurement amidst successive points of a geometrical configuration on co-planes measured parallel to twisted tape axis (i.e., 50% of the twisted ratio) divided by Total Hydraulic (Td). ‘TR’ or ‘y’ are typical abbreviations used for it.
 
- 2.
 - Reynolds Number (Re) is the ratio of the fluid’s dynamic viscosity to compound of the tube’s (Hd), median fluid flow rate, and volume. Re is symbol used for it.
 
- 3.
 - Nusselt Number—It is a proportionality between product of convective heat transfer rate factor and tube diameter (Hd) to electrical properties.
 
- 4.
 - Friction factor is proportionality between the product of tube’s total pressure decrease and corresponding Inner Tube Diameter equals the square of the average fluid velocity in the tube multiplied by density, characteristic linear dimension, and inner tube diameter. It is shown in use by ‘f’.
 
- 5.
 - Thermal enhancement efficiency is to measure performance evaluation criteria (PEC) or Thermal figure of merit factor or Overall efficiency when pumping power is constant. It is defined as the ratio of Nu ratio [Ratio of to ] to that of cubic root of friction factors ratio [Ratio of friction factor with twisted tape insert (fT) to that of friction factor without twisted tape or plane tube (f0)] and calibrated using mathematical correlation: Thermal figure of merit factor or Overall efficiency or of performance evaluation criteria It fortifies stability of ‘Nu’ and (f) and also core emphasis will be put forth on modification of twisted tape(s) shapes.
 
5. Results and Discussions
5.1. Validation of Experimental Setup
5.1.1. Impact of Dimple Diameter (D) and Dimple Diameter to Depth Ratio (D/H) on Heat Transfer
5.1.2. Effect of Dimple Diameter and Dimple Diameter (D) to Depth Ratio (D/H) on Friction Factor
6. Conclusions
- i.
 - According to the conclusions derived from this research, twisted tape inserts with dimple configurations significantly increased the values of the Nusselt number (Nu) and Reynolds number (Re) after a certain limit of Reynolds number (Re) in the experiments evaluated;
 - ii.
 - Correlations were developed for Nusselt number and friction factor and these correlations may be helpful for further applications;
 - iii.
 - This analysis makes it possible to investigate many different aspects in double-pipe heat exchangers with twisted tape inserts, and the following areas of research are suggested for future research:
- Experimental study of ‘Nu’ and ‘f’ in DPHE using dimpled configuration twisted tape with selected Nano fluid.
 - Experimental study of heat transfer and friction factor in double pipe heat exchanger using conical dimpled configuration twisted tape.
 - Analysis of Nusselt number and friction factor(f) in DPHE using dimpled configuration twisted strip with diverse twist ratio.
 - Experimental study of ‘Nu’ and ‘f’ in DPHE using dimpled twisted tape of different length and at different locations.
 
 
Author Contributions
Funding
Institutional Review Board Statement
Informed Consent Statement
Data Availability Statement
Conflicts of Interest
Nomenclature
| Acronym | Description | Unit | 
| CP | Specific heat at constant pressure | J/kg K | 
| CV | Specific heat at constant volume | J/kg K | 
| e | Internal energy | J/kg | 
| E0 | Total energy | J/kg | 
| h | Enthalpy | J/kg | 
| k | Turbulent kinetic energy | J/kg = m2/s2 | 
| p | Static pressure | Pa | 
| R | Specific gas constant | J/kg K | 
| t | Time | S | 
| T | Static temperature | K | 
| U* | Friction velocity | m/s | 
| ui | Velocity | m/s | 
| ε | Turbulence dissipation | J/kgs | 
| Dynamic viscosity | N s/m2 | |
| V | Kinematic viscosity | M2/s | 
| ρ | Density | Kg/m3 | 
| ω | Specific dissipation | s−1 | 
| Dimensionless parameters | ||
| Parameter | Description | Description | 
| Nu | Nusselt number | hL/k | 
| Pr | Prandtl number | uCp/k | 
| Re | Reynolds number | ρV L/μ | 
| Subscript | ||
| t | Turbulent property | |
| 0 | Stagnation/total property | |
| Superscript | ||
| conv | Convective part | |
| diff | Diffusive part | |
| lam | Laminar part | 
References
- Sneha, K.N.; Mahabaleshwar, U.S.; Sharifpur, M.; Ahmadi, M.H.; Al-Bahrani, M. Entropy Analysis in MHD CNTS Flow Due to a Stretching Surface with Thermal Radiation and Heat Source/Sink. Mathematics 2022, 10, 3404. [Google Scholar] [CrossRef]
 - Sadeghi, K.; Kahani, M.; Ahmadi, M.H.; Zamen, M. CFD Modelling and Visual Analysis of Heat Transfer and Flow Pattern in a Vertical Two-Phase Closed Thermosyphon for Moderate-Temperature Application. Energies 2022, 15, 8955. [Google Scholar] [CrossRef]
 - Zandie, M.; Moghaddas, A.; Kazemi, A.; Ahmadi, M.; Feshkache, H.N.; Sharifpur, M. The impact of employing a magnetic field as well as Fe3O4 nanoparticles on the performance of phase change materials. Eng. Appl. Comput. Fluid Mech. 2022, 16, 196–214. [Google Scholar] [CrossRef]
 - Qian, X.; Lee, S.; Yang, Y. Heat Transfer Coefficient Estimation and Performance Evaluation of Shell and Tube Heat Exchanger Using Flue Gas. Processes 2021, 9, 939. [Google Scholar] [CrossRef]
 - Enayatizade, H.; Arjomand, A.; Ahmadi, M.H. Design and multi-scenario optimization of a hybrid power system based on a working gas turbine: Energy, Exergy, Exergoeconomic and Environmental evaluation. Energy Rep. 2022, 8, 12916–12943. [Google Scholar] [CrossRef]
 - Omidi, M.; Farhadi, M.; Jafari, M. A comprehensive review on double pipe heat exchangers. Appl. Therm. Eng. 2017, 110, 1075–1090. [Google Scholar] [CrossRef]
 - Zhang, X.; Liu, Z.; Liu, W. Numerical studies on heat transfer and flow characteristics for laminar flow in a tube with multiple regularly spaced twisted tapes. Int. J. Therm. Sci. 2012, 58, 157–167. [Google Scholar] [CrossRef]
 - Zhang, Z.; Yang, W.; Guan, C.; Ding, Y.; Li, F.; Yan, H. Heat transfer and friction characteristics of turbulent flow through plain tube inserted with rotor-assembled strands. Exp. Therm. Fluid Sci. 2012, 38, 33–39. [Google Scholar] [CrossRef]
 - Saha, S.; Saha, S.K. Enhancement of heat transfer of laminar flow of viscous oil through a circular tube having integral helical rib roughness and fitted with helical screw-tapes. Exp. Therm. Fluid Sci. 2013, 47, 81–89. [Google Scholar] [CrossRef]
 - Zhang, C.; Wang, D.; Ren, K.; Han, Y.; Zhu, Y.; Peng, X.; Deng, J.; Zhang, X. A comparative review of self-rotating and stationary twisted tape inserts in heat exchanger. Renew. Sust. Energ. Rev. 2016, 53, 433–449. [Google Scholar] [CrossRef]
 - Rostami, S.; Ahmadi, N.; Khorasani, S. Experimental investigations of thermo-exergitic behavior of a four-start helically corrugated heat exchanger with air/water two-phase flow. Int. J. Therm. Sci. 2019, 145, 106030. [Google Scholar] [CrossRef]
 - Zapata, B.L.; Escobar, R.; Medina, M.A.; Zaragoza, C.M.A. State Variables Estimation for a Counter-Flow Double-Pipe Heat Exchanger Using Multi-linear Model. In Proceedings of the IEEE Electronics, Robotics and Automotive Mechanics Conference, Cuernavaca, Brazil, 22–25 September 2009; pp. 22–25. [Google Scholar]
 - Qian, X.; Yang, Y.; Lee, S.W. Design and Evaluation of the Lab-Scale Shell and Tube Heat Exchanger (STHE) for Poultry Litter to Energy Production. Processes 2020, 8, 500. [Google Scholar] [CrossRef]
 - Abdelghani-Idrissi, M.; Bagui, F.; Estel, L. Analytical and experimental response time to flow rate step along a counter flow double pipe heat exchanger. Int. J. Heat Mass Transf. 2001, 44, 3721–3730. [Google Scholar] [CrossRef]
 - Yang, L.; Du, K. A comprehensive review on heat transfer characteristics of TiO2 nanofluids. Int. J. Heat Mass Transf. 2017, 108, 11–31. [Google Scholar] [CrossRef]
 - Sundar, L.S.; Otero-Irurueta, G.; Singh, M.K.; Sousa, A.C. Heat transfer and friction factor of multi-walled carbon nanotubes—Fe3O4 nanocomposite nanofluids flow in a tube with/without longitudinal strip inserts. Int. J. Heat Mass Transf. 2016, 100, 691–703. [Google Scholar] [CrossRef]
 - Theresa, O.F.O.E.G.B.U. Gender and Acquisition of Agricultural Science Skills in Secondary Schools: Video Taped Instructional Approach. Int. J. Res. Humanit. Arts Lit. 2015, 3, 2321–8878. [Google Scholar]
 - Sheikholeslami, M.; Gorji-Bandpy, M.; Ganji, D.D. Fluid flow and heat transfer in an air-to-water double-pipe heat exchanger. Eur. Phys. J. Plus 2015, 130, 225. [Google Scholar] [CrossRef]
 - Dezfoli, A.R.A.; Mehrabian, M.A. The Overall Heat Transfer Characteristics of a Double-Pipe Heat Exchanger. Heat Transf. Res. 2009, 40, 555–570. [Google Scholar] [CrossRef]
 - Iqbal, Z.; Syed, K.; Ishaq, M. Fin design for conjugate heat transfer optimization in double pipe. Int. J. Therm. Sci. 2015, 94, 242–258. [Google Scholar] [CrossRef]
 - Wongcharee, K.; Eiamsa-Ard, S. Heat transfer enhancement by twisted tapes with alternate-axes and triangular, rectangular and trapezoidal wings. Chem. Eng. Process. Process Intensif. 2011, 50, 211–219. [Google Scholar] [CrossRef]
 - Iqbal, Z.; Syed, K.; Ishaq, M. Optimal fin shape in finned double pipe with fully developed laminar flow. Appl. Therm. Eng. 2013, 51, 1202–1223. [Google Scholar] [CrossRef]
 - Ebrahimi, A.; Ghorbani, B.; Delpisheh, M.; Ahmadi, M.H. A comprehensive evaluation of a novel integrated system consisting of hydrogen boil-off gas reliquifying process and polymer exchange membrane fuel cell using exergoeconomic and Markov analyses. Energy Rep. 2022, 8, 1283–1297. [Google Scholar] [CrossRef]
 - Ghodbane, M.; Said, Z.; Ketfi, O.; Boumeddane, B.; Hoang, A.T.; Sheikholeslami, M.; Assad, M.E.H.; Ahmadi, M.H.; Nguyen, V.N.; Tran, V.D.; et al. Thermal performance assessment of an ejector air-conditioning system with parabolic trough collector using R718 as a refrigerant: A case study in Algerian desert region. Sustain. Energy Technol. Assess. 2022, 53, 102513. [Google Scholar] [CrossRef]
 - Sharifpur, M.; Ahmadi, M.H.; Rungamornrat, J.; Mohsen, F.M. Thermal Management of Solar Photovoltaic Cell by Using Single Walled Carbon Nanotube (SWCNT)/Water: Numerical Simulation and Sensitivity Analysis. Sustainability 2022, 14, 11523. [Google Scholar] [CrossRef]
 - Sabbagh, O.; Fanaei, M.A.; Arjomand, A.; Ahmadi, M.H. Plantwide control and dynamic assessment of a novel NGL/LNG integrated scheme. Sustain. Energy Technol. Assess. 2022, 52, 102226. [Google Scholar] [CrossRef]
 - Dhivagar, R.; Shoeibi, S.; Kargarsharifabad, H.; Ahmadi, M.H.; Sharifpur, M. Performance enhancement of a solar still using magnetic powder as an energy storage medium-exergy and environmental analysis. Energy Sci. Eng. 2022, 10, 3154–3166. [Google Scholar] [CrossRef]
 - Memari, M.; Boumari, E.; Shoghi, A.; Maddah, H.; Ahmadi, M.H.; Sharifpur, M. Numerical investigation of heat transfer in a tube equipped with twisted tape with different angles and under constant heat flux with copper nanofluid and evaluation of the results obtained using perceptron artificial neural networks. Numer. Heat Transf. Part A Appl. 2022, 82, 169–192. [Google Scholar] [CrossRef]
 - Salek, F.; Babaie, M.; Naserian, M.M.; Ahmadi, M.H. Power enhancement of a turbo-charged industrial diesel engine by using of a waste heat recovery system based on inverted Brayton and organic Rankine cycles. Fuel 2022, 322, 124036. [Google Scholar] [CrossRef]
 - Ming, T.; Liao, X.; Shi, T.; Yin, K.; Wang, Z.; Ahmadi, M.H.; Wu, Y. The thermal analysis of the heat dissipation system of the charging module integrated with ultra-thin heat pipes. Energy Built Environ. 2022. [Google Scholar] [CrossRef]
 - Menni, Y.; Ghazvini, M.; Ameur, H.; Kim, M.; Ahmadi, M.H.; Sharifpur, M. Combination of baffling technique and high-thermal conductivity fluids to enhance the overall performances of solar channels. Eng. Comput. 2020, 38, 607–628. [Google Scholar] [CrossRef]
 - Abdoos, B.; Ghazvini, M.; Pourfayaz, F.; Ahmadi, M.H.; Nouralishahi, A. A comprehensive review of nano-phase change materials with a focus on the effects of influential factors. Environ. Prog. Sustain. Energy 2022, 41, e13808. [Google Scholar] [CrossRef]
 - Nikzad, M.; Zamen, M.; Ahmadi, M.H. Theoretical and experimental investigation of a photovoltaic/thermal panel partially equipped with thermoelectric generator under unstable operating conditions. Int. J. Energy Res. 2022, 46, 6790–6805. [Google Scholar] [CrossRef]
 - Mahdavi, M.; Sharifpur, M.; Aybar, H.S.; Ahmadi, M.H.; Chamkha, A.J.; Alotaibi, M.F.; Meyer, J.P. Thermal boundary condition analysis of cooling objects exposed to a free impinging jet using the heatline concept. Eng. Appl. Comput. Fluid Mech. 2021, 15, 1919–1931. [Google Scholar] [CrossRef]
 - Rafiei, A.; Loni, R.; Mahadzir, S.B.; Najafi, G.; Sadeghzadeh, M.; Mazlan, M.; Ahmadi, M.H. Hybrid solar desalination system for generation electricity and freshwater with nanofluid application: Energy, exergy, and environmental aspects. Sustain. Energy Technol. Assess. 2022, 50, 101716. [Google Scholar] [CrossRef]
 - Alayi, R.; Mohkam, M.; Seyednouri, S.R.; Ahmadi, M.H.; Sharifpur, M. Energy/Economic Analysis and Optimization of On-Grid Photovoltaic System Using CPSO Algorithm. Sustainability 2021, 13, 12420. [Google Scholar] [CrossRef]
 - Kalantar, S.V.; Saifoddin, A.A.; Hajinezhad, A.; Ahmadi, M.H. A Solution to Prevent a Blackout Crisis: Determining the Behavioral Potential and Capacity of Solar Power. Int. J. Photoenergy 2021, 2021, 2092842. [Google Scholar] [CrossRef]
 - Ghorbani, B.; Rahnavard, Z.; Ahmadi, M.H.; Jouybari, A.K. An innovative hybrid structure of solar PV-driven air separation unit, molten carbonate fuel cell, and absorption–compression refrigeration system (Process development and exergy analysis). Energy Rep. 2021, 7, 8960–8972. [Google Scholar] [CrossRef]
 - Jalili, M.; Ghasempour, R.; Ahmadi, M.H.; Chitsaz, A.; Holagh, S.G. An integrated CCHP system based on biomass and natural gas co-firing: Exergetic and thermo-economic assessments in the framework of energy nexus. Energy Nexus 2021, 5, 100016. [Google Scholar] [CrossRef]
 - Sadeghzadeh, M.; Ghorbani, B.; Ahmadi, M.H.; Sharma, S. A solar-driven plant to produce power, cooling, freshwater, and hot water for an industrial complex. Energy Rep. 2021, 7, 5344–5358. [Google Scholar] [CrossRef]
 - Singh, G.; Sharma, S.; Singh, J.; Kumar, S.; Singh, Y.; Ahmadi, M.H.; Issakhov, A. Optimization of performance, combustion and emission characteristics of acetylene aspirated diesel engine with oxygenated fuels: An Experimental approach. Energy Rep. 2021, 7, 1857–1874. [Google Scholar] [CrossRef]
 - Akpinar, E.K. Evaluation of heat transfer and exergy loss in a concentric double pipe exchanger equipped with helical wires. Energy Convers. Manag. 2006, 47, 3473–3486. [Google Scholar] [CrossRef]
 - Mozley, J.M. Predicting Dynamics of Concentric Pipe Heat Exchangers. Ind. Eng. Chem. 1956, 48, 1035–1041. [Google Scholar] [CrossRef]
 - Cohen, W.C.; Johnson, E.F. Dynamic Characteristics of Double-Pipe Heat Exchangers. Ind. Eng. Chem. 1956, 48, 1031–1034. [Google Scholar] [CrossRef]
 - Song, S.; Liao, Q.; Shen, W. Laminar heat transfer and friction characteristics of microencapsulated phase change material slurry in a circular tube with twisted tape inserts. Appl. Therm. Eng. 2013, 50, 791–798. [Google Scholar] [CrossRef]
 - Lachi, M.; El Wakil, N.; Padet, J. The time constant of double pipe and one pass shell-and-tube heat exchangers in the case of varying fluid flow rates. Int. J. Heat Mass Transf. 1997, 40, 2067–2079. [Google Scholar] [CrossRef]
 - Yadav, A.S. Effect of half-length twisted-tape turbulators on heat transfer and pressure drop characteristics inside a double pipe u-bend heat exchanger. JJMIE 2009, 3, 17–22. [Google Scholar]
 - Aicher, T.; Kim, W. Experimental investigation of the influence of the cross flow in the nozzle region on the shell-side heat transfer in double-pipe heat exchangers. Int. Commun. Heat Mass Transf. 1998, 25, 43–58. [Google Scholar] [CrossRef]
 - Iqbal, Z.; Syed, K.; Ishaq, M. Optimal convective heat transfer in double pipe with parabolic fins. Int. J. Heat Mass Transf. 2011, 54, 5415–5426. [Google Scholar] [CrossRef]
 - Maré, T.; Galanis, N.; Voicu, I.; Miriel, J.; Sow, O. Experimental and numerical study of mixed convection with flow reversal in coaxial double-duct heat exchangers. Exp. Therm. Fluid Sci. 2008, 32, 1096–1104. [Google Scholar] [CrossRef]
 - Han, H.-Z.; Li, B.-X.; Wu, H.; Shao, W. Multi-objective shape optimization of double pipe heat exchanger with inner corrugated tube using RSM method. Int. J. Therm. Sci. 2015, 90, 173–186. [Google Scholar] [CrossRef]
 - Ma, T.; Chu, W.-X.; Xu, X.-Y.; Chen, Y.-T.; Wang, Q.-W. An experimental study on heat transfer between supercritical carbon dioxide and water near the pseudo-critical temperature in a double pipe heat exchanger. Int. J. Heat Mass Transf. 2016, 93, 379–387. [Google Scholar] [CrossRef]
 - Tala, J.V.S.; Russeil, S.; Bougeard, D.; Harion, J.-L. Investigation of the flow characteristics in a multi row finned-tube heat exchanger model by means of PIV measurements. Exp. Therm. Fluid Sci. 2013, 50, 45–53. [Google Scholar] [CrossRef]
 - Singh, S.K.; Kumar, A. Experimental study of heat transfer and friction factor in a double pipe heat exchanger using twisted tape with dimple inserts. Energy Sources Part A Recover. Util. Environ. Eff. 2021, 1–30. [Google Scholar] [CrossRef]
 












Disclaimer/Publisher’s Note: The statements, opinions and data contained in all publications are solely those of the individual author(s) and contributor(s) and not of MDPI and/or the editor(s). MDPI and/or the editor(s) disclaim responsibility for any injury to people or property resulting from any ideas, methods, instructions or products referred to in the content.  | 
© 2023 by the authors. Licensee MDPI, Basel, Switzerland. This article is an open access article distributed under the terms and conditions of the Creative Commons Attribution (CC BY) license (https://creativecommons.org/licenses/by/4.0/).
Share and Cite
Heeraman, J.; Kumar, R.; Chaurasiya, P.K.; Gupta, N.K.; Dobrotă, D. Develop a New Correlation between Thermal Radiation and Heat Source in Dual-Tube Heat Exchanger with a Twist Ratio Insert and Dimple Configurations: An Experimental Study. Processes 2023, 11, 860. https://doi.org/10.3390/pr11030860
Heeraman J, Kumar R, Chaurasiya PK, Gupta NK, Dobrotă D. Develop a New Correlation between Thermal Radiation and Heat Source in Dual-Tube Heat Exchanger with a Twist Ratio Insert and Dimple Configurations: An Experimental Study. Processes. 2023; 11(3):860. https://doi.org/10.3390/pr11030860
Chicago/Turabian StyleHeeraman, Jatoth, Ravinder Kumar, Prem Kumar Chaurasiya, Naveen Kumar Gupta, and Dan Dobrotă. 2023. "Develop a New Correlation between Thermal Radiation and Heat Source in Dual-Tube Heat Exchanger with a Twist Ratio Insert and Dimple Configurations: An Experimental Study" Processes 11, no. 3: 860. https://doi.org/10.3390/pr11030860
APA StyleHeeraman, J., Kumar, R., Chaurasiya, P. K., Gupta, N. K., & Dobrotă, D. (2023). Develop a New Correlation between Thermal Radiation and Heat Source in Dual-Tube Heat Exchanger with a Twist Ratio Insert and Dimple Configurations: An Experimental Study. Processes, 11(3), 860. https://doi.org/10.3390/pr11030860
        
