Optimum Design of Naphtha Recycle Isomerization Unit with Modification by Adding De-Isopentanizer
Abstract
:1. Introduction
2. Methodology
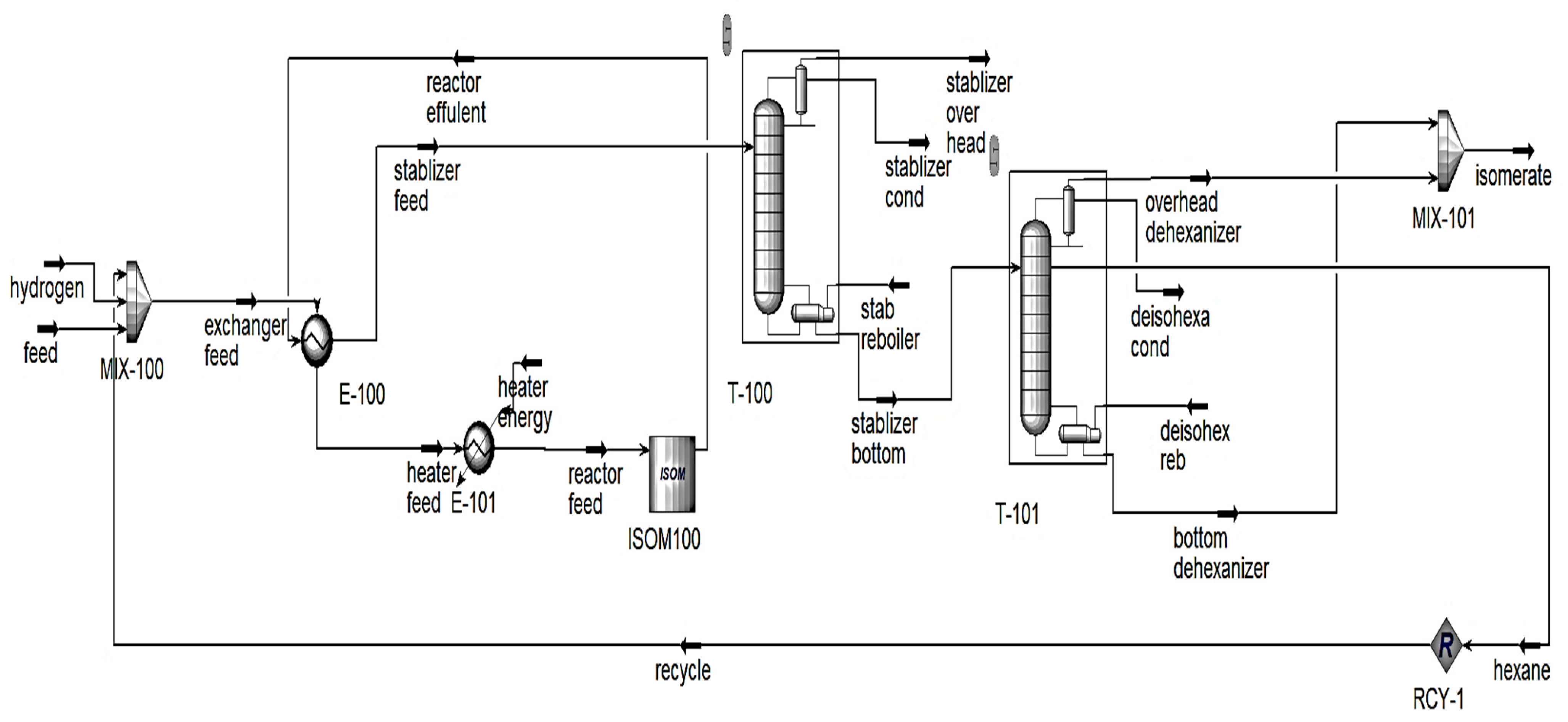
- Hydrogen once through the isomerization unit with de-hexanizer (DH) after the reactor section in the Base Case (BC) is simulated with Aspen HYSYS V12.1., and then the model is validated.
- Three alternative modifications to the existing case study have been applied and the effect of each modification on the naphtha octane number is monitored; the proposed modifications are as follows:
- Removing de-hexanizer from the isomerization unit [Proposed Case 1 (PC1)].
- Replacing the existing de-hexanizer tower with de-iso-pentanizer ahead of the reactor section [Proposed Case 2 (PC2)].
- Installing de-iso-pentanizer and de-hexanizer at the same time [Proposed Case 3 (PC3)].
- The configuration, which gives the highest octane number and ROI, is chosen as the best modification.
- The best process modification is optimized using the original multi-variable optimizer in Aspen HYSYS V. 12.1 and the optimum conditions for the highest octane number and lower cost are determined.
2.1. Process Description
2.1.1. Base Case
2.1.2. Proposed Case 1
2.1.3. Proposed Case 2
2.1.4. Proposed Case 3
2.1.5. Feed Properties and Its Requirement
2.1.6. Catalyst
2.2. Simulation
2.2.1. Simulation of Base Case
2.2.2. Simulation of Proposed Case 1
2.2.3. Simulation of Second Proposed Case
2.2.4. Simulation of Third Proposed Case
2.2.5. Validation of Base Case Simulation Result
2.2.6. Simulation Results Discussion
0.00098 (olfsum2 − olf2sum) − 0.00074(Aromsum2 − Arom2sum)
10−7(Aromsum2 − Arom2sum)2)
2.3. Economic Study of the Different Investigated Isomerization Processes
2.3.1. Capital Investment
Capital Costs Calculations
2.3.2. Operating Costs
2.3.3. Profit, ROI, and Payback Period for Different Isomerization Scenarios
2.4. Process Optimization
2.4.1. Design Variables
2.4.2. Energy Analysis
3. Conclusions
Author Contributions
Funding
Data Availability Statement
Conflicts of Interest
References
- Hasini, A. Pediaa. Available online: https://pediaa.com/HasiniA/what-is-the-difference-between-isomerization-and-reforming/ (accessed on 20 July 2023).
- Oyekan, S. Catalytic Naphtha Reforming Process; Taylor & Francis Group, LLC: Boca Raton, FL, USA, 2019. [Google Scholar]
- Valavarasu, G.; Sairam, B. Light Naphtha Isomerization Process: A Review. Pet. Sci. Technol. 2013, 31, 580–595. [Google Scholar] [CrossRef]
- Petrov, I.; Stratiev, D.; Shishkova, I.; Yordanov, D. A hybrid reformer performance analysis reveals the reason for reformate octane deterioration. Oil Gas Eur. Mag. 2021, 47, 14–20. [Google Scholar]
- Tamizhdurai, P.; Ramesh, A.; Krishnan, P.; Narayanan, S.; Shanthi, K.; Sivasanker, S. Effect of acidity and porosity changes of dealuminated mordenite on n-pentane, n-hexane and light naphtha isomerization. Microporous Mesoporous Mater. 2019, 287, 192–202. [Google Scholar] [CrossRef]
- Shakor, Z.M.; Ramos, M.J.; AbdulRazak, A.A. A detailed reaction kinetic model of light naphtha isomerization on Pt/zeolite catalyst. J. King Saud Univ.-Eng. Sci. 2022, 34, 303–308. [Google Scholar] [CrossRef]
- Hamied, R.S.; Shakor, Z.M.; Sadeiq, A.H.; Razak, A.A.A.; Khadim, A.T. Kinetic Modeling of Light Naphtha Hydroisomerization in an Industrial Universal Oil Products Penex™ Unit. Energy Eng. 2023, 120, 1371–1386. [Google Scholar] [CrossRef]
- Naqvi, S.R.; Bibi, A.; Naqvi, M.; Noor, T.; Nizami, A.S.; Rehan, M.; Ayoub, M. New trends in improving gasoline quality and octane through naphtha isomerization: A short review. Appl. Petrochem. Res. 2018, 8, 131–139. [Google Scholar] [CrossRef]
- Chekantsev, N.V.; Gyngazova, M.S. Mathematical modeling of light naphtha (C5, C6) isomerization process. J. Chem. Eng. 2014, 238, 120–128. [Google Scholar] [CrossRef]
- Hamadi, A.S.; Kadhim, R.A. Material Balance and Reaction Kinetics Modeling for Penex Isomerization Process in Daura Refinery. MATEC Web Conf. 2017, 111, 02012. [Google Scholar] [CrossRef]
- Shahata, W.M.; Mohamed, M.F.; Gad, F.K. Monitoring and modelling of variables affecting isomerate octane number produced from an industrial isomerization process. J. Pet. 2018, 27, 945–953. [Google Scholar] [CrossRef]
- Chuzlov, V.A.; Chekantsev, N.V.; Ivanchina, E.D. Development of Complex Mathematical Model of Light Naphtha Isomerization and Rectification Processes. Procedia Chem. 2014, 10, 236–243. [Google Scholar] [CrossRef]
- Jarullah, A.T.; Abed, F.M.; Ahmed, A.M.; Mujtaba, I.M. Optimization of Several Industrial and Recently Developed AJAM Naphtha Isomerization Processes Using Model Based Techniques. Computers 2019, 126, 403–420. [Google Scholar]
- Viswanadham, N.; Saxena, S.K.; Garg, M. Octane number enhancement studies of naphtha over noble metal loaded zeolite catalysts. J. Ind. Eng. Chem. 2013, 19, 950–955. [Google Scholar] [CrossRef]
- Lebedev, Y.N.; Ratovskii, Y.Y.; Karmanov, E.V.; Zaitseva, T.M.; Pod’yablonskaya, T.V. Revamping of isomerization units. Chem. Technol. Fuels Oils 2010, 46, 244–247. [Google Scholar] [CrossRef]
- Zafar, S. Academia. Penex Process. Available online: https://www.academia.edu/9687674/Penex_Process (accessed on 13 November 2023).
- Abd Hamid, M. HYSYS: An Introduction to Chemical Engineering Simulation for UTM Degree++ Program; Universiti Teknologi Malaysia: Skudai, Malaysia, 2007. [Google Scholar]
- Chuzlov, V.A.; Molotov, K.V. Semantic Scholor. Available online: https://www.semanticscholar.org/paper/Analysis-of-Optimal-Process-Flow-Diagrams-of-Light-Chuzlov-Molotov/c19bc5029bd217c5cd3c12e44df7d16d5b1aaca6/ (accessed on 6 December 2023).
- Hassan, E. Hassanelbanhawi. Available online: http://hassanelbanhawi.com/processes/isomerization-process/ (accessed on 13 November 2023).
- Sluzer Technology. Available online: https://www.eia.gov/dnav/pet/PET_PRI_GND_DCUS_NUS_M.htm (accessed on 13 November 2023).
- Surinder, P. Refining Processes Handbook, 1st ed.; Gulf Professional Publishing, Ed.; Elsevier: Houston, TX, USA, 2003. [Google Scholar]
- Meyer, R.A. Handbook of Petroleum Refining Processes, 3rd ed.; McGraw-Hill Education LLC: New York, NY, USA, 2004. [Google Scholar]
- General Operating Manual of Isomerization Unit of an Egyptian Petroleum Refinery Plant, UOP Manuals. 1997. Available online: https://pdfcoffee.com/nht-isom-pdf-free.html (accessed on 20 August 2023).
- AspenTech. Aspen HYSYS Petroleum Refining Unit Operations & Reactor Models; Aspen Technology: Bedford, MA, USA, 2016. [Google Scholar]
- Peters, M.S. Plant Design and Economics for Chemical Engineers, 5th ed.; McGraw Hill Education LLC: New York, NY, USA, 2003. [Google Scholar]
- Gary, J.H.; Handwerk, G.E.; Kaiser, M.J. Petroleum Refining: Technology and Economics, 5th ed.; CRC Press: Boca Raton, FL, USA, 2007. [Google Scholar]
- Plant Cost Index, Chemical Engineering. Available online: https://personalpages.manchester.ac.uk/staff/tom.rodgers/Interactive_graphs/CEPCI.html?reactors/CEPCI/index.html (accessed on 15 August 2023).
- US Energy Information Administration. Retail Motor Gasoline and On-Highway Diesel Fuel Prices, Monthly Energy Review. 2022. Available online: https://www.eia.gov/petroleum/gasdiesel/ (accessed on 20 August 2023).









| Properties | Naphtha Feed | Hydrogen |
|---|---|---|
| Vapor fraction | 0.0 | 1.0 |
| Temperature, °C | 72.0 | 38.0 |
| Pressure, barg | 10.3 | 44.6 |
| Molar flowrate, kgmole/h | 582.0 | 241.0 |
| Mass flowrate, kg/h | 47,807.5 | 1246.5 |
| Liquid volume flowrate, m3/h | 70.7 | 7.9 |
| Component, Mole Fraction | Naphtha Feed | Hydrogen |
|---|---|---|
| H2 | 0.0000 | 0.9014 |
| Methane | 0.0000 | 0.0318 |
| Ethane | 0.0000 | 0.0282 |
| Propane | 0.0000 | 0.0233 |
| I-butane | 0.0000 | 0.0055 |
| n-butane | 0.0011 | 0.0000 |
| I-pentane | 0.1169 | 0.0013 |
| n-pentane | 0.133 | 0.0063 |
| Cyclopentane | 0.0195 | 0.0000 |
| 2,2-Dimethyl butane | 0.0049 | 0.0001 |
| 2,3-Dimethyl butane | 0.0166 | 0.0002 |
| 2-Methyl pentane | 0.104 | 0.0004 |
| 3-Methyl pentane | 0.0937 | 0.0001 |
| Hexane | 0.3072 | 0.0001 |
| Cyclohexane | 0.0869 | 0.0000 |
| Benzene | 0.0318 | 0.0000 |
| Cycloheptane | 0.0584 | 0.0000 |
| n-heptane | 0.0260 | 0.0000 |
| H2O | 0.0000 | 0.0012 |
| Item | Reactor Effluent | Stabilizer Feed | Reactor Feed | Stabilizer over Head | Stabilizer Bottom | Overhead of De-Humanizer | Bottom of De-Hexanizer | Hexane | Isomerate |
|---|---|---|---|---|---|---|---|---|---|
| Temperature, °C | 179.89 | 138.00 | 145.00 | 36.00 | 177.26 | 72.78 | 124.28 | 105.88 | 80.33 |
| Pressure, barg | 32.99 | 15.38 | 33.00 | 13.93 | 15.10 | 1.03 | 2.00 | 1.89 | 1.03 |
| Molar flowrate, kmole/h | 977.48 | 977.48 | 1063.32 | 176.05 | 801.43 | 467.70 | 92.39 | 241.33 | 560.1 |
| Mass flowrate, kg/h | 69,793 | 69,793 | 69,746 | 2928 | 66,865 | 37,863 | 8304 | 20,698 | 46,167 |
| H2 | 0.122 | 0.122 | 0.204 | 0.678 | 0.000 | 0.000 | 0.000 | 0.000 | 0.000 |
| Methane | 0.009 | 0.009 | 0.007 | 0.048 | 0.000 | 0.000 | 0.000 | 0.000 | 0.000 |
| Ethane | 0.008 | 0.008 | 0.006 | 0.044 | 0.000 | 0.000 | 0.000 | 0.000 | 0.000 |
| Propane | 0.014 | 0.014 | 0.005 | 0.078 | 0.000 | 0.000 | 0.000 | 0.000 | 0.000 |
| i-butane | 0.010 | 0.010 | 0.001 | 0.056 | 0.000 | 0.000 | 0.000 | 0.000 | 0.000 |
| n-butane | 0.006 | 0.006 | 0.001 | 0.033 | 0.000 | 0.000 | 0.000 | 0.000 | 0.000 |
| i-pentane | 0.127 | 0.127 | 0.064 | 0.062 | 0.141 | 0.242 | 0.000 | 0.000 | 0.202 |
| n-pentane | 0.050 | 0.050 | 0.074 | 0.002 | 0.060 | 0.103 | 0.000 | 0.000 | 0.086 |
| Cyclopentane | 0.012 | 0.012 | 0.011 | 0.000 | 0.014 | 0.024 | 0.000 | 0.000 | 0.020 |
| 2,2-DMC4 | 0.115 | 0.115 | 0.003 | 0.000 | 0.140 | 0.239 | 0.000 | 0.000 | 0.200 |
| 2,3-DMC4 | 0.039 | 0.039 | 0.011 | 0.000 | 0.048 | 0.077 | 0.000 | 0.009 | 0.064 |
| 2-MC5 | 0.150 | 0.150 | 0.081 | 0.000 | 0.183 | 0.258 | 0.003 | 0.105 | 0.216 |
| 3-MC5 | 0.096 | 0.096 | 0.113 | 0.000 | 0.118 | 0.057 | 0.019 | 0.273 | 0.050 |
| n-hexane | 0.062 | 0.062 | 0.220 | 0.000 | 0.076 | 0.000 | 0.065 | 0.228 | 0.011 |
| Cyclohexane | 0.086 | 0.086 | 0.109 | 0.000 | 0.105 | 0.000 | 0.201 | 0.272 | 0.033 |
| Benzene | 0.000 | 0.000 | 0.017 | 0.000 | 0.000 | 0.000 | 0.000 | 0.000 | 0.000 |
| Cycloheptane | 0.053 | 0.053 | 0.052 | 0.000 | 0.065 | 0.000 | 0.335 | 0.087 | 0.055 |
| 2,3-DMC5 | 0.000 | 0.000 | 0.000 | 0.000 | 0.000 | 0.000 | 0.000 | 0.000 | 0.000 |
| n-heptane | 0.014 | 0.014 | 0.016 | 0.000 | 0.017 | 0.000 | 0.128 | 0.009 | 0.021 |
| H2O | 0.000 | 0.000 | 0.000 | 0.000 | 0.000 | 0.000 | 0.000 | 0.000 | 0.000 |
| Properties | Feed | Hydrogen | Exchanger Feed | Heat Feed | Reactor Effluent | Stabilizer Feed | Reactor Feed | Stabilizer over Head | Stabilizer Bottom |
|---|---|---|---|---|---|---|---|---|---|
| Pressure, barg | 10.3 | 44.6 | 10.3 | 33.9 | 33.1 | 15.4 | 33.9 | 13.9 | 15.1 |
| Temperature, °C | 72.0 | 38.0 | |||||||
| Molar flowrate, kmole/h | 582.0 | 241.0 | 823.0 | 823.0 | 757.2 | 757.2 | 823.0 | 196.3 | 560.9 |
| Mass flowrate, kg/h | 47,808 | 1,247 | 49,054 | 49,054 | 49,193 | 49,193 | 49,054 | 2,907 | 46,286 |
| H2 | 0.000 | 0.901 | 0.264 | 0.264 | 0.189 | 0.189 | 0.264 | 0.728 | 0.000 |
| methane | 0.000 | 0.032 | 0.009 | 0.009 | 0.011 | 0.011 | 0.009 | 0.042 | 0.000 |
| Ethane | 0.000 | 0.028 | 0.008 | 0.008 | 0.010 | 0.010 | 0.008 | 0.038 | 0.000 |
| Propane | 0.000 | 0.023 | 0.007 | 0.007 | 0.015 | 0.015 | 0.007 | 0.056 | 0.000 |
| I-butane | 0.000 | 0.006 | 0.002 | 0.002 | 0.009 | 0.009 | 0.002 | 0.033 | 0.000 |
| n-butane | 0.001 | 0.000 | 0.001 | 0.001 | 0.005 | 0.005 | 0.001 | 0.019 | 0.000 |
| I-pentane | 0.117 | 0.001 | 0.083 | 0.083 | 0.153 | 0.153 | 0.083 | 0.081 | 0.178 |
| n-pentane | 0.133 | 0.006 | 0.096 | 0.096 | 0.056 | 0.056 | 0.096 | 0.002 | 0.075 |
| Cyclopentane | 0.020 | 0.000 | 0.014 | 0.014 | 0.015 | 0.015 | 0.014 | 0.000 | 0.020 |
| 2,2-DMC4 | 0.005 | 0.000 | 0.004 | 0.004 | 0.107 | 0.107 | 0.004 | 0.000 | 0.145 |
| 2,3-DMC4 | 0.017 | 0.000 | 0.012 | 0.012 | 0.035 | 0.035 | 0.012 | 0.000 | 0.047 |
| 2-MC5 | 0.104 | 0.000 | 0.074 | 0.074 | 0.129 | 0.129 | 0.074 | 0.000 | 0.174 |
| 3-MC5 | 0.094 | 0.000 | 0.066 | 0.066 | 0.082 | 0.082 | 0.066 | 0.000 | 0.110 |
| n-pentane | 0.307 | 0.000 | 0.217 | 0.217 | 0.051 | 0.051 | 0.217 | 0.000 | 0.069 |
| cyclohexane | 0.087 | 0.000 | 0.062 | 0.062 | 0.063 | 0.063 | 0.062 | 0.000 | 0.085 |
| benzene | 0.032 | 0.000 | 0.023 | 0.023 | 0.000 | 0.000 | 0.023 | 0.000 | 0.000 |
| cycloheptane | 0.058 | 0.000 | 0.041 | 0.041 | 0.044 | 0.044 | 0.041 | 0.000 | 0.060 |
| n-heptane | 0.026 | 0.000 | 0.018 | 0.018 | 0.015 | 0.015 | 0.018 | 0.000 | 0.021 |
| H2O | 0.000 | 0.001 | 0.000 | 0.000 | 0.000 | 0.000 | 0.000 | 0.000 | 0.000 |
| Properties | Heater Feed | Reactor Effluent | Stabilizer Feed | Reactor Feed | Stabilizer over Head | Stabilizr Bottom | Isomerate | Deiso-Pentanizr Bottom | I-Pentane |
|---|---|---|---|---|---|---|---|---|---|
| Temperature, °C | 124.04 | 172.83 | 127.00 | 133.00 | 37.00 | 173.00 | 80.45 | 82.99 | 49.40 |
| Pressure, barg | 33.85 | 33.85 | 15.38 | 33.85 | 13.93 | 15.10 | 1.00 | 1.00 | 1.00 |
| Molar flowrate, kmole/h | 764.07 | 696.19 | 696.19 | 764.07 | 180.49 | 515.70 | 574.63 | 523.07 | 58.93 |
| Mass flowrate, kg/h | 44,811 | 44,961 | 44,961 | 44,811 | 2215 | 42,746 | 46,989 | 43,565 | 4243 |
| H2 | 0.284 | 0.202 | 0.202 | 0.284 | 0.780 | 0.000 | 0.000 | 0.000 | 0.000 |
| methane | 0.010 | 0.012 | 0.012 | 0.010 | 0.045 | 0.000 | 0.000 | 0.000 | 0.000 |
| ethane | 0.009 | 0.011 | 0.011 | 0.009 | 0.032 | 0.003 | 0.003 | 0.000 | 0.000 |
| propane | 0.007 | 0.016 | 0.016 | 0.007 | 0.037 | 0.009 | 0.008 | 0.000 | 0.000 |
| i-butane | 0.002 | 0.009 | 0.009 | 0.002 | 0.015 | 0.007 | 0.006 | 0.000 | 0.000 |
| n-butane | 0.000 | 0.005 | 0.005 | 0.000 | 0.007 | 0.004 | 0.005 | 0.000 | 0.011 |
| i-pentane | 0.015 | 0.106 | 0.106 | 0.015 | 0.068 | 0.120 | 0.207 | 0.021 | 0.965 |
| n-pentane | 0.101 | 0.040 | 0.040 | 0.101 | 0.015 | 0.049 | 0.046 | 0.145 | 0.024 |
| Cyclopentane | 0.015 | 0.016 | 0.016 | 0.015 | 0.001 | 0.022 | 0.019 | 0.022 | 0.000 |
| 2,2-DMC4 | 0.004 | 0.114 | 0.114 | 0.004 | 0.001 | 0.154 | 0.138 | 0.006 | 0.000 |
| 2,3-DMC4 | 0.013 | 0.037 | 0.037 | 0.013 | 0.000 | 0.051 | 0.045 | 0.019 | 0.000 |
| 2-MC5 | 0.079 | 0.141 | 0.141 | 0.079 | 0.000 | 0.190 | 0.171 | 0.116 | 0.000 |
| 3-MC5 | 0.071 | 0.090 | 0.090 | 0.071 | 0.000 | 0.121 | 0.109 | 0.104 | 0.000 |
| n-hexane | 0.234 | 0.057 | 0.057 | 0.234 | 0.000 | 0.076 | 0.069 | 0.342 | 0.000 |
| Cyclohexane | 0.066 | 0.066 | 0.066 | 0.066 | 0.000 | 0.090 | 0.080 | 0.097 | 0.000 |
| benzene | 0.024 | 0.000 | 0.000 | 0.024 | 0.000 | 0.000 | 0.000 | 0.035 | 0.000 |
| Cycloheptane | 0.045 | 0.045 | 0.045 | 0.045 | 0.000 | 0.060 | 0.054 | 0.065 | 0.000 |
| n-heptane | 0.020 | 0.017 | 0.017 | 0.020 | 0.000 | 0.023 | 0.020 | 0.029 | 0.000 |
| Properties | Reactor Effluent | Stabilizer Feed | Reactor Feed | Stabilizer over Head | Stabilizer Bottom | Overhead De-hexanizer | Bottom De-hexanizer | Isomerate | Deiso- Pentanizr Bottom | Recycle |
|---|---|---|---|---|---|---|---|---|---|---|
| Temperature, °C | 160.78 | 150.00 | 138.00 | 36.00 | 183.19 | 71.32 | 122.52 | 77.26 | 83.00 | 99.74 |
| Pressure, barg | 36.48 | 31.30 | 36.50 | 13.93 | 15.10 | 1.03 | 2.00 | 1.00 | 1.00 | 1.72 |
| Molar flowrate, kmole/h | 1649 | 1649 | 1714 | 195 | 1455 | 395 | 108 | 562 | 523 | 951 |
| Mass flowrate, kg/h | 126,468 | 126,468 | 126,466 | 2591 | 123,877 | 32,755 | 9390 | 46,398 | 43,554 | 81,671 |
| H2 | 0.090 | 0.090 | 0.126 | 0.759 | 0.000 | 0.000 | 0.000 | 0.000 | 0.000 | 0.000 |
| methane | 0.005 | 0.005 | 0.005 | 0.041 | 0.000 | 0.000 | 0.000 | 0.000 | 0.000 | 0.000 |
| ethane | 0.004 | 0.004 | 0.004 | 0.037 | 0.000 | 0.000 | 0.000 | 0.000 | 0.000 | 0.000 |
| propane | 0.005 | 0.005 | 0.003 | 0.045 | 0.000 | 0.000 | 0.000 | 0.000 | 0.000 | 0.000 |
| i-butane | 0.003 | 0.003 | 0.001 | 0.025 | 0.000 | 0.000 | 0.000 | 0.000 | 0.000 | 0.000 |
| n-butane | 0.001 | 0.001 | 0.000 | 0.011 | 0.000 | 0.000 | 0.000 | 0.001 | 0.000 | 0.000 |
| i-pentane | 0.043 | 0.043 | 0.007 | 0.080 | 0.038 | 0.141 | 0.000 | 0.200 | 0.021 | 0.000 |
| n-pentane | 0.015 | 0.015 | 0.045 | 0.003 | 0.017 | 0.063 | 0.000 | 0.047 | 0.145 | 0.000 |
| Cyclopentane | 0.007 | 0.007 | 0.007 | 0.000 | 0.008 | 0.029 | 0.000 | 0.020 | 0.022 | 0.000 |
| 2,2-DMC4 | 0.169 | 0.169 | 0.012 | 0.000 | 0.191 | 0.660 | 0.000 | 0.464 | 0.006 | 0.018 |
| 2,3-DMC4 | 0.053 | 0.053 | 0.046 | 0.000 | 0.061 | 0.046 | 0.000 | 0.032 | 0.019 | 0.073 |
| 2-MC5 | 0.200 | 0.200 | 0.215 | 0.000 | 0.227 | 0.058 | 0.000 | 0.041 | 0.116 | 0.323 |
| 3-MC5 | 0.126 | 0.126 | 0.152 | 0.000 | 0.143 | 0.004 | 0.000 | 0.003 | 0.104 | 0.216 |
| n-hexane | 0.077 | 0.077 | 0.178 | 0.000 | 0.087 | 0.000 | 0.004 | 0.001 | 0.342 | 0.133 |
| cyclohexane | 0.104 | 0.104 | 0.115 | 0.000 | 0.117 | 0.000 | 0.216 | 0.041 | 0.097 | 0.155 |
| benzene | 0.000 | 0.000 | 0.011 | 0.000 | 0.000 | 0.000 | 0.000 | 0.000 | 0.035 | 0.000 |
| Cycloheptane | 0.078 | 0.078 | 0.059 | 0.000 | 0.089 | 0.000 | 0.585 | 0.112 | 0.065 | 0.070 |
| n-heptane | 0.013 | 0.013 | 0.013 | 0.000 | 0.014 | 0.000 | 0.124 | 0.024 | 0.029 | 0.008 |
| H2O | 0.000 | 0.000 | 0.000 | 0.000 | 0.000 | 0.000 | 0.000 | 0.000 | 0.000 | 0.000 |
| H2 | 0.090 | 0.090 | 0.126 | 0.759 | 0.000 | 0.000 | 0.000 | 0.000 | 0.000 | 0.000 |
| methane | 0.005 | 0.005 | 0.005 | 0.041 | 0.000 | 0.000 | 0.000 | 0.000 | 0.000 | 0.000 |
| The Modified Isomerization Unit | Isomerate Reasearch Octane Number (RON) |
|---|---|
| PC1 | 77.06 |
| PC2 | 78.15 |
| BC | 80.91 |
| PC3 | 86.42 |
| Item | PC1 | PC2 | BC | PC3 |
|---|---|---|---|---|
| Price of feed naphtha, USD/tone | 918 | 918 | 918 | 918 |
| Price of produced isomerate, USD/Gallon | 2.71 | 2.72 | 2.9 | 3.2 |
| Octane number of produced isomerate | 77.06 | 78.15 | 80.91 | 86.42 |
| Volume of produced isomerate, Gallon /hour | 18,245 | 18,606 | 18,321.6 | 18,340 |
| Hydrogen price, USD/MT | 6746 | 6746 | 6746 | 6746 |
| Total utilities cost, USD/year | 5,221,710 | 2,029,990 | 8,965,580 | 16,845,500 |
| Total raw materials cost, USD/year | 307,268,000 | 307,268,000 | 307,267,000 | 307,268,000 |
| Total operating cost, USD/year | 338,357,000 | 335,180,000 | 342,897,000 | 351,879,000 |
| Total product sales, USD/year | 345,126,000 | 354,426,000 | 372,345,000 | 411,075,000 |
| Item | BC | PC1 | PC2 | PC3 |
|---|---|---|---|---|
| Profit, USD/year | 6,769,000 | 19,246,000 | 29,448,000 | 59,196,000 |
| ROI, % | 10.69 | 20.25 | 17 | 30.99 |
| Payback period, year | 9.35 | 4.936 | 5.85 | 3.23 |
| Variable | Minimum | Maximum |
|---|---|---|
| Temperature °C | 120 | 160 |
| Pressure barg | 17.7 | 74 |
| Utility Type | Heat Flow of Non-Optimized Process, kJ/h | Heat Flow of the Optimized Process, kJ/h |
|---|---|---|
| De-isopentanizer condenser | 19,035,232.2 | 19,035,232 |
| De-isopentanizer reboiler | 21,340,938.3 | 21,340,938 |
| De-hexanizer condenser | 104,831,445.3 | 63,822,765 |
| De-hexanizer reboiler | 138,039,323.6 | 49,638,262 |
| Stabilizer reboiler | 70,816,415.7 | 55,973,348 |
| Stabilizer condenser | 59,885,821.4 | 44,419,607 |
| Heater energy | 12,891,639.9 | 11,214,280 |
Disclaimer/Publisher’s Note: The statements, opinions and data contained in all publications are solely those of the individual author(s) and contributor(s) and not of MDPI and/or the editor(s). MDPI and/or the editor(s) disclaim responsibility for any injury to people or property resulting from any ideas, methods, instructions or products referred to in the content. |
© 2023 by the authors. Licensee MDPI, Basel, Switzerland. This article is an open access article distributed under the terms and conditions of the Creative Commons Attribution (CC BY) license (https://creativecommons.org/licenses/by/4.0/).
Share and Cite
Osman, W.S.; Fadel, A.E.; Salem, S.M.; Shoaib, A.M.; Gadallah, A.G.; Bhran, A.A. Optimum Design of Naphtha Recycle Isomerization Unit with Modification by Adding De-Isopentanizer. Processes 2023, 11, 3406. https://doi.org/10.3390/pr11123406
Osman WS, Fadel AE, Salem SM, Shoaib AM, Gadallah AG, Bhran AA. Optimum Design of Naphtha Recycle Isomerization Unit with Modification by Adding De-Isopentanizer. Processes. 2023; 11(12):3406. https://doi.org/10.3390/pr11123406
Chicago/Turabian StyleOsman, Walaa S., Asmaa E. Fadel, Shazly M. Salem, Abeer M. Shoaib, Abdelrahman G. Gadallah, and Ahmed A. Bhran. 2023. "Optimum Design of Naphtha Recycle Isomerization Unit with Modification by Adding De-Isopentanizer" Processes 11, no. 12: 3406. https://doi.org/10.3390/pr11123406
APA StyleOsman, W. S., Fadel, A. E., Salem, S. M., Shoaib, A. M., Gadallah, A. G., & Bhran, A. A. (2023). Optimum Design of Naphtha Recycle Isomerization Unit with Modification by Adding De-Isopentanizer. Processes, 11(12), 3406. https://doi.org/10.3390/pr11123406

