Design and Realization of Seeding Quality Monitoring System for Air-Suction Vibrating Disc Type Seed Meter
Abstract
:1. Introduction
2. Working Principle of Seed Meter
3. System Design
3.1. Overall System Design
3.2. Wireless Communication Mode Selection
3.3. Node Layout Optimization Algorithm
4. System Hardware Design
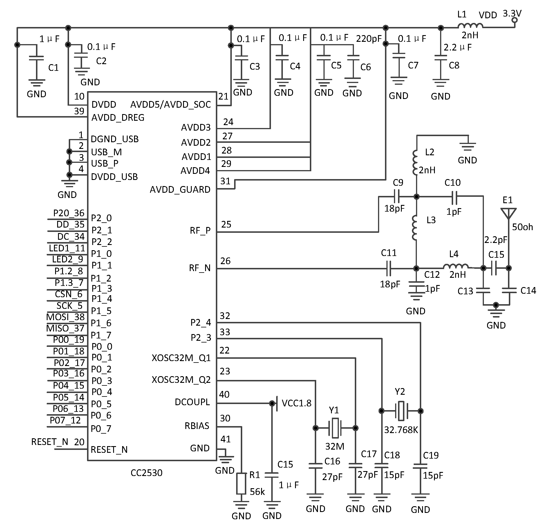
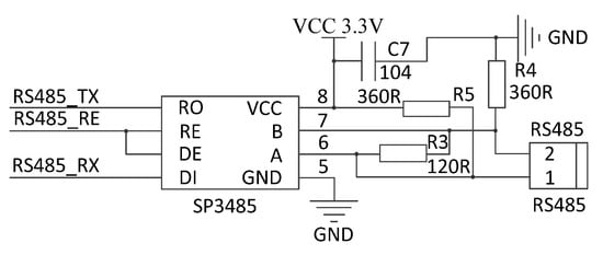
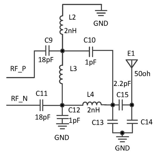
4.1. ZigBee Node Design
4.2. Hardware Schematic Design
5. System Software Implementation
5.1. Implementation of Kingview Communication
5.2. Realization of Communication between Single Chip Microcomputer and Configuration Software
6. Experiment and Result Analysis
6.1. Monitoring System Experiment
6.2. ZigBee Network Loss Bit Error Rate Test
6.3. Upper Computer Software
7. Conclusions
- (1)
- An improved wireless sensor network node layout optimization algorithm was proposed, which adopted ZigBee mesh topology to improve networking efficiency and improve the maximum transmission distance of a single node. The monitoring area deployment was simplified into a network structure, and the impact of elevation difference on signal attenuation was reduced through antenna position optimization.
- (2)
- A monitoring system based on ZigBee and configuration software was designed. The upper computer adopted Kingview software, the lower part used STM32F429IGT and CC2530 as the core controllers, and ZigBee was used for data transmission to build a wireless sensor network.
- (3)
- The experimental results showed that the detection accuracy of the system was 94.3% for the seeding amount and 95.6% for the missing seeding amount. However, the detection accuracy of the missed seeding rate of the current seed meter monitoring system was 93.5%. The performance of this system had been greatly improved, which laid a good foundation for the later artificial replanting and the improvement of the qualified rate of industrialized seedling raising. This caused the system ran stably and reliably. The upper computer detection software could realize the functions of seed metering quality, real-time monitoring, and display of key equipment operation status, Access database storage, fault alarm and control instruction sending, etc.
8. Prospect
- (1)
- In future research work, we will improve and optimize the part of the state data acquisition of the seed meter. By improving the detection accuracy of the seed meter performance monitoring module, the seed metering pass rate of the seed meter is improved.
- (2)
- The scalability improvement of the monitoring system will be a major improvement direction in the later period. We will strive to improve the scalability and portability of the monitoring system so that the system can be used in more agricultural equipment monitoring systems.
Author Contributions
Funding
Institutional Review Board Statement
Informed Consent Statement
Data Availability Statement
Conflicts of Interest
References
- Wang, F.; Zhao, B.; Wang, H.; Liu, Y.; Li, Y.; Wang, L. Research on field monitoring system of saline-alkali land based on ZigBee and TCP/IP. J. Agric. Mach. 2019, 50, 207–213. [Google Scholar]
- Ji, K.; Li, Y.; Liang, Z.; Liu, Y.; Cheng, J.; Wang, H.; Zhu, R.; Xia, S.; Zheng, G. Device and Method Suitable for Matching and Adjusting Reel Speed and Forward Speed of Multi-Crop Harvesting. Agriculture 2022, 12, 213. [Google Scholar] [CrossRef]
- Li, Y.; Song, Z.; Li, F.; Yan, Y.; Tian, F.; Sun, X. Design and Test of Combined Air Suction Cotton Breed Seeder. J. Eng. 2020, 2020, 7598164. [Google Scholar] [CrossRef]
- Wang, S.G.; Kang, J.M.; Yan, L.M. Design and Development of New Type Conductor Delivery of Air-Suction Metering Device. In Applied Mechanics and Materials; Trans Tech Publications Ltd.: Wollerau, Switzerland, 2015; Volume 775, pp. 78–82. [Google Scholar]
- Lü, J.; Yang, Y.; Li, Z.; Shang, Q.; Li, J.; Liu, Z. Design and experiment of an air-suction potato seed metering device. Int. J. Agric. Biol. Eng. 2016, 9, 33–42. [Google Scholar]
- Wang, D.; Wang, J.; Shang, S. Design and Experimental Study on Seed Metering Device of Peanut Plot Seeder. Agric. Mach. Technol. 2019, 13, 38–41. [Google Scholar]
- Liu, Q.; Cui, T.; Zhang, D.; Yang, L.; Wang, Y.; He, X.; Wang, M. Design and experimental study of seed precise delivery mechanism for high-speed maize planter. Int. J. Agric. Biol. Eng. 2018, 11, 81–87. [Google Scholar] [CrossRef]
- Han, D.; Zhang, D.; Jing, H.; Yang, L.; Cui, T.; Ding, Y.; Wang, Z.; Wang, Y.; Zhang, T. DEM-CFD coupling simulation and optimization of an inside-filling air-blowing maize precision seed-metering device. Comput. Electron. Agric. 2018, 150, 426–438. [Google Scholar] [CrossRef]
- Gao, X.; Cui, T.; Zhou, Z.; Yu, Y.; Xu, Y.; Zhang, D.; Song, W. DEM study of particle motion in novel high-speed seed metering device. Adv. Powder Technol. 2021, 32, 1438–1449. [Google Scholar] [CrossRef]
- Sun, Y.; Qiang, H.; Xu, J.; Lin, G. Internet of Things-based online condition monitor and improved adaptive fuzzy control for a medium-low-speed maglev train system. IEEE Trans. Ind. Inform. 2019, 16, 2629–2639. [Google Scholar] [CrossRef]
- Ray, P.P. Internet of things based physical activity monitoring (PAMIoT): An architectural framework to monitor human physical activity. In Proceedings of the IEEE CALCON, Kolkata, India, 7–8 November; 2014; pp. 32–34. [Google Scholar]
- Gnotthivongsa, N.; Alinsavath, K.N. Real-time Corresponding and Safety System to Monitor Home Appliances based on the Internet of Things Technology. Int. J. Mod. Educ. Comput. Sci. 2020, 12, 1–9. [Google Scholar] [CrossRef]
- Guo, H.; Cao, Y.; Song, W.; Zhang, J.; Wang, C.; Wang, C.; Yang, F.; Zhu, L. Design and Simulation of a Garlic Seed Metering Mechanism. Agriculture 2021, 11, 1239. [Google Scholar] [CrossRef]
- Hao, X.; He, X.; Zou, Y.; Li, X.; He, R. Research on the monitoring system of precision seeding performance based on photoelectric sensor. J. South China Agric. Univ. 2017, 38, 120–124. [Google Scholar]
- Ji, C.; Chen, X.; Chen, J.; Wang, S.; He, P. Monitoring system for seeding quality of corn no-tillage precision seeder. J. Agric. Mach. 2016, 47, 1–6. [Google Scholar]
- Huang, D.; Zhu, L.; Jia, H.; Yu, T.; Yan, J. Remote corn seeding quality monitoring system based on GPS and GPRS. Chin. J. Agric. Eng. 2016, 32, 162–168. [Google Scholar]
- Zhou, L.; Wang, S.; Zhang, X.; Yuan, Y.; Zhang, J. Monitoring system for corn planter seeding performance based on capacitance signal. Chin. J. Agric. Eng. 2012, 28, 16–21. [Google Scholar]
- Chen, Y.; Xiang, Y.; Wu, M.; Xiong, Y.; Lin, J.; Li, Y. Design and experiment of an online monitoring device for rapeseed drill seed metering based on linear array CCD. J. Hunan Agric. Univ. 2019, 45, 327–331. [Google Scholar]
- Chen, P.Y.; Wu, J.X.; Li, C.M.; Kuo, C.L.; Pai, N.S.; Lin, C.H. Symmetric Cryptography with Shift 2n−1, Hash Transformation, Optimization-Based Controller for Medical Image Infosecurity: Case Study in Mammographic Image. IEEE Photonics J. 2020, 12, 1–15. [Google Scholar] [CrossRef]
- Wu, J.X.; Chen, P.Y.; Li, C.M.; Kuo, Y.C.; Pai, N.S.; Lin, C.H. Multilayer fractional-order machine vision classifier for rapid typical lung diseases screening on digital chest X-ray images. IEEE Access 2020, 8, 105886–105902. [Google Scholar] [CrossRef]
- Pai, N.S.; Chen, P.X.; Chen, P.Y.; Wang, Z.W. Home Fitness and Rehabilitation Support System Implemented by Combining Deep Images and Machine Learning Using Unity Game Engine. Sens. Mater. 2022, 34, 1971–1990. [Google Scholar] [CrossRef]
- Li, Y.; Xiantao, H.; Tao, C.; Dongxing, Z.; Song, S. Development of mechatronic driving system for seed meters equipped on conventional precision corn planter. Int. J. Agric. Biol. Eng. 2015, 8, 1–9. [Google Scholar]
- Kuş, E. Field-scale evaluation of parameters affecting planter vibration in single seed planting. Measurement 2021, 184, 109959. [Google Scholar] [CrossRef]
- Shi, S.; Liu, H.; Wei, G.; Zhou, J.; Jian, S.; Zhang, R. Optimization and test of air suction seed metering device based on dem-cfd. J. Agric. Mach. 2020, 51, 54–66. [Google Scholar]
- Zhang, X.; Bai, S.; Jin, W.; Yan, J.; Shi, Z.; Yu, M.; Yuan, P.; Zhu, X. Design and Parameter Optimization of an Air-Suction Jujube Picking and Conveying Device. Trans. ASABE 2020, 63, 943–954. [Google Scholar] [CrossRef]
- Zhang, K.; Zhang, L.; Ding, Y.; Liu, X.; Zhao, X. Design and test of air-suction pepper seed metering device based on air supply and quantitative seed supply. INMATEH-Agric. Eng. 2021, 64, 345–354. [Google Scholar] [CrossRef]
- Hu, T.; Zheng, M.; Zhu, L. Research application of the internet of things monitor platform in meat processing industry. In Proceedings of the International Conference on Human-Centric Computing 2011 and Embedded and Multimedia Computing 2011; Springer: Dordrecht, The Netherlands, 2011; pp. 165–172. [Google Scholar]
- Hu, M.; Xia, J.; Zhou, Y.; Luo, C.; Zhou, M.; Liu, Z. Measurement and Calibration of the Discrete Element Parameters of Coated Delinted Cotton Seeds. Agriculture 2022, 12, 286. [Google Scholar] [CrossRef]
- Lin, C.H.; Wu, J.X.; Hsu, J.C.; Chen, P.Y.; Pai, N.S.; Lai, H.Y. Tremor Class Scaling for Parkinson Disease Patients Using an Array X-Band Microwave Doppler-Based Upper Limb Movement Quantizer. IEEE Sens. J. 2021, 21, 21473–21485. [Google Scholar] [CrossRef]
- Chen, P.Y.; Wu, J.X.; Lin, C.H.; Hsu, J.C.; Pai, N.S. Enhancement of Breast Mammography to Rapid Screen Abnormalities Using 2D Spatial Fractional-Order Feature Extraction and Multilayer Machine Vision Classifier. IEEJ Trans. Electr. Electron. Eng. 2022, 17, 132–147. [Google Scholar] [CrossRef]
- Wu, J.X.; Pai, C.C.; Kan, C.D.; Chen, P.Y.; Chen, W.L.; Lin, C.H. Chest X-Ray Image Analysis with Combining 2D and 1D Convolutional Neural Network Based Classifier for Rapid Cardiomegaly Screening. IEEE Access 2022, 10, 47824–47836. [Google Scholar] [CrossRef]
- Huang, Y.; Wang, D.; Fan, H.; Sun, J.; Shen, J.; Mi, J. Shear punching of a Ti-based bulk metallic glass. Mater. Sci. Eng. A 2013, 561, 220–225. [Google Scholar] [CrossRef]
- Wang, Z.; Yu, S.; Xiao, Z.; Habibi, M. Frequency and buckling responses of a high-speed rotating fiber metal laminated cantilevered microdisk. Mech. Adv. Mater. Struct. 2022, 29, 1475–1488. [Google Scholar] [CrossRef]
- Wu, J.; Habibi, M. Dynamic simulation of the ultra-fast-rotating sandwich cantilever disk via finite element and semi-numerical methods. Eng. Comput. 2021, 4, 1–17. [Google Scholar] [CrossRef]
- Xiong, P.; Liao, J.; Zhou, M.C.; Song, A.; Liu, P.X. Deeply Supervised Subspace Learning for Cross-Modal Material Perception of Known and Unknown Objects. IEEE Trans. Ind. Inform. 2022, 1–10. [Google Scholar] [CrossRef]
- Xiong, P.; Tong, X.; Song, A.; Liu, P.X. Robotic Multifinger Grasping State Recognition based on Adaptive Multi-kernel Dictionary Learning. IEEE Trans. Instrum. Meas. 2022, 71, 2511014. [Google Scholar] [CrossRef]
- Zheng, W.; Liu, H.; Sun, F. Lifelong visual-tactile cross-modal learning for robotic material perception. IEEE Trans. Neural Netw. Learn. Syst. 2020, 32, 1192–1203. [Google Scholar] [CrossRef] [PubMed]
- Liu, H.; Guo, D.; Zhang, X.; Zhu, W.; Fang, B.; Sun, F. Toward image-to-tactile cross-modal perception for visually impaired people. IEEE Trans. Autom. Sci. Eng. 2020, 18, 521–529. [Google Scholar] [CrossRef]
- Tseng, K.H.; Chung, M.Y.; Chen, L.H.; Chang, P.Y. Green smart campus monitoring and detection using LoRa. Sensors 2021, 21, 6582. [Google Scholar] [CrossRef] [PubMed]
- Choi, K.N.; Kolamunna, H.; Uyanwatta, A.; Thilakarathna, K.; Seneviratne, S.; Holz, R.; Hassan, M.; Zomaya, A.Y. LoRadar: LoRa sensor network monitoring through passive packet sniffing. ACM SIGCOMM Comput. Commun. Rev. 2020, 50, 10–24. [Google Scholar] [CrossRef]
- Deng, F.; Zuo, P.; Wen, K.; Wu, X. Novel soil environment monitoring system based on RFID sensor and LoRa. Comput. Electron. Agric. 2020, 169, 105169. [Google Scholar] [CrossRef]














| Type | Transmission Speed | Communication Distance | Anti Interference |
|---|---|---|---|
| ZigBee | 250 kbit/s | 100~500 m | Strong |
| WiFi | 11 Mbit/s | 50~100 m | Average |
| Bluetooth | 1 Mbit/s | 10~50 m | Weak |
| LoRa | 50 kbit/s | 3~5 km | Strong |
| Baud Rate | Parity | Communication Timeout | Communication Mode | Data Bit | Stop Bit |
|---|---|---|---|---|---|
| 2400/4800/ 9600/19,200 bps | no verification | 50 ms | RS232/RS422/RS485 | 8 | 1 |
| Byte start | Device Address | Flag Bit | Data Address | Data Bytes | XOR | CR |
| Byte Start | Device Address | Flag Bit | Data Address | Data Bytes | Data | XOR | CR |
| Byte Start | Device Address | Data Bytes | XOR | CR |
| Byte Start | Device Address | ** | XOR | CR |
| No. | Node Type | ttest/min | Data Frames | Error Rate/% |
|---|---|---|---|---|
| 1 | Terminal node | 60 | 1800 | 0.56 |
| 2 | Terminal node | 60 | 1800 | 0.38 |
| 3 | Terminal node | 60 | 1800 | 0.48 |
| 4 | Terminal node | 60 | 1800 | 0.51 |
| 5 | Terminal node | 60 | 1800 | 0.42 |
Publisher’s Note: MDPI stays neutral with regard to jurisdictional claims in published maps and institutional affiliations. |
© 2022 by the authors. Licensee MDPI, Basel, Switzerland. This article is an open access article distributed under the terms and conditions of the Creative Commons Attribution (CC BY) license (https://creativecommons.org/licenses/by/4.0/).
Share and Cite
Cheng, J.; Li, Y.; Chen, J.; Liu, Y.; Ji, K.; Chen, T. Design and Realization of Seeding Quality Monitoring System for Air-Suction Vibrating Disc Type Seed Meter. Processes 2022, 10, 1745. https://doi.org/10.3390/pr10091745
Cheng J, Li Y, Chen J, Liu Y, Ji K, Chen T. Design and Realization of Seeding Quality Monitoring System for Air-Suction Vibrating Disc Type Seed Meter. Processes. 2022; 10(9):1745. https://doi.org/10.3390/pr10091745
Chicago/Turabian StyleCheng, Junhui, Yaoming Li, Jin Chen, Yanbin Liu, Kuizhou Ji, and Tiaotiao Chen. 2022. "Design and Realization of Seeding Quality Monitoring System for Air-Suction Vibrating Disc Type Seed Meter" Processes 10, no. 9: 1745. https://doi.org/10.3390/pr10091745
APA StyleCheng, J., Li, Y., Chen, J., Liu, Y., Ji, K., & Chen, T. (2022). Design and Realization of Seeding Quality Monitoring System for Air-Suction Vibrating Disc Type Seed Meter. Processes, 10(9), 1745. https://doi.org/10.3390/pr10091745
