Next Article in Journal
Controlled Germination of Faba Beans: Drying, Thermodynamic Properties and Physical-Chemical Composition
Next Article in Special Issue
Advances in Energy System Synthesis and the Energy–Water Nexus in Industry
Previous Article in Journal
The Influence of the Fusion State of the Particles during the Simultaneous Impact on an Oxidized Substrate in the Presence of Asperities
Previous Article in Special Issue
A New Computer-Aided Optimization-Based Method for the Design of Single Multi-Pass Plate Heat Exchangers
 
 
Font Type:
Arial Georgia Verdana
Font Size:
Aa Aa Aa
Line Spacing:
Column Width:
Background:
Article

A Novel Step-by-Step Automated Heat Exchanger Network Retrofit Methodology Considering Different Heat Transfer Equipment

1
Technical Solution Centre, Research Institute of Petroleum Processing, SINOPEC, Beijing 100083, China
2
Centre for Process Integration, School of Chemical Engineering and Analytical Science, The University of Manchester, Manchester M13 9PL, UK
*
Author to whom correspondence should be addressed.
Processes 2022, 10(8), 1459; https://doi.org/10.3390/pr10081459
Submission received: 10 June 2022 / Revised: 12 July 2022 / Accepted: 14 July 2022 / Published: 26 July 2022

Abstract

:
Improving the energy efficiency in heat exchanger networks (HENs) remains a significant industrial problem, specifically in energy-intensive operations. A particular method for such an objective is the modification of HENs at the equipment-use level, where structural changes take place and units within the network are moved, replaced and/or removed. This practice is usually known as retrofit. The objective of a retrofit is to maximize the heat recovery using the minimum modifications possible and minimum retrofit cost. Traditional retrofit techniques would normally consider one type of heat exchanger (based on the original network) with no additional design features (i.e., heat transfer enhancement technologies). The expansion of such alternatives is limited by practical use and availability of theoretical methods. In this context, the inclusion of high-performance heat exchangers such as plate heat exchangers (PHEs) has not been widely explored, even when their design and operational advantages are known. In this work, a new step-by-step automated HENs retrofit approach based on Pinch Analysis is proposed. The approach is possible to identify the best modification, its location within the network, and its cost simultaneously. Moreover, to increase energy savings, this work presents a strategy that seeks to utilize high efficiency heat exchangers such as plate heat exchangers for retrofit. A distinctive feature of this new method is the ability to handle different minimum approach temperatures, given the different types of exchangers, within the optimization of HENs. Three cases are studied using this methodology to quantify the potential benefits of including PHEs in HEN retrofits, via the analysis of the retrofit cost. Results are compared with a baseline consisting in the same network, where only Shell-and-Tube-Heat-Exchangers (STHXs) are used. In addition, the results demonstrate that this methodology is flexible enough to be applied in a wide range of retrofit problems.

1. Introduction

With increasing concerns regarding energy saving and greenhouse gas emissions, the process industries require better methods for the cost-effective retrofit of heat exchanger networks. [1] Current retrofit strategies mainly concentrate on expanding the heat transfer area [2] and using heat transfer enhancement technologies [3]. However, energy savings are limited by the geometry of the heat exchangers and the availability of theoretical assets (mathematical models) to explore wider options when retrofitting [4]. Thus, this research seeks to utilize high efficiency heat transfer equipment in the retrofit of HENs, namely Plate heat exchangers.
Plate heat exchangers, which are one of the most efficient types of heat transfer equipment [5,6], are considered in this research to provide an insight in the effect of the use of new heat transfer equipment in the minimization of the retrofit cost (and heat recovery). In comparison with conventional heat transfer equipment (e.g., shell-and-tube heat exchangers), the minimum approach temperature in PHEs is as low as 5 °C [7], which can significantly enhance energy efficiency and decrease capital cost [8]. However, there is no robust methodology to exploit effectively and to quantify the benefit of the use of such equipment. Moreover, the difference in minimum approach temperatures caused by the use of different heat transfer equipment poses an optimization problem at the network level. Therefore, to overcome the gaps mentioned above, this work will focus on developing a step-by-step methodology for the inclusion of different heat transfer equipment (namely PHEs and STHXs) in the retrofit of heat exchanger networks, which allows for network structural modifications, such as adding new heat exchangers, along with the splitting and resequencing of streams. The solution of the retrofit problem can be reached by deploying more than once approach. A suitable selection of this approach mainly depends on computational power and the fundamental view of the problem itself (e.g., from a thermodynamic or numerical perspective).
Pinch analysis, optimization and hybrid methods are regarded as the three general conventional methodologies for HEN retrofits [9]. Pinch analysis was first implemented to retrofit of heat exchanger networks by Tjoe and Linhoff [10]. The result of this analysis ensures that the heat recovery targets are met during design stages. These results can also be obtained when performing retrofit. To achieve the possible maximum heat recovery, the proposed approach identified those units exchanging heat across the pinch (which is thermodynamically infeasible) and redesigned the network to remove this behavior. A systematic method that eliminates cross-pinch heat transfer and re-locates the heat load based on the pinch analysis was later proposed by Li and Chang [11]. The limitation of this pinch analysis-based approach was that it relies on an experienced user when it comes to large scale networks, since the methodology fails to point out the specific number of steps for modifications and the exact place for adding heat transfer area.
Optimization can be used to convert the retrofit problem into a mathematical programming model and solve such problem for different objectives [12]. In the past few years, most of the researchers have been sought to develop stage-wise superstructure for heat exchanger network synthesis [13]. A HEN synthesis using a stagewise superstructure with non-isothermal mixing was proposed by Huang et al. [14]. In 2018, Pavão et al. [15] considered substages, sub-splits and cross flows in the HEN retrofit when developing a stagewise superstructure. This work is further extended by Liu et al. [16]. The network topology can also be modified by introducing a matrix representation [17,18,19,20]. Based on the complexity of the retrofit problem, the optimization model can be formulated as linear programming (LP), non-linear programming (NLP), and mixed integer linear programming (MILP) or mixed integer non-linear programming (MINLP). Among these, HEN retrofit is generally handled as a MINLP problem, where this type of approach was first developed by Yee et al. [21]. This approach provides numerical advantages compared to the single use of pinch analysis; however, how to find a global optimum solution and how to simplify the model to perform fast and accurate estimations are the two main challenges around MINLP models [22,23]. Although the retrofit process is fully automated by formulating a mathematical model without relying on expert users, it is still difficult to avoid locally optimal solutions and prolonged computation workload with results that are sensitive to the assumptions.
The network pinch approach, proposed by Asante and Zhu [24] to retrofit HENs, combines pinch analysis and numerical optimization methods, while keeping the individual advantages of both methods. This approach, which allows user interaction while ensuring a good retrofit design, involves two stages: diagnosis and optimization. The diagnosis stage analyses potential topology changes to achieve minimum energy consumption, subject to a fixed minimum approach temperature through a MILP model. In the second optimization stage, the trade-off between capital cost and energy saving is optimized by developing an NLP model to select the desired modifications. Smith et al. [25] further modified the network pinch approach and combined topology changes and energy-capital trade-off optimization into a single step. However, this work still fails to identify the underlying reason for why the selected retrofit option is better than others, which may lead to inappropriate decisions.
Although the network pinch approach can be applied widely in retrofit problems, few research attempts have pointed out the reasons why the modifications choices are made. There has not been much investigation into why a modification option is better than another in terms of energy recovery. So far, most of these modification options are centered on resequencing, adding shell and tube heat exchangers and stream splitting. To the authors’ knowledge, no other work has sought utilization of different types of heat transfer equipment in the HENs retrofit problem and quantify the potential benefit in terms of energy savings and economic payback.
Therefore, to fill the gaps mentioned above, this work proposes an automated step-by-step approach to the HEN retrofit, considering the use of different types of heat exchangers. The key significance of this work is to integrate the high efficiency of PHEs into the optimization process, especially when it comes to dealing with different minimum approach temperatures for different heat transfer equipment. To quantify the potential benefit to apply PHEs, the economic cost for retrofit is calculated by employing different retrofit techniques. This work also provides guidelines on how to identify the most suitable retrofit changes, together with where and why to apply these changes under different scenarios in an automated fashion. In addition to current options such as adding new PHEs, resequencing and stream splitting are considered as further modification options for retrofit. The early identification of favorable topology changes provides a more robust result and saves both design and calculation time. The best retrofit design should maximize heat recovery while minimizing the cost, including equipment pipework and civil engineering. To provide adequate basis for applicability-oriented decisions that focuses on profit and energy saving, three case studies are presented to illustrate the effectiveness of the proposed method. To quantify the potential economic and energy benefits of the use of PHEs, the payback is used to compare between a network with only shell-and-tube heat exchangers (e.g., a conventional network), and a network with both types of heat exchangers.

2. Network Pinch

For existing HENs, pinching the network means to identify the possibilities to reduce energy consumption by exploiting the degrees of freedom within the network structure. These degrees of freedom are the utility paths and loops in the HEN. The connection between hot and cold utilities through process exchangers is named a utility path. Those paths that start and finish on the same heat exchanger are called loops. Redistributing the heat load in these loops can increase the driving force in the process exchangers, which reduces the utility consumption through the path [26].
For example, Figure 1a shows an existing HEN with an energy recovery of 200 MW and a minimum temperature difference (ΔTmin) of 20 °C. The corresponding energy recovery based on the Composite Curves is obtained with a ΔTmin of 22.5 °C (Figure 1b).
To reduce the energy consumption while maintaining the network structure, the only way possible is by exploiting the utility paths present in the existing network. The bubble overlaid on the HEN shown in Figure 1a highlights the only degree of freedom of the existing network. It indicates the connection between the heater (H) and cooler (C) through a process heat exchanger. The matches outside of the bubble are constrained by the heat duties on individual streams. For the sake of illustration, the ΔTmin of the existing HEN is set to 0 °C. This corresponds to an increase in the energy recovery of 20 MW as shown in Figure 2a. We can note that even by maximizing the energy recovery down to 0 °C, the energy performance is worse than the energy target obtained using the Composite Curves shown in Figure 2b. The difference between both results for maximum energy recovery results from the fact that the existing HEN structure is not appropriate for maximum energy recovery.
From the network structure for maximum energy recovery based on a ΔTmin of 0 °C, the exchanger that limits the energy recovery based on the existing network is identified. This heat exchanger is referred to as the pinching match (Figure 3a), and the point at which this occurs in the existing network is known as the network pinch. Note that this is still based on the minimum temperature difference of 0 °C. In practice, if the network pinch is being identified in the design phase, a practical ΔTmin of say 10 °C or 20 °C is used [26]. The Composite Curves for the same energy recovery are shown in Figure 3b.
The only way to overcome the network pinch is by performing structural modifications. Therefore, this paper proposes a methodology of HEN retrofit with structural modifications.

3. Background on Cross-Pinch Heat Transfer

Equation (1) shows the correlation between the maximum heat recovery (as retrofit target Qmax) and the existing energy consumption (Qexist). The difference between these two is caused by the cross-pinch heat transfer (QP).
Q m a x = Q e x i s t + Q P
There are five different scenarios that could possibly cause the cross-pinch heat transfer, and these are shown in Figure 4 and described below.
  • The hot end of a match is used below the pinch, while its cold end is used below the pinch (see Figure 4a) represented as QPHP.
  • The hot end of a match is used above the pinch, while its cold end is used above the pinch (see Figure 4b) represented as QPCP.
  • The hot end of a match is used below the pinch, while its cold end is used above the pinch (see Figure 4c) represented as QHCP.
  • Utility cooling above the pinch (see Figure 4d) represented as QUCP.
  • Utility heating below the pinch (see Figure 4e) represented as QUHP.
Q P = Q P H P × P F + Q P C P × P F + Q H C P × P F + Q U C P × P F + Q U H P × P F
The total cross-pinch heat duty is the sum of all five of these scenarios, as shown in Equation (2). In this equation, the factor “PF” has been added to all variables. This value is +1 when its corresponding scenario is present, otherwise it takes the value 0.
For each process-to-process and utility exchanger transferring heat across the pinch, the cross-pinch heat duty for each individual scenario is determined using Equations (3) to (7).
Q P H P = C P H T P H , i n T H , P
Q P C P = C P C T P c , o u t T c , P
Q H C P = C P H T P H , i n T H , P C P C T P C , o u t T C , P
Q U C P = C P H T U H , i n T H , P      
Q U H P = C P C T U C , o u t T C , P

4. Retrofit Methodology

The objective of this methodology is to provide a step-by-step guideline for integrating different types of heat transfer equipment into the retrofit of HENs. The method allows for with the handling of different minimum approach temperature caused by the different types of heat transfer devices. The best retrofit strategy is the one that meets the retrofit target with the minimum number of structural modifications and cost. To achieve this, the modifications and technology used should be such that they ensure maximum energy recovery.
The methodology proposed in this work covers: (1) the identification of the best single modification for a given HEN based on energy recovery, (2) the identification of the best series of modifications (i.e., multiple modifications), (3) the use of high efficiency exchangers in place of the conventional shell and tube heat exchanger, and (4) the comparison of different retrofit methods.

4.1. Single Modification

Below is an outline of the proposed step-by-step approach to identify the best single modification for an existing HEN:
Step 1:Pinch the network and identify features restricting energy recovery
Pinching the existing HEN relative for the selected ∆Tmin identifies the HEN features responsible for restricting energy recovery. Through pinching the existing network, pinched exchangers are identified, together with cross-pinch heat exchangers, which are caused by inappropriate use of utilities and process-to-process heat exchangers. By reviewing the network, the locations of these exchangers are identified. By pinching the network, the existing structure is maintained while reducing the utility consumption.
Step 2:Review the identified network features and identify the best type of modification based on energy recovery
Once the network is pinched, the best structural modification can be identified based on the location of the cross-pinch and pinched exchangers. To overcome the network pinch and eliminate cross-pinch heat transfer, the modification options available are resequencing, stream splitting and adding new heat exchanger(s). Depending on the feature of the existing HEN, the best modification can be identified as explained below.
Scenario 1: No pinched exchangers in the network
  • In this situation, adding a new heat exchanger and creating a utility path is beneficial. The reason for this is that the main restriction to energy recovery is the presence of cross-pinch exchangers.
  • Therefore, by creating a utility path, the cross-pinch heat transfer can be effectively decreased or eliminated, and energy consumption reduced.
Scenario 2: Process heat exchangers located upstream of pinched exchangers
  • In this situation, resequencing and adding a new heat exchanger are both beneficial. This is because energy recovery is restricted by the downstream pinched exchanger(s). Therefore, heat load can be moved from the process heat exchangers upstream to relieve the constraint on the pinched exchangers allowing for energy recovery.
  • If moving the entire heat from the upstream heat exchangers does not violate the temperature driving force, resequencing is recommended. When there are more than one upstream process heat exchangers, the one with highest temperature driving force should be selected to relocate. It should be noted that in the event of more than one exchanger having the same temperature driving force, the one with higher heat duty is preferred.
  • Adding a new heat exchanger is the most beneficial choice only when moving all load from the upstream heat exchanger across the pinch violates the minimum temperature approach constraints. This way, a new heat exchanger can be added downstream, allowing for some of the heat load to be moved, thereby reducing energy consumption.
Scenario 3: No process heat exchangers located upstream of pinched exchangers
  • In this scenario, adding a new heat exchanger and stream splitting are considered as the best modifications.
  • Only when there are more than two pinched heat exchangers adjacent to each other, is introducing stream splitting beneficial. This is because the lower temperature of cold stream and the higher temperature of hot stream ease the driving force constraint of pinched heat exchangers.
  • Otherwise, adding a new heat exchanger is recommended.

4.2. Multiple Modifications

Once the best single modification is identified, further modifications steps need to be obtained, as shown in Figure 5a. In Figure 5b, however, it is observed that the sequential repetition of the best single modification does not guarantee an optimal result. As such, the best retrofit strategy is the one that can identify the best series of modifications that ensures the retrofit target, with minimum modification steps and minimum capital cost.
In this work, the step-by-step algorithm shown in Figure 6 is proposed. The retrofit methodology is repeated, and the network data is updated until the retrofit energy target is met. The best modification at each stage is obtained based on the updated network data and the key features of the new network. Note that the stopping criteria can be different based on the user requirements. The stopping criterion used in this study is the maximum energy recovery.

4.3. Integration of Plate Heat Exchanger into HEN Retrofit

Plate heat exchangers, as one of most efficient types of heat transfer equipment, allow for lower minimum approach temperature (say 5 °C) compared with conventional heat exchangers. Lower approach temperatures make it possible to achieve greater heat recovery and energy saving. The main challenge when integrating PHEs is the handling of different minimum approach temperatures within the same HEN. This work presents a methodology to deal with such challenge. The strategy consists of maintaining the existing ΔTmin in the network as a global minimum approach temperature, only for shell-and-tube heat exchangers, whereas a local minimum approach temperature of 5 °C is set for all the new plate heat exchangers. There are three constraints in the optimization process of HENs, as shown in Equations (8)–(10). The first constraint is that the target temperature should be met. The second constraint is that the global minimum approach temperature should be kept as the existing minimum approach temperature in the network. The third constraint is that the local minimum approach temperature for all the new plate heat exchangers should be no smaller than 5 °C. The parameters in this optimization problem are fluid properties for both hot streams and cold streams, which are assumed to be constant in this work.
TTi = TTout,i⋯⋯⋯⋯i ϵ process streams
ΔTglobal,j = ExistingTmin⋯⋯j ϵ S&TH
ΔTlocal,k ≥ 5 °C⋯⋯⋯⋯k ϵ PHE
When integrating plate heat exchangers into existing HENs, the capital cost of PHEs needs to be taken into account, as part of the total retrofit cost. The capital cost of a PHE mainly depends on its area. As such, to obtain the minimum economic installation cost of PHE, the area of PHE needs to be minimized. The heat transfer area for a plate heat exchanger is determined as in Equation (11):
A = Q Δ T L M U = Q / U T H 1 T C 2 T H 2 T C 1 ln ln   T H 1 T C 2 T H 2 T C 2
where Q is the total heat load, U is the overall heat transfer coefficient, A is the heat transfer area of the PHE, T H 1 and T H 2 are the inlet and outlet temperatures of the hot stream, and T C 1 and T C 2 are the inlet and outlet temperatures of cold streams. Only the overall heat transfer coefficient (U) is not defined and is possible to be further optimized. The heat transfer coefficient of chevron plate PHEs is dependent on the plate type, flow arrangement, and chevron angle. Among all the variables, the integer variables include the total number of plates in each block, the number of passes for the cold and hot side, plate geometries and chevron angle. There are two constraints. One constraint is that the total heat load transfer should be not less than the required heat load transfer since the area of the plate is an integer. That pressure drop should be maintained in the allowable range is the other constraint. Thus, to minimize the overall heat transfer coefficient, the optimization model can be set up as below in Equation (12).
Minimize : U = f X h , X c , β ,   n , P t y p e Subject   to Q     Q 0 Δ P Δ P m a x
where X h is the number of passes for the hot stream, X c is the number of passes for the cold stream, β is the chevron angle, n is the number of plates in each block, Ptype is the type of plate, Q 0 is process heat duty. A mixed-integer non-linear programming (MINLP) model is set up in GAMs with ANTIGONE solver as detailed by Xu et al. [27]. ANTIGONE is one of the most widely used global solvers for the MINLP optimization problem [28].
Under some circumstances, even when using plate heat exchangers, the approach temperature of that heat exchanger could be much greater than the minimum allowed owing to the restrictions created by the network structure.
With the use of PHE, the objective of the optimization model is to achieve the maximum heat recovery at the existing minimum approach temperature, with minimum modification steps and capital costs. The stopping criterion is to meet the minimum energy consumption at the specified minimum approach temperature. The reason for the selection of this value over the addition of extra area into the network is to limit the modifications to those that are sufficient to achieve the minimum approach temperature, which in turn provides the maximum heat recovery. To ensure no extra heat recovery is reached, a constraint for heat recovery is required. Equation (13) shows the boundary of hot and cold utility, where Q H is the hot utility consumption, Q H m i n is the minimum hot utility consumption at the minimum approach temperature, Q C is the cold utility consumption and Q C m i n is the minimum cold utility consumption at the minimum approach temperature.
Q H Q H m i n   o r   Q C   Q C m i n

4.4. Comparison for Different Retrofit Technologies

To quantify the potential benefits of integrating PHEs into the retrofit design of HENs, the retrofit results are compared with those of a network with the same heat recovery, but only using STHXs. The utility cost and retrofit cost data for these two scenarios are shown in Table 1. The total retrofit cost, utility cost and payback are calculated as shown in Equations (14)–(16).
T R C = H X n e w + B P + A A
U C = H U + C U
ε = U C T R C
where TRC represents the total retrofit cost, BP is the cost of implementing by-pass, AA is the cost of adding area, UC is the total cost of utility saving, HU is the total cost of hot utility saving, CU is the total cost of cold utility saving, ε is the payback of the retrofit strategy.

5. Case Studies

To evaluate the potential benefits of including new technologies into retrofit strategies, the proposed methodology is implemented in three different HENs with increasing complexity. In each case study, the steps described in previous sections are implemented, and a set of retrofit strategies are found when including the use of PHEs as available units. A similar set of strategies is developed for a conventional retrofit, that is, when only using STHXs as new units. Utility and installation cost are compared for both these sets of modification and the one that brings less cost is the one reported as beneficial. Note that to compare both retrofit options, the heat recovery was considered fixed and equal for both options.

5.1. Case Study 1

This first case study was introduced by Tjoe and Linnhoff [10] and later modified by Li and Chang [11]. The detailed modified data are listed in Table 2 and the HEN structure shown in Figure 7. In general, there are three hot streams and two cold streams. The structure consists of four process heat exchangers, one hot utility exchanger and two cold utility exchangers. In this network, the total duty of hot streams is smaller than that of cold streams, which needs more hot utility to balance the network. The minimum approach temperature of the existing heat exchanger network is 19 °C. The required minimum hot and cold under these conditions are 12,410 kW and 10,323 kW, respectively, while the hot utility and cold utility in the existing HEN are 17,597 kW and 15,510 kW, respectively. The objective of the retrofit then is to reduce the existing utility consumption to the minimum, with the existing ΔTmin and at the same time, to minimize the modification cost. Two utility paths provide the two degrees of freedom for this network. All the simulation and analyses have been carried out using the proprietary HEN simulation software SPRINT v.2.9, which is developed in the University of Manchester [29].

5.1.1. Best Single Modification Result

Heat exchangers 1 and 4 are identified as both cross process pinch exchangers and pinched exchangers through pinching the network, as shown in Figure 8. Based on structure analysis, the best single modification with the largest amount of energy saving and lowest cost is adding a new plate heat exchanger to create a utility path. The pinch temperatures for the hot and cold streams are 159 °C and 140 °C.
When applying the retrofit methodology, the pinched heat exchangers are located on the stream with hot utility. However, no heat exchanger is located on the stream with cold utility. No heat exchangers are located upstream from the pinched exchangers. Therefore, resequencing and adding a new heat exchanger to create a loop are not recommended. The energy saving is limited by applying stream splitting since there are only two pinched exchangers in the HEN. The best location to add the new heat exchanger to form the utility path should be the streams with the highest utility consumption.
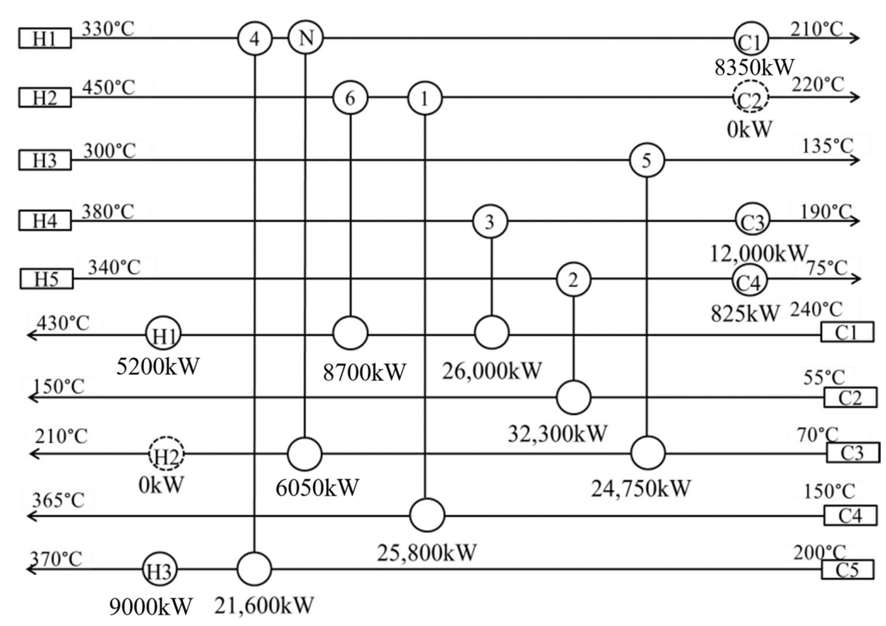
Figure 9 shows that the new plate heat exchanger N is added on the hot stream, upstream of exchanger 3, as this exchanger transfers heat across the pinch, and upstream of the pinched exchangers on the cold stream, creating a utility path.
To quantify the potential benefit of adding a PHE, a shell-and-tube heat exchanger is added by following the same algorithm to compare its results with the plate heat exchanger. These results are shown in Figure 10.
Comparing this result with those of Figure 9, both the location and the heat duty of the newly added heat exchanger is the same for both cases. This is mainly due to the restriction of the existing network structure. Economic cost is another factor that needs to be considered. By employing the equations shown in Table 1, the installation cost of adding a PHE is $66,296, which is $133,072 less than the installation cost of adding shell-and-tube heat exchanger. Thus, adding a plate heat exchanger is preferred.
An alternative option is to apply stream slitting. This result is shown in Figure 11. When comparing this result with that of Figure 9 (adding a new PHE), the energy saving for stream splitting is 5.9% lower. Accordingly, adding a new plate heat exchanger to create a path is the most beneficial single modification retrofit option.

5.1.2. Best Retrofit Solution (Multiple Modifications)

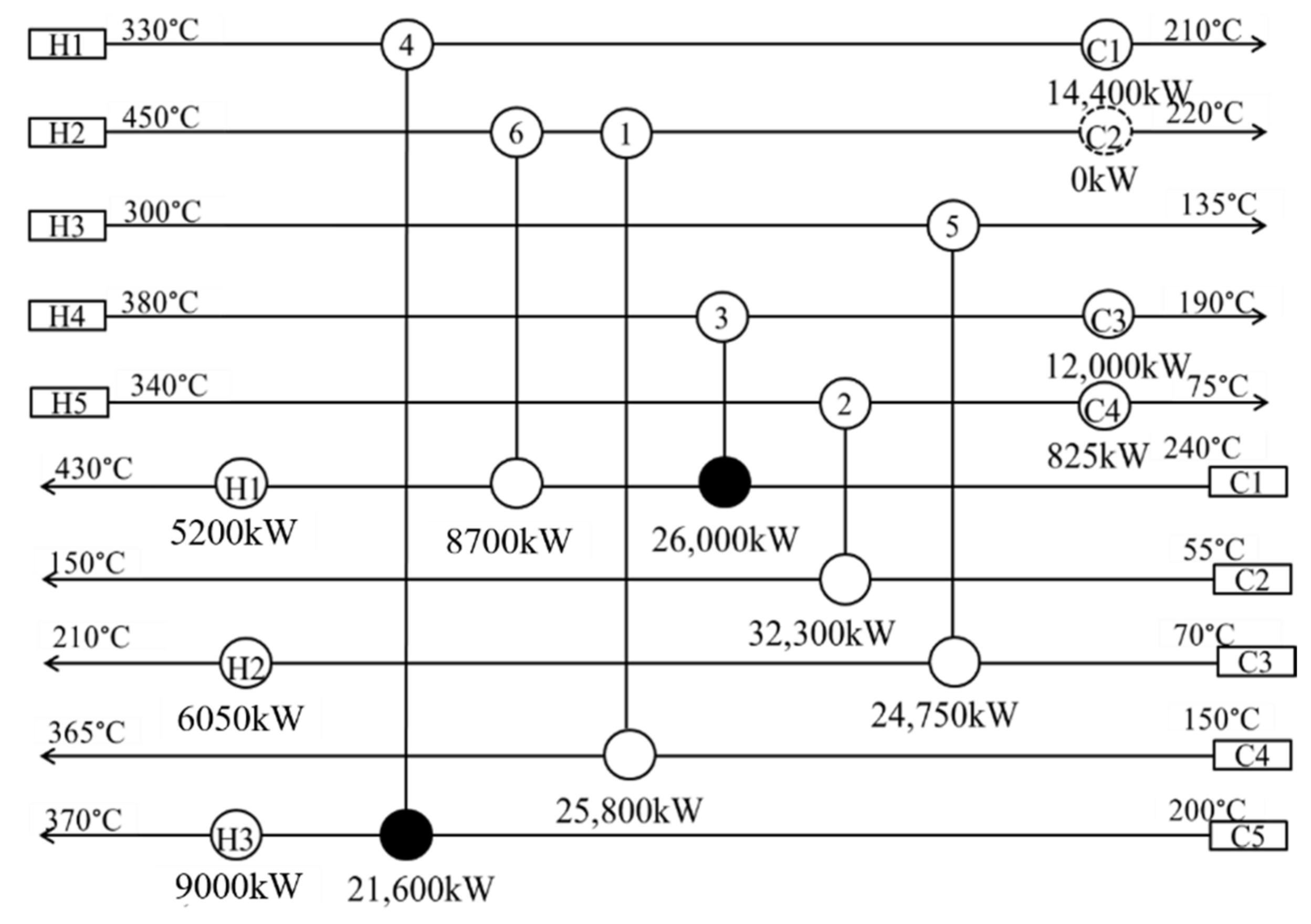
By pinching the network after the first modification, heat exchangers 1, 3 and 4 are identified as pinched exchangers, and heat exchangers 2 and 4 are identified as process cross-pinch exchangers. The retrofit methodology is applied until the retrofit target is met. In terms of the application of the methodology, although there are three pinched heat exchangers in total, they are not adjacent to each other. In this situation, stream splitting is not a reasonable option. Since the pinched heat exchangers are on the streams with the utility that has the highest duty, adding a new plate heat exchanger to create a path is not the most energy-effective option, as the amount of energy that can be recovered will be restricted by the pinched exchangers on the streams. For resequencing, heat exchanger 2 is located downstream from the pinched heat exchanger 1. Therefore, exchanger 2 cannot be moved to relieve the constraint on exchanger 1.
Figure 12 shows the best retrofit solution when a PHE is used as a new heat exchanger required for retrofitting. As shown in Figure 12, heat exchanger N2 is added next to heat exchanger 2 to create a loop. The input process stream data of the heat exchanger and the maximum heat transfer coefficient from the single optimized MINLP model for plate heat exchanger N2 is then derived. The detailed optimization model for this single PHE can be reviewed in Xu et al. [27]. After rebalancing the network using a nonlinear optimization algorithm, the minimum utility consumption is achieved through adding two plate heat exchangers, which allows the ΔTmin of the PHEs to be as low as 5 °C, while the ΔTmin of other heat exchangers in the existing network is maintained (19 °C). The entire computation time for this case to obtain the best retrofit solution is around 40 min.
To quantify the economic benefit of the addition of the new PHE, Figure 13 shows the best retrofit where only shell and tube heat exchangers are used. To achieve the same energy recovery, this retrofit needs three structural modifications (e.g., adding two shell and tube heat exchangers and one stream split).
It can be clearly observed from Figure 12 and Figure 13 that the location of the heat exchanger for both cases is the same. This is because the same algorithm is applied to select the best modification step. However, only two structural modifications are required with the use of PHEs, compared to three when STHXs are used. Table 3 compares the different costs for both cases.
As shown in Table 3, some additional area and by-passes are added, mainly because of the constraints in the network structure. The installation cost of PHEs is 31% of that of STHXs. This is due to the higher overall heat transfer coefficient in PHEs, which leads to a lower area requirement. The payback time of the new retrofit method (with PHEs) is close to 2 years. This value is more than double in the case of STHXs, being estimated as around 5 and a half years. Thus, it can be concluded that the new proposed method is more cost-effective since it has less payback time.

5.2. Case Study 2

This case study is the simplified crude oil pre-heat train used in the work conducted by Akpomiemie and Smith [30]. The detailed heat exchanger network structure is shown in Figure 14, and Table 4 lists the stream properties for such network. In total, there are five hot streams and one cold stream, along with seven process heat exchangers and five utility heat exchangers. In this case, six utility passes and three loops give a total of nine degrees of freedom. The minimum approach temperature is 10 °C and the corresponding minimum hot and cold utilities consumptions are 10,958 kW and 0 kW, respectively. In contrast, the real utility consumption in the network is 14,455 kW and 657 kW for hot and cold utilities, respectively. The objective is to implement the proposed retrofit approach to achieve the maximum heat recovery at the existing ΔTmin.
After pinching the HEN (see Figure 15), the heat duty of cold utilities C1, C3 are decreased to 0 kW. Thus, the total number of utility paths decreases to four. There are two utility pinch temperatures. These are 62 °C (hot) and 52 °C (cold), and 40 °C (hot) and 30 °C (cold). The identified pinched exchangers are Exchangers 2, 4 and 6. In addition, there were no process cross-pinch exchangers, but exchangers C2 and C4 were identified as utility cross-pinch exchangers.

5.2.1. Best Single Modification Result

Using the guidelines described in this work, it can be said that the most beneficial single modification for retrofit will be either resequencing or adding a new PHE to create a loop. This is due to the presence of heat exchangers 3 and 7, which are located upstream of the pinched exchangers. Next, the network is analyzed to determine the feasibility of moving the entire heat load of the heat exchanger with the highest ΔTmin further downstream. The heat exchanger with the highest ΔTmin was identified to be Exchanger 7.
Moving Exchanger 7 downstream does not violate the network temperature constraint, as the inlet temperatures of the pinched exchangers on the cold stream C1 decreases, which in return allows for them to take up more heat load. Therefore, the best single modification for this case study is resequencing Exchanger 7. This unit is then moved to the outlet of the pinched exchanger furthest downstream and still on a viable utility path, i.e., Exchanger 4. Figure 16 shows the network for this best single modification.

5.2.2. Best Retrofit Solution (Multiple Modifications)

Once the network is pinched a second time, it is determined that Exchangers 2, 4 and 6 are pinched heat exchangers, and that utility exchangers C2 and C4 transfer heat across the pinch. From Figure 16, it can be noted that Exchanger 3 is located upstream from the pinched exchangers. As such, both resequencing and adding a new PHE to create a loop are the most beneficial options.
Next, the feasibility of moving all the heat load of Exchanger 3 is examined. When this is conducted, the network constraint is violated, as Exchanger 3 is moved to the outlet of the furthest pinched exchanger downstream. Therefore, the most beneficial option is to add a new PHE to create a loop with exchanger 3.
After adding a new PHE N, the maximum heat recovery at the existing ΔTmin (10 °C) is achieved as shown in Figure 17. The maximum heat transfer coefficient of plate heat exchanger N is derived based on the input stream data from the single optimized MINLP model. The entire computation time for this case to obtain the best retrofit solution is around 20 min.
To establish the usual comparison, the retrofit modification was determined for a conventional HEN with only STHXs. The resulting network structure shown in Figure 18. To achieve the same amount of energy saving, this alternative solution can also be achieved by a two-step modification. The detailed results of the two different approaches are listed in Table 5.
These two approaches provide the same number of modifications, but the heat load distribution is different. The heat load of the new plate heat exchanger is 1068 kW, higher than the conventional network. The proposed retrofitted network benefits from Exchanger 3 and its location, allowing it to release heat. The heat transfer of the new plate heat exchanger N is limited due to its presence in the utility path H-1-2-N-3-C1, where the heat load of heat exchanger C1 has been already reduced to 0. Nevertheless, even if more heat load were to be used on the new heat exchanger, the installation cost of adding the unit is USD 310,130. The total retrofit cost of the new proposed methodology is USD 449,330, which is USD 1,084,305 lower than the cost of the traditional retrofit. The payback of the traditional retrofit is 8.56 yr, and the payback of the proposed retrofit is 2.51 yr. In conclusion, the new proposed method is more cost-effective with the 2.51 yr for the payback period.

5.3. Case Study 3

To test the robustness of the proposed methodology, a more complex case [30], presents a higher number of units and streams. The structure of such a heat exchanger network is shown in Figure 19. In this case, there are five hot streams and five cold streams. Process conditions for each stream are listed in Table 6. As shown in Figure 16, there are five process heat exchangers, three hot utilities and four cold utilities. Three utility paths and two loops give the heat exchanger network five degrees of freedom. The minimum approach temperature of the existing heat exchanger network is 12 °C, and the hot and cold utility consumptions are 28,168 kW and 35,143 kW, respectively.
As usual, by pinching the network (see Figure 20), the resulting minimum hot and cold utility consumptions are 8300 kW and 15,275 kW, respectively, at the existing ∆Tmin. Exchangers 3 and 4 were identified as pinched units. The pinch temperatures for hot streams and cold streams are 330 °C and 320 °C, respectively. Exchangers 1, 2 and 3 were identified as process cross-pinch exchangers, and Exchanger H2 was identified as a utility cross-pinch exchanger.

5.3.1. Best Single Modification Result

Since there are no process heat exchangers upstream from the pinched exchangers, it is not possible for both adding a new PHE to create a loop and implementing resequencing to take place. The two pinched exchangers are not adjacent, which makes the implementation of stream splitting an infeasible solution as well.
Figure 21 shows the best single modification in this case. The new PHE is located on the utility path to connect the utility exchangers with highest duty (C1 and H2). Moreover, the new exchanger has been added after the pinched exchanger 4, so it does not transfer heat across the pinch, as indicated in the guidelines. It has also been added after Exchanger 5 with respect to stream C3, because Exchanger 5 is not on a utility path or loop. This ensures that the network energy balance is maintained. The overall heat transfer coefficient for the single plate heat exchanger is derived from the single optimized MINLP model in GAMS after inputting the process stream data. The new plate heat exchanger N allows the minimum approach temperature to be as low as 5 °C.
Once more, the economic benefit of the proposed retrofit can be evaluated by comparing its installation cost with that of a conventional retrofit for the same level of heat recovery. And the first-step modification for retrofit HEN by adding a new conventional heat exchanger is shown in Figure 22.
The installation cost of adding the new PHE (USD 33,472) is three times lower than the installation cost of adding a conventional STHX (USD 92,142). This again demonstrates the benefits of using higher performance units in retrofit strategies.

5.3.2. Best Retrofit Solution (Multiple Modifications)

The retrofit stopping criteria is to achieve the minimum utility consumption at the existing ΔTmin of 12 °C. By pinching the network again, Exchangers 1, 2 and 3 are identified as process cross-pinch exchangers. Based on the proposed methodology, the best second modification is to add a new plate heat exchanger to create a loop with the heat exchanger having the highest cross-pinch heat transfer (in this case, Exchanger 1). This is because there are no upstream heat exchangers from the pinched exchangers and the pinched exchangers are not adjacent to each other, which make resequencing an infeasible solution. Moreover, since the pinched exchanger is located on the streams with the most viable utilities (H3 and C4), adding a new plate heat exchanger to create a path is not a feasible solution, as the temperature constraint of that heat exchanger will be violated.
Based on these reasons, adding a new plate heat exchanger to create a loop is the best second modification. As shown in Figure 23, Exchanger N2 is added to connect utility exchangers H3 and C4, since only the cold utility C4 is not connected to a pinched exchanger. The same amount of energy recovery is achieved when adding a second new shell and tube heat exchanger.
After the second modification, the maximum heat recovery is not achieved. Therefore, the retrofit methodology is repeated until a feasible solution is obtained. The final retrofit solution is shown in Figure 24. To achieve the minimum utility consumption at the existing ΔTmin, seven new plate heat exchangers are added in total. To obtain the best retrofit solution, the total computation time is around 2 h.
The alternative retrofit using conventional heat exchangers requires nine modifications, and nine new STHXs exchangers are added to create a loop or utility path. This structure is shown in Figure 25. The comparison of these two retrofit options is listed in Table 7.
As a summary, the differences between these two sets of modifications are listed below:
  • In total, seven new PHEs are added to achieve the maximum heat recovery at the existing ΔTmin. Two more heat exchangers are needed when using conventional STHXs for the same energy recovery. This decrease in the number of required units is due to the lower minimum approach temperatures these units can be operated around, which use the energy available more effectively. Based on the retrofit result, the ΔTmin of the new heat exchangers N3, N4 and N6 is 5 °C.
  • When comparing Figure 24 and Figure 25, note that the new heat exchangers N1, N2, N3, N4 and N5 are added in the same location for both networks, but with different heat loads.
  • The total installation cost of the proposed retrofit is 18% of the total installation cost of the conventional strategy. Adding on the cost of extra area and installation of by-passes, the total retrofit cost of the new retrofit method is 41% of the total retrofit cost of the traditional retrofit method, indicating significant savings.
Therefore, it can be concluded that it is possible for the new retrofit method to reduce the retrofit cost, since plate heat exchangers have a higher heat transfer coefficient compared with shell-and-tube heat exchangers. The payback time of the new retrofit method is 3.14 years, which is 42% of the payback time of the traditional retrofit method.

6. Conclusions

A novel step-by-step methodology for the HEN retrofit, which deals with the possibility of designing retrofit strategies considering different minimum approach temperatures for the same HEN via the decoupling of local and global approach temperatures, is proposed. A multi-step retrofit methodology towards the maximum heat recovery at the existing minimum approach temperature is developed on top, to ensure the final solution satisfies all design and operational requirements (e.g., minimum installation cost, maximum heat recovery and minimum number of modifications).
The potential benefits of the proposed methodology are evaluated in three difference case studies. The results in all cases show demonstrate, in order to achieve the same amount of energy recovery, the utilization of plate heat exchangers can significantly reduce the total retrofit cost compared to conventional retrofit strategies, which only consider the use of STHXs. The advantages of PHTs in this context come from the lower minimum approach temperature these units present, which allows for higher heat recovery. The amount of energy saving was only limited by the design of the network (maximum heat recovery). However, the use of PHEs was demonstrated to always be beneficial, due to its low capital cost. Finally, based on the results of the third case study, which is more complex than the previous two, it was demonstrated that the payback time of the proposed methodology is 41% of that for the traditional retrofit method. In addition, the proposed method can be applied on a variety of HEN structures, offering flexibility for a variety of industrial processes.

Author Contributions

Conceptualization, R.S.; methodology, K.X.; software, K.X.; validation, K.X.; formal analysis, K.Q.; investigation, K.X.; resources, K.Q.; writing—original draft preparation, K.X.; writing—review and editing, R.S. and H.W.; supervision, R.S. All authors have read and agreed to the published version of the manuscript.

Funding

This paper received no external funding.

Institutional Review Board Statement

Not applicable.

Informed Consent Statement

Not applicable.

Data Availability Statement

Not applicable.

Conflicts of Interest

The authors declare no conflict of interest.

Nomenclature

Abbreviation
HENHeat exchanger network
LPLinear programming
NLPNon-linear programming
MILPMixed integer linear programming
MINLPMixed integer nonlinear programming
STHEShell and tube heat exchanger
Symbols
Q m a x Maximum heat recovery
Q e x i s t Existing energy consumption
Q P Cross-pinch heat transfer
ΔTminMinimum temperature approach
CpHeat capacity flowrate
Q H   Hot utility consumption
Q H m i n Minimum hot utility consumption
Q C   Cold utility consumption
Q C m i n Minimum cold utility consumption
TTout,iTarget temperature of process stream i
ΔTlocal,kLocal minimum approach temperature for PHE
ΔTglobal,jGlobal minimum approach temperature for STHE
HUHot utility
CUCold utility
∆TLMLogarithmic mean temperature difference
TRCTotal retrofit cost
BPCost of implementing by-pass
AACost of adding area
UCTotal cost of utility saving
QTotal heat load
X h Number of passes for the hot stream
X c Number of passes for the cold stream
nThe number of plates in each block
PtypeType of plate
Q 0 Process heat transfer requirement
Δ P Pressure drop
Δ P m a x Maximum pressure drop allowance
AHeat transfer area of PHE
UHeat transfer coefficient
Greek symbol
ε Payback time
βChevron angle
maxMaximum

References

  1. Ochoa-Estopier, L.M.; Jobson, M.; Chen, L. Area-based optimization approach for refinery heat exchanger networks. Appl. Therm. Eng. 2018, 129, 606–617. [Google Scholar] [CrossRef]
  2. Pan, M.; Bulatov, I.; Smith, R. Improving heat recovery in retrofitting heat exchanger networks with heat transfer intensification, pressure drop constraint and fouling mitigation. Appl. Energy 2016, 161, 611–626. [Google Scholar] [CrossRef]
  3. Smith, R.; Akpomiemie, M.O. Low Cost Retrofit Methods for Heat Exchanger Networks. Computer Aided Chemical Engineering; Elsevier: Amsterdam, The Netherlands, 2017; pp. 1789–1794. [Google Scholar]
  4. Wang, B.; Klemeš, J.J.; Varbanov, P.S.; Zeng, M. An extended grid diagram for heat exchanger network retrofit considering heat exchanger types. Energies 2020, 13, 2656. [Google Scholar] [CrossRef]
  5. Sundén, B.; Manglik, R.M. Plate Heat Exchangers: Design, Applications and Performance; Wit Press: Southampton, UK, 2007. [Google Scholar]
  6. Zhong, Y.; Deng, K.; Zhao, S.; Hu, J.; Zhong, Y.; Li, Q.; Wu, Z.; Lu, Z.; Wen, Q. Experimental and numerical study on hydraulic performance of chevron brazed plate heat exchanger at low Reynolds number. Processes 2020, 8, 1076. [Google Scholar] [CrossRef]
  7. Kakac, S.; Liu, H.; Pramuanjaroenkij, A. Heat Exchangers: Selection, Rating, and Thermal Design; CRC Press: Boca Raton, FL, USA, 2012. [Google Scholar]
  8. Su, H.; Hu, C.; Gao, Z.; Hu, T.; Wang, G.; Yu, W. Phase change and heat transfer characteristics of a corrugated plate heat exchanger. Processes 2019, 8, 26. [Google Scholar] [CrossRef] [Green Version]
  9. Kang, L.; Liu, Y. Synthesis of flexible heat exchanger networks: A review. Chin. J. Chem. Eng. 2019, 27, 1485–1497. [Google Scholar] [CrossRef]
  10. Tjoe, T.N.; Linnhoff, B. Using pinch technology for process retrofit. Chem. Eng. 1986, 93, 47–60. [Google Scholar]
  11. Li, B.-H.; Chang, C.-T. Retrofitting heat exchanger networks based on simple pinch analysis. Ind. Eng. Chem. Res. 2010, 49, 3967–3971. [Google Scholar] [CrossRef]
  12. Li, J.; Du, J.; Zhao, Z.; Yao, P. Efficient method for flexibility analysis of large-scale nonconvex heat exchanger networks. Ind. Eng. Chem. Res. 2015, 54, 10757–10767. [Google Scholar] [CrossRef]
  13. Ciric, A.R.; Floudas, C.A. A comprehensive optimization model of the heat exchanger network retrofit problem. Heat Recovery Syst. CHP 1990, 10, 407–422. [Google Scholar] [CrossRef]
  14. Huang, K.F.; Al-mutairi, E.M.; Karimi, I.A. Heat exchanger network synthesis using a stagewise superstructure with non-isothermal mixing. Chem. Eng. Sci. 2012, 73, 30–43. [Google Scholar] [CrossRef]
  15. Pavão, L.V.; Costa, C.B.; Ravagnani, M.A. A new stage-wise superstructure for heat exchanger network synthesis considering substages, sub-splits and cross flows. Appl. Therm. Eng. 2018, 143, 719–735. [Google Scholar] [CrossRef]
  16. Liu, Z.; Yang, L.; Yang, S.; Qian, Y. An extended stage-wise superstructure for heat exchanger network synthesis with intermediate placement of multiple utilities. Energy 2022, 248, 123372. [Google Scholar] [CrossRef]
  17. Gorji-Bandpy, M.; Yahyazadeh-Jelodar, H.; Khalili, M. Optimization of heat exchanger network. Appl. Therm. Eng. 2011, 31, 779–784. [Google Scholar] [CrossRef]
  18. Lewin, D.R. A generalized method for HEN synthesis using stochastic optimization—II: The synthesis of cost-optimal networks. Comput. Chem. Eng. 1998, 22, 1387–1405. [Google Scholar] [CrossRef]
  19. Dipama, J.; Teyssedou, A.; Sorin, M. Synthesis of heat exchanger networks using genetic algorithms. Appl. Therm. Eng. 2008, 28, 1763–1773. [Google Scholar] [CrossRef]
  20. Pintarič, Z.N.; Kravanja, Z. The two-level strategy for MINLP synthesis of process flowsheets under uncertainty. Comput. Chem. Eng. 2000, 24, 195–201. [Google Scholar] [CrossRef]
  21. Yee, T.F.; Grossmann, I.E. Optimization Model for Structural Modifications in the Retrofit of Heat Exchanger Networks; Carnegie Mellon University libraries: Pittsburgh, PA, USA, 1986. [Google Scholar]
  22. Yee, T.F.; Grossmann, I.E. A screening and optimization approach for the retrofit of heat-exchanger networks. Ind. Eng. Chem. Res. 1991, 30, 146–162. [Google Scholar] [CrossRef]
  23. Ma, K.-L.; Hui, C.-W.; Yee, T.F. Constant approach temperature model for HEN retrofit. Appl. Therm. Eng. 2000, 20, 1505–1533. [Google Scholar] [CrossRef]
  24. Asante, N.; Zhu, X. An automated approach for heat exchanger network retrofit featuring minimal topology modifications. Comput. Chem. Eng. 1996, 20, S7–S12. [Google Scholar] [CrossRef]
  25. Smith, R.; Jobson, M.; Chen, L. Recent development in the retrofit of heat exchanger networks. Appl. Therm. Eng. 2010, 30, 2281–2289. [Google Scholar] [CrossRef] [Green Version]
  26. Smith, R. Chemical Process Design and Integration; Wiley: New York, NY, USA, 2005; pp. 413–425. [Google Scholar]
  27. Xu, K.; Qin, K.; Wu, H.; Smith, R. A New Computer-Aided Optimization-Based Method for the Design of Single Multi-Pass Plate Heat Exchangers. Processes 2022, 10, 767. [Google Scholar] [CrossRef]
  28. Misener, R.; Floudas, C.A. ANTIGONE: Algorithms for continuous/integer global optimization of nonlinear equations. J. Glob. Optim. 2014, 59, 503–526. [Google Scholar] [CrossRef]
  29. Sprint, version 2.9; Centre for Process Integration—University of Manchester: Manchester, UK, 2016.
  30. Akpomiemie, M.O.; Smith, R. Retrofit of heat exchanger networks with heat transfer enhancement based on an area ratio approach. Appl. Energy 2016, 165, 22–35. [Google Scholar] [CrossRef]
Figure 1. An existing network.
Figure 1. An existing network.
Processes 10 01459 g001
Figure 2. Maximum energy recovery.
Figure 2. Maximum energy recovery.
Processes 10 01459 g002
Figure 3. Network pinch.
Figure 3. Network pinch.
Processes 10 01459 g003
Figure 4. Five different scenarios with cross-pinch heat transfer.
Figure 4. Five different scenarios with cross-pinch heat transfer.
Processes 10 01459 g004
Figure 5. Paths for multiple modifications.
Figure 5. Paths for multiple modifications.
Processes 10 01459 g005
Figure 6. Step-by-step algorithm for multi-modification.
Figure 6. Step-by-step algorithm for multi-modification.
Processes 10 01459 g006
Figure 7. The original heat exchanger network for case study 1.
Figure 7. The original heat exchanger network for case study 1.
Processes 10 01459 g007
Figure 8. Pinched heat exchanger for case study 1.
Figure 8. Pinched heat exchanger for case study 1.
Processes 10 01459 g008
Figure 9. Adding a new plate heat exchanger for case study 1.
Figure 9. Adding a new plate heat exchanger for case study 1.
Processes 10 01459 g009
Figure 10. Adding a new shell-and-tube heat exchanger for case study 1.
Figure 10. Adding a new shell-and-tube heat exchanger for case study 1.
Processes 10 01459 g010
Figure 11. Apply stream splitting for case study 1.
Figure 11. Apply stream splitting for case study 1.
Processes 10 01459 g011
Figure 12. Best retrofit solution by applying PHE for case study 1.
Figure 12. Best retrofit solution by applying PHE for case study 1.
Processes 10 01459 g012
Figure 13. Best retrofit solution by applying S&T HE for case study 1.
Figure 13. Best retrofit solution by applying S&T HE for case study 1.
Processes 10 01459 g013
Figure 14. The original structure of HEN for case study 2.
Figure 14. The original structure of HEN for case study 2.
Processes 10 01459 g014
Figure 15. The pinched HEN for case study 2.
Figure 15. The pinched HEN for case study 2.
Processes 10 01459 g015
Figure 16. The best modification for first step retrofit of HEN.
Figure 16. The best modification for first step retrofit of HEN.
Processes 10 01459 g016
Figure 17. The best retrofit solution for case study 2.
Figure 17. The best retrofit solution for case study 2.
Processes 10 01459 g017
Figure 18. The best retrofit solution for case study 2 by adding S&THX.
Figure 18. The best retrofit solution for case study 2 by adding S&THX.
Processes 10 01459 g018
Figure 19. The original structure of HEN.
Figure 19. The original structure of HEN.
Processes 10 01459 g019
Figure 20. The pinched HEN for case study 3.
Figure 20. The pinched HEN for case study 3.
Processes 10 01459 g020
Figure 21. The first-step modification for retrofit HEN by adding a new plate heat exchanger.
Figure 21. The first-step modification for retrofit HEN by adding a new plate heat exchanger.
Processes 10 01459 g021
Figure 22. The first-step modification for retrofit HEN by adding a new shell and tube heat exchanger.
Figure 22. The first-step modification for retrofit HEN by adding a new shell and tube heat exchanger.
Processes 10 01459 g022
Figure 23. The best second modification for retrofit HEN.
Figure 23. The best second modification for retrofit HEN.
Processes 10 01459 g023
Figure 24. Best retrofit solution for case study 3 with application of plate heat exchangers.
Figure 24. Best retrofit solution for case study 3 with application of plate heat exchangers.
Processes 10 01459 g024
Figure 25. Best retrofit solution for case study 3 with application of conventional heat exchangers.
Figure 25. Best retrofit solution for case study 3 with application of conventional heat exchangers.
Processes 10 01459 g025
Table 1. Cost data for case studies.
Table 1. Cost data for case studies.
Utility Cost DataRetrofit Cost Data
Hot utility cost ($/kW y): 50Cost of installation of PHE ($): 2.5∗(16,000 + 210∗A0.95)
Cold utility cost ($/kW y): 1.2Cost of installation of S&T HE ($): Ce = 2.5∗(28,000 + 54∗A1.2)
Implementing by-pass ($): 15,000
Cost of resequencing ($): 75,000
Cost of increasing heat exchanger area ($): 6000 + 200∗A
Table 2. Stream data of case study 1.
Table 2. Stream data of case study 1.
Stream NameTS (°C)TT (°C)Q (kW)Cp (kW/°C)U (kW/m2 °C)
H11597718,737228.50.40
H226780381520.40.30
H33439013,61153.80.25
C126127942393.30.15
C211826528,826196.10.50
Table 3. The comparison of two different methodologies.
Table 3. The comparison of two different methodologies.
New Retrofit MethodTraditional Retrofit Method
ModificationAdd 2 PHEAdd 2 S&T HE and 1 stream splitting
Installation cost of adding new HX ($)310,130996,715
Adding area ($)124,200 (E1,4,5,6,7)416,920 (E1,3,4,5,7)
Cost of stream splitting ($)75,00045,000
Total retrofit cost ($)509,3301458,635
Total utility saving ($)270,573270,573
Payback (yr)1.885.39
Table 4. The process data of case study 2.
Table 4. The process data of case study 2.
Stream NameTS (°C)TT (°C)Q (kW)Cp(kW/°C)U (kW/m2 °C)
H13109518,49086.00.5
H2299120383121.40.5
H32732504248184.70.5
H423095317323.50.5
H52061783623129.40.5
C15236044,321143.90.5
Table 5. The comparison results of two different technologies.
Table 5. The comparison results of two different technologies.
New Retrofit MethodTraditional Retrofit Method
ModificationAdd 1 PHE and 1 resequenceAdd 1 S&T HE and 1 resequence
Capital cost of adding new HX ($)310,130996,715
Adding area ($)124,200 (E1,4,5,6,7)416,920 (E1,3,4,5,7)
Cost of stream splitting ($)75,00045,000
Cost of resequencing75,00075,000
Total retrofit cost ($)449,3301,533,635
Total utility saving ($)178,996178,996
Payback (yr)2.518.56
Table 6. Stream data of case study 3.
Table 6. Stream data of case study 3.
NameTS (°C)TT (°C)Q (kW)Cp (kW/°C)U (kW/m2 °C)
H133021036,0003000.5
H245022034,5001500.5
H330013524,7501500.5
H438019038,0002000.5
H53407533,1251250.5
C124043039,9002100.5
C25515032,3003400.5
C37021030,8002200.5
C415036525,8001200.5
C520037030,6001800.5
Table 7. The comparison results of two different technologies.
Table 7. The comparison results of two different technologies.
New Retrofit MethodTraditional Retrofit Method
ModificationAdd 7 PHEAdd 9 S&T HE
Capital cost of adding new HX ($)1,257,7127,211,425
Adding area ($)1,873,100 (E1,2,3,4,5,6,7,10)377,126 (E1,2,5,6,7,10)
Cost of stream by-pass ($)60,00090,000
Cost of resequencing00
Total retrofit cost ($)3,190,8127,678,551
Total utility saving ($)1,017,2411,017,241
Payback (yr)3.147.55
Publisher’s Note: MDPI stays neutral with regard to jurisdictional claims in published maps and institutional affiliations.

Share and Cite

MDPI and ACS Style

Xu, K.; Qin, K.; Wu, H.; Smith, R. A Novel Step-by-Step Automated Heat Exchanger Network Retrofit Methodology Considering Different Heat Transfer Equipment. Processes 2022, 10, 1459. https://doi.org/10.3390/pr10081459

AMA Style

Xu K, Qin K, Wu H, Smith R. A Novel Step-by-Step Automated Heat Exchanger Network Retrofit Methodology Considering Different Heat Transfer Equipment. Processes. 2022; 10(8):1459. https://doi.org/10.3390/pr10081459

Chicago/Turabian Style

Xu, Kexin, Kang Qin, Hao Wu, and Robin Smith. 2022. "A Novel Step-by-Step Automated Heat Exchanger Network Retrofit Methodology Considering Different Heat Transfer Equipment" Processes 10, no. 8: 1459. https://doi.org/10.3390/pr10081459

APA Style

Xu, K., Qin, K., Wu, H., & Smith, R. (2022). A Novel Step-by-Step Automated Heat Exchanger Network Retrofit Methodology Considering Different Heat Transfer Equipment. Processes, 10(8), 1459. https://doi.org/10.3390/pr10081459

Note that from the first issue of 2016, this journal uses article numbers instead of page numbers. See further details here.

Article Metrics

Back to TopTop