Exploratory Research on Drainage Structure of Highway Tunnel Based on Reducing the Risk of Crystallization Blockage
Abstract
:1. Introduction
2. Field Survey and Sampling
3. Analysis and Discussion
- η—Number of defects per kilometer (place/km);
- M—Number of defects under a certain geological condition (place);
- L—Tunnel length (km).
4. Exploration of Drainage Structure
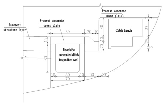
4.1. Adding Transverse Drainage Pipes to Cable Trenches
4.2. Novel Anti-Crystallization Drainage Water-Stop Belts for Construction Joints
- (1)
- Built-in drainage function. It can reduce the installation of the circular blind pipe, reduce the occurrence of the construction joint and lining water leakage in the tunnel operation phase, and effectively reduce the total cost and maintenance cost of tunneling, generating evident economic benefits;
- (2)
- The end formwork required for installation is reusable, and zero loss installation can be achieved requiring no disconnection of the end formwork or rebar fixture as an auxiliary tool;
- (3)
- When installing the conventional middle-buried type water-stop belt, the belt is placed in the middle of the lining, and reinforcing bars are trussed and secured by installing a fixture, complicating construction steps. While the novel water-stop belt fixation only requires the end formwork to be inserted in the middle of the water-stop wings below the “π” type belt on both sides, greatly shortening the installation time and improving the installation speed.
4.3. Optimization of the Material and Slope of Transverse Drainage Pipes
5. Conclusions
- (1)
- Lining water leakage and construction joint water leakage were the most prevalent defects in the tunnel drainage system of the Renhua–Xinfeng Expressway and the Yingde–Huaiji Expressway in Guangdong Province, accounting for 60% and 32% of total defects, respectively. The number of defects was greater in the drainage system of the tunnel containing granite, with the number of road seepages and inspection chamber crystallizations reaching 2.5/km and 2.8/km, respectively.
- (2)
- The groundwater was predominantly alkaline with a pH value of 8~12, Ca2+ (107 mg/L) was the cation with the largest ion concentration, and HCO3− (165 mg/L) was the anion with the largest ion concentration. Crystals in the tunnel drainage system were primarily square, spindle, and rhombic calcite and aragonite composed of CaCO3, mixed with a small amount of sediment.
- (3)
- To reduce the risk of crystal plugging of the tunnel drainage system and ensure the safety of the tunnel lining structure, a threefold structural optimization approach was proposed, namely, placing one-way drainage pipes between the cable trench and the roadside drainage ditch, applying “π” type novel anti-crystallization drainage water-stop belts at the circular construction joints in the secondary lining, and both increasing the slope of the transverse drainage pipes and using anti-crystallization drainage pipes.
Author Contributions
Funding
Institutional Review Board Statement
Informed Consent Statement
Data Availability Statement
Conflicts of Interest
References
- Hong, K.R.; Feng, H.H. Development trends and views of highway tunnels in china over the past decade. China J. Highw. Transp. 2020, 33, 62–76. [Google Scholar]
- Xiang, K.; Zhou, J.; Zhang, X.F.; Huang, C.; Song, L.; Liu, S.Y. Experimental study on crystallization rule of tunnel drainpipe in alkaline environment. Tunn. Constr. 2019, 39, 207–212. [Google Scholar]
- Ye, F.; Tian, C.M.; Zhao, M.; He, B.; Wang, J.; Han, X. The disease of scaling and cloging in the drainage pipes of a tunnel under construction in Yunnan. China Civ. Eng. J. 2020, 53, 336–341. [Google Scholar]
- Li, H.M.; Liu, S.Y.; Xiong, S.A.; Leng, H.; Chen, H.Q.; Zhang, B.; Liu, Z. Laboratory experimental study on influencing factors of drainage pipe crystallization in highway tunnel in karst area. Coatings 2021, 11, 1493. [Google Scholar] [CrossRef]
- Shin, J.H.; Lee, I.K.; Joo, E.J. Behavior of double lining due to long-term hydraulic deterioration of drainage system. Struct. Eng. Mech. 2014, 52, 1257–1271. [Google Scholar] [CrossRef]
- Liu, K.; Liu, X.R.; Zhong, Z.L.; Li, Y. Analysis on stress and stability of lining in partially-blocked tunnel drainage system. J. Eng. Sci. Technol. Rev. 2017, 10, 139–149. [Google Scholar] [CrossRef]
- Rinder, T.; Dietzel, M.; Leis, A. Calcium carbonate scaling under alkaline conditions—Case studies and hydrochemical modelling. Appl. Geochem. 2013, 35, 132–141. [Google Scholar] [CrossRef]
- Zhang, X.F.; Zhou, Y.F.; Zhang, B.; Zhou, Y.J.; Liu, S.Y. Investigation and analysis on crystallization of tunnel drainage pipes in chongqing. Adv. Mater. Sci. Eng. 2018, 2018, 7042693. [Google Scholar] [CrossRef] [Green Version]
- Qian, Z.Y.; Peng, H.H.; Lv, J.B.; Chen, G.F. Experimental study on chemical crystallization and siltation in drainage pipe of limestone tunnel in south china. Mod. Tunn. Technol. 2021, 58, 143–149. [Google Scholar]
- Huang, Z.Y.; Qi, C.F.; Xu, R.H.; Wang, Y.D.; Jiang, D.R. Analysis of factors influencing the blocking of tunnel drainage system in karst area. Mod. Transp. Technol. 2020, 17, 46–51. [Google Scholar]
- Jiang, Y.J.; Liu, S.G.; Zhou, R.; Lin, L.D.; Xiao, H.R. Study on causes and grade of disasters in lining drainage system of operating transportation tunnel. Railw. Stand. Des. 2022, 66, 124–129. [Google Scholar]
- Jung, H.S.; Han, Y.S.; Chung, S.R.; Chun, B.S.; Lee, Y.J. Evaluation of advanced drainage treatment for old tunnel drainage system in Korea. Tunn. Undergr. Space Technol. 2013, 38, 476–486. [Google Scholar] [CrossRef]
- Zhou, Y.; Zhang, X.; Wei, L.; Liu, S.; Zhou, C. Experimental study on prevention of calcium carbonate crystallizing in drainage pipe of tunnel engineering. Adv. Civ. Eng. 2018, 2018, 9430517. [Google Scholar] [CrossRef] [Green Version]
- Liu, S.Y.; Zhang, X.F.; Lu, H.Y.; Liu, Q.; Wang, B. The effect of flocking pvc pipe on the prevention and crystallization of tunnel drains. Sci. Technol. Eng. 2018, 18, 313–319. [Google Scholar]
- Liu, S.Y.; Zhang, X.F.; Lu, H.Y.; Liu, Q.; Wang, B. The effect of anti-crystallization of tunnel plumage drain pipe under different water filling state. Sci. Technol. Eng. 2018, 18, 156–163. [Google Scholar]
- Zhao, P.; Guo, X.X.; Ma, W.B. Research and application of dredge equipment for drainage pipeline in railway tunnel. Railw. Eng. 2018, 58, 30–32. [Google Scholar]
- Tian, C.M.; Ye, F.; Song, G.F.; Wang, Q.L.; Zhao, M.; He, B.; Wang, J.; Han, X.B. On mechanism of crystal blockage of tunnel drainage system and preventive countermeasures. Mod. Tunn. Technol. 2020, 57, 66–76. [Google Scholar]
- Ye, F.; Tian, C.M.; He, B.; Zhao, M.; Wang, J.; Han, X.B.; Song, G.F. Crystallization clogging test of drainage system under construction. J. China Highw. 2021, 34, 159–170. [Google Scholar]
- Liu, S.Y.; Gao, F.; Zhang, X.F.; Han, F.L.; Zhou, Y.F.; Xiang, K.; Xiao, D.J. Experimental study on anti-crystallization law of tunnel transverse flocking drainpipe at different velocities. Asia Pac. J. Chem. Eng. 2020, 15, e2470. [Google Scholar] [CrossRef]
- Wang, Y.D.; Liu, Y.; Qi, C.F.; Zhou, T.Y.; Ye, M.; Wang, T. Crystallization law of karst water in tunnel drainage system based on DBL theory. Open Phys. 2021, 19, 241–255. [Google Scholar] [CrossRef]
- Xie, Y.D.; Lv, Z.Q.; Liu, P. Optimization of waterproof construction technology for lining structural joints of water-rich mountain tunnel. Highway 2020, 65, 151–155. [Google Scholar]
- Liu, K.; Liu, X.R.; Zhong, Z.L.; Yi, L.; Wang, S. Regulation of external water pressure of tunnel lining with asymmetric blocked drainage system. Chin. J. Undergr. Space Eng. 2018, 14, 369–378. [Google Scholar]
- Gao, C.J.; Xiang, L.H.; Zhang, X.F.; Zhou, Y.F.; Liu, S.Y. Lining stress caused by crystal lization clogging of tunnel drainage pipe at different water levels. J. Chongqing Jiaotong Univ. 2019, 38, 45–51. [Google Scholar]
- Zhang, M.Q.; Jia, D.P.; Xin, W.K.; Wang, S.S.; Li, F.Y. New quality control technology of the railway tunnel lining construction joints. J. Railw. Eng. Soc. 2021, 38, 59–64. [Google Scholar]
- Xu, D.; Liu, J.; Ma, T.; Zhao, X.F.; Ma, H.; Li, J. Coupling of sponge fillers and two-zone clarifiers for granular sludge in an integrated oxidation ditch. Environ. Technol. Innov. 2022, 26, 102264. [Google Scholar] [CrossRef]
- Chen, F.X.; Jin, Z.Q.; Wang, E.D.; Wang, L.Q.; Jiang, Y.D.; Guo, P.F.; Gao, X.Y.; He, X.Y. Relationship model between surface strain of concrete and expansion force of reinforcement rust. Sci. Rep. 2021, 11, 4208. [Google Scholar] [CrossRef]
- Chen, F.X.; Zhong, Y.C.; Gao, X.Y.; Jin, Z.Q.; Wang, E.D.; Zhu, F.P.; Shao, X.X.; He, X.Y. Non-Uniform Model of Relationship between Surface Strain and Rust Expansion Force of Reinforced Concrete. Sci. Rep. 2021, 11, 8741. [Google Scholar] [CrossRef]
- Wang, Y.; Wang, H.; Zhou, B.; Fu, H. Multi-dimensional prediction method based on Bi-LSTMC for ship roll. Ocean Eng. 2021, 242, 110106. [Google Scholar] [CrossRef]
- Li, X.S.; Wang, Y.M.; Hu, Y.J.; Zhou, C.B.; Zhang, H. Numerical Investigation on Stratum and Surface Deformation in Underground Phosphorite Mining under Different Mining Methods. Front. Earth Sci. 2022, 10. [Google Scholar] [CrossRef]
- Ye, F.; He, B.; Tian, C.M.; Zhao, M.; Armaghani, D.J. Influence of sodium aluminate on calcium leaching of shotcrete in tunnels. Tunn. Undergr. Space Technol. 2021, 117, 104156. [Google Scholar] [CrossRef]
- Kauffman, G.B. VM Goldschmidt (1888–1947): Modern geochemical pioneer. S. Afr. J. Sci. 1998, 94, 203–206. [Google Scholar]
- Tantardini, C.; Oganov, A.R. Thermochemical electronegativities of the elements. Nat. Commun. 2021, 21, 22429. [Google Scholar] [CrossRef] [PubMed]
- Tantardini, C.; Benassi, E. Topology vs. thermodynamics in chemical reactions: The instability of PH5. Phys. Chem. Chem. Phys. 2017, 19, 27779–27785. [Google Scholar] [CrossRef] [PubMed] [Green Version]
- Liu, W. Experiment and mechanism of magnetic treatment for water scale prevention. Water Wastewater Eng. 2008, 1, 62–65. [Google Scholar]
- Jiang, Y.J.; Du, K.; Tao, L.; Zhao, J.M.; Xiao, H.R. Investigation and discussion on blocking mechanism of drainage system in karst tunnels. Railw. Stand. Des. 2019, 63, 131–135. [Google Scholar]
- Guo, X.X. Crystall ization m echanism and countermeasures of drainage system for railway tunnel. China Railw. Sci. 2020, 41, 71–77. [Google Scholar]
- Sun, R.; Wang, J.; Cheng, Q.; Mao, Y.; Ochieng, W.Y. A new IMU-aided multiple GNSS fault detection and exclusion algorithm for integrated navigation in urban environments. GPS Solut. 2021, 25, 147. [Google Scholar] [CrossRef]
- Cheng, H.; Sun, L.; Wang, Y.; Chen, X. Effects of actual loading waveforms on the fatigue behaviours of asphalt mixtures. Int. J. Fatigue 2021, 151, 106386. [Google Scholar] [CrossRef]
- Yan, W.G.; Cao, M.H.; Fan, S.Q.; Liu, X.H.; Liu, T.; Li, H.S.; Su, J. Multi-yolk ZnSe/2(CoSe2)@NC heterostructures confined in N-doped carbon shell for high-efficient sodium-ion storage. Compos. Part B Eng. 2021, 213, 108732. [Google Scholar] [CrossRef]
- Wang, G.; Liu, D.; Fan, S.; Li, Z.; Su, J. High-k erbium oxide film prepared by sol-gel method for low-voltage thin-film transistor. Nanotechnology 2021, 32, 215202. [Google Scholar] [CrossRef]
- Wu, Z.L.; Cui, Y.G.; Antoine, G.B.; Miguel, M.M.; Deng, Y.F. Role of surrounding soils and pore water in calcium carbonate precipitation in railway tunnel drainage system. Transp. Geotech. 2019, 21, 100257. [Google Scholar] [CrossRef]
- JTG 3370.1-2018; Specifications for Design of Highway Tunnels Section 1 Civil Engineering. People’s Communications Publishing House Co., Ltd.: Beijing, China, 2018.















| Tunnel Name | Geological Conditions | Research Location |
|---|---|---|
| Pingtian tunnel | Sandy slate | Northbound parking lot 1 |
| Qingshan tunnel | Silty sand | Inlet end of right tunnel |
| Gebu tunnel | Moderately weathered sandstone | Right tunnel main lane |
| Dongxin tunnel | Slightly weathered sandstone | Side wall of slow lane |
| Lidong tunnel | Moderately weathered limestone | Right tunnel slow lane |
| Bijiashan tunnel | Moderately weathered granite | Left tunnel crosswalk and right tunnel slow lane |
| Yaguishan tunnel | Slightly weathered granite | Overtaking lane at right tunnel and slow lane at left tunnel |
| Shiziqi tunnel | Strongly weathered sandstone | Right tunnel slow lane, left tunnel fast lane |
| Hehua tunnel | Sandy slate | Water diversion outside the tunnel |
| Taoyuan tunnel | Sandstone | Left tunnel entrance |
| Jiziling Ridge tunnel | Sandstone | No. 2 emergency stop zone of right tunnel |
| Tunnel Name | Crystal Blocking Position | Crystal Thickness (cm) |
|---|---|---|
| Bijiashan tunnel | RK725 + 145 cable trench | 10 |
| Pingtian tunnel | Side ditch of northbound No. 1 parking belt | 20 |
| Yaguishan tunnel | LK754 + 380 side type underdrain | 15 |
| Qingshan tunnel | RK692 + 895 side ditch | 5 |
| Gebu tunnel | RK682 + 210 crosswalk junction | 5 |
Publisher’s Note: MDPI stays neutral with regard to jurisdictional claims in published maps and institutional affiliations. |
© 2022 by the authors. Licensee MDPI, Basel, Switzerland. This article is an open access article distributed under the terms and conditions of the Creative Commons Attribution (CC BY) license (https://creativecommons.org/licenses/by/4.0/).
Share and Cite
Liu, S.; Zhang, X.; Chen, X.; Wang, C.; Chen, Y. Exploratory Research on Drainage Structure of Highway Tunnel Based on Reducing the Risk of Crystallization Blockage. Processes 2022, 10, 1319. https://doi.org/10.3390/pr10071319
Liu S, Zhang X, Chen X, Wang C, Chen Y. Exploratory Research on Drainage Structure of Highway Tunnel Based on Reducing the Risk of Crystallization Blockage. Processes. 2022; 10(7):1319. https://doi.org/10.3390/pr10071319
Chicago/Turabian StyleLiu, Shiyang, Xuefu Zhang, Xiangge Chen, Cheng Wang, and Yuchi Chen. 2022. "Exploratory Research on Drainage Structure of Highway Tunnel Based on Reducing the Risk of Crystallization Blockage" Processes 10, no. 7: 1319. https://doi.org/10.3390/pr10071319
APA StyleLiu, S., Zhang, X., Chen, X., Wang, C., & Chen, Y. (2022). Exploratory Research on Drainage Structure of Highway Tunnel Based on Reducing the Risk of Crystallization Blockage. Processes, 10(7), 1319. https://doi.org/10.3390/pr10071319
