Acute Effects of Intermittent High-Intensity Exercise on Cardiac Autonomic Regulation in Male Non-Elite Badminton Players: A Multi-Point Time Series Analysis
Abstract
1. Introduction
2. Materials and Methods
2.1. Study Design and Ethical Approval
2.2. Participants
2.3. Experimental Protocol
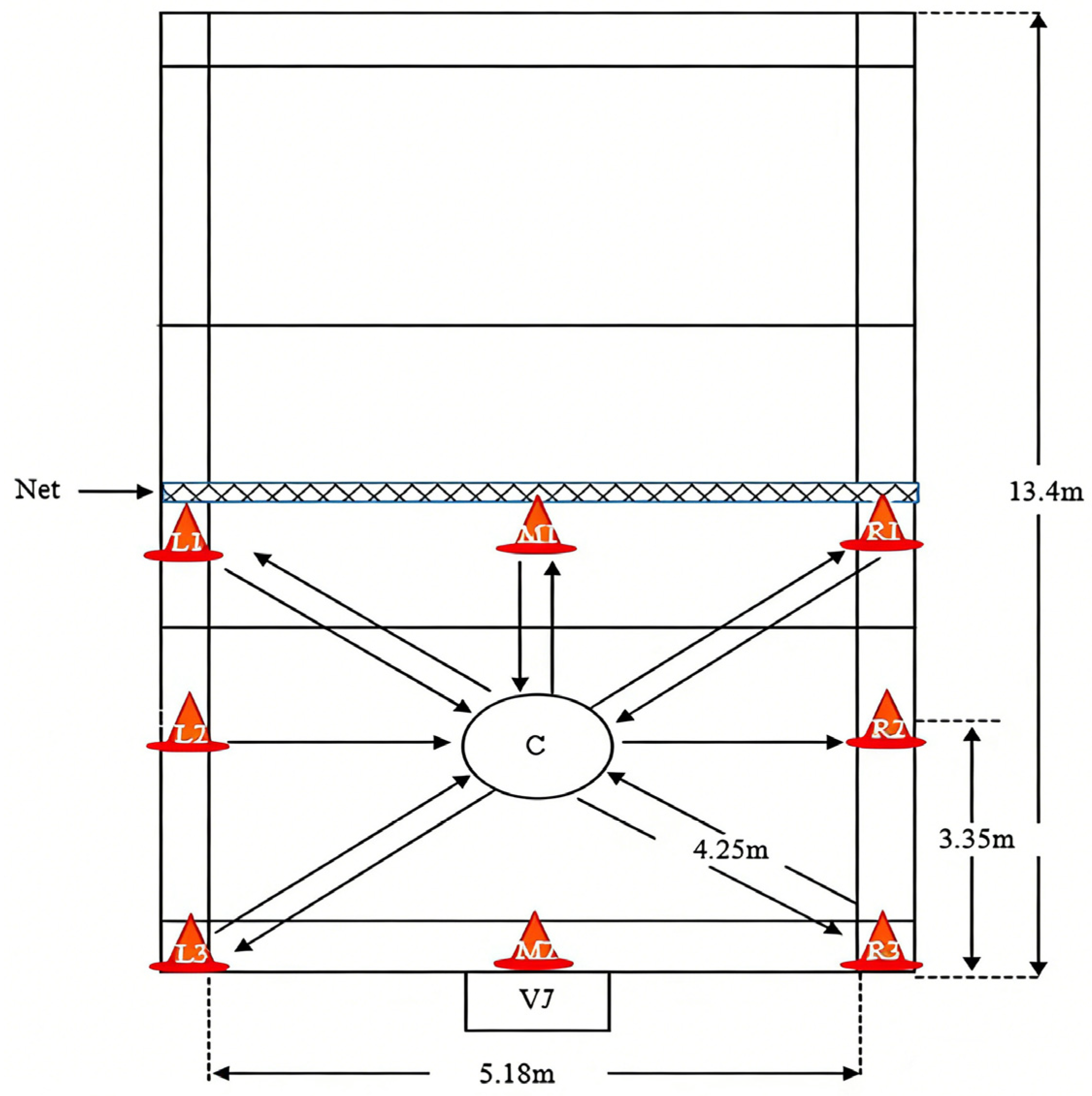
Intermittent High-Intensity Field Test
2.4. Statistical Analysis
3. Results
3.1. Trend of Changes in HRV Across Time Points
3.1.1. HR and SI
3.1.2. Time-Domain Parameters of HRV
3.1.3. Frequency-Domain Parameters of HRV
3.2. HRV Differences from Baseline and Effect Sizes
4. Discussion
5. Conclusions
Author Contributions
Funding
Institutional Review Board Statement
Informed Consent Statement
Data Availability Statement
Acknowledgments
Conflicts of Interest
Abbreviations
| HRV | Heart rate variability |
| SI | Stress index |
| RMSSD | Root mean square of successive differences between normal heartbeats |
| SDNN | Standard deviation of all normal heartbeat intervals |
| HF | High-frequency |
| LF | Low-frequency |
| FT | High-intensity intermittent court test |
| HR | Heart rate |
References
- Cabello-Manrique, D.; González-Badillo, J.J. Analysis of the characteristics of competitive badminton. Br. J. Sports Med. 2003, 37, 62–66. [Google Scholar] [CrossRef] [PubMed]
- Faude, O.; Meyer, T.; Rosenberger, F.; Fries, M.; Huber, G.; Kindermann, W. Physiological characteristics of badminton match play. Eur. J. Appl. Physiol. 2007, 100, 479–485. [Google Scholar] [CrossRef] [PubMed]
- Abián-Vicén, J.; Del Coso, J.; González-Millán, C.; Salinero, J.J.; Abián, P. Analysis of dehydration and strength in elite badminton players. PLoS ONE 2012, 7, e37821. [Google Scholar] [CrossRef] [PubMed]
- Task Force of the European Society of Cardiology and the North American Society of Pacing and Electrophysiology. Heart rate variability: Standards of measurement, physiological interpretation, and clinical use. Circulation 1996, 93, 1043–1065. [Google Scholar] [CrossRef]
- Wong, A.; Figueroa, A. Effects of Acute Stretching Exercise and Training on Heart Rate Variability: A Review. J. Strength Cond. Res. 2021, 35, 1459–1466. [Google Scholar] [CrossRef]
- Shaffer, F.; Ginsberg, J.P. An overview of heart rate variability metrics and norms. Front. Public Health 2017, 5, 258. [Google Scholar] [CrossRef] [PubMed]
- Billman, G.E. The LF/HF ratio does not accurately measure cardiac sympatho-vagal balance. Front. Physiol. 2013, 4, 26. [Google Scholar] [CrossRef]
- Buchheit, M. Monitoring training status with HR measures: Do all roads lead to Rome? Front. Physiol. 2014, 5, 73. [Google Scholar] [CrossRef]
- Papadakis, Z.; Grandjean, P.W.; Forsse, J.S. Effects of Acute Exercise on Cardiac Autonomic Response and Recovery in Non-Dialysis Chronic Kidney Disease Patients. Res. Q. Exerc. Sport 2023, 94, 812–825. [Google Scholar] [CrossRef]
- Leal-Menezes, R.; Rodrigues-Krause, J.; Dos Santos, G.C.; do Nascimento Queiroz, J.; Silva da Silva, C.; Umpierre, D.; Reischak-Oliveira, A. High-intensity interval aerobic exercise delays recovery from heart rate variability: A systematic review with meta-analysis. Clin. Auton. Res. 2025, 35, 365–379. [Google Scholar] [CrossRef] [PubMed]
- Buchheit, M.; Laursen, P.B. High-intensity interval training solutions to the programming puzzle. Sports Med. 2023, 53, 313–338. [Google Scholar] [CrossRef]
- Burma, J.; Macaulay, A.; Copeland, P.; Smirl, J. Recovery of Autonomic Function Following Moderate- and High-Intensity Exercise. Br. J. Sports Med. 2024, 58, A26–A27. [Google Scholar] [CrossRef]
- Burma, J.S.; Copeland, P.V.; Macaulay, A.; Khatra, O.; Smirl, J.D. Effects of high-intensity intervals and moderate-intensity exercise on baroreceptor sensitivity and heart rate variability during recovery. Appl. Physiol. Nutr. Metab. 2020, 45, 1156–1164. [Google Scholar] [CrossRef]
- Lundstrom, C.J.; Foreman, N.A.; Biltz, G. Practices and Applications of Heart Rate Variability Monitoring in Endurance Athletes. Int. J. Sports Med. 2023, 44, 9–19. [Google Scholar] [CrossRef]
- Souza Neto, E.G.; Peixoto, J.V.C.; Rank Filho, C.; Petterle, R.R.; Fogaça, R.T.H.; Wolska, B.M.; Dias, F.A.L. Effects of High-Intensity Interval Training and Continuous Training on Exercise Capacity, Heart Rate Variability and Isolated Hearts in Diabetic Rats. Arq. Bras. Cardiol. 2023, 120, e20220396. [Google Scholar] [CrossRef]
- Sassi, R.; Cerutti, S.; Lombardi, F.; Malik, M.; Huikuri, H.V.; Peng, C.-K.; Schmidt, G.; Yamamoto, Y.; Reviewers, D.; Gorenek, B.; et al. Advances in heart rate variability signal analysis: Joint position statement by the e-Cardiology ESC Working Group and the European Heart Rhythm Association co-endorsed by the Asia Pacific Heart Rhythm Society. Ep Eur. 2015, 17, 1341–1353. [Google Scholar] [CrossRef]
- Plews, D.J.; Laursen, P.B.; Stanley, J.; Kilding, A.E.; Buchheit, M. Training adaptation and heart rate variability in elite endurance athletes: Opening the door to effective monitoring. Sports Med. 2013, 43, 773–781. [Google Scholar] [CrossRef]
- Guo, Z.; Li, M.; Cai, J.; Gong, W.; Liu, Y.; Liu, Z. Effect of High-Intensity Interval Training vs. Moderate-Intensity Continuous Training on Fat Loss and Cardiorespiratory Fitness in the Young and Middle-Aged: A Systematic Review and Meta-Analysis. Int. J. Environ. Res. Public Health 2023, 20, 4741. [Google Scholar] [CrossRef]
- Coretti, M.; Donatello, N.N.; Bianco, G.; Cidral-Filho, F.J. An Integrative Review of the Effects of High-Intensity Interval Training on the Autonomic Nervous System. Sports Med. Health Sci. 2025, 7, 77–84. [Google Scholar] [CrossRef] [PubMed]
- Chin, M.K.; Wong, A.S.K.; So, R.C.; Siu, O.T.; Steininger, K.; Lo, D.T. Sport Specific Fitness Testing of Elite Badminton Players. Br. J. Sports Med. 1995, 29, 153–157. [Google Scholar] [CrossRef] [PubMed]
- Seiler, K.S.; Kjerland, G.Ø. Quantifying Training Intensity Distribution in Elite Endurance Athletes: Is There Evidence for an “Optimal” Distribution? Scand. J. Med. Sci. Sports 2006, 16, 49–56. [Google Scholar] [CrossRef]
- Tanaka, H.; Monahan, K.D.; Seals, D.R. Age-predicted maximal heart rate revisited. J. Am. Coll. Cardiol. 2001, 37, 153–156. [Google Scholar] [CrossRef] [PubMed]
- Antelmi, I.; Chuang, E.Y.; Grupi, C.J.; Latorre, M.D.R.D.D.O.; Mansur, A.J. Heart Rate Recovery After Treadmill Electrocardiographic Exercise Stress Test and 24-h Heart Rate Variability in Healthy Individuals. Arq. Bras. Cardiol. 2008, 90, 413–418. [Google Scholar] [CrossRef][Green Version]
- Huizinga, J.D.; Chen, J.H.; Hussain, A.; Zheng, D.; Liu, L.; Lui, H.; Pan, M.; Chen, X.; DiBattista, B.; Alam, M.; et al. Determining autonomic sympathetic tone and reactivity using Baevsky’s stress index. Am. J. Physiol.-Regul. Integr. Comp. Physiol. 2025, 328, R562–R577. [Google Scholar] [CrossRef]
- Billman, G.E. Heart Rate Variability—A Historical Perspective. Front. Physiol. 2011, 2, 86. [Google Scholar] [CrossRef]
- Buchheit, M.; Simpson, M.B.; Al Haddad, H.; Bourdon, P.C.; Mendez-Villanueva, A. Monitoring Changes in Physical Performance with Heart Rate Measures in Young Soccer Players. Eur. J. Appl. Physiol. 2012, 112, 711–723. [Google Scholar] [CrossRef]
- Manresa-Rocamora, A.; Sarabia, J.M.; Javaloyes, A.; Flatt, A.A.; Moya-Ramón, M. Heart Rate Variability-Guided Training for Enhancing Cardiac-Vagal Modulation, Aerobic Fitness, and Endurance Performance: A Methodological Systematic Review with Meta-Analysis. Int. J. Environ. Res. Public Health 2021, 18, 10299. [Google Scholar] [CrossRef]
- Molina, G.E.; Fontana, K.E.; Porto, L.G.G.; Junqueira, L.F. Post-Exercise Heart-Rate Recovery Correlates to Resting Heart-Rate Variability in Healthy Men. Clin. Auton. Res. 2016, 26, 415–421. [Google Scholar] [CrossRef]
- Carrasco-Poyatos, M.; López-Osca, R.; Martínez-González-Moro, I.; Granero-Gallegos, A. HRV-Guided Training vs Traditional HIIT Training in Cardiac Rehabilitation: A Randomized Controlled Trial. GeroScience 2024, 46, 2093–2106. [Google Scholar] [CrossRef]
- Phomsoupha, M.; Laffaye, G. The Science of Badminton: Game Characteristics, Anthropometry, Physiology, Visual Fitness and Biomechanics. Sports Med. 2015, 45, 473–495. [Google Scholar] [CrossRef] [PubMed]
- Quintana, D.S.; Heathers, J.A.J. Considerations in the assessment of heart rate variability in biobehavioral research. Front. Psychol. 2014, 5, 805. [Google Scholar] [CrossRef] [PubMed]





| Variable | Units | Description |
|---|---|---|
| HRV | Ms | All NN intervals in the total number divided by the height |
| SI | Stress index, an integrated quantitative measure developed by combining key HRV parameters from both time-domain and frequency-domain analyses, which are fitted using an algorithm grounded in a physiological model of the autonomic nervous system | |
| Time-domain parameters | ||
| RMSSD | ms | Root mean square of successive differences between normal RR intervals, reflecting parasympathetic activity |
| SDNN | ms | Standard deviation of all normal RR intervals, representing overall autonomic modulation |
| Frequency-domain parameters | ||
| LF | ms2 | Low-frequency power (0.04–0.15 Hz), associated with both sympathetic and parasympathetic influences |
| HF | ms2 | High-frequency power (0.15–0.40 Hz), primarily reflective of parasympathetic activity |
| LF/HF | Ratio LF(ms2)/HF(ms2), widely used as an index of sympathovagal balance | |
| Characteristics | Subjects (n = 25) |
|---|---|
| Age (years) | 19.8 ± 0.9 |
| Weight (kg) | 63.6 ± 5.1 |
| Height (cm) | 174.0 ± 4.0 |
| BMI (kg/m2) | 21.5 ± 1.6 |
| Experience of playing (years) | 1.24 ± 0.5 |
| Height with arm reach (cm) | 220.9 ± 6.7 |
| Leg length (cm) | 80.9 ± 3.1 |
| Blood pressure | |
| Systolic blood pressure (mmHg) | 121.3 ± 18.4 |
| Diastolic blood pressure (mmHg) | 59.4 ± 11.9 |
| HRV | Pre-Test | Immediate | 15 min | 24 h | 48 h | p for Trend | Partial η2 |
|---|---|---|---|---|---|---|---|
| HR (beats/min) | 65.64 ± 7.61 | 177.20 ± 7.92 a | 94.04 ± 14.17 a,b | 68.04 ± 5.91 b,c | 65.92 ± 4.59 b,c | <0.001 | 0.973 |
| SI | 36.92 ± 10.86 | 45.16 ± 10.59 a | 46.76 ± 8.93 a | 36.08 ± 9.95 b,c | 41.68 ± 12.87 | <0.001 | 0.236 |
| Time-domain parameters | |||||||
| RMSSD (ms) | 46.70 ± 21.47 | 11.22 ± 2.98 a | 15.09 ± 6.30 a | 45.96 ± 24.30 b,c | 41.85 ± 19.92 b,c | <0.001 | 0.553 |
| SDNN (ms) | 63.93 ± 24.01 | 15.51 ± 5.19 a | 22.62 ± 9.76 a,b | 62.78 ± 32.04 b,c | 53.96 ± 20.65 b,c | <0.001 | 0.586 |
| Frequency-domain parameters | |||||||
| LF (ms2) | 7.16 ± 0.98 | 6.96 ±0.88 | 6.96 ±0.89 | 7.12± 0.73 | 6.76 ± 1.09 | 0.489 | 0.035 |
| HF (ms2) | 5.96 ± 0.88 | 5.88± 0.88 | 5.64 ± 0.76 | 6.00 ± 0.70 | 5.88 ± 0.70 | 0.421 | 0.039 |
| LF/HF | 1.21 ± 0.14 | 1.19 ± 0.12 | 1.24 ±0.13 | 1.20 ± 0.15 | 1.15 ± 0.15 | 0.242 | 0.055 |
| HRV | Difference (95%CI) | p | Hedges’ g |
|---|---|---|---|
| HR (beats/min) | |||
| Immediate | −111.56 (−119.27, −103.84) | <0.001 | 14.39 |
| 15 min | −28.40 (−37.10, −19.69) | <0.001 | 2.49 |
| 24 h | −2.40 (−6.98, −2.18) | 1.000 | 0.36 |
| 48 h | −0.28 (−4.53, 3.97) | 1.000 | 0.05 |
| SI | |||
| Immediate | −8.24 (−15.85, −0.63) | 0.027 | 0.77 |
| 15 min | −9.84 (−16.61, −3.07) | 0.002 | 0.99 |
| 24 h | 0.84 (−6.62, 8.30) | 1.000 | 0.08 |
| 48 h | −4.76 (−12.41, 2.89) | 0.667 | 0.39 |
| HRV | Difference (95%CI) | p | Hedges’ g |
|---|---|---|---|
| RMSSD (ms) | |||
| Immediate | 35.44 (21.95, 48.93) | <0.001 | 2.31 |
| 15 min | 31.64 (17.85, 45.42) | <0.001 | 1.99 |
| 24 h | 0.72 (−17.72, 19.16) | 1.000 | 0.03 |
| 48 h | 4.88 (−12.54, 22.30) | 1.000 | 0.23 |
| SDNN (ms) | |||
| Immediate | 48.44 (32.49, 64.38) | <0.001 | 2.78 |
| 15 min | 41.48 (26.23, 56.72) | <0.001 | 2.25 |
| 24 h | 1.28 (−24.01, 26.57) | 1.000 | 0.04 |
| 48 h | 10.00 (−8.17, 28.17) | 1.000 | 0.44 |
| HRV | Difference (95%CI) | p | Hedges’ g |
|---|---|---|---|
| LF (ms2) | |||
| Immediate | 0.20 (−0.59, 0.99) | 1.000 | 0.21 |
| 15 min | 0.20 (−0.39, 0.79) | 1.000 | 0.21 |
| 24 h | 0.04 (−0.68, 0.76) | 1.000 | 0.05 |
| 48 h | 0.40 (−0.37, 1.17) | 1.000 | 0.38 |
| HF (ms2) | |||
| Immediate | 0.08 (−0.56, 0.72) | 1.000 | 0.09 |
| 15 min | 0.32 (−0.20, 0.84) | 0.727 | 0.38 |
| 24 h | −0.04 (−0.67, 0.59) | 1.000 | 0.05 |
| 48 h | 0.08 (−0.53, 0.69) | 1.000 | 0.10 |
| LF/HF | |||
| Immediate | 0.02 (−0.11, 0.15) | 1.000 | 0.15 |
| 15 min | −0.03 (−0.14, 0.08) | 1.000 | 0.22 |
| 24 h | 0.01 (−0.10, 0.13) | 1.000 | 0.07 |
| 48 h | 0.06 (−0.06, 0.18) | 1.000 | 0.41 |
Disclaimer/Publisher’s Note: The statements, opinions and data contained in all publications are solely those of the individual author(s) and contributor(s) and not of MDPI and/or the editor(s). MDPI and/or the editor(s) disclaim responsibility for any injury to people or property resulting from any ideas, methods, instructions or products referred to in the content. |
© 2026 by the authors. Licensee MDPI, Basel, Switzerland. This article is an open access article distributed under the terms and conditions of the Creative Commons Attribution (CC BY) license.
Share and Cite
Huang, H.; Jiang, H.; Huang, H.; Li, S.; Liu, S. Acute Effects of Intermittent High-Intensity Exercise on Cardiac Autonomic Regulation in Male Non-Elite Badminton Players: A Multi-Point Time Series Analysis. Healthcare 2026, 14, 864. https://doi.org/10.3390/healthcare14070864
Huang H, Jiang H, Huang H, Li S, Liu S. Acute Effects of Intermittent High-Intensity Exercise on Cardiac Autonomic Regulation in Male Non-Elite Badminton Players: A Multi-Point Time Series Analysis. Healthcare. 2026; 14(7):864. https://doi.org/10.3390/healthcare14070864
Chicago/Turabian StyleHuang, Heping, Hongfei Jiang, Huiming Huang, Shenguang Li, and Su Liu. 2026. "Acute Effects of Intermittent High-Intensity Exercise on Cardiac Autonomic Regulation in Male Non-Elite Badminton Players: A Multi-Point Time Series Analysis" Healthcare 14, no. 7: 864. https://doi.org/10.3390/healthcare14070864
APA StyleHuang, H., Jiang, H., Huang, H., Li, S., & Liu, S. (2026). Acute Effects of Intermittent High-Intensity Exercise on Cardiac Autonomic Regulation in Male Non-Elite Badminton Players: A Multi-Point Time Series Analysis. Healthcare, 14(7), 864. https://doi.org/10.3390/healthcare14070864
