Abstract
This paper considers the equipment and power supply schemes for urban water supply, heat supply and sewerage pumping stations. Mathematical calculations of the impact of the static and full centrifugal pumps pressure ratio on the dynamic stability of synchronous electric motors were carried out. An analysis of the influence of pump parameters and engine load on the run-down parameters and drive stability during power shutdowns was carried out. It has been theoretically proven and practically confirmed that ensuring the stability of pumping station drives and the reduction in enterprise losses during various short-term disruptions in power supply networks can be provided by means of a high-speed backup source with a response time of less than 9 ms, dynamic voltage dip compensators with a response time of less than 3 ms and uninterruptible power supply sources.
Keywords:
automatic reserve power supply activation; water hammer; dynamic stability; dynamic voltage dip compensator; uninterruptible power supply source; centrifugal pumps; mathematical model; self-start; synchronous motor MSC:
34C60; 34E60; 37B05; 37B25; 78-10; 74H55; 90C30; 97Ì50; 34G20; 34A05
1. Introduction
Investments in the water supply, sanitation and wastewater treatment sector reach about USD ten billion in Russia, and over USD 130 billion per year in major European countries [1]. The works [2,3] provide data on specific losses measured in kW caused to registered end-user power consumption by sudden power supply disruptions in various industries and municipal enterprises, depending on the duration of the disruption.
It is known from practice that, on average, electricity costs for water supply and sewerage enterprises in Russia amount to 18–21% of the total overheads of the enterprise [4,5]. It is these losses that we propose to eliminate using the proposed method and technical solution.
In order to reduce costs and losses from repeated self-starting of pumping stations electric motors, it is necessary to eliminate unwanted transient processes during short-term voltage dips due to disturbances in the supply network [6,7,8,9,10]. Ensuring the appropriate category of reliability of power supply to pumping stations consumers depends both on the reliable and high-quality operation of relay protection and automation (RPA) [11] used in power supply systems of stations, and on the equipment used.
The main electrical receivers of water and heat supply and sewerage systems are synchronous and asynchronous electric motors of pumps, fans, smoke exhausters, which have a high load coefficient. Synchronous (SM) and asynchronous motors (AM) are very sensitive to short-term outages of power supply [6,7,12,13], since in many cases the conditions for their self-starting after the restoration of power supply on the basis of existing automation systems are not provided. Distortion of the dynamic stability of electric motors is a common cause of operational failures of water and heat supply systems, wastewater disposal and, in some cases, accidents (with the rupture of pipelines) with a long-term interruption of coolant supply [3,14].
According to the State Standard (GOST) R 32144-2013 and IEC-61000-4-30 [15,16], a voltage dip is a temporary decrease in voltage at a specific point in the electrical system below an established threshold value (a decrease in voltage on the busbars of an electrical receiver by more than 10% of followed by recovery). Existing devices and the design principle of automatic transfer of reserve (ATS) [11] with a switching time of 0.1 s do not allow for rapid switching to a backup source, and taking into account regulatory requirements for the stability of power systems [17] where the minimum time of automatic transfer in 110 kV networks is 0.18 s. This length of time is enough for synchronous motors to fall out of synchronism, and for asynchronous motors to stall, for AC drives to be disabled, for variable frequency drives (VFDs) and pumps for technological protections to be turned off and for contactors and 380 V starters to be turned off.
2. Equipment and Technological Processes of Urban Water Supply and Sewerage Systems
The city’s water supply system is a complex of engineering structures designed to collect water from open or underground natural sources, supply it to treatment and disinfection facilities and transport and supply it to consumers, as well as store certain water reserves [18].
The pumping stations of urban water supply systems are divided by their functions: pumping stations of the first lift pump untreated water from water intake facilities to treatment facilities or to the pumping station of the next stage of pumping, the second lift (depending on the height of the water level rise to treatment facilities, a third lift may be required), which supply purified water to the city’s water supply network and are designed to increase pressure in the water supply network or in the water pipeline [19,20].
Pumping stations of urban water supply and sewerage systems are usually equipped with centrifugal horizontal or vertical pumps. In addition to the main pumping equipment, the pumping station buildings contain [19,20] switchgears (SG), transformer substations (TS), waste retention devices (grids or rotating meshes) and also various shut-off devices (gates, latches, valves) which are usually provided with electric drives, technical water supply equipment, drainage and drainage systems, pump priming systems, lifting and transport equipment, instruments and devices, various cabinets and control stations and starting and control devices. In order to prevent the reverse flow of water in the pressure pipeline, a check valve is installed between the pressure pipe of the pump and the pressure valve [19,20].
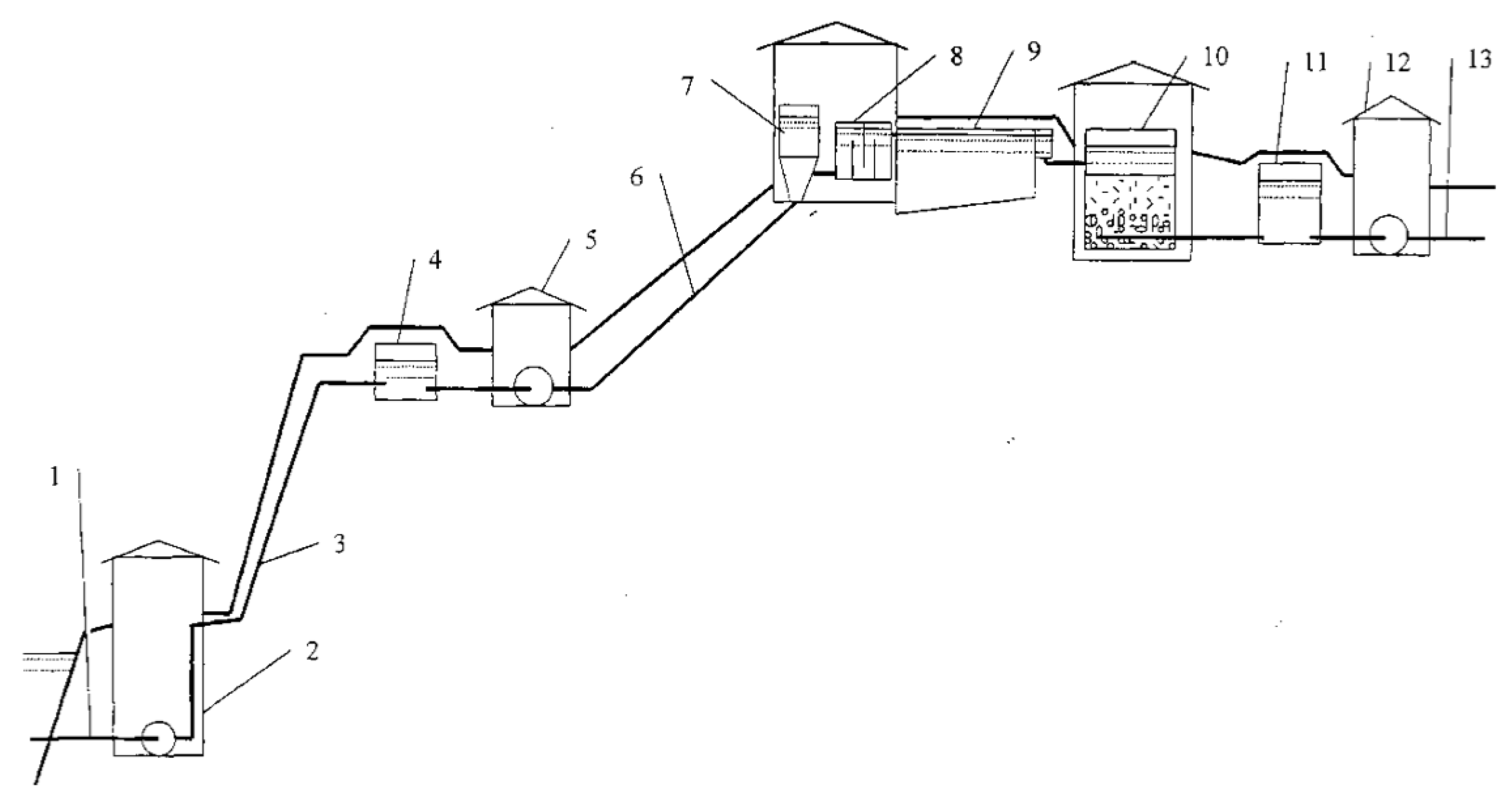
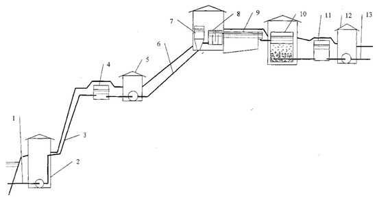
City water supply systems that take water from open sources are equipped with a large unit power for pumping machines of the first and second lifts, where synchronous electric motors are most often used as a drive [6,8,19]. Thus, at the pumping stations of the first lift of water pipelines in Samara and Saratov, pumps with synchronous motors with a power of up to 3.2 MW are installed. The pumping stations of the first and second lifts of Ulyanovsk and Cheboksary contain such motors of 1.6 and 1.25 MW each. A diagram of the headworks of a city’s water supply with water intake from an open source is shown in Figure 1.
Figure 1.
Diagram of the headworks of the water pipeline with water intake from an open source. (1 is a gravity conduit; 2 is the pumping station of the 1st lift; 3 is a conduit from the pumping station of the 1st lift to the pumping station of the 2nd lift; 4 is a raw water tank; 5 is a pumping station of the 2nd lift; 6 is raw water conduit; 7 is a mixer; 8 is a reaction chamber; 9 is a sump; 10 are filters; 11 is a clean water tank; 12 is the pumping station of the 3rd lift; 13 are drinking water conduits to the city water supply network).
One of the dangerous operating modes of water supply and sewerage systems is “hydraulic hammer”, which is understood as an unsteady mode of fluid movement with practically noticeable pressure fluctuations, which can reach large values and become dangerous for the strength of the pipeline and fittings. Repeated periodically, these phenomena lead to wear and tear up the system, and as a consequence, this supposes significant costs for repairs.
In the simplest cases, the magnitude of the hydraulic hammer measured in meters of water column (m water column) is determined by the expression given in [20,21]:
where is a positive or negative increment (in time) of fluid velocity in m/s; a is the speed of propagation of the wave of pressure decrease or increase in m/s, which, in calculations according to [20,22], is taken for metal pipes from 500 m/s to 1200 m/s; g is the acceleration of gravity in m/s2.
A significant hydraulic hammer according to (1) in a water pipeline occurs when the speed of water movement quickly decreases as a result of the rapid closing of the gate (valve) or a sudden loss of power supply to the pumping units. Moreover, a sudden loss of power supply to a pumping station is the most common cause of water hammer [19], so we will propose a solution to this problem later in the article.
Using the -characteristics of centrifugal pumps and the resistance characteristics [19,20], it is possible to determine the closing time of the check valve of the pumping unit of the 1st lift pumping station after a power outage and the occurrence of a water hammer, assuming that the valve closes when the pressure developed by the pump is lower than the static pressure in the water pipeline.
Taking the working pressure of the pumps of the pumping station equal to m; height difference from the level of the reservoir of the second lift pumping station to the surface of the water in the reservoir m; relative starting torque of the D-4000-95-2 pump ; parameters of the water pipeline (diameter 1000 mm and length 1000 m between the pumping station of the first lift and the reservoir of the pumping station of the second lift), according to the characteristics of the centrifugal pump obtained by interpolation, we determine that the resistance characteristic of the water pipeline with a ratio touches at the point -characteristics of the pump with a relative rotation speed.
Thus, with such a run-out of the pumping unit, the speed of water in the pipeline at the pump will be zero and the check valve will close. The run-down time of the unit according to the electromechanical equation of motion of the unit, motor–mechanism (pump), is determined by the formula as follows:
and under the above conditions we will have s.
The electromechanical constant of the motor–pump unit, according to the formula given in [6,8] and catalog data [8]: tm2; tm2; kW will be equal to:
Thus, the run-down time of the pump unit before the check valve begins to close will be: s.
The time for complete closure of the check valve will be 0.4–0.5 s, which is far less than the time for the shock wave to cross through the pipeline in the forward and reverse directions, even at the highest speed of propagation of the shock wave, equal to 1000 m/s; therefore, the hydraulic hammer will be complete and the most dangerous.
Water hammer, which occurs when there is a sudden loss of power supply to the drives of a pumping station, can significantly exceed the values allowed under the conditions of the strength of pipelines and fittings. A very large increase in pressure can occur when power supply is restored to the pump motor before the discontinuity in flow is eliminated. In this case, the returning column of water will not meet a closed check valve, but a column of water moving towards it [18,22].
3. Technologies and Calculation Methods
3.1. Features of Power Supply Schemes for Water Supply and Sanitation of Cities to Provide Economical Operation of Pumping Stations
Until 1973, power supply schemes for city water supply pumping stations included one sectionalized sectional disconnector busbar system RU-6(10) kV. They contained one working, second backup input and an ATS device on the input switch of the backup input.
These schemes have significant disadvantages compared to schemes with a single busbar system sectioned by a circuit breaker: less flexibility, worse conditions for self-starting of electric motors during an automatic transfer of reserve (ATS) (the entire load is transferred to the backup power source, and not parts of it) and others. They do not allow the provision of separate power supply to the electric motors of pumping units from independent sources in order to eliminate strong water hammer when one power source is turned off. In the event of damage to the power supply system, a short-term interruption in the power supply (SDI) occurs to all electrical receivers connected to the busbars.
Therefore, at present, power supply schemes with one 6(10) kV busbar system sectioned by switches are more often used. In the case when, in accordance with the requirements of [23], electrical receivers belong to a special group of category I, a circuit with three or more sections of busbars equipped with an ATS device on sectional switches is used.
Electricity supply to city water supply systems and sewerage pumping stations is carried out via one double-circuit overhead line (OHL) or two cables laid in one trench, which does not provide the required reliability. Often step-down substations with separators and short-circuiters on the high-voltage side are connected to the taps of overhead lines providing electricity to large water supply and sewerage pumping stations, which create short-term interruptions in power supply lasting several seconds while the automatic reclosure (AR) is activated. Such interruptions lead to serious disruptions in water supply and pumping of wastewater; that is, they lead to significant material damage, especially in cases where self-starting of pump electric motors is not ensured [6,9,10].
The correct choice of external power supply scheme does not fully solve the problem of increasing the reliability and efficiency of providing electricity to water supply and sewerage facilities.
It is possible to increase the reliability of power supply and the economic efficiency of sewage treatment plants and pumping stations by using the hydraulic and thermal energy of wastewater, as well as the energy of burning dried sewage sludge and the methane obtained from its fermentation, that is, by organizing a second additional input at each section of the distribution device. By recycling the energy of industrial wastewater in a city with a population of 700,000 people, it is possible to obtain useful electrical and thermal power of about 82 MW [24], and to purify the same amount of wastewater, 3.7 MW of electrical power and about 6 MW of thermal power are required. All this will also have a positive effect on reducing environmental pollution.
Disruption of the dynamic stability of synchronous electric motors is a common cause of the failure of technological processes of continuous production [6,7,9], including in water supply and sewerage systems. Quite often, damage to synchronous electric motors causes accidents [6,8,12]. Every year, from 6 to 13% of electric operational motors with voltages above 1 kV get out of service [25], and in 80 to 95% of cases, the stator winding is damaged. In operation, there were cases of damage in the frontal parts of the SM stator winding from dynamic forces when the motor fell out of synchronism as a result of a deep voltage drop during an unsuccessful autorecloser in the 110 kV network.
When automatic excitation control devices (AEC) of synchronous motors are disabled and low excitation currents take place, the synchronous operation of the motor can be disrupted even with voltage dips lasting less than 0.1 s or with a short-term (several seconds) decrease in the network voltage by only 10–20% [6,7,10].
3.2. An Estimate of the Ratio of Static and Total Pressure Centrifugal Pumps to the Dynamic Stability of Synchronous Electric Motors
Let the equation of electromechanical transient processes be as follows:
where is the value of the angle in the mode preceding the power supply failure in radians; is the difference between the mechanical resistance torque ( and the electromagnetic torque ( of the in relative units (r.u.); is time of power supply failure in s; electromechanical time constant of the motor-mechanism unit; frequency of alternating current power supply. The angular velocity (slip) of the motor is determined from the equation of motion of the engine:
where s is the rotor slip, determined by , and is the angular frequency of rotation of the ; t is current time; is the moment of resistance of the mechanism:
is the initial moment of resistance of the mechanism (when , is the load factor of the motor, SM, is an indicator of the dependence degree of the resistance moment of the mechanism on the angular frequency of rotation of the engine. In the case of a power loss caused by turning off the switch in the power supply circuit, the electromagnetic torque and then by transforming the Equations (5) and (6), we obtain:
For convenience of integration of expression (7), we substitute constant relations through coefficients A and B:
Equation (9) is nonlinear with respect to . If A depends on t, then the author’s analytical approximate solution method is needed [26,27,28,29,30,31]. In the case when A does not depend on t, we can consider which is the inverse function for and, taking into account the initial conditions , , it is possible to solve the Equation (9) in quadratures. Thus we obtain the general integral in the form of the system
Determining it as , as a result of integration we obtain:
- when ,
- when , respectively
Taking into consideration that , we introduce a new function , determined as , then we obtain:
Solving this differential Equation (13) by taking in consideration the initial conditions we obtain:
When the power coefficient and 5 we obtain:
- When :
- When :
The angle is determined from the equation of the synchronous electromagnetic power (torque) of the electric motor in relative units in a steady state which precedes a power supply failure.
Let us consider a water supply pumping station driven by synchronous motors of type SDN2-16-59-6 [8], the parameters of which are: kW, rpm, kV or SDN2-17-44-8, 1600 kW, rpm, kV. The emergency mode of the pumping station is caused by turning off the switch in the supply network.
By solving the system of Equations (1)–(16) at different time constants , load factors and initial moment of resistance , we will determine the influence of the exponent p on the characteristics and with a run-down duration of 0.3 s (Table 1 and Table 2).
Table 1.
The influence of the exponent p on the change of rotation speed and angle during the run-out of a centrifugal SM pump ( s, s).
Table 2.
The influence of the exponent p on the change of rotation speed and angle during the run-out of a centrifugal pump ( s, s).
If oil switches are used as switching devices, then even when damaged elements are disconnected by high-speed protections with minimum time delays of automatics, the power interruption time will be at least 0.5 s. Such a break in the power supply will lead to a water hammer in the water supply system due to a disruption in the operation of the pumping unit motors, as mentioned above. To solve this problem, we propose to use super-fast relay protection against power surges [2,9,32,33], dynamic voltage dip compensators [34,35,36,37] or uninterruptible power supplies sources [37,38].
Self-starting of synchronous electric motors while maintaining dynamic stability will be provided when, during the SDI, the angle between the electromotive force (EMF) vector of the synchronous motor and the network voltage vector does not exceed the critical value 140 ÷ 150°.
4. Discussion of Results—Devices for Protecting Pump Drives from Power Failures and Power Outages
4.1. Uninterruptible Power Supplies (UPS)
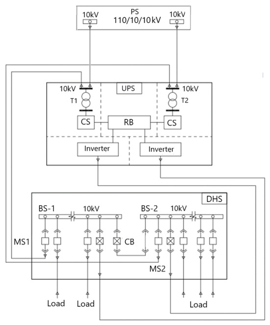
Recently, for the comprehensive protection of consumers with voltages of 6, 10 kV, a scheme for using a UPS with a step-up transformer at the output has been proposed (Figure 2). This solution is associated both with frequent voltage dips and brownouts in the power supply system, and with the cost of implementation. The disadvantages of the proposed solution for protecting consumers with voltages of 6, 10 kV include a large number of standard UPS modules from which the device is assembled, large dimensions, requirements for room ventilation, maintaining a given temperature and the likelihood of one unit failure, which will lead to failure of the entire device.
Figure 2.
Scheme of using a UPS to protect 10 kV consumers (PS is the main feed substation; T1, T2 are the step-down reducing transformers; CS is the control system; RB is battery pack; MS1, MS2 are the main switches, CB is the circuit breaker; BS-1, BS-2 are bus sections).
The purpose of the UPS is to protect control room computers, relay protection systems, solenoid valves, and process control systems [37]. The use of a UPS allows the prevention of long-term dips and power outages in the network, and also makes it possible to safely shut down the installation in case of a power outage.
In addition, autonomous power supply sources can be used in the excitation circuits of synchronous motors, which have much lower power, and the reduction in torque when the supply voltage fails while maintaining the excitation voltage will be much smaller, which will allow the motor to remain in operation [6,37]. A limited rated power of up to 1000 kVA in the module, requirements for monitoring the condition of the batteries, and special requirements for the premises where they are installed can be considered as EPS’s disadvantages.
4.2. Dynamic Voltage Distortion Compensators (DVDC)
Dynamic voltage distortion compensators are designed to eliminate voltage dips and overvoltages. DVDCs are a simpler and cheaper consumer protection device in comparison with uninterruptible power supply sources (according to the Electric Power Institute (EPRI), over five years of UPS operation, their costs are 3.8 times higher than for DVDCs [34,35,36,37]).
Dynamic voltage distortion compensators of the first type are devices with double voltage conversion, the input of which is connected to the power supply system (see Figure 3 [34,35,36,37]).
Figure 3.
Functional diagram of the operation of the first type DVDC device.
The voltage comes from the power supply system, and the voltage must be maintained at the protected load. The thyristor-controlled rectifier and controlled inverter are made on the basis of fully controlled valves (FCVs). Through a controlled rectifier, voltage is supplied to capacitors ; and through a controlled inverter based on FCVs DVDC is connected to the load. The DVDC device contains a filter for higher harmonic voltage components, a protective device and a bypass switch.
Recently, along with the above-mentioned DVDC circuit, an option without a rectifier, only provided with an inverter, has been used (Figure 4). Storage capacitors (supercapacitor C or electrolytic capacitor A) are used as energy storage devices [34,35,36,37].
Figure 4.
Functional diagram of the DVR device.
The secondary winding of the voltage booster transformer (VBT) is connected in series with the load, and voltage dUV is induced in it, making up the voltage dip in the power supply system (PSS) or the rated voltage is supplied from the inverter.
DVDC is connected in series between the power source and the protected load. As soon as it is detected that the supply voltage deviates from the nominal level, the first-type DVDC generates the appropriate compensation voltage and supplies it to the load through the IGBT inverter system to ensure stability of the output voltage and ensure that dips in the supply power system do not lead to load shutdown (Figure 4).
DVDC of the second type, when a voltage dip occurs or a violation of the quality of the voltage in the supply network occurs, is disconnected from the network, thereby isolating the load from the mains, and the inverter supplies power to the load (Figure 4). The main goals of the DVDC device are as follows:
- Ensuring reliable and continuous power supply to consumers through an IGBT voltage converter and VBT in case of emergency and abnormal conditions in electrical networks;
- Elimination of non-symmetry in phases and non-sinusoidality in normal operation, i.e., reduction in power consumption by 3–5% due to the operation of the inverter.
Depending on the input transformer, DVDC devices are distinguished with voltages: 380, 400, 600, 690 V, as well as 6, 10, 20, 35 kV (in this case, booster matching transformers are included in the inverter output).
The disadvantages of DCIN include:
- Limited rated power of 2000 kVA with voltage up to 1 kV, which does not provide protection for consumers of transformer substations with one device with a capacity of 6.3 MVA;
- High unit cost of equipment;
- The need to introduce two devices for substations with two sections;
- Large dimensions of the installation due to an increase in the duration of protected three-phase voltage dips.
4.3. High-Speed Bus Transfer (HSBT)
The author’s development of a high-speed automatic transfer switch with a voltage of 0.4–6–10–20–35 kV currently has a total switching time to the backup input of 17–65 ms [32,33], which takes 11–17 ms to get disconnected from an external short circuit in the supply network with recommended vacuum circuit breakers. Due to the small response to a short circuit or tripping the switch, the motors do not have time to reduce their angular rotation speed, which means significantly increasing the current consumption. The HSBT device protects against short circuits in the power system and distribution network, as well as unauthorized shutdowns of switches in the supply network. The HSBT complex is installed alone for a two-section switchgear with a voltage of 6–10–20–35 kV and ensures uninterrupted operation of consumers in case of any disturbances in both the circuit of the first and second inputs.
For reliable operation of the HSBT device, a current direction control, a mismatch angle between sections, a minimum voltage control, a power source synchronization control, and a maximum and minimum current control are used [32,33]. Features of the use of the HSBT device in accordance with the Electrical Installation Rules (EIR [23]) include the requirement of two independent power sources.
So, in order to prevent shutdowns of the drives of pumps, compressors, fans, and any motor and other loads during a power failure, we recommend the DVDC and HSBT devices, brief characteristics of which are given in Table 3.
Table 3.
Characteristics of devices protecting particularly sensitive consumers from short-term voltage dips in supply networks.
4.4. An Example of Ensuring Uninterrupted Operation of Thermal Power Plants
Power supply to the district thermal station (DTS) of enterprise No. 8 of branch No. 9 “North-West” of the Moscow United Energy Company (MOEK) is carried out from RP-17159 via 10 kV cable line from substations No. 796 and No. 28 with transformers which capacity equals 2 × 6.3 MVA (Figure 5).
Figure 5.
Replacement diagram for the power supply system of the RTS of Enterprise No. 8 of Branch No. 9 “North-West”. (SS means a supply substation; CL means cable line, SG meaning switchgear, TS meaning transformer substation, M1, M2…M21–AD, Tr are transformers).
The total installed power of transformers at a voltage of 110 kV is 65 MVA, at a voltage of 10 kV equals 12.6 MVA. Substation No. 796 receives power supply via the 110 kV overhead line “Tushino-Angelovo”, and substation No. 28 receives power supply via the 110 kV overhead line “Angelovo-Oktyabrskaya”-1.
The power supply circuit RP-17159 provides power supply to the main consumers of the RTS from two independent sources (different 110/10 kV substations). The first section of RU-6 kV is connected to the main technological load such as blower fans (DV1, DV3), smoke exhausters (DS1, DS3), network pumps (CH1, CH2, CH4, CH6, CH7), filter-compensating device FKU-1 with a capacity of 1610 kvar), etc.; and to the second section of the RU-6 kV busbars the rest of the boiler equipment (blower fans (DV2, DV4), smoke exhausters (DS2, DS4), network pumps (CH3, CH5, CH8, CH9), filter-compensating device FKU-2 with a power of 1610 kvar, Figure 5).
The actual load on the RU-6 kV bushings depends on the number of operating boilers, network pumps, smoke exhausters, and the season of year and may vary (Table 4).
Table 4.
Load on the inputs of the 6 kV switchgear.
To implement the function of automatically restoring normal operation, the HSBT 072 [32,33] complex was introduced on the sectional switch RU (switchgear)-6 kV, in which, to eliminate water hammer in the heating network, we proposed vacuum circuit breakers (at inputs Q12, Q13 and sectional switch Q14 Figure 5), whose turn-on time is 30 ms. The selectivity of relay protection and automation is ensured by coordinating settings for different levels: main substation, substation, switchgear section.
4.5. Protection Zones of the Automatic Transfer Device
The protection zone of a high-speed automatic transfer switch installed in a 6 kV RTS switchgear is the following types of violations:
- All types of short circuits (three-phase, interphase, single-phase, two-phase to ground) in one of the power circuits of the 110 kV network of substation No. 28 and substation No. 796;
- All types of short circuits (three-phase, interphase) both in one of the power circuits and on the outgoing line of the 10 kV network of substation No. 28 and substation No. 796;
- Unauthorized shutdowns of switches in the power supply circuit RP-17159;
- All types of external short circuits in electrical networks of 110 and 10 kV, causing voltage dips that are dangerous for the functioning of RTS technological processes, the equipment of which is powered by RP-17159;
- The protection zone of the HSBT, according to the requirements of the PUE [23], does not include all types of short circuits in 6 kV electrical networks powered by the 6 kV RP-17159 switchgear;
- The most severe modes of power supply disruptions are short circuits in the following circuit nodes (Figure 5):
- Short circuits (three-phase, interphase, two-phase to ground, single-phase) in nodes 84 and 89 (see Figure 5) of the 110 kV network;
- Short circuits (three-phase or phase-to-phase) both in one of the power circuits and on the outgoing line of the 10 kV network of RTS Mitino (nodes 2, 9 and 87 of the equivalent circuit in Figure 5),
- Disconnecting switches Q12, Q13, Q4, Q9;
- Unauthorized shutdown of switch Q1(Q2) in the RTS power circuit;
- All types of external short circuits in electrical networks 110 (in the supply lines “Tushino-Angelovo with outlet”, “Angelovo-Oktyabrskaya”-1) and 10 kV, causing voltage dips (more than 15%), which are dangerous for the functioning of the technical processes whose equipment is powered by RTS Mitino;
- Three-phase short circuit on the RU-6 kV section.
Naturally, the reaction time of the HSBT in these modes should be less than the critical time. At time s, we were made sure that the voltages on the buses of the TP and 6 kV switchgear sections will not cause disruptions in the shutdown of the RTS drives. Let us consider how asynchronous and synchronous motors behave when short circuits occur in the supply networks.
During a short circuit in a 110 kV network (node 84, Figure 5), at the first moment of recovery of power supply, the current AM2 ( jumps to r.u., but it is three times less than the starting current, and then quickly reaches the steady state (Figure 6). The reactive power of the AM ( during a short circuit in a 110 kV network at the run-down and self-starting stage does not exceed the value of r.u. (Figure 6). Although the voltage at the AM terminals ( during the short circuit decreases from r.u. up to r.u., and after turning off the Q12 switch at the run-down stage it turns out that r.u., but at the moment of self-start it increases to r.u. and for s (from the beginning of the emergency mode) will reach a steady value (Figure 6).
Figure 6.
AM2 parameters during operation of the HSBT after a short circuit in node 84 ( ms ms) (—current, —reactive power, —voltage of AM, —active power, —super transient motor electromotive force).
During a short circuit in 110 kV networks, the nature of transient processes when introducing HSBT 072 ensures the retention of both the electric motor load and high residual voltage on the transformer busbars (Figure 7).
Figure 7.
Section parameters during HSBT 072 unit operation after SC in node 84 of the 10 kV network ( ms; ms).
The voltages of the sections associated with the short-circuit location (node 84 of the equivalent circuit in Figure 2) decrease from r.u. at the initial moment of run-out on the short circuit to zero (Figure 7); at the run-down stage after disconnecting the short circuit, the voltages increase abruptly to the values r.u., and at the moment of voltage recovery ( s) they increase abruptly to reach r.u. and almost instantly reach steady-state values at the moment s (Figure 7).
From calculations of transient processes during three-phase short circuits in an external 110 kV network and when power supply is restored, it follows that when the HSBT operates with a full switching time of 55 ms, the stability of the drives of all switched on pumps, smoke exhausters and uninterrupted operation of RTS boilers is ensured.
There will be no shutdowns of electric motors, soft start and control systems due to high levels of residual voltages in sections of RU-6 kV and transformer substations.
Based on the results of industrial operation, we found that the actual operating time of the HSBT 072 was 42 ÷ 50 ms, depending on the type and location of the short circuit, the number of operating drives, i.e., less than critical.
The calculation studies carried out confirm the need to use high-speed automatic transfer switches in the power supply system of the Mitino RTS (Table 5).
Table 5.
Summary data on the influence of three-phase short circuits in 110 kV networks on the residual stresses in load nodes.
During the first year of operation of the HSBT, in 3 cases (out of 19) there were boiler shutdowns, which were associated with the shutdown of the network pump, smoke exhauster or blower fan. The technical meetings held in these cases revealed that during the operation of the HSBT, in all cases, part of the electric motors (two out of three) that drive the mechanisms remained in operation in the section that lost power. The reason for stopping one electric motor was a failure of the UPS, incorrect operation of the VFD controller program, and shutdown of the motor drive switches.
5. Conclusions
For uninterrupted operation of synchronous and asynchronous motors of pump drives, we suggest using a high-speed automatic transfer switch with a response time to emergency mode of no more than 9 ms and a total switching time to the backup input in 17–65 ms, which has been working successfully for 10 years at the above mentioned enterprise.
- 1.
- Calculations determined that the critical times of permissible power supply interruption in the supply networks of RU-6 kV RTS Mitino were:
- With a close three-phase short circuit in a 110 kV network s;
- With a close three-phase short circuit in a 10 kV network s;
- In case of unauthorized disconnection of the switch in the substation power circuit s.
- 2.
- To eliminate water hammer and uninterrupted operation of pump drives, the HSBT 072 device and vacuum switches with a switching time of 30 ms were proposed, which will ensure the full switching time to the backup source RU-6 kV RTS Mitino:
- With a three-phase short circuit in the substation power circuit s;
- In case of unauthorized disconnection of the switch in the power supply circuit of the substation s,
- 3.
- The actual time of the HSBT 072 complex with vacuum circuit breakers, according to numerous operating results over 10 years, was 0.039–0.042 s.
- 4.
- The protection zone of the HSBT 072 device at RU-6 kV RTS Mitino includes all asynchronous motors of pumps, fans, smoke exhausters, which maintain dynamic stability and operate uninterruptedly under:
- All types of short circuits (three-phase, interphase, single-phase, two-phase to ground) in one of the power circuits of the 110 kV network of the circuit in question (Figure 5);
- All types of short circuits (three-phase, phase-to-phase) in one of the power circuits of the 10 kV network of the circuit under consideration (Figure 5);
- Unauthorized shutdowns of switches in the 110 and 10 kV network located above the installation site of the HSBT 072 complex;
- All types of external short circuits in electrical networks of 110 and 10 kV, causing voltage dips that are dangerous for the functioning of technological processes of RTS Mitino.
- 5.
- The protection zone of the HSBT does not include all types of short circuits in 6 kV electrical networks powered by the 6 kV switchgear of the Mitino RTS.
Author Contributions
Conceptualization, V.P. and V.O.; formal analysis, V.O.; funding acquisition, V.P.; methodology, V.P. and V.O.; data curation, V.P.; investigation, V.P.; project administration, V.P. and V.O.; resources, V.P.; software, V.P.; supervision V.P. and V.O.; writing—original draft preparation, V.P. and V.O.; writing—review and editing, V.P. and V.O. All authors have read and agreed to the published version of the manuscript.
Funding
This research received no external funding.
Data Availability Statement
Not applicable.
Acknowledgments
The authors express their gratitude to the Editorial Board and reviewers for their attention to our work and comments that allowed us to improve the quality of our work.
Conflicts of Interest
The authors declare no conflict of interest.
References
- Terentyev, A.Y.; Lesnykh, V. Economic Aspects of the Development of the Industry of Water Supply and Wastewater Disposal; Federal State Autonomous Educational Institution of Higher Professional Education Ural Federal University of First President of Russia B.N. Yeltsin; Urals University Press: Ekaterinburg, Russia, 2011; 346p. [Google Scholar]
- Nepomnyashchy, V.A. Economic Losses From Power Supply Disturbances; MPEI Publishing House: Moscow, Russia, 2010; 188p. [Google Scholar]
- MCGranaghan, M.; Roettger, B. Economic evaluation of power quality. IEEE Power Eng. Rev. 2002, 22, 8–12. [Google Scholar] [CrossRef]
- Gupta, C.P.; Milanovic, J.V. Costs of voltage sags: Comprehensive Assessment Procedure. In Proceedings of the IEEE Russia PowerTech, St. Petersburg, Russia, 27–30 June 2005; pp. 1–7. [Google Scholar]
- Kalmykov, A.A. Analysis of WCS tariff formation. NPF EcoPrometey 2018, 1, 4–10. [Google Scholar]
- Gamazin, S.I.; Stavtsev, V.A.; Tsyruk, S.A. Transients in Industrial Power Supply Systems Caused by Electric Motor Load; MPEI Publishing House: Moscow, Russia, 1997; 424p. [Google Scholar]
- Ershov, M.S.; Egorov, A.V.; Trifonov, A.A. Stability of Industrial Electrical Engineering Systems; Nedra Publishing House: Moscow, Russia, 2010; 319p. [Google Scholar]
- Syromiatnikov, I.A. Operation Modes of Asynchronous and Synchronous Electric Motors; Gosenergoizdat: Moscow-Leningrad, Russia, 1963; 528p. [Google Scholar]
- Djokic, S.; Stockman, K.; Milanovic, J.; Desmet, J.; Belmans, R. Sensitivity of AC adjustable velocity drives to voltage sags and short interruptions. IEEE Trans. Power Deliv. 2005, 20, 494–505. [Google Scholar]
- Sivokobylenko, V.F.; Derkachev, S.V. Analysis of transients in motor load during power switching to backup source: Proceedings of higher educational institutions. Electromechanics 2016, 5, 69–74. [Google Scholar]
- Andreev, V.A. Relay Protection and Automatics of Power Supply Systems; Higher School: Moscow, Russia, 2007; 639p. [Google Scholar]
- Kanerva, S. Simulation of Electrical Machines, Circuits and Control Systems Using Finite Element Method and System Simulator. Ph.D. Thesis, Helsinki University of Technology, Espoo, Finland, 2005; 92p. [Google Scholar]
- Singh, S.; Jirutitijaroen, P.; Mitra, J. Electric Power Grid Reliability Evaluation: Models and Methods; Wiley-IEEE Press: Hoboken, NY, USA, 2018; 352p. [Google Scholar]
- Pupin, V.M.; Kuftin, D.S.; Frolov, A.V.; Sviridov, Y.P. Calculation of conditions of hydraulic shocks in water supply and sewerage systems. Electr. Eng. 2011, 1, 21–26. [Google Scholar]
- All-Russian State Standard (GOST) 32144-2013 Electrical Energy; Electromagnetic Compatibility of Technical Means, Quality Standards of Electric Energy in General Purpose Power Supply Systems. Standardinform: Moscow, Russia, 2014; 20p.
- All-Russian State Standard (GOST) IEC-6100-4-30-2017 Electromagnetic Compatibility (EMC); Part 4-30: Test and Measurement Methods, Methods for Measuring the Quality of Electrical Energy (IEC-6100-4-30, 2015, IDT). Standardinform: Moscow, Russia, 2020; 57p.
- GOST 34045-2017; Electric Power Systems: Operational Dispatch Control, Automatic Emergency control of Power System Modes, Emergency Automation of Power Systems, Norms and Requirements. Standardinform: Moscow, Russia, 2017; 21p.
- Akimenko, N.Y.; Medvedeva, G.Y. Water-Supply and Wastewater Disposal; Publishing House of the Pacific State University: Khabarovsk, Russia, 2018; 112p. [Google Scholar]
- Turk, V.I.; Minaev, A.V.; Karelin, V.Y. Pumps and Pumping Stations; Stroyizdat: Moscow, Russia, 1977; 297p. [Google Scholar]
- Voronov, Y.V.; Yakovlev, S.V. Water Disposal and Wastewater Treatment; ASV Publishing House: Moscow, Russia, 2006; 704p, ISBN 978-5-93093-119-4. [Google Scholar]
- Chugaev, P.P. Hydraulics; Energy: Leningrad, Russia, 1971; p. 552. [Google Scholar]
- Moshnin, L.F.; Timofeeva, E.T. Guidelines for Protecting Water Vessels from Hydraulic Impact; Stroyizdat: Moscow, Russia, 1961; 65p. [Google Scholar]
- Rules for Electrical Units; Siberian University Press: Moscow, Russia, 2007; 512p.
- Zakutnov, V.A.; Pupin, V.M.; Fedorov, O.V. Assurance of operating conditions of electric facilities of sewage treatment units in the presence of a small thermal power plant. Bull. SUSU Energetics Ser. 2021, 21, 75–81. [Google Scholar]
- Ershov, M.S.; Feoktistov, E.A. The influence of unstable drilling on the energy efficiency of the drilling rotor drive. Min. Inf. Anal. Bull. 2022, 1, 148–161. [Google Scholar] [CrossRef]
- Orlov, V.N.; Leontieva, T.Y. Construction of an approximate solution of one second-order nonlinear differential equation in the neighborhood of a moving singular point. Proc. N. E. 2015, 2, 26–37. [Google Scholar]
- Orlov, V.; Gasanov, M. Existence and uniqueness theorem for a solution to a class of a third-order nonlinear differential equation in the domain of analyticity. Axioms 2022, 11, 203. [Google Scholar] [CrossRef]
- Orlov, V.; Chichurin, A. About analytical approximate solutions of the Van der Pol equation in the complex domain. Fractal Fract. 2023, 7, 228. [Google Scholar] [CrossRef]
- Orlov, V. Moving singular points and the Van der Pol equation, as well as the uniqueness of its solution. Mathematics 2023, 11, 873. [Google Scholar] [CrossRef]
- Orlov, V.; Chichurin, A. The influence of the perturbation of the initial data on the analytic approximate solution of the Van der Pol equation in the complex domain. Symmetry 2023, 15, 1200. [Google Scholar] [CrossRef]
- Orlov, V. Dependence of the analytical approximate solution to the Van der Pol equation on the perturbation of a moving singular point in the complex domain. Axioms 2023, 12, 465. [Google Scholar] [CrossRef]
- Zhukov, V.A.; Pupin, V.M. A Method for Automatically Switching on the Backup Power Supply to Consumers (Options) and a Device for Its Implementation. Patent No. 2398338, 27 August 2010. [Google Scholar]
- Pupin, V.; Orlov, V. Modeling of electrical systems for uninterrupted operation of drives in case of short-term distortions in the supply networks. Energies 2023, 16, 4184. [Google Scholar] [CrossRef]
- Ezoji, H.; Sheikholeslami, A.; Tabasi, M.; Saeednia, M.M. Simulation of Dynamic Voltage Restorer Using Hysteresis Voltage Control. Eur. J. Sci. Res. 2009, 27, 152–166. [Google Scholar]
- Rosli Omar, N.A.R.; Sulaiman, M. Dynamic Voltage Restorer Application for Power Quality Improvement in Electrical. Aust. J. Basic Appl. Sci. 2011, 5, 379–396. [Google Scholar]
- Perera, S.; Elphick, S. Applied Power Quality: Analis. Modelling. Design and Implementation of Power Quality Monitoring Systems; Elsevier: Amsterdam, The Netherlands, 2022. [Google Scholar]
- Bollen, M.; Bollen, M.H.J. Understanding Power Quality Problems: Voltage Sags and Interruptions; Institute of Electrical and Electronics Engineers, Inc.: New York, NY, USA, 1999. [Google Scholar]
- Fuchs, E.F.; Masoum, M.A.S. Power Quality in Power Systems, Electrical Machines, and Power-Electronic Drives, 3rd ed.; Elsevier: Amsterdam, The Netherlands, 2023. [Google Scholar]
Disclaimer/Publisher’s Note: The statements, opinions and data contained in all publications are solely those of the individual author(s) and contributor(s) and not of MDPI and/or the editor(s). MDPI and/or the editor(s) disclaim responsibility for any injury to people or property resulting from any ideas, methods, instructions or products referred to in the content. |
© 2023 by the authors. Licensee MDPI, Basel, Switzerland. This article is an open access article distributed under the terms and conditions of the Creative Commons Attribution (CC BY) license (https://creativecommons.org/licenses/by/4.0/).






