Quad-Band Rectifier Circuit Design for IoT Applications
Abstract
1. Introduction
2. Materials and Methods
2.1. Related Work
2.2. Design Methodology
2.3. Contribution
- We introduce a novel quad-band rectifier circuit that operates in the whole Wi-Fi range.
- We discuss and provide a complete design framework for a low-cost RF-to-DC rectifier.
- We propose a novel IMN (impedance matching network) that comprises two discrete branches, one for and GHz, and the other for 5 and GHz. Each branch consists of a combination L and reverse L-shaped network with rectangular and radial stubs.
- We design a rectifier circuit that operates at , , 5, and GHz simultaneously.
- Our rectifier design performs better than similar designs in the literature.
- This rectifier could be part of an IoT node to harvest environmental RF energy, therefore providing a green energy source. The IoT node can operate at different frequencies.
3. Design Framework
3.1. Receiving Antenna
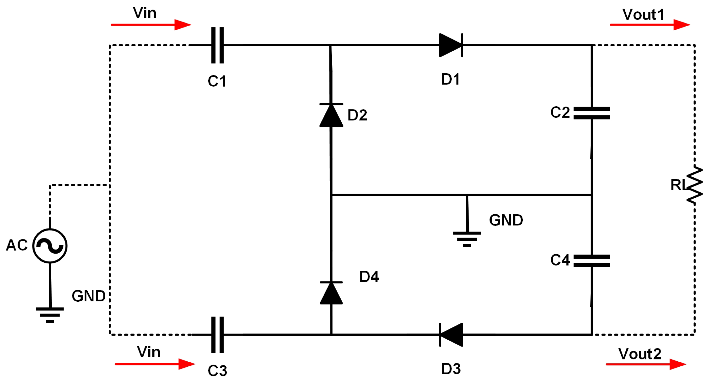
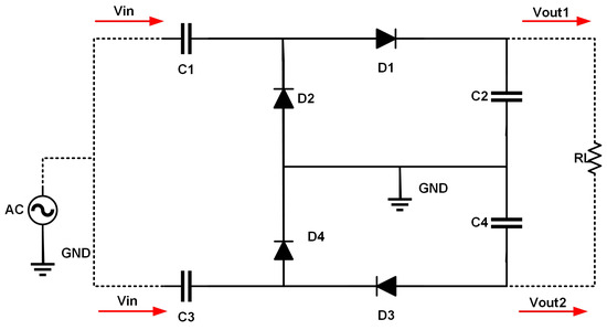
3.2. Topology of the Rectifier
3.3. Substrate
3.4. Diode
- Barrier capacitance ;
- Series resistance ;
- Breakdown voltage ;
- Typical capacitance ;
- Forward Voltage .
3.5. Impedance Matching Network
3.6. DC–DC Converter
4. Numerical Results
4.1. Proposed RF-to-DC Rectifier Circuit Results
- is the RF input power;
- is the output power;
- is the output voltage;
- is the output load.
4.2. Performance Evaluation
5. Discussion
6. Conclusions
Author Contributions
Funding
Institutional Review Board Statement
Informed Consent Statement
Data Availability Statement
Conflicts of Interest
References
- Singh, N.; Kanaujia, B.; Beg, M.; Mainuddin; Kumar, S.; Choi, H.C.; Kim, K.W. Low profile multiband rectenna for efficient energy harvesting at microwave frequencies. Int. J. Electron. 2019, 106, 2057–2071. [Google Scholar] [CrossRef]
- Valenta, C.R.; Durgin, G.D. Harvesting Wireless Power: Survey of Energy-Harvester Conversion Efficiency in Far-Field, Wireless Power Transfer Systems. IEEE Microw. Mag. 2014, 15, 108–120. [Google Scholar] [CrossRef]
- Zhang, J.; Hoare, D.; Das, R.; Holsgrove, M.; Czyzewski, J.; Mirzai, N.; Mercer, J.; Heidari, H. Wireless Impedance Platform for Autonomous Vascular Implantable Devices. In Proceedings of the 2022 29th IEEE International Conference on Electronics, Circuits and Systems (ICECS), Glasgow, UK, 24–26 October 2022; pp. 1–4. [Google Scholar] [CrossRef]
- Bonilla Licea, D.; Raza Zaidi, S.A.; McLernon, D.; Ghogho, M. Improving Radio Energy Harvesting in Robots Using Mobility Diversity. IEEE Trans. Signal Process. 2016, 64, 2065–2077. [Google Scholar] [CrossRef]
- Bougas, I.D.; Papadopoulou, M.S.; Psannis, K.; Sarigiannidis, P.; Goudos, S.K. State-of-the-art technologies in RF energy harvesting circuits—A review. In Proceedings of the 2020 IEEE 3rd World Symposium on Communication Engineering (WSCE), Thessaloniki, Greece, 9–11 October 2020; pp. 18–22. [Google Scholar]
- Niotaki, K.; Carvalho, N.B.; Georgiadis, A.; Gu, X.; Hemour, S.; Wu, K.; Matos, D.; Belo, D.; Pereira, R.; Figueiredo, R.; et al. RF Energy Harvesting and Wireless Power Transfer for Energy Autonomous Wireless Devices and RFIDs. IEEE J. Microwaves 2023, 3, 763–782. [Google Scholar] [CrossRef]
- Zhong, Y.W.; Yang, G.M.; Liu, Y.; Zheng, L.R. Optimal design of antenna array for multiple targets microwave power transmission with precise power division ratio control. IET Microwaves Antennas Propag. 2018, 12, 622–626. [Google Scholar] [CrossRef]
- Gowda, V.R.; Yurduseven, O.; Lipworth, G.; Zupan, T.; Reynolds, M.S.; Smith, D.R. Wireless Power Transfer in the Radiative Near Field. IEEE Antennas Wirel. Propag. Lett. 2016, 15, 1865–1868. [Google Scholar] [CrossRef]
- Wang, M.; Fan, Y.; Yang, L.; Li, Y.; Feng, J.; Shi, Y. Compact dual-band rectenna for RF energy harvest based on a tree-like antenna. IET Microwaves Antennas Propag. 2019, 13, 1350–1357. [Google Scholar] [CrossRef]
- Bougas, I.D.; Papadopoulou, M.S.; Boursianis, A.D.; Kokkinidis, K.; Goudos, S.K. State-of-the-art techniques in RF energy harvesting circuits. Telecom 2021, 2, 369–389. [Google Scholar] [CrossRef]
- Bougas, I.D.; Papadopoulou, M.S.; Boursianis, A.D.; Sarigiannidis, P.; Nikolaidis, S.; Goudos, S.K. Energy Harvesting & Autonomous Energy Systems: A Proposal for RF Energy Harvesting. In Proceedings of the 2024 13th International Conference on Modern Circuits and Systems Technologies (MOCAST), Sofia, Bulgaria, 26–28 June 2024; pp. 1–5. [Google Scholar] [CrossRef]
- Khan, N.U.; Khan, F.U.; Farina, M.; Merla, A. RF energy harvesters for wireless sensors, state of the art, future prospects and challenges: A review. Phys. Eng. Sci. Med. 2024, 47, 385–401. [Google Scholar] [CrossRef]
- Tentzeris, M.M.; Kawahara, Y. Novel Energy Harvesting Technologies for ICT Applications. In Proceedings of the 2008 International Symposium on Applications and the Internet, Washington, DC, USA, 28 July–1 August 2008; pp. 373–376. [Google Scholar] [CrossRef]
- Mann, S.; Cooper, T.; Allen, S.; Blackwell, R.; Lowe, A. Exposure to radio waves near mobile phone base stations. Radiol. Prot. Bull. 2000, 4, 13–16. [Google Scholar]
- Bougas, I.D.; Papadopoulou, M.S.; Boursianis, A.D.; Nikolaidis, S.; Goudos, S.K. Dual-Band Rectifier Circuit Design for IoT Communication in 5G Systems. Technologies 2023, 11, 34. [Google Scholar] [CrossRef]
- Ibrahim, H.H.; Singh, M.J.; Al-Bawri, S.S.; Ibrahim, S.K.; Islam, M.T.; Alzamil, A.; Islam, M.S. Radio frequency energy harvesting technologies: A comprehensive review on designing, methodologies, and potential applications. Sensors 2022, 22, 4144. [Google Scholar] [CrossRef] [PubMed]
- De Vito, L.; Cocca, V.; Riccio, M.; Tudosa, I. Wireless Active Guardrail System for environmental measurements. In Proceedings of the 2012 IEEE Workshop on Environmental Energy and Structural Monitoring Systems (EESMS), Perugia, Italy, 28 September 2012; pp. 50–57. [Google Scholar] [CrossRef]
- Chen, C.; Jiang, J.; Zhou, Y.; Lv, N.; Liang, X.; Wan, S. An edge intelligence empowered flooding process prediction using Internet of things in smart city. J. Parallel Distrib. Comput. 2022, 165, 66–78. [Google Scholar] [CrossRef]
- Chen, C.; Li, H.; Li, H.; Fu, R.; Liu, Y.; Wan, S. Efficiency and Fairness Oriented Dynamic Task Offloading in Internet of Vehicles. IEEE Trans. Green Commun. Netw. 2022, 6, 1481–1493. [Google Scholar] [CrossRef]
- Liu, S.; Yu, J.; Deng, X.; Wan, S. FedCPF: An Efficient-Communication Federated Learning Approach for Vehicular Edge Computing in 6G Communication Networks. IEEE Trans. Intell. Transp. Syst. 2022, 23, 1616–1629. [Google Scholar] [CrossRef]
- Lu, J.; Liu, H.; Zhang, Z.; Wang, J.; Goudos, S.K.; Wan, S. Toward Fairness-Aware Time-Sensitive Asynchronous Federated Learning for Critical Energy Infrastructure. IEEE Trans. Ind. Inform. 2022, 18, 3462–3472. [Google Scholar] [CrossRef]
- What Are WiFi Bands and How Many Do I Need for My Network? Available online: https://kb.netgear.com/000064790/What-are-WiFi-bands-and-how-many-do-I-need-for-my-network (accessed on 20 August 2024).
- Kuhn, V.; Seguin, F.; Lahuec, C.; Person, C. Enhancing RF-to-DC conversion efficiency of wideband RF energy harvesters using multi-tone optimization technique. Int. J. Microw. Wirel. Technol. 2016, 8, 143–153. [Google Scholar] [CrossRef]
- Yong, J.K.; Lian, W.X.; Ramiah, H.; Churchill, K.K.P.; Chong, G.; Lai, N.S.; Chen, Y.; Mak, P.I.; Martins, R.P. A Fully Integrated CMOS Tri-Band Ambient RF Energy Harvesting System for IoT Devices. IEEE Trans. Circuits Syst. I Regul. Pap. 2023, 70, 4705–4718. [Google Scholar] [CrossRef]
- Dehghani, S.; Johnson, T. A 2.4-GHz CMOS Class-E Synchronous Rectifier. IEEE Trans. Microw. Theory Tech. 2016, 64, 1655–1666. [Google Scholar] [CrossRef]
- Chatterjee, S.; Tarique, M. A 100-nW Sensitive RF-to-DC CMOS Rectifier for Energy Harvesting Applications. In Proceedings of the 2016 29th International Conference on VLSI Design and 2016 15th International Conference on Embedded Systems (VLSID), Kolkata, India, 4–8 January 2016; pp. 557–558. [Google Scholar] [CrossRef]
- Jantarachote, V.; Tontisirin, S.; Akkaraekthalin, P.; Negra, R.; Chalermwisutkul, S. CMOS rectifier design for RFID chip with high sensitivity at low input power to be combined with an ultrasmall antenna. Int. J. Numer. Model. Electron. Netw. Devices Fields 2019, 32, e2607. [Google Scholar] [CrossRef]
- Rosli, M.; Murad, S.; Norizan, M.; Ramli, M. Design of RF to DC conversion circuit for energy harvesting in CMOS 0.13-μm technology. AIP Conf. Proc. 2018, 2045, 020089. [Google Scholar] [CrossRef]
- Lo, Y.L.; Chuang, Y.H. A High-Efficiency CMOS Rectifier with Wide Harvesting Range and Wide Band Based on MPPT Technique for Low-Power IoT System Applications. Circuits Syst. Signal Process. 2017, 36, 5019–5040. [Google Scholar] [CrossRef]
- Basim, M.; Khan, D.; Ain, Q.U.; Shehzad, K.; Shah, S.A.A.; Jang, B.G.; Pu, Y.G.; Yoo, J.M.; Kim, J.T.; Lee, K.Y. A Highly Efficient RF-DC Converter for Energy Harvesting Applications Using a Threshold Voltage Cancellation Scheme. Sensors 2022, 22, 2659. [Google Scholar] [CrossRef] [PubMed]
- Yoshida, S.; Fukuda, G.; Kobayashi, Y.; Tashiro, S.; Noji, T.; Nishikawa, K.; Kawasaki, S. The C-band MPT rectifierusing a HEMT without bonding-wire connection for a space health monitoring system. In Proceedings of the 2013 IEEE Wireless Power Transfer (WPT), Perugia, Italy, 15–16 May 2013; pp. 163–166. [Google Scholar] [CrossRef]
- Jung, Y.H.; Zhang, H.; Lee, I.K.; Shin, J.H.; Kim, T.i.; Ma, Z. Releasable high-performance GaAs Schottky diodes for gigahertz operation of flexible bridge rectifier. Adv. Electron. Mater. 2019, 5, 1800772. [Google Scholar] [CrossRef]
- Bougas, I.D.; Papadopoulou, M.S.; Boursianis, A.D.; Sarigiannidis, P.; Nikolaidis, S.; Goudos, S.K. Rectifier circuit design for 5G energy harvesting applications. In Proceedings of the 2022 11th International Conference on Modern Circuits and Systems Technologies (MOCAST), Bremen, Germany, 8–10 June 2022; pp. 1–4. [Google Scholar] [CrossRef]
- Sarma, S.S.; Chandravanshi, S.; Akhtar, M.J. Triple band differential rectifier for RF energy harvesting applications. In Proceedings of the 2016 Asia-Pacific Microwave Conference (APMC), New Delhi, India, 5–9 December 2016; pp. 1–4. [Google Scholar] [CrossRef]
- Zied, C.M.; Rashid, E.R.; Hareb, A. Harvesting microwave energy from WiMax bands based on a Dual-Band Antenna. IOP Conf. Ser. Earth Environ. Sci. 2019, 227, 042044. [Google Scholar] [CrossRef]
- Derbal, M.C.; Nedil, M. A high gain dual band rectenna for RF energy harvesting applications. Prog. Electromagn. Res. Lett. 2020, 90, 29–36. [Google Scholar] [CrossRef]
- Dardeer, O.M.A.; Elsadek, H.A.; Abdallah, E.A. Compact Broadband Rectenna for Harvesting RF Energy in WLAN and WiMAX Applications. In Proceedings of the 2019 International Conference on Innovative Trends in Computer Engineering (ITCE), Aswan, Egypt, 2–4 February 2019; pp. 292–296. [Google Scholar] [CrossRef]
- Eltresy, N.; Eisheakh, D.; Abdallah, E.; Elhenawy, H. RF Energy Harvesting Using Efficiency Dual Band Rectifier. In Proceedings of the 2018 Asia-Pacific Microwave Conference (APMC), Kyoto, Japan, 6–9 November 2018; pp. 1453–1455. [Google Scholar] [CrossRef]
- Saravanan, M.; Priya, A. Design of tri-band microstrip patch rectenna for radio frequency energy harvesting system. IETE J. Res. 2022, 68, 2410–2415. [Google Scholar] [CrossRef]
- Chandravanshi, S.; Sarma, S.S.; Akhtar, M.J. Design of Triple Band Differential Rectenna for RF Energy Harvesting. IEEE Trans. Antennas Propag. 2018, 66, 2716–2726. [Google Scholar] [CrossRef]
- Azam, S.K.; Islam, M.S.; Hossain, A.; Othman, M. Monopole antenna on transparent substrate and rectifier for energy harvesting applications in 5G. Int. J. Adv. Comput. Sci. Appl. 2020, 11, 84–89. [Google Scholar] [CrossRef]
- Usman, M.; Khan, W.T. Six Band RF Energy Harvesting From Ambient Signals. 2019. Available online: https://www.mtt.org/app/uploads/2019/01/10-Final-Report_Usman.pdf (accessed on 20 August 2024).
- Mohd Noor, F.S.; Zakaria, Z.; Lago, H.; Meor Said, M.A. Dual-band aperture-coupled rectenna for radio frequency energy harvesting. Int. J. Microw. Comput. Aided Eng. 2019, 29, e21651. [Google Scholar] [CrossRef]
- Mirzababaee, N.; Geran, F.; Mohanna, S. A radio frequency energy harvesting rectenna for GSM, LTE, WLAN, and WiMAX. Int. J. Microw. Comput. Aided Eng. 2021, 31, e22630. [Google Scholar] [CrossRef]
- Reed, R.; Pour, F.L.; Ha, D.S. An Efficient 2.4 GHz Differential Rectenna for Radio Frequency Energy Harvesting. In Proceedings of the 2020 IEEE 63rd International Midwest Symposium on Circuits and Systems (MWSCAS), Springfield, MA, USA, 9–12 August 2020; pp. 208–212. [Google Scholar] [CrossRef]
- Gabriel, K.; Fayrouz, H.; Nessakh, B.; Wenceslas, R.; Sawsan, S. 2.45GHz Low-Power Diode Bridge Rectifier Design. In Proceedings of the 2023 International Conference on Microelectronics (ICM), Abu Dhabi, United Arab Emirates, 17–20 December 2023; pp. 268–271. [Google Scholar] [CrossRef]
- Hamzi, I.; Bakkali, M.E.; Aghoutane, M.; Touhami, N.A. Conversion Efficiency Study of the Bridge Rectifier at 2.4 GHz. Procedia Manuf. 2020, 46, 771–776, In Proceedings of the 13th International Conference Interdisciplinarity in Engineering, INTER-ENG 2019, Targu Mures, Romania, 3–4 October 2019. [Google Scholar] [CrossRef]
- Samakkhee, W.; Phaebua, K.; Lertwiriyaprapa, T. 5.8 GHz rectifier circuit for electromagnetic energy harvesting system. In Proceedings of the 2017 International Symposium on Antennas and Propagation (ISAP), Phuket, Thailand, 30 October–2 November 2017; pp. 1–2. [Google Scholar] [CrossRef]
- Ben Yamna, M.; Dakhli, N.; Sakli, H. Rectifier Circuit at 3.5 GHz for 5G Applications. In Proceedings of the 2022 IEEE 21st international Ccnference on Sciences and Techniques of Automatic Control and Computer Engineering (STA), Sousse, Tunisia, 19–21 December 2022; pp. 305–309. [Google Scholar] [CrossRef]
- Lee, H.; Lee, J.C. Optimization of a 5.8-GHz rectifier considering ripple amplitude and DC-voltage pattern. In Proceedings of the 2014 IEEE Wireless Power Transfer Conference, Jeju Island, Republic of Korea, 8–9 May 2014; pp. 212–215. [Google Scholar] [CrossRef]
- Huang, R.; Ren, W.; Deng, X. Design of a 5.8 GHz Rectifier Circuit for Wireless Power Transfer Applications. In Proceedings of the 2021 2nd International Conference on Artificial Intelligence and Information Systems, Chongqing, China, 28–30 May 2021; pp. 1–4. [Google Scholar]
- Bae, J.; Yi, S.H.; Choi, W.; Koo, H.; Hwang, K.C.; Lee, K.Y.; Yang, Y. 5.8 GHz high-efficiency RF–DC converter based on common-ground multiple-stack structure. Sensors 2019, 19, 3257. [Google Scholar] [CrossRef]
- Khaliq, H.S.; Awais, M.; Ahmad, W.; Khan, W.T. A high gain six band frequency independent dual CP planar log periodic antenna for ambient RF energy harvesting. In Proceedings of the 2017 Progress in Electromagnetics Research Symposium—Fall (PIERS—FALL), Singapore, 19–22 November 2017; pp. 3024–3028. [Google Scholar] [CrossRef]
- Saghlatoon, H.; Björninen, T.; Sydänheimo, L.; Tentzeris, M.M.; Ukkonen, L. Inkjet-printed wideband planar monopole antenna on cardboard for RF energy-harvesting applications. IEEE Antennas Wirel. Propag. Lett. 2014, 14, 325–328. [Google Scholar] [CrossRef]
- Khang, S.T.; Yu, J.W.; Lee, W.S. Compact folded dipole rectenna with RF-based energy harvesting for IoT smart sensors. Electron. Lett. 2015, 51, 926–928. [Google Scholar] [CrossRef]
- Gravas, I.P.; Sifakis, N.F.; Zaharis, Z.D.; Lazaridis, P.I.; Xenos, T.D. Optimal Fractal Antenna for In-Vehicle Entertainment Application. In Proceedings of the 2020 Wireless Telecommunications Symposium (WTS), Washington, DC, USA, 22–24 April 2020; pp. 1–5. [Google Scholar] [CrossRef]
- Hu, Y.Y.; Sun, S.; Xu, H. Compact Collinear Quasi-Yagi Antenna Array for Wireless Energy Harvesting. IEEE Access 2020, 8, 35308–35317. [Google Scholar] [CrossRef]
- Congedo, F.; Monti, G.; Tarricone, L.; Cannarile, M. Broadband bowtie antenna for RF energy scavenging applications. In Proceedings of the 5th European Conference on Antennas and Propagation (EUCAP), Rome, Italy, 11–15 April 2011; pp. 335–337. [Google Scholar]
- Kamoda, H.; Kitazawa, S.; Kukutsu, N.; Kobayashi, K. Loop Antenna Over Artificial Magnetic Conductor Surface and Its Application to Dual-Band RF Energy Harvesting. IEEE Trans. Antennas Propag. 2015, 63, 4408–4417. [Google Scholar] [CrossRef]
- Agrawal, S.; Gupta, R.D.; Parihar, M.S.; Kondekar, P.N. A wideband high gain dielectric resonator antenna for RF energy harvesting application. AEU Int. J. Electron. Commun. 2017, 78, 24–31. [Google Scholar] [CrossRef]
- Shen, S.; Zhang, Y.; Chiu, C.Y.; Murch, R. An Ambient RF Energy Harvesting System Where the Number of Antenna Ports is Dependent on Frequency. IEEE Trans. Microw. Theory Tech. 2019, 67, 3821–3832. [Google Scholar] [CrossRef]
- Shen, S.; Chiu, C.Y.; Murch, R.D. A Dual-Port Triple-Band L-Probe Microstrip Patch Rectenna for Ambient RF Energy Harvesting. IEEE Antennas Wirel. Propag. Lett. 2017, 16, 3071–3074. [Google Scholar] [CrossRef]
- Saen, T.; Itoh, K.; Betsudan, S.i.; Makino, S.; Hirota, T.; Noguchi, K.; Shimozawa, M. Fundamentals of the bridge RF rectifier with an impedance transformer. In Proceedings of the 2011 IEEE MTT-S International Microwave Workshop Series on Innovative Wireless Power Transmission: Technologies, Systems, and Applications, Kyoto, Japan, 12–13 May 2011; pp. 255–258. [Google Scholar] [CrossRef]
- Park, J.; Kim, Y.; Yoon, Y.J.; So, J.; Shin, J. Rectifier design using distributed Greinacher voltage multiplier for high frequency wireless power transmission. J. Electromagn. Eng. Sci. 2014, 14, 25–30. [Google Scholar] [CrossRef]
- Ohira, T. Power efficiency and optimum load formulas on RF rectifiers featuring flow-angle equations. IEICE Electron. Express 2013, 10, 20130230. [Google Scholar] [CrossRef]
- Delon Voltage Multiplier, or How to Double or Triple Transformer Voltage. Available online: https://www.jurasz.de/en/jarek/delon (accessed on 20 August 2024).
- RT/Duroid ®5870/5880: High Frequency Laminates. Available online: https://rogerscorp.com/-/media/project/rogerscorp/documents/advanced-electronics-solutions/english/data-sheets/rt-duroid-5870—5880-data-sheet.pdf (accessed on 20 August 2024).
- Merabet, B.; Cirio, L.; Takhedmit, H.; Costa, F.; Vollaire, C.; Allard, B.; Picon, O. Low-cost converter for harvesting of microwave electromagnetic energy. In Proceedings of the 2009 IEEE Energy Conversion Congress and Exposition, San Jose, CA, USA, 20–24 September 2009; pp. 2592–2599. [Google Scholar] [CrossRef]
- El Mattar, S.; Baghdad, A. High-efficiency 2.45 and 5.8 GHz dual-band rectifier design with modulated input signals and a wide input power range. Int. J. Electr. Comput. Eng. 2023, 13, 2088–8708. [Google Scholar] [CrossRef]
- Liu, D.S.; Li, F.B.; Zou, X.C.; Liu, Y.; Hui, X.M.; Tao, X.F. New analysis and design of a RF rectifier for RFID and implantable devices. Sensors 2011, 11, 6494–6508. [Google Scholar] [CrossRef]
- Takhedmit, H.; Merabet, B.; Cirio, L.; Allard, B.; Costa, F.; Vollaire, C.; Picon, O. A 2.45-GHz dual-diode RF-to-dc rectifier for rectenna applications. In Proceedings of the 40th European Microwave Conference, Paris, France, 28–30 September 2010; pp. 37–40. [Google Scholar] [CrossRef]
- HSMS-286x Series: Surface Mount Microwave Schottky Detector Diodes. Available online: https://gr.mouser.com/datasheet/2/678/V02_1388EN0-1222339.pdf (accessed on 20 August 2024).
- Deng, X.; Yang, P.; Chen, S.; Ren, W. Design of a 2.4 & 5.8 GHz Efficient Circularly Polarized Rectenna for Wireless Power Transfer Applications. Electronics 2023, 12, 2645. [Google Scholar] [CrossRef]
- Yue, X.; Du, S. A 2-Mode Reconfigurable SSHI Rectifier with 3.2X Lower Cold-Start Requirement for Piezoelectric Energy Harvesting. In Proceedings of the 2022 29th IEEE International Conference on Electronics, Circuits and Systems (ICECS), Glasgow, UK, 24–26 October 2022; pp. 1–4. [Google Scholar] [CrossRef]
- AN5457: RF Matching Network Design Guide for STM32WL Series. Available online: https://www.st.com/resource/en/application_note/an5457-rf-matching-network-design-guide-for-stm32wl-series-stmicroelectronics.pdf (accessed on 20 August 2024).
- Singh, N.; Kanaujia, B.K.; Tariq Beg, M.; Mainuddin.; Kumar, S. A triple band circularly polarized rectenna for RF energy harvesting. Electromagnetics 2019, 39, 481–490. [Google Scholar] [CrossRef]
- Roberts, S. DC/DC Book of Knowledge: Practical Tips for the User; Recom: Singapore, 2015. [Google Scholar]
- Shayeghi, H.; Pourjafar, S.; Hashemzadeh, S.; Sedaghati, F. A dc-dc converter with high voltage conversion ratio recommended for renewable energy application. J. Oper. Autom. Power Eng. 2024, 12, 186–194. [Google Scholar]
- Zeng, M.; Andrenko, A.S.; Liu, X.; Zhu, B.; Li, Z.; Tan, H.Z. Differential topology rectifier design for ambient wireless energy harvesting. In Proceedings of the 2016 IEEE International Conference on RFID Technology and Applications (RFID-TA), Foshan, China, 21–23 September 2016; pp. 97–101. [Google Scholar] [CrossRef]
- Cansiz, M.; Altinel, D.; Kurt, G.K. Efficiency in RF energy harvesting systems: A comprehensive review. Energy 2019, 174, 292–309. [Google Scholar] [CrossRef]












| Parameter | Width/Length | Angle |
|---|---|---|
| TL1 | 2/30 mm | - |
| TL2 | 2/13 mm | - |
| TL3 | 2/3 mm | - |
| TL4 | 2/ mm | - |
| TL5 | 2/ mm | - |
| TL6 | 1/ mm | - |
| TL7 | 2/13 mm | - |
| TL8 | 2/ mm | - |
| TL9 | 2/ mm | - |
| TL10 | 2/14 mm | - |
| TL11 | 1/ mm | - |
| TL12 | / mm | - |
| STUB1 | 200 nm/ mm | degrees |
| STUB2 | 3/5 mm | degrees |
| STUB3 | 200 nm/6 mm | degrees |
| Reference | Type of Circuit (+) | Substrate | Diode | Frequency (GHz) | (dBm) | (kΩ) | PCE (%) @ Desired Frequencies | |
|---|---|---|---|---|---|---|---|---|
| [1] | Full-wave rectifier + | FR-4 | HSMS-2820C | , , , , , | - | - | 78 | 8 (@3.5 GHz) V |
| [9] | Full-wave rectifier | FR-4 | HSMS-2852 | , | 0 | (@2.45 GHz), (@2.45 GHz) | V | |
| [15] | Full-wave rectifier | RT/Duroid 5880 | HSMS-286C | , 5 | 12 | 53 | V | |
| [31] | Full-wave rectifier + | - | - | 15 | - | |||
| [32] | Full-wave rectifier + | - | Gallium Arsenide printed diodes | 5 | - | - | - | |
| [33] | Full-wave rectifier | RT/Duroid 5880 | HSMS-286C | 9 | - | |||
| [34] | Full-wave rectifier + | FR-4 | HSMS-286C | , | 14 | 3 | 42 | V |
| [35] | Full-wave rectifier + | FR-4 | HSMS-2820 | , | 20 | V | ||
| [36] | Half-wave rectifier + | RT/Duroid 5880 | SMS-7630 | , | 0 | 44 | 656.88 mV | |
| [37] | Full-wave rectifier | FR-4 | HSMS-2860 | 6 | 1 | V | ||
| [38] | Half-wave rectifier | FR-4 | SMS-7630 | , | 0 | - | - | |
| [39] | Full-wave rectifier + | FR-4 | NXP BAP50-03 | , 4, 5 | - | - | 54 (@ GHz) | 298 (@2.4 GHz) mV |
| [40] | Full-wave rectifier | FR-4 | HSMS-285C | 2, , | 61 | - | ||
| [41] | Full-wave rectifier | Rogers RO3003 | SMS-7630-079 LF | 0 | 2 | 42 | - | |
| [42] | Full-wave rectifier | - | SMS-7630 | , , , , 5 | - | (@ GHz) | V | |
| [43] | Full-wave rectifier | FR-4 | HSMS-286B | , 5 | 0 | V | ||
| [44] | Full-wave rectifier + | RT/Duroid 5880 | SMS-7630 | , , , , , , , | 0 | 5 | (@ GHz) | - |
| [45] | Full-wave rectifier + | RO4003C | SMS-7630 | 2 | - | |||
| [46] | Full-wave rectifier | RO4350B | SMS-7630, HSMS-2850 | 3 | 57 | - | ||
| [47] | Full-wave rectifier | - | HSMS-2850 | 80 | - | |||
| [48] | Full-wave rectifier + | - | SMS-7630-061 | 10 | - | - | 3 V | |
| [49] | Half-wave rectifier | FR-4 | HSMS-2860 | 0 | 2 | V | ||
| [50] | - | - | HSMS-286B | 9 | 72 | - | ||
| [51] | Full-wave rectifier | - | HSMS-285C | – | 60 | V | ||
| [52] | Full-wave rectifier + | - | MA4E1319-1 | 21 | 4 | V | ||
| This Work | Full-wave rectifier | RT/Duroid 5880 | HSMS-286C | , , 5, | 12 | V (@18 dBm) |
Disclaimer/Publisher’s Note: The statements, opinions and data contained in all publications are solely those of the individual author(s) and contributor(s) and not of MDPI and/or the editor(s). MDPI and/or the editor(s) disclaim responsibility for any injury to people or property resulting from any ideas, methods, instructions or products referred to in the content. |
© 2024 by the authors. Licensee MDPI, Basel, Switzerland. This article is an open access article distributed under the terms and conditions of the Creative Commons Attribution (CC BY) license (https://creativecommons.org/licenses/by/4.0/).
Share and Cite
Bougas, I.D.; Papadopoulou, M.S.; Boursianis, A.D.; Sotiroudis, S.; Zaharis, Z.D.; Goudos, S.K. Quad-Band Rectifier Circuit Design for IoT Applications. Technologies 2024, 12, 188. https://doi.org/10.3390/technologies12100188
Bougas ID, Papadopoulou MS, Boursianis AD, Sotiroudis S, Zaharis ZD, Goudos SK. Quad-Band Rectifier Circuit Design for IoT Applications. Technologies. 2024; 12(10):188. https://doi.org/10.3390/technologies12100188
Chicago/Turabian StyleBougas, Ioannis D., Maria S. Papadopoulou, Achilles D. Boursianis, Sotirios Sotiroudis, Zaharias D. Zaharis, and Sotirios K. Goudos. 2024. "Quad-Band Rectifier Circuit Design for IoT Applications" Technologies 12, no. 10: 188. https://doi.org/10.3390/technologies12100188
APA StyleBougas, I. D., Papadopoulou, M. S., Boursianis, A. D., Sotiroudis, S., Zaharis, Z. D., & Goudos, S. K. (2024). Quad-Band Rectifier Circuit Design for IoT Applications. Technologies, 12(10), 188. https://doi.org/10.3390/technologies12100188

