Bandwidth Improvement of MMIC Single-Pole-Double-Throw Passive HEMT Switches with Radial Stubs in Impedance-Transformation Networks
Abstract
:1. Introduction
2. Circuit Design and Implementation
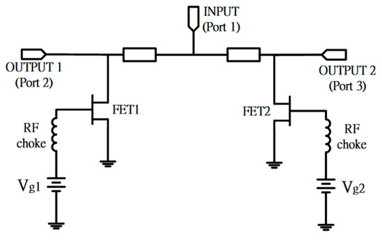
2.1. Analysis
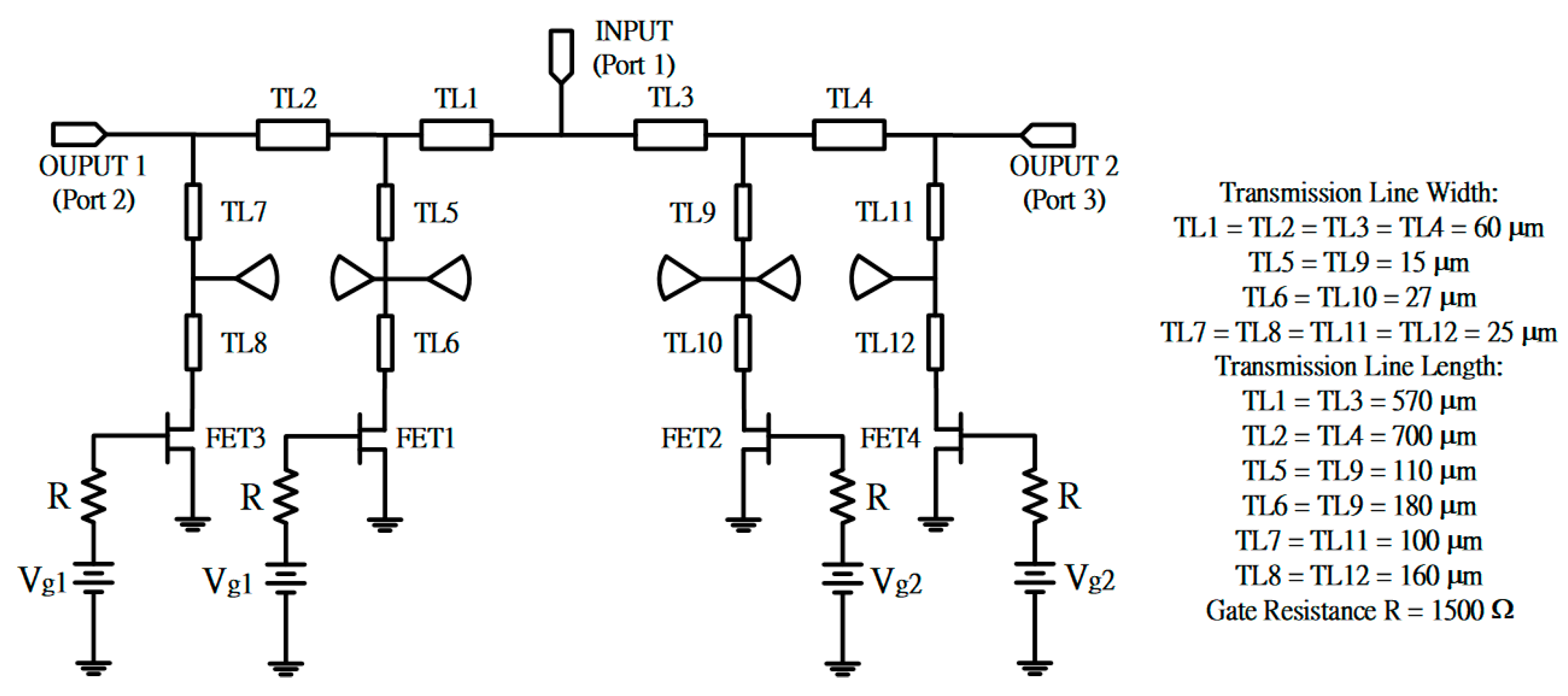
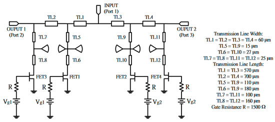
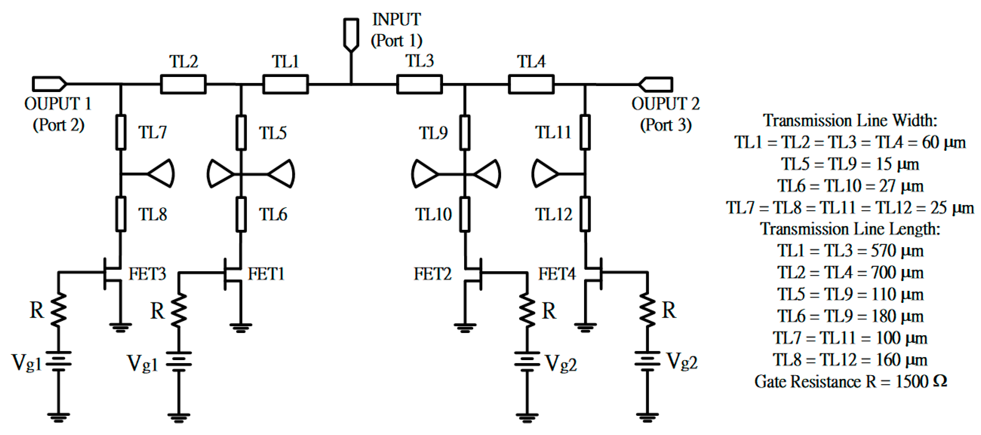
2.2. SPDT Switch With Impedance Transformation Network
2.3. Parametric Study on the Geometry of the Radial-stub
2.4. Chip Design and Implementation
3. Measurement Results and Discussion
4. Conclusions
Author Contributions
Funding
Acknowledgments
Conflicts of Interest
References
- Shigematsu, T.; Suematsu, N.; Takeuchi, N.; Iyama, Y.; Mizobuchi, A. A 6-18 GHz 20 W SPDT switch using shunt discrete PIN diodes. In Proceedings of the 1997 IEEE MTT-S International Microwave Symposium Digest, Denver, CO, USA, 8–13 June 1997; Volume 2, pp. 527–530. [Google Scholar]
- Rozbicki, A.; Brogle, J.; Jain, N.; Boles, T.; Hoag, D. Ka band high power AlGaAs PIN diode switches. In Proceedings of the 2009 IEEE MTT-S International Microwave Symposium Digest, Boston, MA, USA, 7–12 June 2009; pp. 453–456. [Google Scholar]
- Yang, J.G.; Yang, K. High-Linearity K-Band Absorptive-Type MMIC Switch Using GaN PIN-Diodes. IEEE Microw. Wirel. Compon. Lett. 2013, 23, 37–39. [Google Scholar] [CrossRef]
- Gong, Y.; Teng, J.W.; Cressler, J.D. A Compact, High-Power, 60 GHz SPDT Switch Using Shunt-Series SiGe PIN Diodes. In Proceedings of the 2019 IEEE Radio Frequency Integrated Circuits Symposium (RFIC), Boston, MA, USA, 2–4 June 2019; pp. 15–18. [Google Scholar]
- Zhao, L.; Liang, W.-F.; Zhou, J.-Y.; Jiang, X. Compact 35–70 GHz SPDT Switch with High Isolation for High Power Application. IEEE Microw. Wirel. Compon. Lett. 2017, 27, 485–487. [Google Scholar] [CrossRef]
- Zheng, X.; Tremblay, J.C.; Huettner, S.E.; Ip, K.P.; Papale, T.; Lange, K.L. Ka-Band High Power GaN SPDT Switch MMIC. In Proceedings of the 2013 IEEE Compound Semiconductor Integrated Circuit Symposium (CSICS), Monterey, CA, USA, 13–16 October 2013; pp. 1–5. [Google Scholar]
- Thian, M.; Fusco, V.F. Ultrafast Low-Loss 42–70 GHz Differential SPDT Switch in 0.35 µm SiGe Technology. IEEE Trans. Microw. Theory Tech. 2012, 60, 655–659. [Google Scholar] [CrossRef]
- Uzunkol, M.; Rebeiz, G. A Low-Loss 50–70 GHz SPDT Switch in 90 nm CMOS. IEEE J. Solid State Circuits 2010, 45, 2003–2007. [Google Scholar] [CrossRef]
- Lin, K.-Y.; Wang, Y.-J.; Niu, D.-C.; Wang, H. Millimeter-wave MMIC single-pole-double-throw passive HEMT switches using impedance-transformation networks. IEEE Trans. Microw. Theory Tech. 2003, 51, 1076–1085. [Google Scholar] [CrossRef]
- Shairi, N.A.; Ahmad, B.H.; Wong, P.W. SPDT discrete switch design using switchable radial stub resonator for WiMAX and LTE in 3.5 GHz band. In Proceedings of the 2013 IEEE International RF and Microwave Conference (RFM), Penang, Malaysia, 9–11 December 2013; pp. 1–5. [Google Scholar]
- Madihian, M.; Desclos, L.; Maruhashi, K.; Onda, K.; Kuzuhara, M. A sub-nanosecond resonant-type monolithic T/R switch for millimeter-wave systems applications. IEEE Trans. Microw. Theory Tech. 1998, 46, 1016–1019. [Google Scholar] [CrossRef]
- Lan, G.L.; Dunn, D.L.; Chen, J.C.; Pao, C.K.; Wang, D.C. A high performance V-band monolithic FET transmit-receive switch. In Proceedings of the IEEE 1988 Microwave and Millimeter-Wave Monolithic Circuits Symposium Digest of Papers, New York, NY, USA, 24–25 May 1998; pp. 99–101. [Google Scholar]
- Aust, M.; Wang, H.; Carandang, R.; Tan, K.; Chen, C.H.; Trinh, T.; Esfandiari, R.; Yen, H.C. GaAs monolithic components development for Q-band phased array application. In Proceedings of the 1992 IEEE Microwave Symposium Digest MTT-S, Albuquerque, NM, USA, 1–5 June 1992; Volume 2, pp. 703–706. [Google Scholar]
- Schindler, M.J.; Morris, A. DC–40 GHz and 20–40 GHz MMIC SPDT switches. IEEE Trans. Microw. Theory Tech. 1987, 35, 1486–1493. [Google Scholar] [CrossRef]
- Ingram, D.L.; Cha, K.; Hubbard, K.; Lai, R. Q-band high isolation GaAs HEMT switches. In Proceedings of the GaAs IC Symposium IEEE Gallium Arsenide Integrated Circuit Symposium. 18th Annual Technical Digest 1996, Orlando, FL, USA, 3–6 November 1996; pp. 289–292. [Google Scholar]
- Mizutani, H.; Funabashi, N.; Kuzuhara, M.; Takayama, Y. Compact DC–60-GHz HJFET MMIC switches using OHMIC electrode-sharing technology. IEEE Trans. Microw. Theory Tech. 1998, 46, 1597–1603. [Google Scholar] [CrossRef]
- Hieda, M.; Nakahara, K.; Miyaguchi, K.; Kurusu, H.; Iyama, Y.; Takagi, T.; Urasaki, S. High-isolation series-shunt FET SPDT switch with a capacitor canceling FET parasitic inductance. IEEE Trans. Microw. Theory Tech. 2001, 49, 2453–2458. [Google Scholar] [CrossRef]
- Zhang, L.; Cheng, X.; Deng, X.; Li, X. Design of K/Ka-band passive HEMT SPDT switches with high isolation. In Proceedings of the 2017 China Semiconductor Technology International Conference (CSTIC), Shanghai, China, 12–13 March 2017; pp. 1–3. [Google Scholar]
- Trinh, K.T.; Kao, H.-L.; Chiu, H.-C.; Karmakar, N.C. A Ka-Band GaAs MMIC Traveling-Wave Switch With Absorptive Characteristic. IEEE Microw. Wirel. Compon. Lett. 2019, 29, 394–396. [Google Scholar] [CrossRef]















| Ref. | Tech. | Structure | Freq. (GHz) | Input Return Loss (dB) | Insertion Loss (dB) | Isolation (dB) | P1dB (dBm) | Chip Size (mm2) |
|---|---|---|---|---|---|---|---|---|
| [5] | 0.1-μm GaAs pHEMT | Distributed 6 shunt stacked HEMTs | 35–70 | > 15 | < 3 | > 40 | 20.2 @ 31GHz | 0.96 |
| [9] | 0.15-μm GaAs pHEMT | Shunt with impedance transform network | 38–43 | > 15 | < 2 | > 30 | N/A | 2 |
| [14] | GaAs | Shunt configuration | 20–40 | > 7 | 2 @ 40 GHz | 25-28 | N/A | 1.61 |
| [15] | GaAs HEMT | Shunt with Quarter-wavelength | 42–46 | > 12 | < 1.6 | > 35 | N/A | 10 |
| [16] | HJFET | Series resonant and shunt | DC-40 | N/A | < 3.5 | > 25 | 21 | 0.55 |
| [17] | GaAs FET | Series-shunt configuration | 28 | 12.5 | 3.1 | 28.9 | N/A | 2.18 |
| [18] | 0.07-μm GaAs | Shunt configuration | 24–27 | > 17.5 | < 1.5 | > 39 | N/A | < 3 |
| [19] | 0.15-μm GaAs | Traveling-wave concept | 36–38 | > 8.1 | < 3.2 | > 28 | 12 @ 37 GHz | 1.1 |
| This Work | 0.15-μm GaAs pHEMT | Impedance transform network with radial stub | 33–44 | > 16 | < 2.5 | > 30 | > 24 | 2 |
© 2020 by the authors. Licensee MDPI, Basel, Switzerland. This article is an open access article distributed under the terms and conditions of the Creative Commons Attribution (CC BY) license (http://creativecommons.org/licenses/by/4.0/).
Share and Cite
Tsao, Y.-F.; Würfl, J.; Hsu, H.-T. Bandwidth Improvement of MMIC Single-Pole-Double-Throw Passive HEMT Switches with Radial Stubs in Impedance-Transformation Networks. Electronics 2020, 9, 270. https://doi.org/10.3390/electronics9020270
Tsao Y-F, Würfl J, Hsu H-T. Bandwidth Improvement of MMIC Single-Pole-Double-Throw Passive HEMT Switches with Radial Stubs in Impedance-Transformation Networks. Electronics. 2020; 9(2):270. https://doi.org/10.3390/electronics9020270
Chicago/Turabian StyleTsao, Yi-Fan, Joachim Würfl, and Heng-Tung Hsu. 2020. "Bandwidth Improvement of MMIC Single-Pole-Double-Throw Passive HEMT Switches with Radial Stubs in Impedance-Transformation Networks" Electronics 9, no. 2: 270. https://doi.org/10.3390/electronics9020270
APA StyleTsao, Y.-F., Würfl, J., & Hsu, H.-T. (2020). Bandwidth Improvement of MMIC Single-Pole-Double-Throw Passive HEMT Switches with Radial Stubs in Impedance-Transformation Networks. Electronics, 9(2), 270. https://doi.org/10.3390/electronics9020270

