Next Article in Journal
Improvement of an Equivalent Circuit Model for Li-Ion Batteries Operating at Variable Discharge Conditions
Next Article in Special Issue
Add-On Type Pulse Charger for Quick Charging Li-Ion Batteries
Previous Article in Journal
Distributed Blockchain-Based Message Authentication Scheme for Connected Vehicles
Previous Article in Special Issue
Improvement of Stability in a PCM-Controlled Boost Converter with the Target Period Orbit-Tracking Method
 
 
Font Type:
Arial Georgia Verdana
Font Size:
Aa Aa Aa
Line Spacing:
Column Width:
Background:
Article

Common Mode Voltage Elimination for Quasi-Switch Boost T-Type Inverter Based on SVM Technique

1
Faculty of Electrical and Electronics Engineering, Ho Chi Minh City University of Technology and Education, 1 Vo Van Ngan Street, Thu Duc district, Ho Chi Minh City 700000, Vietnam
2
School of Electrical Engineering and Computer Science, Queensland University of Technology, Brisbane 4000, Australia
*
Author to whom correspondence should be addressed.
Electronics 2020, 9(1), 76; https://doi.org/10.3390/electronics9010076
Submission received: 12 November 2019 / Revised: 18 December 2019 / Accepted: 19 December 2019 / Published: 1 January 2020
(This article belongs to the Special Issue Power Converters in Power Electronics)

Abstract

In this paper, the effect of common-mode voltage generated in the three-level quasi-switched boost T-type inverter is minimized by applying the proposed space-vector modulation technique, which uses only medium vectors and zero vector to synthesize the reference vector. The switching sequence is selected smoothly for inserting the shoot-through state for the inverter branch. The shoot-through vector is added within the zero vector in order to not affect the active vectors as well as the output voltage. In addition, the shoot-through control signal of active switches of the impedance network is generated to ensure that its phase is shifted 90 degrees compared to shoot through the signal of the inverter leg, which provides an improvement in reducing the inductor current ripple and enhancing the voltage gain. The effectiveness of the proposed method is verified through simulation and experimental results. In addition, the superiority of the proposed scheme is demonstrated by comparing it to the conventional pulse-width modulation technique.

1. Introduction

Nowadays, applications of multilevel inverters (MLIs) are a significant part of the industry and the civilian population, such as renewable energy systems [1], uninterruptable power supplies [2], wind turbine systems [3], motor drives [4], etc. Instead of using additional diodes like conventional neutral-point clamped (NPC) topology, the three-level T-type inverter (3LT2I) uses three bidirectional-switches blocks half of DC-link voltage, which provides superiority in medium and low power applications [5]. In addition, compared to the cascade topology [6] or flying capacitor topology [7], the 3LT2I is superior in size and reliability because of not using additional isolated DC sources, as well as high power capacitors. Moreover, the 3LT2I provides advantages for both MLIs and two-level inverter, such as high quality at output voltage, small output filter requirement, the low voltage stress on power elements of inverter, and it is easy to control [8]. However, the conventional MLIs only have capability for buck conversion [9,10]. This is because the DC-link voltage (input DC voltage of inverter) is considered as a constant power source, while the peak–peak output phase voltage is not higher than the DC-link voltage. Therefore, to achieve the desired amplitude of output voltage, the DC–DC converter is considered to be placed between the input power source and inverter leg to boost the DC-link voltage [11]. This system is known as a two-stage power converter. On the other hand, the low-frequency AC transformer is considered to be placed after the inverter to obtain the desired AC output voltage. These solutions lead to enhance the size, weight, cost, and reduce the efficiency of the power converter. One of the important issues that the traditional MLIs are facing is the shoot-through (ST) phenomenon, which is generated by switching any of the switches in any phase leg of the inverter [12]. This phenomenon can destroy switching devices used in the inverter, as well as cause a short circuit at input power supply [13]. This issue can be addressed by incorporating deadtime with a control signal fed to the inverter switching devices [13,14]. However, the effectiveness of the converter is not guaranteed, since it causes the distortion of an output waveform [11,12,13,14,15].
The Z-source (ZS) inverter topology, known as a single-stage power converter with a buck-boost capability and ST immune, is proposed in [16] to overcome the limitation of traditional MLIs. By adding the intermediate impedance network between the input power supply and inverter leg, the DC-link of the inverter is boost to the desired value instead of using an additional DC–DC converter before the inverter leg. Moreover, the ST state is used as the main mode during operation of the system, which provides the ST immunity without deadtime inclusion. As a result, the performance of the converter is significantly increased and has more reliability [17]. In order to incorporate the advantages of MLIs with the buck-boost capability of the ZS network, two ZS networks are connected in series with NPC structure [18]. This combination provides superior advantages in output quality compared with [16]. However, this structure also increases weight, size, and cost of the system because of using a large number of passive components. The new combination of a ZS network and NPC inverter by using two equal capacitors to split the input power supply into two equal sources is presented in [19]. In this method, the output of the ZS network and the midpoint of power supply provide three levels at output terminal without more ZS network requirement. Even so, this type of intermediate network also has drawbacks, such as high voltage stress on capacitors, as well as discontinuous input current because of using the input diode [20].
The quasi-Z-source (qZS) inverter topology derived from the ZS network was proposed to overcome the limitation of ZS topology [21]. Like the ZS inverter, this structure also behaves as a boost converter, which operates in shoot through (ST) and non-shoot through (NST) modes. The combination of the qZS inverter topology and three-level inverter has some advantages, such as low voltage stress on power elements and continuous input current [21]. The new topology of the qZS network was presented to enhance the boost capability [22]. This topology is implemented by adding one more active switch into the intermediate network to obtain the higher voltage gain. However, this structure also provides disadvantages, such as using a large number of passive components, such as inductors or capacitors that lead to increase the size of the power inverter, and the ripple of inductor current is quite large. Moreover, the boost capability of the qZS network just depends on the ST ratio of the inverter leg, therefore, the voltage gain is not flexible to control.
By using only one inductor and one capacitor in order to boost the DC input voltage, the quasi-switched boost (qSB) topology is superior in reducing a number of passive components compared to the qZS inverter, whereas the voltage gain is maintained as qZS inverter [23,24]. Moreover, this structure uses one more active switch, so it is very flexible to control. In [25], the qSB network is added to the NPC inverter, which connects two identical qSB networks in series to create three-level voltage at output of impedance network fed to the three-level inverter leg. In this structure, the qSB network uses two power supplies and two inductors resulting in unnecessary complexity. A single-stage active impedance source three-phase T-type inverter was proposed in [26] with a reduced component count and voltage stress on devices. In [27], a pulse-width modulation (PWM) strategy is proposed to improve the inductor current ripple and voltage gain of the converter based on the quasi-switched boost T-type inverter (qSBT2I) topology. Applying the scheme proposed in [27], a PWM strategy is proposed in [28] to enhance the stabilization of the system by solving the open-circuit faults of switching devices in the inverter leg as well as the intermediate network.
Due to the superior quality and amplitude of output voltage, the space-vector modulation (SVM) is applied to qSBT2I as presented in [29,30]. Because of not containing the zero vector in some of the region of the space vector diagram, these schemes use upper ST (UST) and lower ST (LST) modes, which are only included in small vectors, to ensure the voltage gain of the converter. As a result, the boost capability is enhanced while the quality of output voltage is improved significantly.
During operation, the inverter generates the common-mode voltage (CMV), which causes a lot of problems, such as bearing currents and shaft voltage in motor drives applications or electromagnetic interference [31]. Thus, it will reduce the life of the inductor motor or affect other electronic devices operating near the inverter. A PWM strategy used to reduce the magnitude of the CMV was discussed in [32]. In this technique, a reference vector is synthesized by using large vectors, medium vectors, and zero vector, which limits the amplitude of CMV from –VDC-link/6 to VDC-link/6. Based on [32], the switching sequence is then modified to insert the ST state, which guarantees the boost capability, whereas the magnitude of CMV is maintained and applied to the qZS inverter [33]. However, these methods do not eliminate CMV completely. A technique to eliminate CMV applied to five-level inverter based on SVM and sine PWM was founded in [34]. The switching loss for five-level NPC and cascade inverter was also analyzed. However, due to using conventional inverter topology, the voltage boosting capability cannot be achieved.
In this paper, the SVM strategy to eliminate CMV for 3L qST2I is proposed. In this technique, the medium vectors and zero vector are adopted to generate the reference vector. As a result, the CMV is maintained zero during operation. To ensure the inverter operates under boost condition, the switching sequence and ST insertion are discussed carefully. Moreover, the control scheme for two active-switches of the impedance network proposed in [27] is adopted in this paper so the inductor current ripple is improved compared to the qZS inverter. In addition, the continuous input current is guaranteed by not using the input diode like the ZS network. Simulation and experimental results based on power simulation (PSIM) software and a practical prototype are presented to verify the effectiveness of the proposed scheme. The results are also compared with other conventional methods to demonstrate the effectiveness of this scheme. The advantages of the proposed space-vector pulse-width modulation (SVPWM) scheme over the conventional SVPWM scheme are as follows:
  • The CMV is maintained zero during operation, and;
  • The inductor current ripple is improved compared to the qZS inverter.

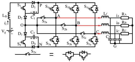
2. Three-Level Quasi-Switched Boost T-Type Inverter (qSBT2I) Topology

The topology of qSBT2I is illustrated in Figure 1, where the intermediate qSB network is placed in front of the 3LT2I. The qSB network is constructed by one inductor (LB), two capacitors (C1 and C2), two active switches (S1 and S2), and four diodes (D1, D2, D3, and D4). A three-phase low-pass filter which consists of Lf and Cf is used to reduce total harmonic distortion (THD) at the output. The connection of two identical qSB creates the neutral point “O” connected to load through three bi-directional switches, which consist of two active switches connected in series, shown in Figure 1. This topology provides superior advantages in medium and low application compared to conventional topology of MLIs because these bi-directional switches block only half of the DC-link voltage. Moreover, the high side switches (S1x, x = a, b, c) and low side switches (S3x) are used to connect the positive point “P” and negative point “N” of qSB network outputs to the load, while the middle switches (S2x) is connected to point “0” of the qSB network to the load, as shown in Figure 1. By this example, the inverter leg can produce three-level voltages at the output terminal as “P”, “O”, and “N”, which ensure the advantages of MLIs. Moreover, by using the qSB network, this topology can behave as a boost converter which is able to generate desired AC output voltage at the load.
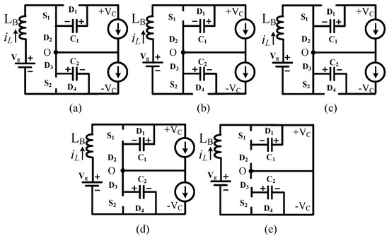
Like [27], the inverter topology can operate in two main modes: ST and NST, which consist of four sub-NST modes as illustrated in Figure 2. As presented in Figure 2a, inductor LB stores energy in NST mode 3 by switching both switches S1 and S2, where the inverter leg operates normally by producing three-level voltages at output. On the other hand, the inductor is also charged by turning on all switches of the inverter leg in ST mode, which produces “O” state at output terminal. Therefore, the ST state is considered to insert within “O” state in order to not affect the normal operation of the converter. Due to the use of ST state, the efficiency and reliability of the system are improved, which are not guaranteed in a conventional inverter when the deadtime is included in switching control signal. In NST mode, the inverter operates similar to conventional MLIs, which is able to achieve three-level at output terminal, the energy stored in inductor and power source is transferred to the load by triggering the corresponding switches, as detailed in Table 1.
The steady state is processed in the same condition compared to [27] in which the qSB network is considered symmetrical (C1 = C2) and the voltage across these capacitors is assumed constant (VC1 = VC2). As a result, the capacitor voltage is expressed as (1).
V C = V C 1 = V C 2 = V g 2 3 D 0 d ,
where,
  • VC1, VC2—capacitor voltage of C1 and C2;
  • Vg—input DC voltage of the inverter;
  • D0—ST duty ratio;
  • d—the ratio identifying duty cycle of intermediate network switches (S1 and S2).
The relationship between ST duty ratio D0 and the ratio d is shown in (2).
d + D 0 1 .
When applying the ST algorithm presented in [27], the inductor current ripple of qSBT2I can be decreased compared with the qZS network. As a result, the performance of the system is significantly improved. The value of inductor current ripple is expressed as follows:
Δ I L = 1 2 L B f c . V g D 0 ,
where,
  • Δ I L —the inductor current ripple;
  • LB—the value of the boost inductor;
  • fC—the frequency of the carrier.
The RMS value of output voltage can be identified through capacitor voltage and calculated as [27]
V x , R M S = m . V C 2 = m 2 . V g 2 3 D 0 d ,
where,
  • Vx,RMS—the RMS value of output voltage;
  • m—modulation index.
In order to avoid affecting the output voltage, the relationship between modulation index m and ST duty cycle D0 must be
{ m 1 m + D 0 1 .

3. The Proposed SVM Scheme to Eliminate CMV for 3L qSBT2I

During operation, the MLIs generate CMV, which is identified as the voltage between load neutral point “G” and DC-link neutral point “O”. It can be calculated through three-phase output voltage and the CMV, as presented in (6).
V C M V = V G O = V A O + V B O + V C O 3 ,
where VAO, VBO, and VCO are three-phase output pole voltages.
There are 27 vectors corresponding to 27 switching states of the 3LT2I. The CMV value is produced according to the vector adopted to generate the output voltage. Table 2 lists the CMV value of 3LT2I.
As illustrated in Table 2, the maximum magnitude of CMV is reached when the zero vectors [PPP] or [NNN] are adopted, its value is ±VC. When small vectors are adopted to synthesize the reference vector, the CMV value is changed from −2VC/3 to +2VC/3, while the large vectors just generate the CMV whose peak value is VC/3. Along with 27 vectors listed in Table 2, the zero vector [OOO] and medium vectors generate the CMV with the minimum value, which is zero. Therefore, when zero vector [OOO] and medium vectors are adopted to create the output voltage, the CMV is eliminated.
This paper proposes a SVM strategy by using the medium vectors and zero vector [OOO], which synthesize the reference vector applied to qSBT2I. As a result, CMV will be eliminated. The space vector diagram is illustrated in Figure 3, where the magnitude of medium vectors and zero vector [OOO] are 2 V C / 3 and 0, respectively. The maximum magnitude of reference vector is VC. The space vector diagram is divided into six sectors, which is used to analyze the operation principle of the inverter. During operation, the ST state is added into zero vector in order to avoid affecting the output voltage and provide a boost capability. The drew-time calculation, switching sequence, and ST insertion are presented in this section. Generally, the sector I is considered as a representative instant to analysis. The calculation for other sectors can be achieved in a way similar to the sector I.
Assume that the reference vector is located in the sector I, the medium vectors ( V 1 ,   V 2 ) and zero vector V 0 are adopted to synthesize the reference vector. Their relationship will be presented in (7).
{ V r e f . T s = V 0 . T 0 + V 1 . T 1 + V 2 . T 2 T s = T 0 + T 1 + T 2 ,
where,
  • V r e f —reference vector;
  • V 0 —zero vector;
  • V 1 ,   V 2 —medium vectors;
  • Ts—switching period of the inverter;
  • T0, T1, T2—the on-times of V 0 ,   V 1 , and V 2 , respectively.
The reference vector V r e f , zero vector V 0 , and medium vector V 1 ,   V 2 are identified as follows:
{ V r e f = m . V C / 2 . e j θ V 0 = 0 V 1 = m . V C / 3 . e j π / 6 V 2 = m . V C / 3 . e j π / 6 ,
where m is the modulation index.
Based on (7) and (8), the drew time of these vectors can be calculated as follows:
{ T 1 = T s . m . sin ( π / 6 θ ) T 2 = T s . m . sin ( π / 6 + θ ) T 0 = T s T 1 T 2 .
The switching sequence for sector I is [OOO]-[PON]-[PNO]-[OOO]-[PNO]-[PON]-[OOO].
When the ST state is obtained, all switches of the inverter leg are turned on at the same time. As a result, the output voltage is zero, which is similar to zero vector [OOO]. Therefore, to guarantee the boost capability of the qSB network and to not affect the output voltage, the ST vector is added into zero vector, so the zero vector is changed as
{ V 0 . T 0 = V 0 T 0 V S T . T S T T 0 = T 0 T S T = T 0 D 0 T S .
By incorporating the ST state with the switching sequence mentioned above, the designed switching sequence is changed to [FFF]-[OOO]-[PON]-[PNO]-[OOO]-[FFF]-[OOO]-[PNO]-[PON]-[OOO]-[FFF], where [FFF] is ST vector. For more details, ST insertion and control signals of intermediate network switches (S1 and S2) are presented in Figure 4. The ST control signal of impedance network, which has the phase shift of 90° compared to ST of the inverter leg, is generated to ensure the advantage in reducing the inductor current ripple. Moreover, by adding more duty cycle for switching S1 and S2 (which is represented by dTS/2 in Figure 4), the voltage gain of the converter is further enhanced.
Similar to the sector I, the switching sequence of other sectors and ST insertion can be achieved in the same way, as presented in Table 3.

4. Simulation and Experimental Results

The effectiveness of the proposed SVPWM is verified with the help of PSIM and a practical prototype. The circuit parameters used in the simulation and the experiment are shown in Table 4.
Three PWM techniques are considered to use in the simulation and the experiment to validate the performance of this research: method 1—traditional phase disposition (PD) sinusoidal PWM scheme, method 2—traditional phase shift (PS) sinusoidal PWM scheme discussed in [30,31], method 3proposed scheme. The results of method 1 are achieved by applying the ST insertion method, which is used in UST and LST insertion explored in [29,30], to conventional PD sinusoidal PWM strategy.
When using modulation index as 0.8 and ST duty ratio as 0.2, as illustrated in Table 4, the d ratio is calculated as 0.63 to achieve 110 VRMS at output phase voltage from 150 V at the input power supply.
Figure 5 presents the simulation results about input voltage (Vg), capacitor voltages (VC1 and VC2), and inductor current (IL) of the proposed method. The simulation is conducted with the parameters listed in Table 4. As a result, the capacitor voltage is boosted to 194.8 V in theory, and the simulation measures 196 V and 193 V for C1 and C2, respectively. The peak value of the DC-link voltage is the sum of two voltages across capacitors. Therefore, it is 389 V in simulation. The average input current (also inductor current) in simulation is 6.1 A, as shown in Figure 5. In one period of output load voltage, the maximum and minimum values of the inductor current are 7 A and 5.2 A, respectively.
Figure 6 illustrates the simulation results of the DC-link voltage, phase voltage (VAG), and CMV in three PWM techniques mentioned above. Among these techniques, the peak-value of the DC-link voltage is similar, which is 389 V. Because of using UST and LST, the DC-link voltage of method 1 varies from VDC-link/2 to VDC-link, while the DC-link voltage of method 2 and the proposed method has two values, which are 0V and VDC-link, since they use full ST to boost the DC power source. As shown in Figure 6, the THD value of the phase voltage is increasing from method 1 to the proposed method. The simulation produces results of 42.07%, 67.32%, and 77.08% for THD values of method 1, method 2, and the proposed method, respectively, while the CMV value of method 1 has the maximum magnitude, which is 2VC/3 and equals to 130 V. Method 2 has the medium magnitude of CMV, which varies from +VC/3 (65 V) to −VC/3 (–65 V). When the proposed method is adopted, the CMV generated by qSBT2I is eliminated. The RMS values of CMV for the three methods are 71 VRMS, 41.6 VRMS, and 0 VRMS, respectively. Since CMV is eliminated, the output phase voltage is similar to the pole voltage, which just has three-level +VC, 0, and –VC, as shown in Figure 6c.
Figure 7 shows the simulation results of output line–line voltage (VAB), output load voltage (VRA), and output load current IA. When the proposed method is used to minimize the effect of CMV, the THD of the output voltage is increased, consequently. In simulation, the THD value of output line–line voltage (VAB) for three methods are 42%, 67.3%, and 77.1%, respectively. The magnitude of line–line voltage is equal to peak DC-link voltage, the variable of VAB varies from 0 to 390 V at the top part, as illustrated in Figure 7. Since this topology uses low pass filter (LC filter) at output, the THD value of output load current is very low, and they are 0.7%, 0.51%, and 1.28% for method 1, method 2, and the proposed method, respectively. The RMS value of output load voltage and output load current for three strategies are similar, which are 110 VRMS and 2.77 ARMS.
The THD value of output phase voltage (VAG) and RMS value of the CMV investigated under difference modulation indexes are performed in the simulation. The value of the modulation index (m) varies from 0.25 to 0.8, whereas the ST duty ratio is kept constant. The results are shown in Figure 8 and Figure 9, respectively. As illustrated in Figure 8, by increasing the value of the modulation index, the quality of output phase voltage is improved, which is illustrated through the decrease of the THD value. Figure 8 presents that method 1 is superior in THD, because of using small vectors [34], which generates ±2VC/3 of CMV, while the other two techniques have higher value of THD, and the difference is not too large. Figure 9 shows the results of investigating the RMS value of CMV. Method 1 has the maximum value of CMV, which achieves the maximum value of RMS CMV at 0.6 of the modulation index. The RMS CMV value generated by the proposed method stays at zero when the value of modulation index changes, whereas in method 2, it is increased with the increase of modulation index.
To demonstrate the performance of the proposed SVM method, a 1kW 3L qSBT2I prototype was created based on DSP TMSF28335. Figure 10 shows a photo of the hardware setup. Parameters of devices used in the experiment are listed in Table 4. Diodes and IGBTs used in the experiment are DSE160-12A and FGL40N150D, respectively. The modulation index, ST duty ratio, and d are selected similar to the simulation. With the 150 V of the DC input voltage, the capacitor voltages are boosted to 187 V and 190 V corresponding to voltages across C1 and across C2. They are maintained during the operation of the system. The average value of inductor current measured in the experiment is 6.02 A, as shown in Figure 11.
Figure 12 shows the experimental waveform results of the DC-link voltage, phase voltage (VAG), and CMV of three methods. For method 1, presented in Figure 12a, the variation of the DC-link voltage is from 190 to 380 V, approximately, because of using UST and LST to ensure the boost capability of the qSB network, while the DC-link voltage of the other two methods varies from 0 to 380 V by using FST insertion in order to boost the DC input voltage. Since CMV of the proposed method is eliminated, the output phase voltage has just three levels: –190 V, 0 V, and +190 V, approximately, as presented in Figure 12c. Method 1 and method 2 have a higher number of level at output phase voltage, as illustrated in Figure 12a,b, so the quality of their output voltage is improved compared to the proposed method. However, among the three techniques, the RMS CMV of the proposed method measured in the experiment is 5.73 VRMS, while it is 67.8 VRMS and 40.2 VRMS in method 1 and method 2, respectively. As a result, the CMV of the proposed method is reduced to 91.5% and 85.7% compared to method 1 and method 2, respectively.
Figure 13 presents the experimental results of the output line–line voltage (VAB), load voltage (VRA), and output phase current (IA) of three methods. Similar to the output phase voltage mentioned above, the output line–line voltage generated by the proposed method has the lowest quality because of just using medium vectors and zero vector to produce output voltage. The maximum magnitude of the output line–line voltage is the same as the magnitude of the DC-link, which is 380 V, approximately. By using the low pass filter at output, the amplitude of high frequency harmonic is reduced significantly. As a result, the output load voltage and output load current have less THD value, as shown in Figure 13. The RMS value of output load voltage and current are the same when three methods are adopted, which are 105 VRMS, 104 VRMS, and 104 VRMS corresponding to method 1, 2, and the proposed method, respectively. The load currents are 2.6 ARMS, 2.58 ARMS, and 2.55 ARMS for the three methods.
In Figure 14 and Figure 15, the FFT analyses of output phase voltage (VAG) and output load current (IA) are conducted accordingly for the three methods. Considering harmonics spectrums of VAG and IA, the magnitudes of first order harmonic of output load voltage and the output load current are the same for three methods, which are 104.5 V and 2.55 A. The THD values of VAG and IA are calculated by using results of harmonics spectrums, as shown in Table 5. Among the three methods, the THD value of the proposed method is maximum, which is 89.18%, while it is 57.62% and 81.25% in method 1 and method 2, respectively. Because of appearing three-phase low pass filter at output, the THD value of load current is quite smaller than output phase voltage. They are 2.62%, 2.34%, and 3.3% corresponding to method 1, method 2, and proposed method.

5. Conclusion

This paper has proposed the SVM technique to eliminate the CMV for the 3L qSBT2I. In this scheme, the zero and medium vectors are adopted to synthesize the reference vector. The drew-time calculation of these vectors is also presented in detail. Switching sequence is selected to ensure the symmetry of output voltage and the ST vector is inserted into zero vector to ensure the boost capability, as well as not causing distortion at the output voltage. In addition, the control signals of switches S1 and S2 were presented to guarantee the advantages of the qSB network compared to ZS and qZS networks, such as high voltage gain, continuous input current, and low inductor current ripple. To validate the performance of the proposed method, the simulation and the experiment were conducted in PSIM simulation and laboratory. The comparison between the proposed method and other conventional schemes was carried out to confirm the effectiveness of the proposed technique. The results show that the proposed SVM method successfully eliminates the CMV with a little bit increment in THD of the load current. However, this THD value is still 5% smaller than the standard IEC61000-4-30 Edition 2 Class A [35].

Author Contributions

This paper was a collaborative effort among all authors. All authors conceived the methodology, conducted the performance tests and wrote the paper. All authors have read and agreed to the published version of the manuscript.

Funding

This research was funded by CT.2019.04.03 project.

Acknowledgments

This work was supported by the Advanced Power Electronics Laboratory, D405 at Ho Chi Minh City University of Technology and Education, Viet Nam.

Conflicts of Interest

The authors declare no conflict of interest.

References

  1. Huang, Q.; Huang, A.Q.; Yu, R.; Liu, P.; Yu, W. High-Efficiency and High-Density Single-Phase Dual-Mode Cascaded Buck-Boost Multilevel Transformerless PV Inverter with GaN AC Switches. IEEE Trans. Power Electron. 2019, 34, 7474–7488. [Google Scholar] [CrossRef]
  2. Elthokaby, Y.; Elshafei, L.; Abdel-Rahim, N.; Abdel-Rahim, E.S. Finite-Control Set Model-Predictive Control for SinglePhase Voltage-Source UPS Inverters. In Proceedings of the 2016 Eighteenth International Middle East Power Systems Conference (MEPCON), Cairo, Egypt, 27–29 December 2016. [Google Scholar]
  3. Pena-Alzola, R.; Roldan-Perez, J.; Bueno, E.; Huerta, F.; Campos-Gaona, D.; Liserre, M.; Burt, G. Robust Active Damping in LCL-filter based Medium-Voltage Parallel Grid-Inverters for Wind Turbines. IEEE Trans. Power Electron. 2018, 33, 10846–10857. [Google Scholar] [CrossRef]
  4. Yadav, A.K.; Gopakumar, K.; Raj, R.K.; Umanand, L.; Matsuse, K.; Kubota, H. Instantaneous Balancing of Neutral Point Voltages for Stacked DC-link Capacitors of Multilevel Inverter for Dual Inverter fed Induction Motor Drives. IEEE Trans. Power Electron. 2019, 34, 2505–2514. [Google Scholar] [CrossRef]
  5. Xu, S.; Zhang, J.; Hang, J. Investigation of a Fault-tolerant Three-level T-type Inverter System. IEEE Trans. Ind. Appl. 2017, 53, 4613–4623. [Google Scholar] [CrossRef]
  6. Hu, J.; Lin, J.; Chen, H. A Discontinuous Space Vector PWM Algorithm in abc Reference Frame for Multilevel Three-Phase Cascaded H-Bridge Voltage Source Inverters. IEEE Trans. Ind. Electron. 2017, 64, 8406–8414. [Google Scholar] [CrossRef]
  7. Guo, X.; Wei, B.; Zhu, T.; Lu, Z.; Tan, L.; Sun, X.; Zhang, C. Leakage Current Suppression of Three-Phase Flying Capacitor PV Inverter with New Carrier Modulation and Logic Function. IEEE Trans. Power Electron. 2018, 33, 2127–2135. [Google Scholar] [CrossRef]
  8. Schweizer, M.; Kolar, J.W. Design and implementation of a highly efficient three-level T-type converter for low-voltage applications. IEEE Trans. Power Electron. 2013, 28, 899–907. [Google Scholar] [CrossRef]
  9. Nguyen, M.K.; Tran, T.T. A Single-Phase Single-Stage Switched-Boost Inverter with Four Switches. IEEE Trans. Power Electron. 2018, 33, 6769–6781. [Google Scholar] [CrossRef]
  10. Jagan, V.; Kotturu, J.; Das, S. Enhanced-Boost Quasi-z-Source Inverters with Two Switched Impedance Network. IEEE Trans. Ind. Electron. 2017, 64, 6885–6897. [Google Scholar] [CrossRef]
  11. Fang, X.; Ma, B.; Gao, G.; Gao, L. Three phase trans-Quasi-z-source inverter. CPSS Trans. Power Electron. Appl. 2018, 3, 223–231. [Google Scholar] [CrossRef]
  12. Li, T.; Cheng, Q. A comparative study of Z-source inverter and enhanced topologies. CES Trans. Electr. Mach. Syst. 2018, 2, 284–288. [Google Scholar] [CrossRef]
  13. Ahmed, H.F.; Cha, H.; Kim, S.; Kim, H. Switched-Coupled-Inductor Quasi-z-Source Inverter. IEEE Trans. Power Electron. 2016, 31, 1241–1254. [Google Scholar] [CrossRef]
  14. Pires, V.F.; Cordeiro, A.; Foioto, D.; Martins, J.F. Quasi-z-Source Inverter with a T-Type Converter in Normal and Failure Mode. IEEE Trans. Power Electron. 2016, 31, 7462–7470. [Google Scholar] [CrossRef]
  15. Zhu, X.; Zhang, B.; Qiu, D. A New Nonisolated Quasi-z-Source Inverter with High Voltage Gain. IEEE J. Emerg. Sel. Top. Power Electron. 2019, 7, 2012–2028. [Google Scholar] [CrossRef]
  16. Peng, F.Z. Z-source inverter. IEEE Trans. Ind. Appl. 2003, 39, 504–510. [Google Scholar] [CrossRef]
  17. Tang, Y.; Xie, S.; Zhang, C.; Xu, Z. Improved Z-Source Inverter with Reduced Z-Source Capacitor Voltage Stress and Soft-Start Capability. IEEE Trans. Power Electron. 2009, 24, 409–415. [Google Scholar] [CrossRef]
  18. Loh, P.C.; Gao, F.; Blaabjerg, F. Topological and Modulation Design of Three-Level Z-Source Inverters. IEEE Trans. Power Electron. 2008, 23, 2268–2277. [Google Scholar] [CrossRef]
  19. Xing, X.; Zhang, C.; Chen, A.; He, J.; Wang, W.; Du, C. Space-Vector-Modulated Method for Boosting and Neutral Voltage Balancing in Z-Source Three-Level T-Type Inverter. IEEE Trans. Ind. Appl. 2016, 52, 1621–1631. [Google Scholar] [CrossRef]
  20. Yang, S.; Peng, F.Z.; Lei, Q.; Inoshita, R.; Qian, Z. Current-Fed Quasi-z-Source Inverter with Voltage Buck–Boost and Regeneration Capability. IEEE Trans. Ind. Appl. 2011, 47, 882–892. [Google Scholar] [CrossRef]
  21. Anderson, J.; Peng, F.Z. Four quasi-z-Source inverters. In Proceedings of the 2008 IEEE Power Electronics Specialists Conference, Rhodes, Greece, 15–19 June 2008. [Google Scholar]
  22. Gu, Y.; Chen, Y.; Zhang, B. Enhanced-Boost Quasi-z-Source Inverter with An Active Switched Z-Network. IEEE Trans. Ind. Electron. 2018, 65, 8372–8381. [Google Scholar] [CrossRef]
  23. Nguyen, M.K.; Le, T.V.; Park, S.J.; Lim, Y.C. A Class of Quasi-Switched Boost Inverters. IEEE Trans. Ind. Electron. 2015, 62, 1526–1536. [Google Scholar] [CrossRef]
  24. Nguyen, M.K.; Lim, Y.C.; Park, S.J. A Comparison Between Single-Phase Quasi-z-Source and Quasi-Switched Boost Inverters. IEEE Trans. Ind. Electron. 2015, 62, 6336–6344. [Google Scholar] [CrossRef]
  25. Sahoo, M.; Keerthipati, S. A Three Level LC-Switching Based Voltage Boost NPC Inverter. IEEE Trans. Ind. Electron. 2017, 64, 2876–2883. [Google Scholar] [CrossRef]
  26. Nguyen, M.K.; Tran, T.T.; Zare, F. An active impedance-source three-level T-type inverter with reduced device count. IEEE J. Emerg. Sel. Top. Power Electron. 2019, in press. [Google Scholar] [CrossRef]
  27. Do, D.T.; Nguyen, M.K. Three-Level Quasi-Switched Boost T-Type Inverter: Analysis, PWM Control, and Verification. IEEE Trans. Ind. Electron. 2018, 65, 8320–8329. [Google Scholar] [CrossRef]
  28. Do, D.T.; Nguyen, M.K.; Quach, T.H.; Tran, V.T.; Blaabjerg, F.; Vilathgamuwa, M. A PWM Scheme for a Fault-Tolerant Three-Level Quasi-Switched Boost T-Type Inverter. IEEE J. Emerg. Sel. Top. Power Electron. 2019, 1. [Google Scholar] [CrossRef]
  29. Do, D.T.; Nguyen, M.K.; Quach, T.H.; Tran, V.T.; Le, C.B.; Lee, K.W.; Cho, G.B. Space Vector Modulation Strategy for Three-Level Quasi-Switched Boost T-Type Inverter. In Proceedings of the 2018 IEEE 4th Southern Power Electronics Conference (SPEC), Singapore, 10–13 December 2018. [Google Scholar]
  30. Tran, V.T.; Do, D.T.; Nguyen, M.K.; Nguyen, D.T. Space Vector Modulation Scheme for Three-Level T-Type Quasi-Switched Boost Inverter to Reduce Common Mode Voltage. In Proceedings of the 2019 10th International Conference on Power Electronics and ECCE Asia (ICPE 2019—ECCE Asia), Busan, Korea, 27–30 May 2019. [Google Scholar]
  31. Takahashi, S.; Ogasawara, S.; Takemoto, M.; Orikawa, K.; Tamate, M. Common-Mode Voltage Attenuation of an Active Common-Mode Filter in a Motor Drive System Fed by a PWM Inverter. IEEE Trans. Ind. Appl. 2019, 55, 2721–2730. [Google Scholar] [CrossRef]
  32. Lee, J.S.; Lee, K.B. New Modulation Techniques for a Leakage Current Reduction and a Neutral-Point Voltage Balance in Transformerless Photovoltaic Systems using a Three-Level Inverter. IEEE Trans. Power Electron. 2014, 29, 1720–1732. [Google Scholar] [CrossRef]
  33. Qin, C.; Zhang, C.; Chen, A.; Xing, X.; Zhang, G. A Space Vector Modulation Scheme of the Quasi-z-Source Three-Level T-Type Inverter for Common-Mode Voltage Reduction. IEEE Trans. Ind. Electron. 2018, 65, 8340–8350. [Google Scholar] [CrossRef]
  34. Nguyen, V.N.; Nguyen, T.K.T.; Lee, H.H. A Reduced Switching Loss PWM Strategy to Eliminate Common-Mode Voltage in Multilevel Inverters. IEEE Trans. Power Electron. 2015, 30, 5425–5438. [Google Scholar] [CrossRef]
  35. IEC 61000-4-30: 2015. Testing and Measuring Techniques—Power Quality Measurement Methods; IEC: Geneva, Switzerland, 2015. [Google Scholar]
Figure 1. Topology of 3L qSBT2I.
Figure 1. Topology of 3L qSBT2I.
Electronics 09 00076 g001
Figure 2. Modes of the quasi-switched boost T-type inverter (qSBT2I). (a) NST 1, (b) NST 2, (c) NST 3, (d) NST 4, (e) shoot-through (ST).
Figure 2. Modes of the quasi-switched boost T-type inverter (qSBT2I). (a) NST 1, (b) NST 2, (c) NST 3, (d) NST 4, (e) shoot-through (ST).
Electronics 09 00076 g002
Figure 3. Space vector diagram of the proposed strategy.
Figure 3. Space vector diagram of the proposed strategy.
Electronics 09 00076 g003
Figure 4. Switching sequence in sector I and control signals of S1 and S2.
Figure 4. Switching sequence in sector I and control signals of S1 and S2.
Electronics 09 00076 g004
Figure 5. Simulation results of DC input voltage (Vg), capacitor voltages (VC1 and VC2), and inductor current (IL) of the proposed method.
Figure 5. Simulation results of DC input voltage (Vg), capacitor voltages (VC1 and VC2), and inductor current (IL) of the proposed method.
Electronics 09 00076 g005
Figure 6. Simulation results of the DC-link voltage, phase voltage (VAG), and CMV. (a) Method 1, (b) method 2, (c) proposed method.
Figure 6. Simulation results of the DC-link voltage, phase voltage (VAG), and CMV. (a) Method 1, (b) method 2, (c) proposed method.
Electronics 09 00076 g006
Figure 7. Simulation results of output line–line voltage (VAB), load voltage (VA), and output phase current (IA). (a) Method 1, (b) method 2, (c) proposed method.
Figure 7. Simulation results of output line–line voltage (VAB), load voltage (VA), and output phase current (IA). (a) Method 1, (b) method 2, (c) proposed method.
Electronics 09 00076 g007
Figure 8. Total harmonic distortion (THD) of output phase voltage (VAG) under different modulation indexes.
Figure 8. Total harmonic distortion (THD) of output phase voltage (VAG) under different modulation indexes.
Electronics 09 00076 g008
Figure 9. CMV RMS value under different modulation indexes.
Figure 9. CMV RMS value under different modulation indexes.
Electronics 09 00076 g009
Figure 10. A photo of the hardware setup.
Figure 10. A photo of the hardware setup.
Electronics 09 00076 g010
Figure 11. Experimental results of the DC input voltage (Vg), capacitor voltages (VC1 and VC2), and inductor current (IL) of the proposed method.
Figure 11. Experimental results of the DC input voltage (Vg), capacitor voltages (VC1 and VC2), and inductor current (IL) of the proposed method.
Electronics 09 00076 g011
Figure 12. Experimental results of the DC-link voltage, phase voltage (VAG), and CMV. (a) Method 1, (b) method 2, (c) proposed method.
Figure 12. Experimental results of the DC-link voltage, phase voltage (VAG), and CMV. (a) Method 1, (b) method 2, (c) proposed method.
Electronics 09 00076 g012
Figure 13. Experimental results of output line–line voltage (VAB), load voltage (VRA), and output phase current (IA). (a) Method 1, (b) method 2, (c) proposed method.
Figure 13. Experimental results of output line–line voltage (VAB), load voltage (VRA), and output phase current (IA). (a) Method 1, (b) method 2, (c) proposed method.
Electronics 09 00076 g013
Figure 14. Experimental results of THD analysis of output phase voltage (VAG). (a) Method 1, (b) method 2, (c) proposed method.
Figure 14. Experimental results of THD analysis of output phase voltage (VAG). (a) Method 1, (b) method 2, (c) proposed method.
Electronics 09 00076 g014
Figure 15. Experimental results of THD analysis of output load current (IA). (a) Method 1, (b) method 2, (c) proposed method.
Figure 15. Experimental results of THD analysis of output load current (IA). (a) Method 1, (b) method 2, (c) proposed method.
Electronics 09 00076 g015
Table 1. Switching states of qSBT2I (x = a, b, and c).
Table 1. Switching states of qSBT2I (x = a, b, and c).
ModeTriggered SwitchesON DiodesVX
NST 1S1D2, D3, D4+VC, 0, or −VC
NST 2S2D1, D2, D3+VC, 0, or −VC
NST 3S1, S2D2, D3+VC, 0, or −VC
NST 4S1xD1, D2, D3, D4+VC
S2x0
S3xVC
STS1x, S2x, S3xD1, D40
Table 2. Common-mode voltage (CMV) value of the three-level T-type inverter (3LT2I).
Table 2. Common-mode voltage (CMV) value of the three-level T-type inverter (3LT2I).
VectorsStateVCMVStateVCMVStateVCMV
Zero[OOO]0[PPP]+VC[NNN]VC
P-Type[POO]+VC/2[PPO]+2VC/3[OPO]+VC/3
Small[OPP]+2VC/3[OOP]+VC/3[POP]+2VC/3
N-Type[ONN]−2VC/3[OON]VC/3[NON]−2VC/3
Small[NOO]VC/3[NNO]−2VC/3[ONO]VC/3
Medium[PON]0[OPN]0[NPO]0
[NOP]0[ONP]0[PNO]0
Large[PNN]VC/3[PPN]+VC/3[NPN]VC/3
[NPP]+VC/3[NNP]VC/3[PNP]+VC/3
Table 3. Switching sequence and ST insertion of the proposed method.
Table 3. Switching sequence and ST insertion of the proposed method.
SectorSwitching Sequence
I[FFF]-[OOO]-[PON]-[PNO]-[OOO]-[FFF]-[OOO]-[PNO]-[PON]-[OOO]-[FFF]
II[FFF]-[OOO]-[OPN]-[PON]-[OOO]-[FFF]-[OOO]-[PON]-[OPN]-[OOO]-[FFF]
III[FFF]-[OOO]-[NPO]-[OPN]-[OOO]-[FFF]-[OOO]-[OPN]-[NPO]-[OOO]-[FFF]
IV[FFF]-[OOO]-[NOP]-[NPO]-[OOO]-[FFF]-[OOO]-[NPO]-[NOP]-[OOO]-[FFF]
V[FFF]-[OOO]-[ONP]-[NOP]-[OOO]-[FFF]-[OOO]-[NOP]-[ONP]-[OOO]-[FFF]
VI[FFF]-[OOO]-[PNO]-[ONP]-[OOO]-[FFF]-[OOO]-[ONP]-[PNO]-[OOO]-[FFF]
Table 4. Simulation and experiment parameters.
Table 4. Simulation and experiment parameters.
Parameter/ComponentsValues
DC input voltageVg150 V
Output voltage Vo,RMS110 VRMS
Output frequencyfo50 Hz
Carrier frequencyfs5 kHz
ST duty cycleD00.2
Modulation indexm0.8
Boost inductorLB3 mH/20 A
CapacitorsC1 = C22200 μF/600 V
LC filter Lf and Cf3 mH and 10 μF
Resistor load R40 Ω
Table 5. THD analyses of output phase voltage (THDV) and output load current (THDI).
Table 5. THD analyses of output phase voltage (THDV) and output load current (THDI).
Method 1Method 2Proposed Method
THDV57.62%81.25%89.18%
THDI2.62%2.34%3.3%

Share and Cite

MDPI and ACS Style

Do, D.-T.; Nguyen, M.-K.; Ngo, V.-T.; Quach, T.-H.; Tran, V.-T. Common Mode Voltage Elimination for Quasi-Switch Boost T-Type Inverter Based on SVM Technique. Electronics 2020, 9, 76. https://doi.org/10.3390/electronics9010076

AMA Style

Do D-T, Nguyen M-K, Ngo V-T, Quach T-H, Tran V-T. Common Mode Voltage Elimination for Quasi-Switch Boost T-Type Inverter Based on SVM Technique. Electronics. 2020; 9(1):76. https://doi.org/10.3390/electronics9010076

Chicago/Turabian Style

Do, Duc-Tri, Minh-Khai Nguyen, Van-Thuyen Ngo, Thanh-Hai Quach, and Vinh-Thanh Tran. 2020. "Common Mode Voltage Elimination for Quasi-Switch Boost T-Type Inverter Based on SVM Technique" Electronics 9, no. 1: 76. https://doi.org/10.3390/electronics9010076

APA Style

Do, D.-T., Nguyen, M.-K., Ngo, V.-T., Quach, T.-H., & Tran, V.-T. (2020). Common Mode Voltage Elimination for Quasi-Switch Boost T-Type Inverter Based on SVM Technique. Electronics, 9(1), 76. https://doi.org/10.3390/electronics9010076

Note that from the first issue of 2016, this journal uses article numbers instead of page numbers. See further details here.

Article Metrics

Back to TopTop