Resonance-Suppression Strategy for High-Penetration Renewable Energy Power Systems Based on Active Amplitude and Phase Corrector
Abstract
1. Introduction
- (1)
- A comprehensive APC impedance model is developed in the HSS framework, capturing both the internal dynamics and the full control loops, with the power stage and control stage linearized separately and then integrated.
- (2)
- The mechanisms of resonance instability and harmonic amplification are clarified, and the relationship between s-domain and frequency-domain behaviors is established to enable practical frequency-domain analysis.
- (3)
- An abc-frame supplementary control is proposed, in which the output current is fed forward through a proportional gain and band-pass filter to the valve-side reference, avoiding coordinate transformation and frequency shifts while allowing reliable tuning of the characteristic frequency.
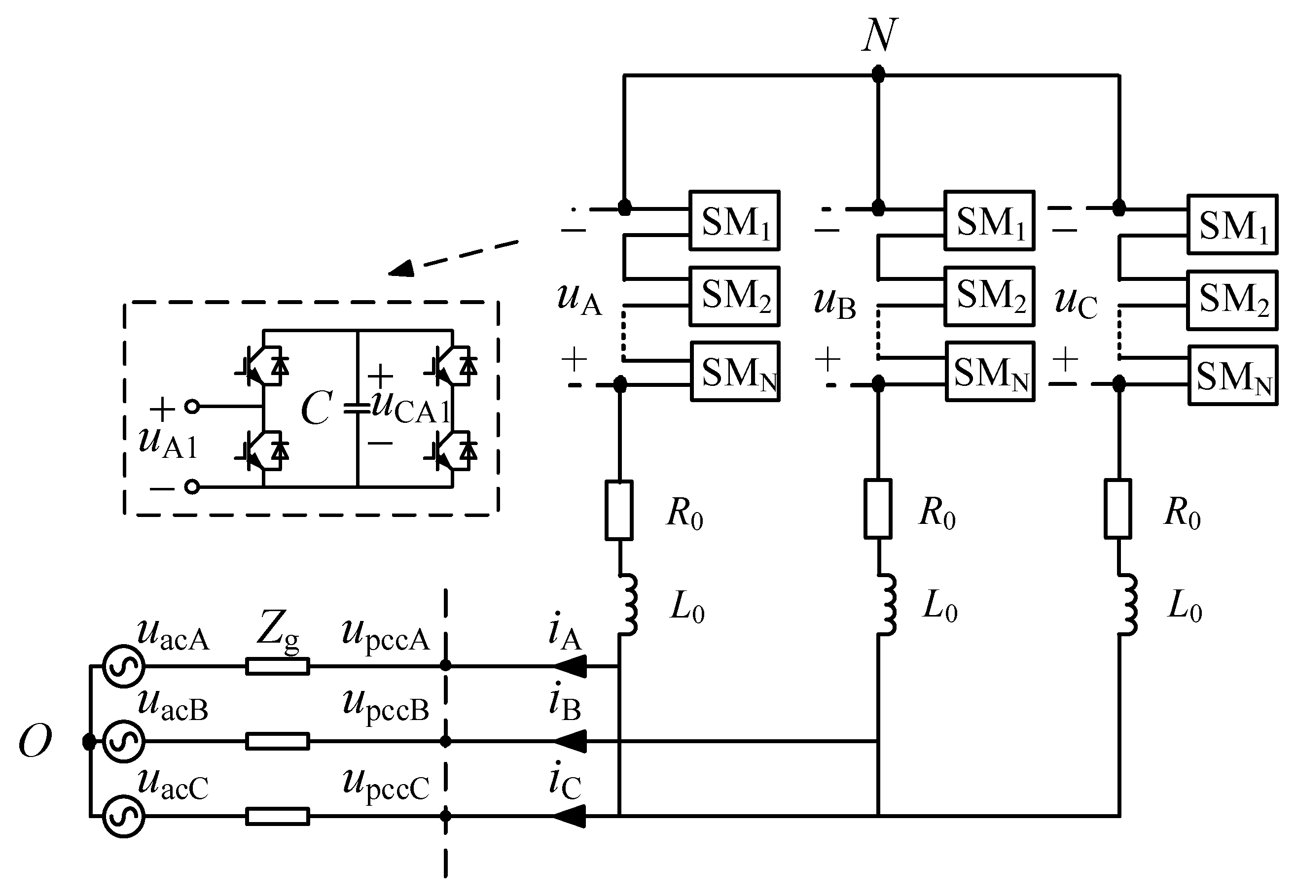
2. APC Impedance Modeling
2.1. Linearized HSS Model of the APC Main Circuit
2.2. Linearized HSS Model of the APC Control System
- (1)
- Coordinate Transformation Module
- (2)
- PLL
- (3)
- Submodule Capacitor Voltage Control
- (4)
- Reactive Power Control
- (5)
- Inner-loop Current Control
2.3. APC Impedance
3. Supplementary Control Strategy of APC
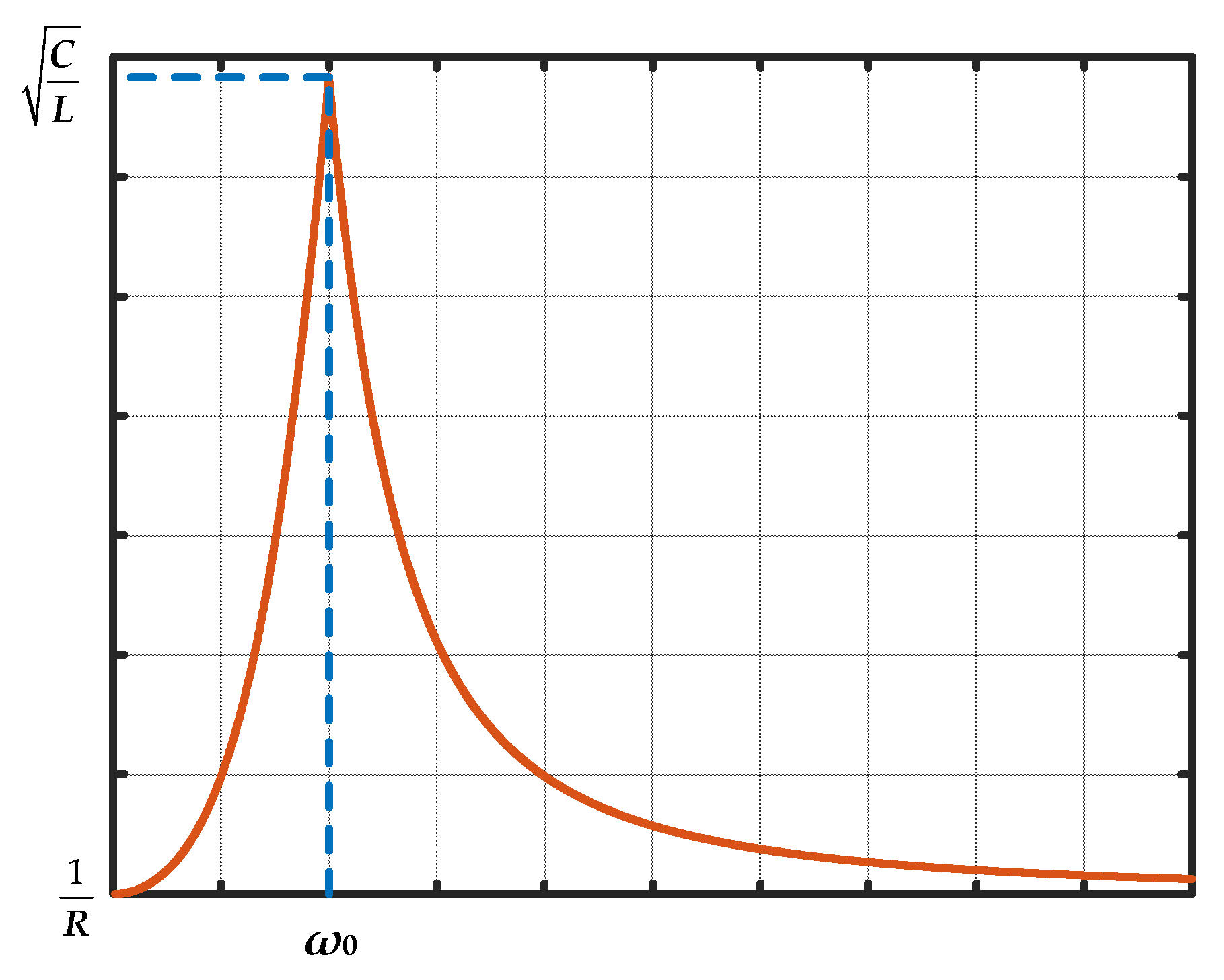
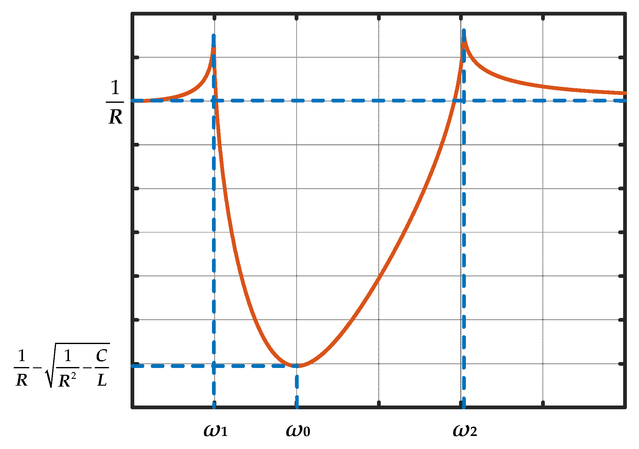
3.1. Resonance Stability and Harmonic Resonance
3.2. Supplementary Control Channel Design
4. Case Studies
4.1. Case Introduction
4.2. Analytical Calculation
4.3. Simulation Verification
5. Conclusions
- This paper develops the APC impedance model using HSS, incorporating its internal dynamics and full control loops. The power stage and control stage models are linearized separately in HSS, and their integration results in the complete impedance model of the APC.
- Resonance instability originates from the right-half-plane zeros of the s-NAM, while harmonic amplification is caused by the maximum value of the reciprocal of the eigenvalues in the F-NAM. Although distinct, these two concepts are related. For s-domain resonance modes with low damping, the s-domain and frequency-domain resonance frequencies are nearly the same, allowing the problem to be handled in the frequency domain.
- This paper proposes an abc-frame supplementary control in which the output current is fed forward to the valve-side reference voltage through a proportional gain and a BPF. Compared with dq-frame supplementary control, the proposed approach does not require coordinate transformation, thereby avoiding frequency shift effects and enabling a more natural and reliable selection of the characteristic frequency fc.
Author Contributions
Funding
Data Availability Statement
Conflicts of Interest
Abbreviations
| WT | Wind Turbine |
| APC | Amplitude and Phase Corrector |
| MMC | Modular Multilevel Converter |
| HSS | Harmonic State-Space |
| PLL | Phase-Locked Loop |
| s-NAM | s-domain Node Admittance Matrix |
| F-NAM | Frequency-domain Node Admittance Matrix |
| OWPS | Offshore Wind Power System |
| WF | Wind Farm |
References
- Kang, C.; Yao, Z. Key Scientific Issues and Theoretical Research Framework for Power Systems with High Proportion of Renewable Energy. Autom. Electr. Power Syst. 2017, 41, 2–11. [Google Scholar]
- Harnefors, L.; Wang, X.; Yepes, A.G.; Blaabjerg, F. Passivity-Based Stability Assessment of Grid-Connected VSCs—An Overview. IEEE J. Emerg. Sel. Top. Power Electron. 2016, 4, 116–125. [Google Scholar] [CrossRef]
- Xu, Z. Resonance Stability Analysis Method Based on s-Domain Node Admittance Matrix. Electr. Power Autom. Equip. 2023, 43, 1–8. [Google Scholar]
- Sun, J. Impedance-Based Stability Criterion for Grid-Connected Inverters. IEEE Trans. Power Electron. 2011, 26, 3075–3078. [Google Scholar]
- Chen, X.; Zhang, Y.; Wang, Y. A Study of Dynamic Interaction Between PV Grid-Connected Inverters and Grid Based on the Impedance Analysis Method. Proc. CSEE 2014, 34, 4559–4567. [Google Scholar]
- Li, G.; Wang, W.; Liu, C.; Jin, D.; He, G. Mechanism Analysis and Suppression Method of Wideband Oscillation of PMSG Wind Farms Connected to Weak Grid (Part I): Analysis of Wideband Impedance Characteristics and Oscillation Mechanism. Proc. CSEE 2019, 39, 6547–6562. [Google Scholar]
- Zong, H.; Zhang, C.; Cai, X.; Molinas, M. Oscillation Propagation Analysis of Hybrid AC/DC Grids with High Penetration Renewables. IEEE Trans. Power Syst. 2022, 37, 4761–4772. [Google Scholar] [CrossRef]
- Zhu, S.; Liu, K.; Liao, X.; Qin, L.; Huai, Q.; Xu, Y.; Li, Y.; Wang, F. D-Q Frame Impedance Modeling of Modular Multilevel Converter and Its Application in High-Frequency Resonance Analysis. IEEE Trans. Power Deliv. 2021, 36, 1517–1530. [Google Scholar]
- Cespedes, M.; Sun, J. Impedance Modeling and Analysis of Grid-Connected Voltage-Source Converters. IEEE Trans. Power Electron. 2014, 29, 1254–1261. [Google Scholar]
- Xu, Y.; Nian, H.; Hu, B.; Sun, D. Impedance Modeling and Stability Analysis of VSG Controlled Type-IV Wind Turbine System. IEEE Trans. Energy Convers. 2021, 36, 3438–3448. [Google Scholar] [CrossRef]
- Sun, J.; Liu, H. Impedance Modeling and Analysis of Modular Multilevel Converters. In Proceedings of the 2016 IEEE 17th Workshop on Control and Modeling for Power Electronics (COMPEL), Trondheim, Norway, 27–30 June 2016; pp. 1–9. [Google Scholar]
- Xu, Z.; Li, B.; Li, S.; Wang, X.; Xu, D. MMC Admittance Model Simplification Based on Signal-Flow Graph. IEEE Trans. Power Electron. 2022, 37, 5547–5561. [Google Scholar] [CrossRef]
- Xu, Z.; Li, B.; Han, L.; Hu, J.; Wang, S.; Zhang, S.; Xu, D. A Complete HSS-Based Impedance Model of MMC Considering Grid Impedance Coupling. IEEE Trans. Power Electron. 2020, 35, 12929–12948. [Google Scholar] [CrossRef]
- Wang, Y.; Zhang, Y.; Sun, L.; Chen, X.; He, G.; Wang, H. Impacts of Voltage Feedforward Control on Impedance Characteristics and Stability of MMC-Based STATCOM. In Proceedings of the 2020 IEEE 9th International Power Electronics and Motion Control Conference (IPEMC2020-ECCE Asia), Nanjing, China, 29 November–2 December 2020; pp. 2939–2945. [Google Scholar]
- Zhang, Y.; Chen, Y.; Wang, Y.; Gong, C. Impedance-phased dynamic control method of grid-connected inverters under weak grid condition. Trans. China Electrotech. Soc. 2017, 32, 97–106. [Google Scholar]
- Chen, X.; Zhang, Y.; Wang, S.; Chen, J.; Gong, C. Impedance-Phased Dynamic Control Method for Grid-Connected Inverters in a Weak Grid. IEEE Trans. Power Electron. 2017, 32, 274–283. [Google Scholar] [CrossRef]
- Gao, J.; Xiao, F.; Jiang, F.; Guo, Q.; Lu, B. Grid-Connected Inverter Impedance Phase Reshaping Control with Novel PLL Structure in Weak Grid. Proc. CSEE 2020, 40, 6682–6694. [Google Scholar]
- Yu, H.; Lv, J.; Cai, X.; Tang, G. A Dynamic Performance-Friendly High-Frequency Self-Stabilizing Control Method for Flexible HVDC System. Proc. CSEE 2023, 43, 3293–3308. [Google Scholar]
- Zou, C.; Chen, J.; Xu, S.; Yang, Y.; Li, W.; Huang, R. Dynamic Performance Optimization of VSC-HVDC Considering its Long Delay. Power Syst. Technol. 2017, 41, 3216–3222. [Google Scholar]
- Wang, H.; Zhang, J.; Gang, S.; Zhu, M.; Cai, X.; Huang, R. An Admittance Reshaping Strategy of Three-Phase LCL Grid-Connected Inverter Based on Modified Passive Control. J. Shanghai Jiao Tong Univ. 2023, 57, 1105–1113. [Google Scholar]
- Wang, X.; Qin, K.; Ruan, X.; Pan, D.; He, Y.; Liu, F. A Robust Grid-Voltage Feedforward Scheme to Improve Adaptability of Grid-Connected Inverter to Weak Grid Condition. IEEE Trans. Power Electron. 2021, 36, 2384–2395. [Google Scholar]
- Pan, D.; Ruan, X.; Bao, C.; Li, W.; Wang, X. Capacitor-Current-Feedback Active Damping with Reduced Computation Delay for Improving Robustness of LCL-Type Grid-Connected Inverter. IEEE Trans. Power Electron. 2014, 29, 3414–3427. [Google Scholar] [CrossRef]
- Li, W.; Ruan, X.; Pan, D.; Wang, X. Full-Feedforward Schemes of Grid Voltages for a Three-Phase LCL-Type Grid-Connected Inverter. IEEE Trans. Ind. Electron. 2013, 60, 2237–2250. [Google Scholar] [CrossRef]
- Yang, D.; Ruan, X.; Wu, H. Impedance Shaping of the Grid-Connected Inverter with LCL Filter to Improve Its Adaptability to the Weak Grid Condition. IEEE Trans. Power Electron. 2014, 29, 5795–5805. [Google Scholar] [CrossRef]
- Zhang, Y.; Wang, Y.; Zhang, D.; Chen, X.; Gong, C. Broadband Impedance Shaping Control Scheme of MMC-Based STATCOM for Improving the Stability of the Wind Farm. IEEE Trans. Power Electron. 2021, 36, 10278–10292. [Google Scholar] [CrossRef]
- Haro-Larrode, M.; Eguia, P.; Santos-Mugica, M. Analysis of voltage dynamics within current control time-scale in a VSC connected to a weak AC grid via series compensated AC line. Electr. Power Syst. Res. 2024, 229, 110189. [Google Scholar] [CrossRef]
- Xu, Z.; Wang, S.; Xing, F.; Xiao, H. Qualitative Analysis Method of Electric Network Resonance Stability. Electr. Power Constr. 2017, 38, 1–8. [Google Scholar]
- Xu, Z.; Wang, S.; Xing, F.; Xiao, H. Study on the Method for Analyzing Electric Network Resonance Stability. Energies 2018, 11, 646. [Google Scholar] [CrossRef]
- Xu, W.; Huang, Z.; Cui, Y.; Wang, H. Harmonic Resonance Mode Analysis. IEEE Trans. Power Deliv. 2005, 20, 1182–1190. [Google Scholar] [CrossRef]
- Huang, Z.; Cui, Y.; Xu, W. Application of Modal Sensitivity for Power System Harmonic Resonance Analysis. IEEE Trans. Power Syst. 2007, 22, 222–231. [Google Scholar] [CrossRef]
- Zhan, Y.; Xie, X.; Liu, H.; Liu, H.; Li, Y. Frequency-Domain Modal Analysis of the Oscillatory Stability of Power Systems with High-Penetration Renewables. IEEE Trans. Sustain. Energy 2019, 10, 1534–1543. [Google Scholar] [CrossRef]
















| Phase Sequence | Phase Sequence | ||||
|---|---|---|---|---|---|
| Steady State | |||||
| Negative Sequence | −7f1 | −4f1 | −f1 | 2f1 | 5f1 |
| Zero Sequence | −6f1 | −3f1 | 0 | 3f1 | 6f1 |
| Positive Sequence | −5f1 | −2f1 | f1 | 4f1 | 7f1 |
| Positive-sequence Disturbance Injected at the AC Port | |||||
| Zero Sequence | fp − 7f1 | fp − 4f1 | fp − f1 | 2f1 | fp + 5f1 |
| Positive Sequence | fp − 6f1 | fp − 3f1 | fp | fp + 3f1 | fp + 6f1 |
| Negative Sequence | fp − 5f1 | fp − 2f1 | fp + f1 | fp + 4f1 | fp + 7f1 |
| Negative-sequence Disturbance Injected at the AC Port | |||||
| Positive Sequence | fp − 7f1 | fp − 4f1 | fp − f1 | fp + 2f1 | fp + 5f1 |
| Negative Sequence | fp − 6f1 | fp − 3f1 | fp | fp + 3f1 | fp + 6f1 |
| Zero Sequence | fp − 5f1 | fp − 2f1 | fp + f1 | fp + 4f1 | fp + 7f1 |
| Structure | Parameter | Value |
|---|---|---|
| Main circuit | Rated AC voltage/kV | 35 |
| Rated capacity/MW | 30 | |
| Bridge arm inductance/H | 0.08 | |
| Bridge arm resistance/Ω | 0.001 | |
| Capacitor/μF | 1000 | |
| Control system | PLL proportional gain | 30 |
| PLL integral gain | 1000 | |
| d-axis outer loop proportional gain | 5 | |
| d-axis outer loop integral gain | 15 | |
| q-axis outer loop proportional gain | 0.2 | |
| q-axis outer loop integral gain | 15 | |
| Inner-loop proportional gain | 1 | |
| Inner-loop proportional gain | 10 |
| Mode | APC Before Supplementary Control | APC After Supplementary Control | ||||
|---|---|---|---|---|---|---|
| No. | σres/s−1 | fres,s/Hz | ζ | σres/s−1 | fres,s/Hz | ζ |
| 1 | 40.54 | 81.03 | 0.0794 | 40.53 | 81.03 | 0.0794 |
| 2 | 16.07 | 336.80 | 0.0076 | 72.94 | 323.76 | 0.0358 |
| 3 | 267.98 | 1296.93 | 0.0329 | 71.68 | 342.73 | 0.0333 |
| 4 | 372.88 | 1544.80 | 0.0384 | 267.98 | 1296.93 | 0.0329 |
| 5 | / | / | / | 372.88 | 1544.80 | 0.0384 |
Disclaimer/Publisher’s Note: The statements, opinions and data contained in all publications are solely those of the individual author(s) and contributor(s) and not of MDPI and/or the editor(s). MDPI and/or the editor(s) disclaim responsibility for any injury to people or property resulting from any ideas, methods, instructions or products referred to in the content. |
© 2026 by the authors. Licensee MDPI, Basel, Switzerland. This article is an open access article distributed under the terms and conditions of the Creative Commons Attribution (CC BY) license.
Share and Cite
Li, T.; Li, Z.; Bin, Z.; He, B.; Shi, Z.; Zhang, Z.; Xu, Z. Resonance-Suppression Strategy for High-Penetration Renewable Energy Power Systems Based on Active Amplitude and Phase Corrector. Electronics 2026, 15, 490. https://doi.org/10.3390/electronics15020490
Li T, Li Z, Bin Z, He B, Shi Z, Zhang Z, Xu Z. Resonance-Suppression Strategy for High-Penetration Renewable Energy Power Systems Based on Active Amplitude and Phase Corrector. Electronics. 2026; 15(2):490. https://doi.org/10.3390/electronics15020490
Chicago/Turabian StyleLi, Tan, Zhichuang Li, Zijun Bin, Bingxin He, Zhan Shi, Zheren Zhang, and Zheng Xu. 2026. "Resonance-Suppression Strategy for High-Penetration Renewable Energy Power Systems Based on Active Amplitude and Phase Corrector" Electronics 15, no. 2: 490. https://doi.org/10.3390/electronics15020490
APA StyleLi, T., Li, Z., Bin, Z., He, B., Shi, Z., Zhang, Z., & Xu, Z. (2026). Resonance-Suppression Strategy for High-Penetration Renewable Energy Power Systems Based on Active Amplitude and Phase Corrector. Electronics, 15(2), 490. https://doi.org/10.3390/electronics15020490

