Single-Stage Power Converter for Magnetic Field Energy Harvesting to Achieve Self-Powered Smart Grid IoT Devices
Abstract
1. Introduction
- Transducer: A device that harvests energy from magnetic fields by utilizing a ferromagnetic core which concentrates the magnetic flux and induces the secondary coil from the AC current-carrying component. Consequently, the MFEH is also referred to as inductive energy harvesting.
- Power converter: A power electronic stage that converts the induced voltage in the transducer into a suitable form of electricity for electronic devices.
- Energy storage: Stores harvested energy to provide a regulated DC bus. A supercapacitor or battery can be used to decouple the energy source from the load.
- Sensors and microcontroller: For data collection and information management. This involves edge computing, connectivity, data storage, and user interfaces.
- Development of a single-stage AC-to-DC power converter designed to reduce components and thermal losses in power electronics in the energy conversion process;
- Design and implementation of a control architecture for voltage regulation and active rectification, enhancing the performance of the proposed power stage;
- Design of the energy harvesting system tailored to achieve an extended and efficient range.
2. Operating Principle
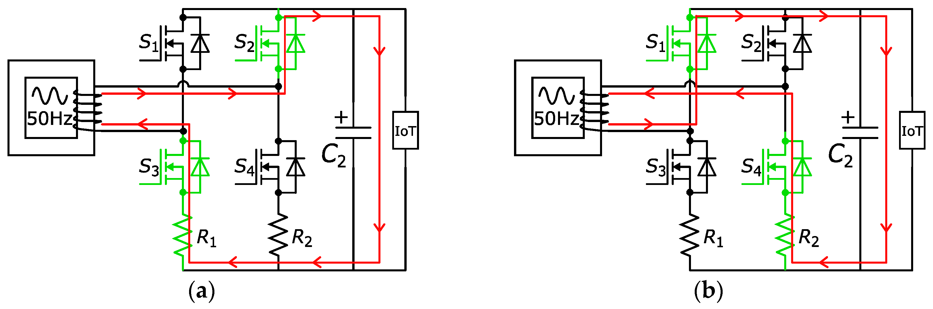
3. Power Converter
Power Electronic Stage Simulation
4. Magnetic Field Energy Harvesting
4.1. Magnetic Field Simulations
- Short-circuit current: A short-circuit output current is defined as occurring when the output terminals are shorted, resulting in a zero-voltage output and the secondary current being equal to the primary current divided by the number of turns in the secondary winding. In this instance, the opposed magnetic field induced in the secondary is at its maximum, as illustrated in Figure 9a. Consequently, the effective magnetic field in the ferromagnetic core is negligible, as the magnetic field generated by the power line is cancelled by the magnetic field induced in the secondary.
- Open-circuit voltage: An open-circuit voltage is generated when the secondary coils are not connected to any load, resulting in the maximum induced voltage without current flowing in the secondary winding. At this point, no magnetic field opposes the primary in the secondary, validating that the geometry selected is able to guide effectively the magnetic field, reaching saturation levels of 1.6 T, as can be observed in Figure 9b.
- Maximum Power Point: The MPP is defined as the point at which the relationship between the voltage induced and the secondary current is at its maximum, resulting in the highest possible output power for a determined current in the primary coils.
4.2. MFEH Prototype
5. Results
- The primary current is 5% of the maximum power line current (30 A).
- The primary current is 10% of the maximum power line current (60 A).
- The primary current is 50% of the maximum power line current (300 A).
- The primary current is the maximum power line current (600 A).
6. Discussion
Author Contributions
Funding
Data Availability Statement
Conflicts of Interest
References
- European Union. A Strategic Long-Term Vision for a Prosperus, Moder, Competitive and Climate-Neutral EU Econonomy; European Union: Luxembourg, Belgium, 2019. [Google Scholar]
- Borroy Vicente, S.; Fernández, G.; Galan, N.; Llombart Estopiñán, A.; Salani, M.; Derboni, M.; Giuffrida, V.; Hernández-Callejo, L. Assessment of the Technical Impacts of Electric Vehicle Penetration in Distribution Networks: A Focus on System Management Strategies Integrating Sustainable Local Energy Communities. Sustainability 2024, 16, 6464. [Google Scholar] [CrossRef]
- Yang, W.; Wang, H.; Wang, Z.; Fu, X.; Ma, P.; Deng, Z.; Yang, Z. Optimization Strategy of Electric Vehicles Charging Path Based on “Traffic-Price-Distribution” Mode. Energies 2020, 13, 3208. [Google Scholar] [CrossRef]
- Agazar, M.; D’Avanzo, G.; Frigo, G.; Giordano, D.; Iodice, C.; Letizia, P.S.; Luiso, M.; Mariscotti, A.; Mingotti, A.; Munoz, F.; et al. Power Grids and Instrument Transformers up to 150 KHz: A Review of Literature and Standards. Sensors 2024, 24, 4148. [Google Scholar] [CrossRef] [PubMed]
- Osheba, M.S.; Aboutaleb, A.M.; Desmet, J.; Knockaert, J. The Impact of Grid Distortion on the Power Conversion Harmonics of AC/DC Converters in the Supraharmonic Range. Electronics 2024, 13, 2244. [Google Scholar] [CrossRef]
- Liang, D.; Ge, S.; Guo, H.; Wang, Y.; Liang, Z.; Chen, C. Monitoring Power Line Faults Using Impedance Estimation Algorithms in Power Line Communication Equipment. In Proceedings of the 2020 10th International Conference on Power and Energy Systems (ICPES), Chengdu, China, 25–27 December 2020; pp. 404–408. [Google Scholar]
- Izmirlioglu, Y.; Pham, L.; Son, T.C.; Pontelli, E. A Survey of Multi-Agent Systems for Smartgrids. Energies 2024, 17, 3620. [Google Scholar] [CrossRef]
- Beheshti Asl, M.; Fofana, I.; Meghnefi, F. Review of Various Sensor Technologies in Monitoring the Condition of Power Transformers. Energies 2024, 17, 3533. [Google Scholar] [CrossRef]
- Masood, Z.; Ardiansyah; Choi, Y. Energy-Efficient Optimal Power Allocation for Swipt Based Iot-Enabled Smart Meter. Sensors 2021, 21, 7857. [Google Scholar] [CrossRef] [PubMed]
- Kakimoto, Y.; Yoshikawa, H.; Jogo, T.; Wakisaka, T.; Kozako, M.; Hikita, M.; Sato, H.; Soeda, M.; Tagashira, H. Application of Novel Online Partial Discharge Monitoring System Using Power Line Communication to Noise and PD Source Discrimination. In Proceedings of the 2020 8th International Conference on Condition Monitoring and Diagnosis (CMD), Phuket, Thailand, 25–28 October 2020; pp. 130–132. [Google Scholar]
- Alhanaf, A.S.; Balik, H.H.; Farsadi, M. Intelligent Fault Detection and Classification Schemes for Smart Grids Based on Deep Neural Networks. Energies 2023, 16, 7680. [Google Scholar] [CrossRef]
- Al-Mashhadani, S.W.T.; Kurnaz, S. A Novel Function of a Research Process Based on a Power Internet of Things Architecture Intended for Smart Grid Demand Schemes. Appl. Sci. 2024, 14, 5799. [Google Scholar] [CrossRef]
- Ji, K.; Zhang, L.; Han, J.; Tang, H.; Ma, X.; Li, K. Integrated Monitoring Technology for Tension and Inclination of Overhead Transmission Lines Based on Fiber Bragg Grating. In Proceedings of the 2023 3rd International Conference on Electrical Engineering and Mechatronics Technology, ICEEMT 2023, Nanjing, China, 21–23 July 2023; Institute of Electrical and Electronics Engineers Inc.: Piscataway, NJ, USA, 2023; pp. 81–85. [Google Scholar]
- Aldin, H.N.S.; Ghods, M.R.; Nayebipour, F.; Torshiz, M.N. A Comprehensive Review of Energy Harvesting and Routing Strategies for IoT Sensors Sustainability and Communication Technology. Sens. Int. 2024, 5, 100258. [Google Scholar] [CrossRef]
- Banotra, A.; Ghose, S.; Mishra, D.; Modem, S. Energy Harvesting in Self-Sustainable IoT Devices and Applications Based on Cross-Layer Architecture Design: A Survey. Comput. Netw. 2023, 236, 110011. [Google Scholar] [CrossRef]
- Repuri, R.K.; Darsy, J.P. Energy-Efficient LoRa Routing for Smart Grids. Sensors 2023, 23, 3072. [Google Scholar] [CrossRef] [PubMed]
- Sarker, M.R.; Riaz, A.; Lipu, M.S.H.; Md Saad, M.H.; Ahmad, M.N.; Kadir, R.A.; Olazagoitia, J.L. Micro Energy Harvesting for IoT Platform: Review Analysis toward Future Research Opportunities. Heliyon 2024, 10, e27778. [Google Scholar] [CrossRef]
- Cao, K.; Liu, Y.; Meng, G.; Sun, Q. An Overview on Edge Computing Research. IEEE Access 2020, 8, 85714–85728. [Google Scholar] [CrossRef]
- Wu, J.; Du, W.; Wang, J.; Yang, G.; Zhao, Y. Application of Power Internet of Things in Online Monitoring of Transmission Lines. In Proceedings of the 2023 Smart City Challenges and Outcomes for Urban Transformation, SCOUT 2023, Singapore, 29–30 July 2023; Institute of Electrical and Electronics Engineers Inc.: Piscataway, NJ, USA, 2023; pp. 19–23. [Google Scholar]
- Citroni, R.; Mangini, F.; Frezza, F. Efficient Integration of Ultra-Low Power Techniques and Energy Harvesting in Self-Sufficient Devices: A Comprehensive Overview of Current Progress and Future Directions. Sensors 2024, 24, 4471. [Google Scholar] [CrossRef] [PubMed]
- Zeng, P.; Li, C.; Huang, H.; Liu, H.; Gao, Z. Design and Research of a Self-Powered Temperature Measurement System for Transmission Line Condition Monitoring. In Proceedings of the IEEE 6th Information Technology and Mechatronics Engineering Conference, ITOEC 2022, Chongqing, China, 4–6 March 2022; Institute of Electrical and Electronics Engineers Inc.: Piscataway, NJ, USA, 2022; pp. 889–894. [Google Scholar]
- Shi, Y.; Cui, X.; Qi, L.; Zhang, X.; Li, X.; Shen, H. A Novel Energy Harvesting Method for Online Monitoring Sensors in HVdc Overhead Line. IEEE Trans. Ind. Electron. 2023, 70, 2139–2143. [Google Scholar] [CrossRef]
- Bendík, J.; Cenký, M.; Hromkovič, O. Energy Harvesting Device for Smart Monitoring of MV Overhead Power Lines—Theoretical Concept and Experimental Construction. Sensors 2023, 23, 7538. [Google Scholar] [CrossRef] [PubMed]
- Liu, Y.; Riba, J.R.; Moreno-Eguilaz, M. Energy Balance of Wireless Sensor Nodes Based on Bluetooth Low Energy and Thermoelectric Energy Harvesting. Sensors 2023, 23, 1480. [Google Scholar] [CrossRef]
- Li, H.; Liu, K.; Deng, J. Modeling and Evaluation of a Multi-Stable Hybrid Energy Harvester. Vibration 2024, 7, 662–686. [Google Scholar] [CrossRef]
- Lian, Q.; Han, P.; Mei, N. A Review of Converter Circuits for Ambient Micro Energy Harvesting. Micromachines 2022, 13, 2222. [Google Scholar] [CrossRef]
- Tang, N.; Huang, M.; Sheng, C.; Lu, Q.; Huang, H.; Lee, C.K. Lee A Power Supply Method for On-Line Monitoring Instruments Based on Insulation String Embedded Resonators in Domino For. In Proceedings of the 2018 International Conference on Power System Technology (POWERCON), Guangzhou, China, 6–8 November 2018; pp. 4071–4076. [Google Scholar]
- Gao, M.; Yi, L.; Moon, J. Enabling Multiple Harvesting Windows in Magnetic Energy Harvesting via Reverse Flux Desaturation. IEEE J. Emerg. Sel. Top. Power Electron. 2024, 12, 2517–2530. [Google Scholar] [CrossRef]
- Zhuang, Y.; Xu, C.; Song, C.; Chen, A.; Lee, W.; Huang, Y.; Zhou, J. Improving Current Transformer-Based Energy Extraction from Ac Power Lines by Manipulating Magnetic Field. IEEE Trans. Ind. Electron. 2020, 67, 9471–9479. [Google Scholar] [CrossRef]
- Kuang, Y.; Chew, Z.J.; Ruan, T.; Zhu, M. Magnetic Field Energy Harvesting from Current-Carrying Structures: Electromagnetic-Circuit Coupled Model, Validation and Application. IEEE Access 2021, 9, 46280–46291. [Google Scholar] [CrossRef]
- Huh, S.; Koo, J., II; Jeong, O.; Ahn, S. Maximizing Output Power Using a Magnetic Energy Harvesting System Considering the Relationship Between Harvesting Time and Induced Voltage Due to a Change of Airgap. IEEE Access 2024, 12, 5947–5959. [Google Scholar] [CrossRef]
- Wang, W.; Huang, X.; Tan, L.; Guo, J.; Liu, H. Optimization Design of an Inductive Energy Harvesting Device Forwireless Power Supply System Overhead High-Voltage Power Lines. Energies 2016, 9, 242. [Google Scholar] [CrossRef]
- Wu, T.; Ju, D.; Wang, C.; Huang, H.; Li, C.; Wu, C.; Wang, C.; Liu, H.; Jiang, X.; Ye, K.; et al. Ferrite Materials with High Saturation Magnetic Induction Intensity and High Permeability for Magnetic Field Energy Harvesting: Magnetization Mechanism and Brillouin Function Temperature Characteristics. J. Alloys Compd. 2023, 933, 167654. [Google Scholar] [CrossRef]
- Liu, L.; Wen, X.; Shi, R.; Li, P.; Wen, Y.; Han, T. High-Efficiency Magnetic Field Energy Harvesting from a Three-Core Cable. Sens. Actuators A Phys. 2023, 360, 114501. [Google Scholar] [CrossRef]
- Kuang, Y.; Chew, Z.J.; Ruan, T.; Lane, T.; Allen, B.; Nayar, B.; Zhu, M. Magnetic Field Energy Harvesting from the Traction Return Current in Rail Tracks. Appl. Energy 2021, 292, 116911. [Google Scholar] [CrossRef]
- Muñoz-Gómez, A.M.; Marredo-Píriz, J.M.; Ballestín-Fuertes, J.; Sanz-Osorio, J.F. A Novel Charging Station on Overhead Power Lines for Autonomous Unmanned Drones. Appl. Sci. 2023, 13, 10175. [Google Scholar] [CrossRef]
- Yang, F.; Du, L.; Yu, H.; Huang, P. Magnetic and Electric Energy Harvesting Technologies in Power Grids: A Review. Sensors 2020, 20, 1496. [Google Scholar] [CrossRef] [PubMed]
- Muñoz-Gómez, A.M.; Ballestín-Fuertes, J.; Sanz-Osorio, J.F. A High Efficiency Battery Charger with Maximum Power Point Tracking for Magnetic Energy Harvesters. In Proceedings of the PCIM Europe Conference Proceedings, Mesago PCIM GmbH, Nuremberg, Germany, 11–13 June 2024; Volume 2024, pp. 625–634. [Google Scholar]
- Erdem, H.E.; Gungor, V.C. On the Lifetime Analysis of Energy Harvesting Sensor Nodes in Smart Grid Environments. Ad Hoc Netw. 2018, 75–76, 98–105. [Google Scholar] [CrossRef]
- Sanislav, T.; Mois, G.D.; Zeadally, S.; Folea, S.C. Energy Harvesting Techniques for Internet of Things (IoT). IEEE Access 2021, 9, 39530–39549. [Google Scholar] [CrossRef]
- Muñoz, A.M.; Muñoz, J.; Granado, J.; Sanz, J.F. Wireless Self-Powered Monitoring System for Underground Cable Joints: A Real Use-Case. In Proceedings of the 27th International Conference on Electricity Distribution (CIRED 2023), Rome, Italy, 12–15 June 2023; Volume 2023, pp. 2124–2128. [Google Scholar]
- Enayati, J.; Asef, P. Review and Analysis of Magnetic Energy Harvesters: A Case Study for Vehicular Applications. IEEE Access 2022, 10, 79444–79457. [Google Scholar] [CrossRef]
- Ahmed, M.; Genevey, S.; Ali, M.; Savaria, Y.; Audet, Y. Recent Start-Up Techniques Intended for TEG Energy Harvesting: A Review. IEEE Access 2024, 12, 34116–34130. [Google Scholar] [CrossRef]
- Luo, P.; Peng, D.; Wang, Y.; Zheng, X. Review of Solar Energy Harvesting for IoT Applications. In Proceedings of the 2018 IEEE Asia Pacific Conference on Circuits and Systems (APCCAS), Chengdu, China, 26–30 October 2018; pp. 512–515. [Google Scholar]
- Hassani, V.; Tjahjowidodo, T.; Do, T.N. A Survey on Hysteresis Modeling, Identification and Control. Mech. Syst. Signal Process. 2014, 49, 209–233. [Google Scholar] [CrossRef]
- Liu, Z.; Li, Y.; Yang, H.; Duan, N.; He, Z. An Accurate Model of Magnetic Energy Harvester in the Saturated Region for Harvesting Maximum Power: Analysis, Design, and Experimental Verification. IEEE Trans. Ind. Electron. 2023, 70, 276–285. [Google Scholar] [CrossRef]
















| Power line (N1) | Value | Unit |
| current range | 0–600 | A (ac) |
| frequency | 50 | Hz |
| Ferromagnetic core | Value | Unit |
| weight | 178 | g |
| outer diameter (D) | 57 | mm |
| inner diameter (d) | 41 | mm |
| height (h) | 15.6 | mm |
| material | grain oriented silicon steel | |
| Secondary coil (N2) | Value | Unit |
| turns | 360 | |
| material | tinned copper | |
| area | 0.26 | mm2 |
| Primary Current (A) | MPP | |||||||
|---|---|---|---|---|---|---|---|---|
| 30 | W | 0.000 | 0.095 | 0.669 | 0.653 | 0.906 | 0.776 | 0.457 |
| V | 0.000 | 1.247 | 8.500 | 9.800 | 16.380 | 17.500 | 20.400 | |
| 60 | W | 0.000 | 0.190 | 0.677 | 1.240 | 1.980 | 1.752 | 1.530 |
| V | 0.000 | 1.307 | 3.600 | 8.130 | 14.300 | 18.390 | 20.550 | |
| 120 | W | 0.000 | 0.401 | 2.875 | 4.094 | 4.190 | 3.632 | 2.804 |
| V | 0.000 | 1.337 | 8.890 | 13.830 | 17.860 | 20.850 | 23.590 | |
| 200 | W | 0.000 | 0.700 | 3.608 | 5.700 | 6.948 | 6.234 | 6.096 |
| V | 0.000 | 1.141 | 6.070 | 10.490 | 15.410 | 19.600 | 21.790 | |
| 300 | W | 0.000 | 1.108 | 9.060 | 10.208 | 10.420 | 9.906 | 8.900 |
| V | 0.000 | 1.465 | 10.920 | 12.890 | 14.190 | 19.660 | 22.820 | |
| 400 | W | 0.000 | 1.500 | 12.960 | 13.409 | 13.540 | 13.240 | 12.340 |
| V | 0.000 | 1.514 | 11.960 | 13.010 | 16.230 | 19.760 | 22.200 | |
| 500 | W | 0.000 | 1.990 | 15.210 | 16.310 | 16.714 | 15.952 | 14.400 |
| V | 0.000 | 1.585 | 11.140 | 13.260 | 15.090 | 18.470 | 22.560 | |
| 600 | W | 0.000 | 2.456 | 18.730 | 18.923 | 19.892 | 19.120 | 17.950 |
| V | 0.000 | 1.599 | 11.830 | 13.000 | 14.560 | 17.570 | 20.980 |
| Ref | Topology | Stage 1 | Stage 2 | Stage 3 | Power Elec. | Additional |
|---|---|---|---|---|---|---|
| [21] | 2 stages | rectifier | V regulator | unknow | unknow | |
| [28] | cascaded cores | clampable core | ungapped core | diode bridge | 6 mosfet + 4 diodes | core |
| [29] | 2 stages + control | diode bridge | DC/DC | control coil + mosfet | unknow | unknow |
| [31] | 2 stages | diode bridge | buck converter | 5 diodes + 1 mosfet | inductance | |
| [32] | wireless power | AC/DC | DC/AC | AC/DC | unknow | unknow |
| [38] | 2 stages | active rectifier | synch. buck | 6 mosfet | inductance | |
| [42] | 2 stages | diode bridge | DC/DC | unknow | unknow | |
| Proposed | single-stage | active bridge | 4 mosfet |
Disclaimer/Publisher’s Note: The statements, opinions and data contained in all publications are solely those of the individual author(s) and contributor(s) and not of MDPI and/or the editor(s). MDPI and/or the editor(s) disclaim responsibility for any injury to people or property resulting from any ideas, methods, instructions or products referred to in the content. |
© 2025 by the authors. Licensee MDPI, Basel, Switzerland. This article is an open access article distributed under the terms and conditions of the Creative Commons Attribution (CC BY) license (https://creativecommons.org/licenses/by/4.0/).
Share and Cite
Muñoz-Gómez, A.-M.; Menéndez-Marín, M.; Ballestín-Fuertes, J.; Sanz-Osorio, J.-F. Single-Stage Power Converter for Magnetic Field Energy Harvesting to Achieve Self-Powered Smart Grid IoT Devices. Electronics 2025, 14, 415. https://doi.org/10.3390/electronics14030415
Muñoz-Gómez A-M, Menéndez-Marín M, Ballestín-Fuertes J, Sanz-Osorio J-F. Single-Stage Power Converter for Magnetic Field Energy Harvesting to Achieve Self-Powered Smart Grid IoT Devices. Electronics. 2025; 14(3):415. https://doi.org/10.3390/electronics14030415
Chicago/Turabian StyleMuñoz-Gómez, Antonio-Miguel, María Menéndez-Marín, Javier Ballestín-Fuertes, and José-Francisco Sanz-Osorio. 2025. "Single-Stage Power Converter for Magnetic Field Energy Harvesting to Achieve Self-Powered Smart Grid IoT Devices" Electronics 14, no. 3: 415. https://doi.org/10.3390/electronics14030415
APA StyleMuñoz-Gómez, A.-M., Menéndez-Marín, M., Ballestín-Fuertes, J., & Sanz-Osorio, J.-F. (2025). Single-Stage Power Converter for Magnetic Field Energy Harvesting to Achieve Self-Powered Smart Grid IoT Devices. Electronics, 14(3), 415. https://doi.org/10.3390/electronics14030415

