A Novel Series 24-Pulse Rectifier Operating in Low Harmonic State Based on Auxiliary Passive Injection at DC Side
Abstract
1. Introduction
2. Materials and Methods
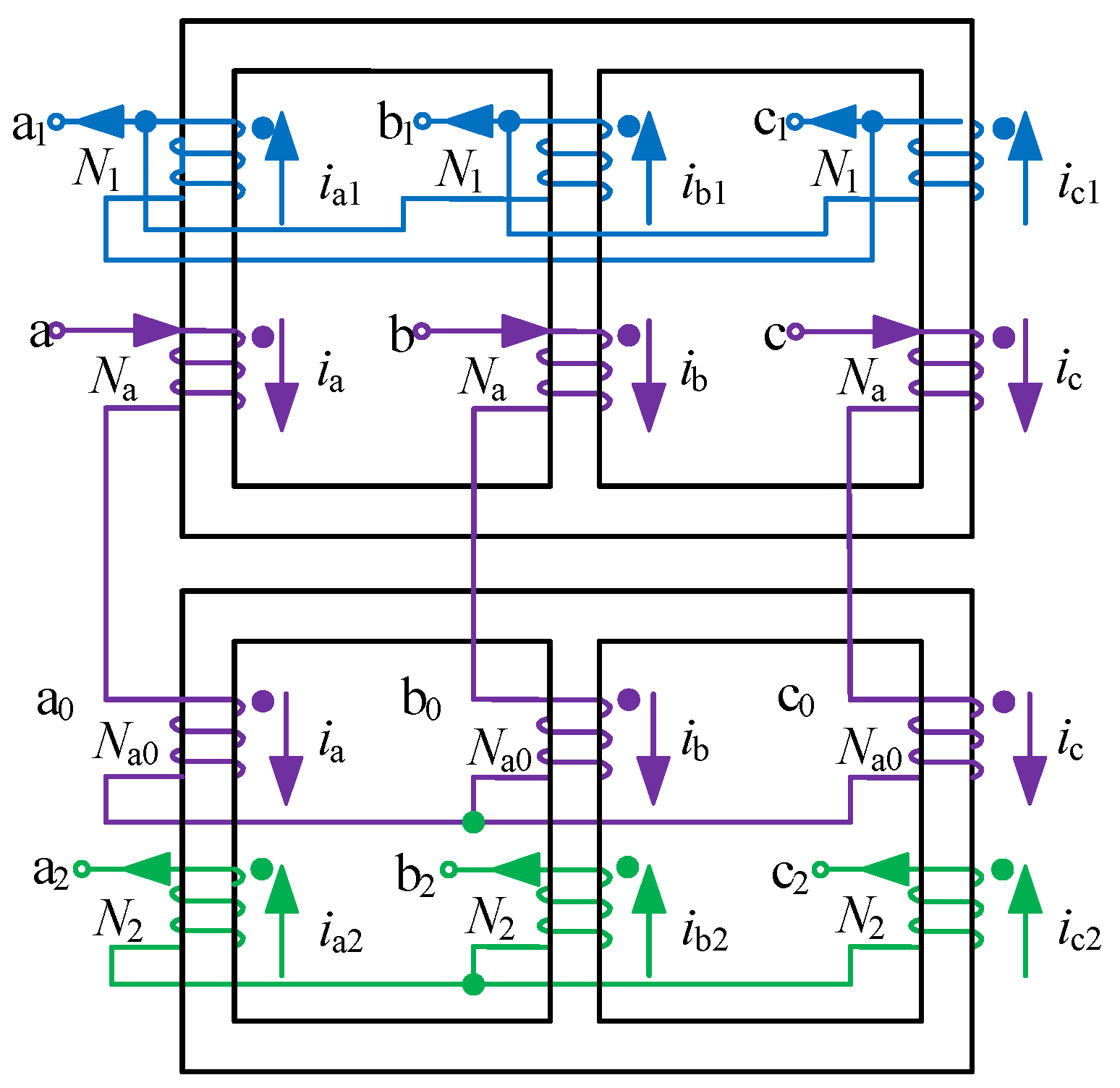
2.1. Topology Analysis
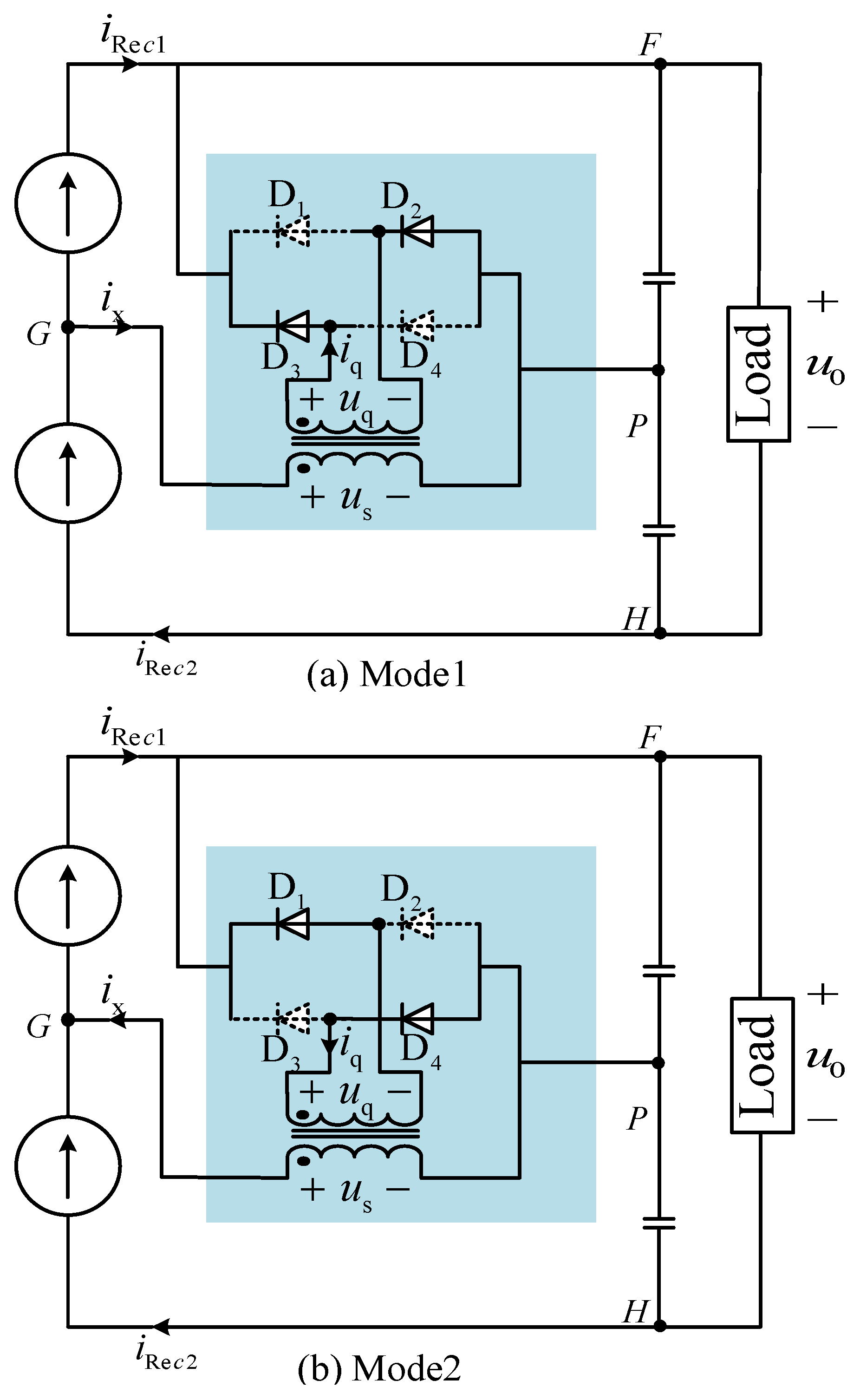
2.2. Operating Modal Analysis of APHIC
2.3. Operating Characteristics Analysis of Rectifier
2.3.1. 24-Step Voltage Formation Process
2.3.2. Optimal Turns Ratio Design of AST
3. Verification and Analysis
3.1. Verification of Rectifier Operating State under Resistive Load
3.2. Verification of Rectifier Operating State under Resistive Inductive Load
3.3. Analysis of Rectifier Fault Tolerance during APHIC Diode Open-Circuit Failure
3.4. Comparison of Different Harmonic Suppression Methods
4. Conclusions
- (1)
- The realization of this rectifier relies on the auxiliary passive harmonic injection circuit, including the passive harmonic injection auxiliary transformer and the auxiliary single-phase full bridge rectifier circuit; the rectifiers all use passive devices, which are simple in structure, strong in anti-jamming capability, and easy to realize.
- (2)
- Compared with the 12-pulse rectifier, the proposed rectifier can multiply the number of pulses of the input voltage from 12 pulses to 24 pulses, the THD value of the input voltage is reduced from 14.03% to 4.86%, and the waveform of the input voltage is closer to a sinusoidal waveform. The THD value of the input current on the AC side is reduced from 5.30% to 2.16%, which is nearly sinusoidalized. The harmonic suppression ability of the rectifier has been greatly improved. When the turn ratio of the passive harmonic injection transformer is 2.02, the input power factor is increased from 98.86% to 99.83%, which reduces the pollution of the rectifier reactive current on the grid and significantly improves the power quality.
- (3)
- Robustness. The proposed rectifier in the auxiliary diode open circuit fault case has a good system fault tolerance in this state; although it will have a certain impact on the AC side power quality, it can still realize the rectification function, and the rectification effect is better than that of the series 12-pulse wave rectifier.
Author Contributions
Funding
Data Availability Statement
Conflicts of Interest
References
- Deng, J.; Cheng, H.; Wang, C.; Wu, S. Evaluation and Comprehensive Comparison of H-Bridge-Based Bidirectional Rectifier and Unidirectional Rectifiers. Electronics 2020, 9, 309. [Google Scholar] [CrossRef]
- Yuan, Y.; Lv, S.; Zhu, Q. Harmonic suppression control strategy of cascaded H-bridge grid-connected photo-voltaic inverter under grid voltage distortion. Power Autom. Equip. 2022, 42, 68–75. [Google Scholar]
- Gonçalves, J.T.; Valtchev, S.; Melicio, R.; Gonçalves, A. Hybrid Three-Phase Rectifiers with Active Power Factor Correction: A Systematic Review. Electronics 2021, 10, 1520. [Google Scholar] [CrossRef]
- Zargari, N.R.; Cheng, Z.; Paes, R. A Guide to matching medium voltage drive topology to petrochemical applications. IEEE Trans. Ind. Appl. 2018, 54, 1912–1920. [Google Scholar] [CrossRef]
- Chen, T.; Chen, X.; Wang, Y. Novel Step-up 18-pulse Auto-transformer Rectifier Unit. Power Grid Technol. 2021, 45, 1527–1535. [Google Scholar]
- Giangrande, P.; Galassini, A.; Papadopoulos, S. Considerations on the development of an electric drive for a secondary flight control electromechanical actuator. IEEE Trans. Ind. Appl. 2019, 55, 3544–3554. [Google Scholar] [CrossRef]
- Singh, B.; Gairola, S.; Singh, B. Multi pulse AC–DC converters for improving power quality: A review. IEEE Trans. Power Electron. 2008, 23, 260–281. [Google Scholar] [CrossRef]
- Wang, Y.; Wang, Y.; Chen, X. A Series 36-Pulse Rectifier Operating in Low Harmonic State Based on Hybrid Voltage Harmonic Injection at DC Side. J. Electr. Eng. 2023, 38, 5288–5303. [Google Scholar]
- Lin, B.-R.; Lin, G.-H.; Jian, A. Resonant Converter with Voltage-Doubler Rectifier or Full-Bridge Rectifier for Wide-Output Voltage and High-Power Applications. Electronics 2019, 8, 3. [Google Scholar] [CrossRef]
- Zhang, H.; Liang, Y.; Sun, K. Improved Virtual Capacitor Control Strategy of Multi-Port Isolated DC-DC Converter in DC Microgrid. J. Electr. Eng. Technol. 2021, 36, 292–304. [Google Scholar]
- Fernandes, R.C.; Oliveira, P.; Seixas, F. A family of auto connected transformers for 12- and 18-pulse converters generalization for delta and wye topologies. IEEE Trans. Power Electron. 2021, 26, 2065–2078. [Google Scholar] [CrossRef]
- Du, Q.; Gao, L.; Li, Q. Harmonic reduction methods at DC side of parallel-connected multi pulse rectifiers: A review. IEEE Trans. Power Electron. 2021, 36, 2768–2782. [Google Scholar] [CrossRef]
- Chen, S.; Jing, W.; Shi, M. Review of harmonic source modeling methods with the background of renewable energy access. Power Syst. Prot. Control 2022, 50, 162–175. [Google Scholar]
- Meng, F.; Zhu, C.; Gao, L. High-power density 12-pulse rectifier based on the star-connected autotransformer. J. Mot. Control 2018, 22, 1–9. [Google Scholar]
- Chen, X.; Chen, T.; Wang, Y. Investigation on Design of Novel Step-Up 18-Pulse Auto-Transformer Rectifier. IEEE Access 2021, 9, 110639–110647. [Google Scholar] [CrossRef]
- Wang, J.; Yao, X.; Bai, J. A Simple 36-Pulse Diode Rectifier with Hybrid Pulse Multiplication Interphase Reactor at DC Side. IEEE J. Emerg. Sel. Top. Power Electron. 2021, 3, 3540–3555. [Google Scholar] [CrossRef]
- IEEE Std. 519.1992; IEEE Guide for Recommended Control and Reactive Compensation of Static Power Converters. IEEE: New York, NY, USA, 1992.
- Akagi, H.; Isozaki, K. A hybrid active filter for a three-phase 12-pulse diode rectifier used as the front end of a medium-voltage motor drive. IEEE Trans. Power Electron. 2011, 27, 69–77. [Google Scholar] [CrossRef]
- Araujo-Vargas, I.; Forsyth, A.J.; Chivite-Zabalza, F. Capacitor voltage-balancing techniques for a multi pulse rectifier with active injection. IEEE Trans. Ind. Appl. 2010, 47, 185–198. [Google Scholar] [CrossRef]
- Dong, J.; Meng, F.; Zhu, Y. Research on a 12-pulse rectifier with PWM current source. Power Electron. Technol. 2010, 44, 110–112. [Google Scholar]
- Singh, B.; Bhuvaneswari, G.; Garg, V. An Improved power-quality 30-pulse AC–DC for varying loads. IEEE Trans. Power Deliv. 2007, 22, 1179–1187. [Google Scholar] [CrossRef]
- Singh, B.; Bhuvaneswari, G.; Garg, V. Harmonic mitigation using 12-pulse AC-DC converter in vector-controlled induction motor drives. IEEE Trans. Power Deliv. 2006, 21, 1483–1492. [Google Scholar] [CrossRef]
- Singh, B.; Bhuvaneswari, G.; Garg, V. T-connected autotransformer-based 24-pulse AC-DC converter for variable frequency induction motor drives. IEEE Trans. Energy Convers. 2006, 21, 663–672. [Google Scholar] [CrossRef]
- Chen, T.; Chen, X.; Wang, Y. Hybrid harmonic suppression at DC side for parallel-connected 12-pulse rectifier. J. Electr. Eng. Technol. 2023, 18, 2043–2060. [Google Scholar] [CrossRef]
- Gao, L.; Meng, F.; Yang, W. Study on the mechanism of passive harmonic suppression on the DC side of multi-pulse rectifiers. J. Mot. Control 2016, 20, 69–77. [Google Scholar]
- Wang, J.; Lv, Y.; Li, L. A 24-pulse rectifier with a passive auxiliary current injection circuit at DC side. IEEE Trans. Power Electron. 2022, 37, 11109–11123. [Google Scholar] [CrossRef]
- Wang, J.; Chen, A.; Yao, X. A simple 24-pulse rectifier employing an auxiliary pulse-doubling circuit. IEEE Trans. Power Electron. 2022, 37, 8392–8403. [Google Scholar] [CrossRef]
- Chivite-Zabalza, F.J.; Forsyth, A.J.; Trainer, D. A simple, passive 24-pulse AC–DC converter with inherent load balancing. IEEE Trans. Power Electron. 2006, 21, 430–439. [Google Scholar] [CrossRef]
- Meng, F.; Wang, L.; Gao, L. Series 24 pulse rectifier based on DC side passive voltage harmonic injection method. J. Electr. Eng. 2019, 34, 1180–1188. [Google Scholar]
- Li, Q.; Li, F.; Yin, X. Passive pulse multiplication strategy for series 12 pulse rectifier. J. Electr. Technol. 2023, 38, 136–146+186. [Google Scholar]
- Wang, Y.; Wang, Y.; Chen, X. A series type 36 pulse rectifier with dual passive harmonic Injection for HVDC. Power Syst. Prot. Control 2022, 50, 165–176. [Google Scholar]
















| NO. of uan | Value of uan |
|---|---|
| u1 | |
| u2 | |
| u3 | |
| u4 | |
| u5 | |
| u6 |
| Parameter Name | Value |
|---|---|
| The input phase voltage, Um | 380 V |
| Inductances, Ls | 20 mH |
| The turn ratio, k1, k2 | k1 = 1.732:1, k2 = 1:1 |
| The turn ratio, m | 2.02 |
| Capacitors of C1(C2) | 3300 μF |
| Resistive load, R | 50 Ω |
| Inductance load, L | 20 mH |
| Frequency | 50 Hz |
| Topology | Pulse Number | THD (uan) | THD (ia) | Number of Auxiliary Diodes | Types of Injected Transformers |
|---|---|---|---|---|---|
| No injection circuit | 12 | 14.04% | 5.30% | 0 | —— |
| Literature [28] | 24 | 7.52% | —— | 4 | One single-phase transformer (no taps) |
| Literature [29] | 24 | 3.34% | 2.65% | 2 | One single-phase transformer (with taps) |
| Literature [30] | 24 | 4.45% | 2.51% | 2 | One single-phase transformer (with taps) |
| This paper | 24 | 4.86% | 2.16% | 4 | One single-phase transformer (no taps) |
| Literature [31] | 36 | 4.61% | —— | 6 | Two single-phase transformers (with taps) |
Disclaimer/Publisher’s Note: The statements, opinions and data contained in all publications are solely those of the individual author(s) and contributor(s) and not of MDPI and/or the editor(s). MDPI and/or the editor(s) disclaim responsibility for any injury to people or property resulting from any ideas, methods, instructions or products referred to in the content. |
© 2024 by the authors. Licensee MDPI, Basel, Switzerland. This article is an open access article distributed under the terms and conditions of the Creative Commons Attribution (CC BY) license (https://creativecommons.org/licenses/by/4.0/).
Share and Cite
Chen, X.; Bai, T.; Wang, Y.; Gong, J.; Mu, X.; Chang, Z. A Novel Series 24-Pulse Rectifier Operating in Low Harmonic State Based on Auxiliary Passive Injection at DC Side. Electronics 2024, 13, 1160. https://doi.org/10.3390/electronics13061160
Chen X, Bai T, Wang Y, Gong J, Mu X, Chang Z. A Novel Series 24-Pulse Rectifier Operating in Low Harmonic State Based on Auxiliary Passive Injection at DC Side. Electronics. 2024; 13(6):1160. https://doi.org/10.3390/electronics13061160
Chicago/Turabian StyleChen, Xiaoqiang, Tun Bai, Ying Wang, Jiangyun Gong, Xiuqing Mu, and Zhanning Chang. 2024. "A Novel Series 24-Pulse Rectifier Operating in Low Harmonic State Based on Auxiliary Passive Injection at DC Side" Electronics 13, no. 6: 1160. https://doi.org/10.3390/electronics13061160
APA StyleChen, X., Bai, T., Wang, Y., Gong, J., Mu, X., & Chang, Z. (2024). A Novel Series 24-Pulse Rectifier Operating in Low Harmonic State Based on Auxiliary Passive Injection at DC Side. Electronics, 13(6), 1160. https://doi.org/10.3390/electronics13061160
