Next Article in Journal
GLMAFuse: A Dual-Stream Infrared and Visible Image Fusion Framework Integrating Local and Global Features with Multi-Scale Attention
Previous Article in Journal
Lithium Battery SOC Estimation Based on Type-2 Fuzzy Cerebellar Model Neural Network
 
 
Font Type:
Arial Georgia Verdana
Font Size:
Aa Aa Aa
Line Spacing:
Column Width:
Background:
Article

The Effect of AI on Animation Production Efficiency: An Empirical Investigation Through the Network Data Envelopment Analysis

Department of Smart Experience Design, Kookmin University, Seoul 02707, Republic of Korea
*
Author to whom correspondence should be addressed.
Electronics 2024, 13(24), 5001; https://doi.org/10.3390/electronics13245001
Submission received: 16 November 2024 / Revised: 15 December 2024 / Accepted: 18 December 2024 / Published: 19 December 2024

Abstract

This study explores the impact of artificial intelligence (AI) on the efficiency of 3D animation production through Network Data Envelopment Analysis (NDEA). While AI’s adoption in content creation is on the rise, its actual effect on different production stages remains unclear. This research examines ten animation projects from commercial, educational, and entertainment sectors, focusing on four key stages: pre-production, asset creation, animation production, and post-production. The findings indicate that AI’s influence varies significantly across these stages, with post-production demonstrating consistently high efficiency (mean: 0.91275). AI integration proved most effective in standardized processes rather than in creative tasks, with commercial projects achieving the highest efficiency scores. This study highlights that successful AI adoption relies on strategic integration and organizational capability rather than on mere technological implementation. Optimal efficiency gains were observed with AI usage between 30 and 70%. These insights suggest that organizations should focus on phased AI implementation, starting with standardized processes to maximize efficiency. This research contributes to both the theoretical understanding and practical application of AI in creative production, offering empirical guidance for optimizing AI integration in animation workflows.

1. Introduction

With the rapid advancement of artificial intelligence (AI) technology, its applications across various industries have become increasingly widespread, particularly in content production [1]. By utilizing automation and intelligent processes, AI has significantly enhanced production efficiency and optimized resource allocation [2,3]. For example, a study by LeCun, Y et al. (2015) demonstrated notable achievements in the application of AI to image recognition and generation, which introduced new tools for animation production [4]. As an important branch of content creation, 3D animation involves numerous complex steps, making the need for efficiency improvements especially critical [5]. However, despite the growing attention to AI’s potential in content production, its impact on the actual efficiency of production processes has yet to be fully investigated.
While several studies have explored AI applications in specific animation tasks, a comprehensive analysis of AI’s impact across the entire production pipeline remains lacking. Additionally, existing research has primarily relied on qualitative assessments or individual case studies, leaving a gap in quantitative evaluation methods for AI integration in creative production processes.
Existing research on AI-generated content (AIGC) has primarily focused on the technology itself and the attitudes towards AI [6], whereas studies examining the practical use of AI in the content production industry are relatively limited [7]. Most research on the application of AI in film and animation concentrates on technological development and visual effects optimization while neglecting the overall production workflow efficiency [8,9]. Therefore, effectively evaluating the efficiency improvements brought by AI technology in 3D animation production has become a crucial topic.
To address these research gaps, this study introduces a systematic approach to evaluating AI’s impact on animation production efficiency. Our research contributes to the existing literature in several ways:
  • Development of a comprehensive four-stage evaluation framework that captures the complex interactions between AI technology and traditional animation workflows;
  • Implementation of a modified NDEA methodology specifically adapted for creative production processes, accounting for both quantitative and qualitative outputs;
  • Empirical validation of optimal AI usage ranges across different production stages, providing concrete guidelines for industry implementation.
Defining multiple stages or levels in DEA modeling can provide a deeper understanding of the production process [10]. In this context, a multi-stage model divides a process into a series of sequential subprocesses, where the output of one stage can be considered as the input to the next [11]. This study adopts the Network Data Envelopment Analysis approach proposed by Cook et al. (2010) to construct a multi-stage 3D animation production model [12]. The Network DEA method breaks down a complex multi-stage process into several sub-stages and analyzes the efficiency of each stage, providing a more detailed efficiency evaluation [13,14]. This approach has been widely used in efficiency studies of multi-stage production processes, such as in the energy and transportation sectors [15]. Therefore, using the Network DEA method to analyze the efficiency of each stage in the 3D animation production process enables a clear assessment of the actual impact of AI technology.
The primary objective of this study is to evaluate the actual efficiency improvement brought by AI technology in 3D animation production, providing empirical evidence for the application of AI in the animation industry. By conducting an empirical analysis of project data from multiple animation studios, companies, and educational institutions, this study aims to reveal the efficiency gains achieved through AI technology across different stages of production. The findings will serve as a reference for optimizing resource allocation and enhancing production efficiency within the animation industry.
Based on this, this study proposes the following research questions:
  • Does the application of AI technology improve the overall efficiency of 3D animation production?
  • Which production phase has shown the most significant efficiency improvement due to the introduction of AI technology?
  • How does the application of AI technology vary in its efficiency improvement across different types of animation projects?
Based on the proposed research questions, we formulate the following research hypotheses:
H1. 
The application of AI technology significantly enhances the overall production efficiency of 3D animation processes.
H2. 
The efficiency improvement due to AI technology is most pronounced during the pre-production phase.
H3. 
The impact of AI technology varies significantly across different types of animation projects, with educational projects showing relatively greater improvements due to resource constraints.
Through this study, we aim to provide new theoretical and practical insights into the application of AI technology in content production, particularly in 3D animation production, thereby fostering the development and innovation of the animation industry.

2. Literature Review

2.1. The Evolution of Animation and the Role of AI in 3D Animation

Since its inception, animation has evolved significantly, consistently integrating new technologies that enhance storytelling and visual aesthetics [16]. Over the years, animation has moved from simple hand-drawn sequences to complex computer-generated imagery (CGI), with each technological leap broadening the possibilities for narrative and visual depth [17,18]. The transition to 3D animation marked a particularly significant shift in production methodology. This transition introduced new technical challenges while simultaneously expanding creative possibilities. With the advent of 3D animation, production processes have become increasingly intricate, encompassing sophisticated stages, such as modeling, rigging, animation, lighting, and rendering. As the complexity of these workflows has increased, so has the need for new tools and methods to manage them efficiently [19]. The integration of AI into animation production represents the latest significant evolution in this field. Unlike previous technological advances that primarily focused on specific tools or techniques, AI offers potential improvements across the entire production pipeline. Current AI applications in animation span multiple areas:
  • Pre-production: AI tools assist in concept generation, storyboarding, and initial visual development, helping streamline the planning phase [20].
  • Asset Creation: AI-powered systems facilitate model generation, texturing, and rigging processes, reducing manual workload in technical tasks [21].
  • Animation Production: Machine learning algorithms assist in motion synthesis, character animation, and scene composition.
  • Post-production: AI enhances rendering efficiency, automates compositing tasks, and improves final output quality.
AI technology is currently advancing at an unprecedented rate, substantially impacting numerous industries, particularly content creation [22]. AI has reshaped the creation, design, and production of creative content, including animations, videos, and visual effects [23]. In recent years, AI-generated video content has begun to showcase a wide range of capabilities, from simple automated edits to sophisticated generative video synthesis [24]. The potential of AI to automate components of the creative process is revolutionizing digital content production, reducing human labor while maintaining or even enhancing quality [25]. These advancements are particularly significant in industries where time and efficiency are critical for success. AI’s application in content production goes beyond mere automation; it also enhances creative possibilities by generating elements that were previously too resource intensive to create [26].
The capabilities of AI in generating 3D content have seen remarkable advancements, particularly in AI-driven modeling, animation, and rendering. Advanced deep learning techniques now enable the rapid generation of complex 3D models [27], while AI-driven systems can automate character rigging and generate realistic movements based on motion capture data [28]. In rendering technology, AI algorithms have significantly reduced computation time while maintaining or even improving output quality, addressing one of the primary bottlenecks in traditional animation production [29].
The rapid advancement of these AI technologies raises important considerations for the animation industry. Beyond the technical capabilities discussed above, AI is fundamentally transforming how animation teams work. This transformation is particularly evident in how artists’ roles are evolving—shifting from technical execution to higher-level creative decisions [30]. The technology not only enhances efficiency but also enables new creative possibilities that would be impractical through traditional methods [31,32].
These technological advancements, while impressive, raise important considerations for the animation industry. The integration of AI tools is reshaping traditional animation workflows in fundamental ways. While AI can significantly enhance efficiency in technical tasks, its role in creative processes requires careful consideration. The key challenge lies in balancing automation benefits with creative control—determining where AI can best augment human creativity rather than replace it.
The impact of AI extends beyond mere technical improvements. As animation studios adopt these technologies, they face new challenges in workflow organization, team structure, and skill requirements. Small- and medium-sized studios, in particular, must navigate the balance between investing in AI capabilities and maintaining traditional animation expertise. This evolution suggests a future where successful animation production may depend not just on artistic and technical skills but also on the ability to effectively integrate and leverage AI technologies [33,34].
These developments in AI technology have particular significance for standardized processes within animation production. Current trends indicate that AI tools are most effective in tasks with clear parameters and measurable outcomes, while creative and conceptual work still heavily relies on human expertise. Understanding these distinctions is crucial for optimizing AI integration across different production stages [35,36].

2.2. AI’s Integration, Efficiency, and NDEA Applications in 3D Animation

AI’s integration into animation production has brought substantial changes to the industry. It has improved workflow efficiency while enabling creative possibilities that were previously unattainable due to technical or resource constraints [33]. AI empowers animators to concentrate more on creative aspects rather than repetitive technical details [34]. Additionally, a study by Xu et al. (2023) highlights how AI-based systems, such as AI-Based Painting Systems (AIBPSs), are influencing user acceptance and creative practices within the content production industry, particularly by integrating extended technology acceptance models (ETAMs) to understand user interaction with AI tools [30]. Additionally, it has reduced barriers for smaller studios and individual creators by making sophisticated tools more accessible [35], democratizing creative capabilities that were once restricted to large studios with considerable budgets [36]. By automating tasks like asset creation, rendering, and even aspects of storytelling, AI tools enable smaller teams to produce high-quality content that can compete with industry giants [20].
AI is currently employed across the animation industry at different scales and stages of production. Large studios use AI to enhance pre-production activities, such as generating storyboards and concept art, which helps in visualizing scenes and making creative decisions early in the process [37]. Smaller studios, on the other hand, leverage AI for cost-effective asset generation and animation, which helps them bridge the gap between limited resources and the high demands of modern animation quality [38]. The application of AI in post-production is also expanding, with automated tools for color correction, compositing, and visual effects now commonly employed [39]. AI’s capacity to analyze visual data and make adjustments in real time has significantly reduced post-production timelines [40]. The pervasive adoption of AI across the industry underscores its necessity for maintaining competitiveness and enhancing production quality [41].
The incorporation of AI in animation production is increasingly seen as inevitable. As production demands grow more intricate and schedules tighten, studios must find efficient means to deliver high-quality content [42]. AI’s ability to automate repetitive processes, predict outcomes, and improve precision makes it an indispensable tool for the future of animation. This necessity becomes particularly evident in the competitive landscape, where studios must produce content rapidly and cost-effectively to thrive [43]. AI not only enhances efficiency but also provides a platform for innovation [44], enabling animators and directors to explore creative avenues that would otherwise be too costly or time-consuming.
Efficiency analysis in creative industries has attracted growing attention from researchers employing various methodological approaches. Traditional Data Envelopment Analysis (DEA) has demonstrated its utility in evaluating operational efficiency in cultural and creative sectors. For instance, Yu (2018) applied DEA to examine efficiency disparities across different regions and sectors in China’s creative industries, highlighting the method’s capability in handling multiple inputs and outputs without requiring specific functional forms [45]. However, the complexity of creative production processes has led to the development of more sophisticated approaches. To address the influence of external environments and random factors on technical efficiency, some researchers have adopted hybrid approaches. Li et al. (2022) combined three-stage DEA with Stochastic Frontier Analysis (SFA) to evaluate efficiency in cultural and creative industries, providing a more comprehensive assessment that accounts for both internal production processes and external environmental influences [46]. These methodological advancements reflect the growing recognition that efficiency analysis in creative industries requires approaches capable of handling both quantitative metrics (such as production time and costs) and qualitative factors (including creative quality and team collaboration). This dual nature of creative production, combining standardized processes with artistic creation, necessitates analytical methods that can accommodate both operational and creative aspects of efficiency.
While there is extensive research on AI technology, specific studies examining the impact of AI on 3D animation production efficiency remain limited. One scholar pointed out that the current use of video generation AI tools still has multiple obstacles for practitioners [47]. Evaluating the efficiency gains achieved by these AI technologies necessitates robust methodologies capable of assessing multi-stage production processes, which has constrained the number of holistic studies in this domain. There is a clear need for research that not only measures efficiency gains but also examines the interplay between AI technology and human creativity, particularly how these elements coalesce to impact the overall quality of the final animated product [48].
Network Data Envelopment Analysis (NDEA) is a robust tool for evaluating efficiency, particularly in multi-stage production environments. It has been widely utilized in sectors such as energy management, healthcare, and transportation, where understanding the efficiency of interconnected processes is critical [49]. NDEA enables a detailed analysis of the efficiency of each stage within a complex workflow, making it particularly relevant for evaluating the multi-stage production processes characteristic of 3D animation [50]. By breaking down the production process into distinct but interconnected stages, NDEA provides insights into how well each phase is performing, where bottlenecks are occurring, and how resources could be reallocated to improve overall efficiency [51].
The application of NDEA within the animation industry is relatively novel. However, it shows substantial promise in revealing insights into the effective integration of AI across various stages of production [14]. By evaluating individual stages, NDEA helps pinpoint inefficiencies and highlights the areas where AI is most effective. This method allows studios to understand not only the effectiveness of AI tools in different phases but also to make informed decisions on resource allocation, ultimately optimizing the entire production pipeline.
Studying the impact of AI across various stages of animation production is crucial for both academic research and industry practice. Academically, understanding how AI influences production efficiency forms the basis for developing new theories and models to further optimize workflows [52]. From an industry perspective, such research provides data-driven support for decision making, guiding studios on which AI tools to adopt, how to allocate resources, and how to maximize production efficiency. Moreover, it underscores the importance of balancing AI’s capabilities with human creativity, ensuring that the produced content remains innovative and artistically compelling [34]. By blending AI’s efficiency with the nuanced touch of human creativity, studios can ensure that their content resonates both technically and emotionally with audiences [53].

3. Method

This study employs a mixed research methodology, combining both qualitative and quantitative research strategies to comprehensively evaluate the application of artificial intelligence (AI) in 3D animation production processes. Initially, qualitative research was used to gather insights from industry experts, which subsequently informed the construction of an indicator system for analysis. Based on these indicators, Network Data Envelopment Analysis (Network DEA) was conducted to quantitatively assess the efficiency improvements across different stages of the production process.

3.1. Qualitative Research: Expert Interviews

In the initial phase of the study, we conducted expert interviews to obtain professional insights into the application and impact of AI technology in animation production. For this purpose, we invited 10 industry experts, including technical directors from animation production companies, assistant professors in animation production, and independent animation directors, all of whom have extensive experience in animation production and AI applications. Some of the experts also hold doctoral degrees in computer science or digital media, which ensures the depth and professional rigor of the interviews.
The selection of experts was based on industry recommendations and connections made through social platforms, ensuring the representativeness of participants and obtaining diverse perspectives from various fields. Table 1 presents the key information of these experts.

3.2. Establishment of Indicator System

Through a systematic analysis of the interview content, we extracted several key indicators from the insights of the experts. Among them, three indicators were repeatedly mentioned across different expert interviews, forming a certain degree of consensus.

3.2.1. Personnel Allocation Efficiency

Personnel Allocation Efficiency: Experts generally believe that animation production is an industry that highly relies on human collaboration, and reasonable personnel allocation is a key factor influencing production efficiency. Expert C stated “Animation production is a collective effort of the team, and the progress of the project is determined by the reasonable allocation of personnel and effective collaboration”. Expert E also mentioned “In large projects, proper team member allocation not only improves efficiency but also avoids resource wastage”. Therefore, personnel allocation efficiency has been included in the indicator system.

3.2.2. Production Time

Production Time: Most experts emphasized the importance of time management in each production phase for efficiency. Expert A mentioned “In 3D animation production, time is one of the most valuable resources, especially during the asset creation phase, where the application of AI technology can significantly shorten production time”. Expert D added “Time management directly impacts the quality and budget control of the project, especially in post-production, where tight deadlines often lead to a decline in quality”. Therefore, production time has become an important evaluation metric.

3.2.3. AI Usage Hours

AI Usage Hours: Regarding the application of AI, experts tend to use AI usage hours to measure its contribution to each production stage. During the interviews, I first asked the experts what kind of criteria would best describe the extent of AI usage in their work and proposed several possible standards. Ultimately, the metric of AI usage hours was widely accepted by the experts. Expert B stated, “Compared to the specific types of tools, the actual hours of AI involvement in work better reflect its impact on production efficiency”. Expert H also pointed out, “Quantifying AI usage hours helps to better understand its role in improving efficiency, especially during the pre-production stage”. It should be noted that, in some projects, this metric is derived from recording the actual hours of AI usage, but in most projects, these data are estimated by the project managers, which introduces a certain level of subjectivity. Some experts also mentioned another potential metric, the AI Workload Ratio, but this metric largely overlaps with AI usage hours in terms of practical significance. After comprehensive consideration and given the feasibility and intuitiveness of collecting data on AI usage hours, we ultimately chose AI usage hours as a relatively reasonable indicator. Although there may be some subjectivity in AI usage hours, due to the lack of a unified industry standard, it remains an appropriate measure of AI usage in the current study.
Our data are sourced from various teams within the animation industry. Ensuring a generally consistent 3D animation workflow structure, we collected data from different types of 3D animation projects, including small studios, medium-sized teams, educational institutions, self-media, animation series, game outsourcing teams, and government and enterprise animation outsourcing projects. Most of these projects employed AI to varying extents to assist in production. Given the diversity in the AI tools used by each project, measuring the extent of AI usage based on the types and number of tools is not rigorous. Instead, the proportion of AI usage hours was confirmed as a more appropriate indicator through discussions with industry experts. All projects were in a completed state, with a time span from March 2023 to July 2024.
Based on the interviews with several experts in the animation industry and the usual 3D workflow of the animation industry, we established an indicator system, as shown in Table 2.
Based on the expert interviews and industry practice, we established a four-stage evaluation framework. For the pre-production stage, we consider three basic inputs: staff allocation, time consumption, and AI usage hours. The outputs of this stage are measured by the number of concept designs and storyboard shots, which represent the creative planning outcomes.
The asset creation stage incorporates not only the three basic inputs but also utilizes the concept designs from the previous stage as an intermediate input, reflecting the sequential nature of animation production. This stage’s efficiency is measured by its ability to generate 3D models and character assets.
For the animation production stage, we consider both the standard inputs and two key intermediate products, characters from Stage 2 and storyboard shots directly from Stage 1, demonstrating the non-immediate successor flows in our framework. The stage’s output is quantified by the length of animated content produced.
The post-production stage maintains the three basic inputs and takes the animation length from Stage 3 as an intermediate input. Its efficiency is evaluated through two outputs: the final video length and a quality score. The quality score, based on a 100-point scale, represents the comprehensive evaluation from both audience feedback and expert assessment.

3.3. Research Model Construction

The selection of weights in our NDEA model employs a systematic approach based on resource consumption patterns. Each stage’s weight is determined by the proportion of total resources (staff, time, and AI usage hours) consumed in that stage, as calculated using Equation (6). This resource-based weighting method provides an objective measure of each stage’s relative importance in the production process while maintaining the mathematical consistency of the NDEA model. The approach is particularly suitable for animation production evaluation as it reflects the actual resource investment across different stages of the creative pipeline.
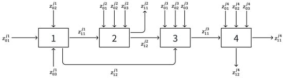
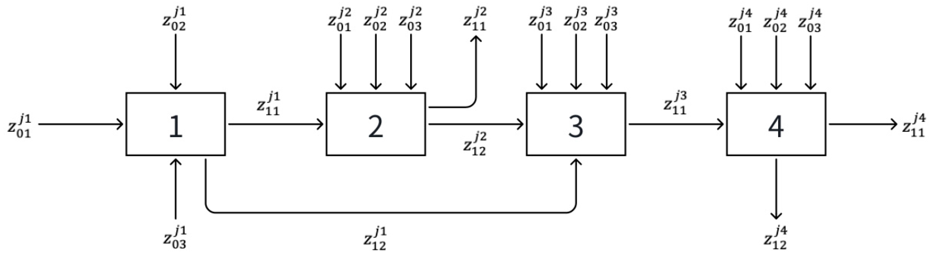
The methodology of this study is based on the general network DEA approach proposed by Cook et al. (2010) [12], which is used to assess efficiency in multi-stage processes. Our innovative adaptation of this methodology specifically addresses the unique challenges of evaluating creative production processes, where outputs often include both quantitative metrics (such as production time) and qualitative elements (such as artistic quality). The overall efficiency of a multi-stage process is represented as a weighted average of the efficiencies of each stage, with each stage having its own inputs, outputs, and intermediate products passed on from the previous stage. Since the animation production process is generally divided into multiple stages, where the input of each stage is approximately equivalent to the output of the previous stage, a serial structure is well suited to represent the animation production workflow. However, given that certain outputs in the animation production process can bypass intermediate stages and become inputs for subsequent stages, we adopted a modified version of the serial multi-stage DMU structure, known as the non-immediate successor flows structure, as a reference model for our 3D animation production workflow. The non-immediate successor flows structure is shown in Figure 1. In the non-immediate successor flows structure, outputs from one stage can bypass intermediate stages to become inputs for later stages. As shown in Figure 1, while Stage 1 has sequential outputs to Stage 2, it also produces outputs that directly feed into Stage 3, bypassing Stage 2. This structure better reflects real production workflows where certain outputs may not require processing in every subsequent stage.
This study focuses on the 3D animation production process, employing a carefully considered four-stage framework based on both industry standards and practical workflow considerations. Our stage selection draws from established animation production methodologies while incorporating modern production realities. This division reflects both traditional animation pipeline structures and contemporary AI integration patterns.
The four stages—pre-production, asset creation, animation production, and post-production—were selected based on several key factors:
  • Industry Standard Alignment: Our framework builds upon the traditional three-stage pipeline (pre-production, production, post-production) widely accepted in the animation industry and documented in foundational texts like “3D Animation Essentials” [54]. However, we specifically divided the production phase into ‘asset creation’ and ‘animation production’ to reflect modern production practices where these functions often operate as distinct units with different technical requirements and AI application potential.
  • Workflow Independence: Each selected stage represents a relatively independent workflow component with distinct inputs, outputs, and resource requirements. This independence is crucial for meaningful efficiency analysis using Network DEA methodology, as it allows for clear measurement of stage-specific improvements.
  • AI Integration Patterns: The selected stages align with current patterns of AI tool development and implementation in the animation industry. Different types of AI solutions have emerged for specific production tasks—from concept art generation in pre-production to automated rigging in asset creation, motion synthesis in animation production, and rendering optimization in post-production.
  • Resource Allocation Boundaries: These four stages typically represent natural boundaries for resource allocation and team organization in animation studios, making our analysis particularly relevant for practical implementation.
This enhanced granularity, particularly in separating asset creation from animation production, enables more precise examination of how AI technologies impact different aspects of the production pipeline, while maintaining consistency with established industry practices.
Figure 2 presents a detailed visualization of our four-stage framework, illustrating both the traditional workflow components and AI integration points within each stage. The figure highlights several key aspects of modern animation production:
  • Stage Components and Workflow: Each stage consists of clearly defined sequential tasks, beginning with specific inputs and culminating in stage outputs. The pre-production stage progresses from initial project requirements through story development, concept art, storyboarding to layout, resulting in comprehensive visual development and planning. The asset creation stage transforms these plans into production-ready 3D assets through modeling, UV and texturing, rigging, and asset management. The animation production stage incorporates motion capture, character animation, camera work, and scene assembly to create animation sequences. The post-production stage concludes the process with lighting, VFX, compositing, and color correction to deliver the final output.
  • AI Integration Points: The framework identifies specific AI applications (highlighted in blue) that complement traditional workflows at various points. In pre-production, AI assists with concept generation, script analysis, and layout automation. Asset creation benefits from automated modeling, smart rigging, texture generation, and AI-assisted asset arrangement. Animation production utilizes AI for motion capture correction, motion synthesis, crowd simulation, and scene optimization. Post-production employs AI for smart denoising, auto compositing, color correction, and quality enhancement.
  • Inter-stage Dependencies: The diagram illustrates workflow relationships through both solid arrows (direct sequential flow) and dotted lines (AI intervention points). Notable dependencies include the flow of visual development from pre-production to both asset creation and animation production stages, and the progression of assets through the animation and post-production pipeline. This interconnected structure reflects the complex nature of modern animation production where stages, while distinct, maintain crucial relationships with both their immediate predecessors and other stages in the pipeline.
  • Stage Boundaries and Outputs: Each stage has clearly defined boundaries with specific inputs and outputs, marked by black blocks in the diagram. This clear delineation of stage responsibilities and deliverables facilitates precise efficiency measurement using Network DEA methodology, allowing us to evaluate both traditional workflow efficiency and the impact of AI interventions at each stage.
This comprehensive framework provides the foundation for our efficiency analysis, enabling systematic evaluation of AI’s impact across different production stages while acknowledging the interconnected nature of animation production workflows.
While Figure 2 illustrates the practical workflow and AI integration points in animation production, Figure 3 presents the mathematical structure of our Network DEA model based on this four-stage framework. This model transforms the practical workflow into a quantifiable structure for efficiency analysis.
The production process is divided into four distinct stages: pre-production (Stage 1), asset creation (Stage 2), animation production (Stage 3), and post-production (Stage 4). Each stage has its own set of inputs, outputs, and intermediate products. The interactions between these stages and the flow of intermediate products are illustrated in Figure 3.
Following the indicator system established in Section 3.2 and the general framework of Network DEA, we construct a multi-stage efficiency evaluation model for 3D animation production. The model adopts a non-immediate successor flows structure, which effectively captures the complex relationships between different production stages, particularly the direct flow from pre-production to animation production that bypasses asset creation [12].
For the mathematical formulation of our model, we first define the key variables. Let DMU_j represent the j-th decision-making unit. The input variables for each stage p (p = 1, 2, 3, 4) are denoted as z 01 j p (number of staff), z 02 j p (time consumption in hours), and z 03 j p (AI usage hours). The complete variable definitions are presented in Table 3.
The stage-specific outputs are defined as follows:
  • Stage 1 generates concept designs ( z 11 j 1 ) and storyboard shots ( z 12 j 1 )
  • Stage 2 produces models ( z 11 j 2 ) and characters ( z 12 j 2 )
  • Stage 3 creates animation sequences measured in seconds ( z 11 j 3 )
  • Stage 4 delivers the final video ( z 11 j 4 ) with an associated quality score ( z 12 j 4 )
To evaluate the efficiency of each stage, we employ the ratio of weighted outputs to weighted inputs, incorporating both direct inputs and intermediate products. The efficiency measures for each stage are formulated as follows:
For Stage 1 (pre-production):
θ 1 = u 11 z 11 j 1 + u 12 z 12 j 1 m 01 z 01 j 1 + m 02 z 02 j 1 + m 03 z 03 j 1
For Stage 2 (asset creation):
θ 2 = u 21 z 11 j 2 + u 22 z 12 j 2 m 21 z 01 j 2 + m 22 z 02 j 2 + m 23 z 03 j 2 + g 11 z 11 j 1
For Stage 3 (animation production):
θ 3 = u 31 z 11 j 3 m 31 z 01 j 3 + m 32 z 02 j 3 + m 33 z 03 j 3 + g 12 z 12 j 1 + g 22 z 12 j 2
For Stage 4 (post-production):
θ 4 = u 41 z 11 j 4 + u 42 z 12 j 4 m 41 z 01 j 4 + m 42 z 02 j 4 + m 43 z 03 j 4 + g 31 z 11 j 3
where u p r , m p i , and g p k represent the weights assigned to outputs, inputs, and intermediate products, respectively.
The overall efficiency θ is calculated as a weighted sum of individual stage efficiencies:
θ = p = 1 4 w p θ p
Following the resource-based weighting approach, the weight w p for each stage is determined by the proportion of resources consumed in that stage:
w p = i = 1 3 z 0 i j p p = 1 4 i = 1 3 z 0 i j p
This weighting method ensures that stages consuming more resources have a proportionally larger impact on the overall efficiency evaluation, which aligns with the practical significance of resource allocation in animation production [14].
To solve this Network DEA model, we formulate it as a linear programming problem. For each DMU j₀, the optimization problem is structured as follows:
max θ = p = 1 4 w p θ p
subject to : θ p 1 , p = 1,2 , 3,4 r u p r z 1 r j i m p i z 0 i j + k g k z k j p = 1 4 w p = 1 u p r , m p i , g k 0
This formulation allows us to determine the optimal weights that maximize the overall efficiency while maintaining the structural integrity of the production process. The solution to this linear programming problem provides both the overall efficiency score and the stage-specific efficiency scores for each DMU, enabling a comprehensive evaluation of the animation production process.

4. Results

4.1. Overall Efficiency Distribution

As illustrated in Figure 4, the Network DEA analysis reveals significant variations in overall efficiency scores across the ten DMUs. The detailed efficiency scores are presented in Table 4, showing values ranging from 0.19612 to 0.85175, with a mean of 0.48348 and standard deviation of 0.21937. The efficiency distribution shows a clear stratification into high (>0.60), medium (0.40–0.60), and low (<0.40) efficiency tiers.
Commercial projects demonstrate consistently higher efficiency scores, with game advertising (DMU6: 0.85175), social media content (DMU8: 0.67949), and bank promotional content (DMU7: 0.60279) occupying the high-efficiency tier. These projects maintain an average efficiency of 0.71134, significantly above the overall mean.
The medium-efficiency tier comprises projects from varied sectors, including animation short (DMU9: 0.59570), CG promotional content (DMU4: 0.51486), and 3D exhibition (DMU1: 0.57645). These projects show balanced performance across different production stages while maintaining efficiency scores above 0.50.
Lower efficiency scores characterize more complex or specialized productions, including the anime series (DMU10: 0.19612), university project (DMU2: 0.23096), medium animation (DMU5: 0.23698), and Naked Eye 3D LED Display project (DMU3: 0.34971). Educational and entertainment projects in this tier show notably lower average efficiency (0.23096 and 0.21655, respectively) compared to commercial projects.
The efficiency distribution reveals distinct patterns based on project type, scale, and complexity. Commercial projects maintain higher efficiency scores despite varying project requirements, while educational and entertainment projects face greater efficiency challenges. This pattern persists across different production scales and technical complexity levels.

4.2. Stage-Wise Efficiency Analysis

The heat map visualization (Figure 5) shows distinct efficiency patterns across production stages:
Pre-production stage efficiencies range from 0.08795 to 1.00000, with:
  • Two DMUs achieving perfect efficiency (1.00000): DMU6 and DMU8
  • Three DMUs scoring below 0.20000: DMU3, DMU4, and DMU10
  • Remaining DMUs ranging between 0.20000 and 0.60000
Asset creation stage displays the widest efficiency variation:
  • Three DMUs reaching perfect efficiency (1.00000): DMU6, DMU8, and DMU9
  • Four DMUs scoring below 0.10000: DMU2, DMU5, DMU7, and DMU10
  • Three DMUs ranging between 0.60000 and 0.80000: DMU1, DMU3, and DMU4
Animation production stage shows consistently low efficiency:
  • All DMUs scoring below 0.10000
  • Lowest efficiency stage across all project types
  • Mean efficiency: 0.04213
Post-production stage demonstrates the highest consistent efficiency:
  • Eight DMUs scoring above 0.80000
  • Mean efficiency: 0.91275
  • Lowest score in this stage: 0.42996 (DMU3)

4.3. AI Usage Analysis

Our investigation encompassed both established AI solutions and enterprise-developed tools across different production stages. In pre-production, teams extensively utilized Stable Diffusion and Midjourney for concept art and storyboard generation. Several large studios developed customized node-based AI workflow tools (similar to ComfyUI v0.0.1) to streamline their production pipelines. For example, NetEase developed Sunshine Flow, a cloud-based node-based AI workflow system built on their DreamMaker platform V1.0, which enables up to five production pipelines to run simultaneously. This system significantly improved team efficiency in visual development and shot planning by allowing artists to create complex AI workflows without programming through visual node connections.
The asset creation stage showcased rapid advancement in AI-powered tools. Teams utilized Tripo AI V1.4 for efficient 3D model generation, particularly valued for its ability to produce clean topology and smooth geometry within seconds. Meshy provided comprehensive solutions for converting 2D concepts into 3D assets, while Luma AI offered sophisticated 3D asset generation capabilities. For character development, Meshcapade’s specialized platform streamlined digital human creation and animation preparation with its advanced AI-driven workflows.
During animation production, DeepMotion’s MotionGPT V1.0 emerged as a key tool, enabling direct conversion of text instructions into complex 3D animations. This was complemented by Viggle AI for nuanced character animation control and motion refinement. For complex scenes requiring multiple character animations, teams developed custom implementations of crowd simulation algorithms leveraging these AI frameworks as a foundation.
Post-production workflows integrated various AI-powered tools for rendering optimization and image enhancement. While traditional denoising solutions remained relevant, teams increasingly adopted new AI-enhanced rendering pipelines that offered superior efficiency and quality. Specialized AI tools for color correction, compositing, and quality control were strategically implemented to maintain consistency across rendered sequences.
The adoption and integration of AI technologies varied significantly based on project requirements and team expertise, as shown by the AI utilization ratios detailed in Table 5 and illustrated in Figure 6. Large studios often developed customized AI solutions to address their specific production needs, while smaller teams leveraged existing tools and cloud services to achieve similar efficiency gains. This pattern of AI integration, regardless of the specific tools chosen, demonstrated a clear relationship between strategic AI deployment and production efficiency improvements.
The analysis reveals distinctive patterns in AI adoption across different project types and production stages. Most notably, we observed significant variations in AI usage strategies, even among projects with similar overall efficiency scores. Social Media Content (DMU8), for instance, demonstrates consistently high AI integration across all production stages (60–85%), while Game Advertising (DMU6), despite achieving the highest overall efficiency score (0.85175), shows more targeted AI usage, concentrated primarily in pre-production (75%) and animation production (30%).
An interesting case in our dataset is the Animation Short (DMU9), which reports minimal AI usage (1%) across all stages. This represents a baseline scenario where AI integration was maintained at a minimal technical threshold to ensure computational stability in our analysis while accurately reflecting the project’s predominantly traditional animation workflow. Despite this minimal AI usage, the project achieved a relatively high efficiency score (0.59570), suggesting that efficiency gains can be achieved through various approaches beyond AI integration.
Stage-specific analysis reveals that pre-production typically sees the highest AI usage ratios, with six out of ten projects showing AI integration rates above 35% in this stage. The animation production stage shows more moderate AI adoption rates, generally ranging from 5% to 40%, with Social Media Content (DMU8) being a notable exception at 85%. Post-production exhibits the most varied AI usage patterns, ranging from minimal integration (1% in DMU9) to extensive utilization (70% in DMU8).
Interestingly, our data suggest that moderate to high AI usage in at least two production stages correlates with higher overall efficiency scores, though this relationship is not strictly linear. For example, Medium Animation (DMU5) shows relatively high AI usage in pre-production (80%) but achieves a lower overall efficiency score (0.23698), indicating that other factors beyond AI integration significantly influence production efficiency.
Stage-specific AI usage ratios (Figure 6) show distinct patterns:
Pre-production stage:
  • Highest median AI usage ratio: 45%
  • Range: 20–80%
  • Mean: 47.3%
Asset creation stage:
  • Median AI usage ratio: 10%
  • Range: 1–60%
  • Mean: 18.4%
Animation production stage:
  • Median AI usage ratio: 17%
  • Range: 1–85%
  • Mean: 25.7%
Post-production stage:
  • Median AI usage ratio: 15%
  • Range: 1–70%
  • Mean: 20.3%
The relationship between AI usage ratio and overall efficiency (Figure 4) shows:
  • DMUs with the highest efficiency scores (>0.60) employed AI usage ratios between 30–70%
  • MUs with the lowest efficiency scores (<0.40) showed AI usage ratios between 20–30%
  • A weak positive correlation exists between AI usage ratio and overall efficiency (correlation coefficient: 0.23)
The analysis of AI usage patterns across projects reveals an optimal integration range of 30–70%, supported by both empirical evidence and theoretical considerations. Projects operating within this range, such as Game Advertising (DMU6) and Bank Promotional (DMU7), achieved consistently higher efficiency scores. This optimal range can be explained through multiple frameworks:
First, from a resource allocation perspective, AI usage below 30% typically fails to overcome the initial implementation costs and learning curve investments. Our data show that projects with minimal AI integration (e.g., Animation Short with 1% usage) achieved moderate efficiency (0.59570) through traditional excellence but missed potential technological advantages.
Second, AI usage exceeding 70% appears to risk overemphasis on automation at the expense of creative control. While Social Media Content (DMU8) achieved high efficiency (0.67949) with 85% AI usage in animation production, it did not surpass the efficiency of projects maintaining more balanced human–AI collaboration. This aligns with recent findings on technology acceptance in creative industries [30], suggesting that optimal outcomes require maintaining significant human creative input.
Third, this range represents an effective balance point for organizational learning and adaptation. Projects within the 30–70% range demonstrated successful integration of AI tools while maintaining established workflow strengths. This observation supports previous research on technology management system implementation [55], which indicates that moderate technology adoption rates allow organizations to develop expertise and confidence while minimizing disruption.
The optimal range also varies by production stage, reflecting the different degrees of standardization possible in each phase. Post-production, with its more technical and standardized processes, can effectively utilize higher AI percentages, while creative stages like pre-production benefit from maintaining lower AI usage to preserve artistic innovation.
The distribution of AI usage ratios across different stages, as visualized in Figure 6, further emphasizes these patterns while highlighting the varying approaches to AI integration taken by different projects. This variation suggests that successful AI implementation may depend not only on the extent of usage but also on how well it is integrated into existing workflows and aligned with project-specific requirements.

5. Discussion

Our empirical investigation into AI’s impact on animation production efficiency yielded several significant insights that both support and challenge our initial hypotheses. This discussion synthesizes our findings, examines their implications, and considers their broader significance for both theory and practice in the animation industry.

5.1. Evaluation of Research Hypotheses

Our analysis reveals a complex relationship between AI integration and production efficiency that partially supports our first hypothesis (H1) regarding AI’s positive impact on overall production efficiency. Projects demonstrating moderate to high AI integration (30–70% usage ratio) achieved notably superior efficiency scores, with top performers exceeding 0.60 in overall efficiency. However, the relatively weak positive correlation (0.23) between AI usage and efficiency suggests that successful AI implementation depends on more than mere technological adoption. This finding aligns with previous research suggesting that technology integration success relies heavily on implementation strategy and organizational readiness [55].
Contrary to our second hypothesis (H2), which predicted peak efficiency gains in pre-production, the most substantial improvements emerged in post-production, where we observed remarkably consistent high efficiency scores (mean: 0.91275). This unexpected finding likely reflects the current state of AI technology development, where tools for post-production tasks have achieved greater maturity and standardization compared to those supporting more creative, early-stage processes. The pre-production stage exhibited considerable variation in efficiency (ranging from 0.08795 to 1.00000), suggesting that while AI can enhance early-stage processes, its effectiveness remains less predictable in these contexts.
Our third hypothesis (H3), which anticipated greater efficiency improvements in educational projects due to resource constraints, was not supported by the data. Instead, commercial projects, particularly in Game Advertising (DMU6: 0.85175) and Social Media Content (DMU8: 0.67949), demonstrated superior efficiency gains. This finding suggests that successful AI integration may depend more on organizational infrastructure and implementation capability than on resource limitations driving innovation.

5.2. Factors Influencing Efficiency Performance

The significant variations in efficiency scores across different animation projects reveal complex interactions between organizational capabilities, project characteristics, and AI implementation strategies. Our analysis identifies several critical factors that fundamentally influence production efficiency.
Project scope emerges as a primary determinant of efficiency, particularly in how it shapes AI integration opportunities. Commercial projects’ superior efficiency (mean: 0.71134 vs. 0.23096 for educational projects) stems not merely from resource advantages but from their well-defined deliverables and established quality metrics. This finding aligns with previous research highlighting the importance of clear project boundaries in technology adoption [40,41]. However, our study extends this understanding by demonstrating how project scope specifically affects AI integration effectiveness. For instance, Game Advertising’s high efficiency (0.85175) reflects not just scope clarity but how this clarity enables systematic AI tool deployment across production stages.
Organizational learning and adaptation capabilities significantly influence efficiency outcomes. The marked efficiency gap between commercial and entertainment projects (0.71134 vs. 0.21655) reflects differences in organizational ability to optimize AI integration over time. This observation supports recent findings on technology acceptance in creative industries [32], while revealing how learning patterns specifically affect AI implementation success. Short-cycle productions, particularly in Social Media Content (DMU8: 0.67949), demonstrate superior learning and adaptation through rapid iteration cycles, allowing for the quick optimization of AI integration strategies.
The relationship between standardization and efficiency presents an interesting paradox in creative production. While standardization generally enhances efficiency, as evidenced by commercial projects’ performance, excessive standardization can impede creative aspects necessary for certain project types. This tension explains why entertainment projects like anime series (DMU10: 0.19612) face efficiency challenges despite having structured production pipelines. The finding suggests that optimal efficiency requires balancing standardization with creative flexibility, a perspective not fully explored in the existing literature on AI in creative industries [22,23].
Resource allocation strategies prove critical, but their impact depends heavily on organizational context. This study reveals that efficient AI integration relies more on strategic deployment than resource abundance. This finding challenges conventional assumptions about technology adoption requiring substantial resource investment [39]. Instead, successful projects demonstrate that targeted AI implementation in high-impact areas yields better results than comprehensive but unfocused deployment. The optimal AI usage range (30–70%) identified in our analysis suggests a “sweet spot”, where AI enhancement balances effectively with human creativity.
Technical infrastructure, while important, shows less direct influence on efficiency than previously theorized [47,48]. Projects with sophisticated technical setups do not automatically achieve higher efficiency, as demonstrated by the varying performance of technically similar projects. This finding suggests that organizational and managerial factors may have greater influence on efficiency than pure technical capabilities, an insight that extends the current understanding of AI adoption in creative industries.
These findings highlight the need for a nuanced approach to efficiency improvement in AI-enhanced animation production. The success of high-performing projects stems from their ability to align project characteristics, organizational capabilities, and AI implementation strategies effectively. This alignment requires careful consideration of project scope, learning capabilities, standardization levels, and resource allocation strategies, factors that interact dynamically rather than operating independently.

5.3. Patterns in AI Integration Across Production Stages

The distinctive patterns of AI efficiency across different production stages offer valuable insights into the current state of AI integration in animation production. The consistently high efficiency observed in post-production warrants particular attention, as it appears to represent the most successful integration of AI technology in the animation workflow.
Our analysis reveals that the varying efficiency scores across stages are not merely numerical differences but reflect deeper structural and operational realities of animation production.
Post-production’s consistently high efficiency (mean: 0.91275) can be attributed to several key factors. First, these tasks typically involve well-defined technical processes with clear quality metrics, such as rendering optimization, color correction, and compositing. The standardized nature of these tasks makes them particularly suitable for AI automation. Second, post-production workflows often follow linear, sequential patterns, where input–output relationships are clearly defined, allowing AI systems to optimize effectively. Third, the maturity of AI tools in this domain, such as NVIDIA’s AI-accelerated rendering solutions, reflects years of focused development in solving specific technical challenges.
In contrast, the animation production stage’s consistently low efficiency scores (mean: 0.04213) highlight the unique challenges of automating creative movement design. Unlike post-production’s technical processes, character animation requires understanding of physics, emotion, and artistic timing, complex qualities that current AI systems struggle to replicate convincingly. The low efficiency scores also reflect the highly iterative nature of animation work, where changes often ripple through entire sequences, making automation more challenging. Furthermore, the subjective quality assessment of animation movement means that AI solutions must satisfy not just technical metrics but also artistic and narrative requirements.
The pre-production stage’s variable efficiency (ranging from 0.08795 to 1.00000) demonstrates how AI’s effectiveness varies with task specificity. Projects achieving perfect efficiency (1.00000) typically involved more structured pre-production tasks, such as technical visualization or standard asset planning. Lower scores often corresponded with concept development and creative planning tasks that required novel artistic solutions. This variance suggests that while AI can excel at structured pre-production tasks, it still struggles with the more abstract, creative aspects of this stage.
These stage-wise variations in efficiency align with broader patterns in AI technology development. Current AI excels at tasks with the following:
  • Clear success metrics
  • Standardized workflows
  • Large training datasets
  • Well-defined technical constraints
This explains why post-production, with its more technical and standardized processes, shows consistently higher efficiency than stages requiring artistic judgment and creative innovation. The pattern also suggests that future AI development in animation should focus on better supporting creative decision-making processes while maintaining the strong performance in technical tasks.
The observed efficiency patterns also reflect practical workflow realities. Post-production’s high efficiency benefits from occurring last in the production pipeline, where creative decisions are largely finalized, and tasks focus on technical execution. In contrast, earlier stages must remain flexible to accommodate creative changes, making them inherently more challenging to automate effectively.
These findings suggest that optimal AI integration strategies should vary by production stage:
  • Post-production: Embrace comprehensive AI integration for technical tasks;
  • Animation Production: Use AI selectively for technical aspects while maintaining human control over creative elements;
  • Pre-production: Implement AI for structured tasks while preserving human-led creative development.

5.4. Theoretical and Practical Implications

The findings from this study contribute to both the theoretical understanding and practical application of AI in creative production contexts. From a theoretical perspective, our results challenge traditional assumptions about technology adoption and efficiency improvement in creative industries. The non-linear relationship between AI usage and efficiency improvement suggests that successful AI integration depends on a complex interplay of technological, organizational, and human factors. This observation extends existing theories about technology adoption by highlighting the importance of context-specific implementation strategies.
The marked variation in AI effectiveness across different production stages also contributes to our theoretical understanding of technology integration in creative workflows. The higher success rate in post-production suggests that the standardization of processes may be a crucial precondition for effective AI implementation, a finding that has implications for how we conceptualize the role of AI in creative industries. This insight builds upon existing research on technology adoption in creative contexts while offering new perspectives on the conditions that facilitate successful AI integration.
Our research makes four major contributions to the field:
  • We reveal that AI integration efficiency in animation production depends primarily on organizational context rather than technological capabilities alone, challenging previous assumptions about AI adoption in creative industries.
  • We identify an optimal AI usage range of 30–70% across production stages, with efficiency declining outside this range, regardless of project type or scale.
  • We demonstrate that successful AI integration relies more on targeted deployment in standardized processes than comprehensive implementation, particularly for resource-constrained teams.
  • We establish that post-production standardization serves as a crucial foundation for broader AI implementation, providing a clear starting point for studios beginning AI integration.
These insights translate into practical implementation strategies for studios of varying scales. For large studios, successful AI integration begins with post-production processes, where tools show consistent efficiency gains. These organizations benefit from developing robust, standardized workflows before expanding AI implementation to more creative stages. The optimal AI usage range provides a practical guideline for resource allocation, while clear evaluation metrics help maintain quality control throughout the integration process.
Smaller, resource-constrained teams require a more focused approach to AI implementation. Rather than attempting comprehensive integration, these studios should prioritize specific high-impact areas that align with their core competencies. Quick feedback cycles and adaptable workflows prove particularly effective for smaller teams, allowing them to optimize AI tool usage while maintaining flexibility for growth. Cloud-based AI solutions and shared resources can help overcome initial infrastructure limitations.
This study also reveals distinct implementation strategies for different project types. Commercial projects benefit from early investment in workflow standardization and clear quality metrics, maintaining a careful balance between automation and creative control. Educational and creative projects, however, require a more nuanced approach, where AI tools enhance rather than constrain creativity. In these contexts, gradual implementation alongside skill development proves more effective, with a focus on reducing technical rather than creative workload.
This systematic approach to AI implementation begins with a careful assessment of current workflows and organizational readiness. Studios should first establish standardized processes and measurement metrics in areas most amenable to AI integration, typically starting with post-production tasks. As teams develop capabilities and confidence, AI implementation can expand strategically to other production stages. Continuous monitoring and adjustment ensure optimal integration, while knowledge sharing across teams helps establish best practices. Success depends not on the speed of adoption but on thoughtful alignment between AI capabilities, organizational readiness, and project requirements.
From a practical standpoint, our findings suggest several strategic implications for animation studios and production companies. First, organizations might benefit from a phased approach to AI implementation, beginning with post-production processes, where the technology has demonstrated the most consistent benefits. This approach allows organizations to build expertise and confidence with AI tools in areas where success is more readily achievable before tackling more challenging implementations in creative stages.
Second, the significant variation in efficiency across different project types suggests that organizations should carefully consider their specific production context when planning AI integration. The success of commercial projects in achieving higher efficiency gains indicates that organizational capability and infrastructure play crucial roles in determining AI implementation outcomes. Studios should, therefore, assess and potentially enhance their organizational readiness before embarking on significant AI integration initiatives.

5.5. Limitations and Future Research Directions

While this study provides valuable insights into AI’s impact on animation production efficiency, several limitations warrant consideration. The sample size of ten DMUs represents a significant limitation of this study. While these cases provide valuable initial insights across different project types, this limited sample presents several methodological challenges. First, it restricts the statistical power of our analysis and the generalizability of our findings across the broader animation industry. Second, with only ten cases, we may not have captured the full range of AI implementation scenarios, particularly in specialized animation sectors or unique production contexts. Third, the small sample size makes it difficult to control for potentially confounding variables, such as project scale, team expertise levels, and organizational maturity in AI adoption. However, as this specialized research direction gains increasing attention and deeper investigation from the academic community, we anticipate opportunities for larger-scale, more comprehensive studies that will further validate and expand upon our initial findings.
Despite these sampling limitations, our study makes significant contributions by providing a structured framework for evaluating AI’s impact on animation production efficiency. The four-stage analysis model we developed offers a practical template that future researchers can build upon and refine with larger datasets.
When applying NDEA to creative industries like animation production, several methodological limitations warrant consideration. First, NDEA’s inherent focus on quantifiable inputs and outputs may not fully capture the artistic and creative aspects of animation production. While our model incorporates quality scores, the subjective nature of creative excellence remains challenging to quantify [56]. Despite the increasing standardization of 3D animation production workflows towards industrial-like processes, the fundamental artistic and creative nature of animation presents inherent measurement challenges. The very definition of creativity lacks consistency, complicating the selection and application of measurement methods [57]. Nevertheless, our approach of combining quantitative efficiency metrics with quality scores provides a balanced methodology that future studies can adapt and enhance.
Furthermore, while the evaluation of highly creative capabilities remains a long-debated topic, our study contributes by demonstrating how structured efficiency analysis can coexist with creative processes. Although the perfect quantification of artistic value may be unattainable, our methodology offers a practical framework for assessing operational efficiency without compromising creative integrity.
The traditional NDEA assumptions of stage independence and linear relationships between inputs and outputs present additional challenges in creative contexts. However, our model’s ability to identify efficiency patterns across different production stages, despite these limitations, provides valuable insights for practitioners and researchers alike. The identification of post-production as a consistently high-efficiency stage, for instance, offers actionable insights for resource allocation and AI implementation strategies.
These limitations point toward promising directions for future research. While our current framework may not capture all nuances of creative production, it establishes a foundation for more sophisticated evaluation approaches. Future studies could do the following:
  • Develop advanced evaluation methodologies that integrate qualitative creative assessments with our quantitative framework, particularly in capturing the artistic value and creative quality of animation outputs;
  • Enhance the current model by incorporating dynamic analysis approaches that reflect the iterative nature of animation production, especially the feedback loops between different production stages;
  • Conduct longitudinal research tracking the evolution of efficiency metrics and creative outcomes over multiple projects, providing deeper insights into the long-term impact of AI adoption;
  • Expand upon our established framework with larger sample sizes across various animation sectors, from feature films to educational content, examining how different scales of production and resource constraints influence AI implementation strategies.
The animation industry’s continued evolution alongside AI technology suggests that these research directions will become increasingly important. While our study has limitations, it provides a crucial starting point for understanding the complex interplay between technological efficiency and creative excellence in animation production. As AI tools become more sophisticated and their integration more nuanced, the framework we established can serve as a foundation for future investigations that will further enhance our understanding of both the technical and artistic aspects of animation production efficiency.

6. Conclusions

This study provides a comprehensive analysis of AI technology’s impact on 3D animation production efficiency through the Network DEA methodology. By examining multiple stages of the production pipeline across diverse project types, we uncovered significant patterns in the relationship between AI integration and production efficiency. Our findings reveal that successful AI implementation depends fundamentally on organizational context rather than purely technological capabilities, challenging traditional assumptions about technology adoption in creative industries.
The research establishes several critical insights for AI integration in animation production. Most notably, we identify an optimal AI usage range of 30–70% across production stages, beyond which efficiency gains diminish, regardless of project scale or type. This finding provides concrete guidance for studios in resource allocation and implementation planning. This study also demonstrates that successful AI integration relies more on targeted deployment in standardized processes than comprehensive implementation, particularly benefiting resource-constrained teams. Furthermore, our analysis reveals that post-production standardization serves as a crucial foundation for broader AI integration, offering a clear starting point for studios beginning their AI adoption journey.
These findings have important implications for different scales of animation studios. Large studios benefit from a systematic approach that begins with post-production processes and gradually expands to more creative stages, maintaining careful balance between automation and artistic control. Smaller teams, rather than attempting comprehensive integration, should focus on specific high-impact areas that align with their core competencies, leveraging cloud-based solutions and shared resources to overcome infrastructure limitations.
The animation industry stands at a crucial juncture as AI technology continues to evolve rapidly. Our research demonstrates that enhancing production efficiency through AI requires thoughtful alignment between technological capabilities, organizational readiness, and project requirements. The success of commercial projects, particularly in game advertising and social media content, illustrates how clear implementation frameworks and strategic AI deployment can significantly improve production efficiency while maintaining creative quality.
Looking ahead, future research should explore how evolving AI technologies can better support creative decision-making processes in pre-production and animation stages, where current implementation shows more variable results. Additionally, longitudinal studies could provide valuable insights into how organizations optimize their AI integration strategies over time and across different project types.
This research contributes to both the theoretical understanding and practical application of AI in creative production. Through empirical analysis and strategic insights, it provides a foundation for organizations seeking to enhance their animation production efficiency through AI integration. The findings suggest that success lies not in the speed of adoption but in the thoughtful alignment of AI capabilities with organizational context and project requirements, ensuring that technological innovation serves rather than constrains creative excellence.

Author Contributions

Conceptualization, Y.C.; data curation, Y.W.; investigation, Y.C.; resources, Y.P.; software, Y.C.; supervision, Y.P.; validation, T.Y.; writing—original draft, Y.C.; writing—review and editing, Y.W. All authors have read and agreed to the published version of the manuscript.

Funding

This research received no external funding.

Data Availability Statement

All data generated or analyzed during this study are included in this article. The raw data are available from the corresponding author upon reasonable request.

Acknowledgments

The authors thank all the participants in this study for their time and willingness to share their experiences and feelings.

Conflicts of Interest

The authors declare no conflicts of interest concerning the research, authorship, and publication of this article.

References

  1. Hussain, A. The Impact of Artificial Intelligence on Digital Media Content Creation. Int. J. Innov. Sci. Res. Technol. (IJISRT) 2024, 9, 998–1003. [Google Scholar] [CrossRef]
  2. Singh, H.; Kaur, K. Utilization of Artificial Intelligence for 3D Production Process. In Proceedings of the 2023 5th International Conference on Inventive Research in Computing Applications (ICIRCA), Coimbatore, India, 3–5 August 2023; pp. 33–37. [Google Scholar] [CrossRef]
  3. Jain, A.; Schworer, A.; Golembeski, D.; Granger, G. Orchestrating Production Processes with Cloud Native Pipelines. In Proceedings of the 2022 Digital Production Symposium, Vancouver, BC, Canada, 7 August 2022; Association for Computing Machinery: New York, NY, USA, 2022; pp. 1–7. [Google Scholar]
  4. LeCun, Y.; Bengio, Y.; Hinton, G. Deep Learning. Nature 2015, 521, 436–444. [Google Scholar] [CrossRef] [PubMed]
  5. Wang, X.; Zhong, W. Evolution and Innovations in Animation: A Comprehensive Review and Future Directions. Concurr. Comput. Pract. Exp. 2024, 36, e7904. [Google Scholar] [CrossRef]
  6. Liu, Z.; Chen, Z. Cross-Cultural Perspectives on Artificial Intelligence Generated Content (AIGC): A Comparative Study of Attitudes and Acceptance Among Global Products. In Cross-Cultural Design; Rau, P.-L.P., Ed.; Lecture Notes in Computer Science; Springer Nature: Cham, Switzerland, 2024; Volume 14702, pp. 287–298. ISBN 978-3-031-60912-1. [Google Scholar]
  7. Wu, J.; Cai, Y.; Sun, T.; Ma, K.; Lu, C. Integrating AIGC with Design: Dependence, Application, and Evolution—A Systematic Literature Review. J. Eng. Des. 2024, 1–39. [Google Scholar] [CrossRef]
  8. Reddy, V.S.; Kathiravan, M.; Reddy, V.L. Revolutionizing Animation: Unleashing the Power of Artificial Intelligence for Cutting-Edge Visual Effects in Films. Soft Comput. 2024, 28, 749–763. [Google Scholar] [CrossRef]
  9. Momot, I. Artificial Intelligence in Filmmaking Process: Future Scenarios. Available online: http://www.theseus.fi/handle/10024/753638 (accessed on 20 October 2024).
  10. Mahdiloo, M.; Jafarzadeh, A.H.; Saen, R.F.; Tatham, P.; Fisher, R. A Multiple Criteria Approach to Two-Stage Data Envelopment Analysis. Transp. Res. Part D Transp. Environ. 2016, 46, 317–327. [Google Scholar] [CrossRef]
  11. Carayannis, E.G.; Grigoroudis, E.; Goletsis, Y. A Multilevel and Multistage Efficiency Evaluation of Innovation Systems: A Multiobjective DEA Approach. Expert Syst. Appl. 2016, 62, 63–80. [Google Scholar] [CrossRef]
  12. Cook, W.D.; Zhu, J.; Bi, G.; Yang, F. Network DEA: Additive Efficiency Decomposition. Eur. J. Oper. Res. 2010, 207, 1122–1129. [Google Scholar] [CrossRef]
  13. Nemati, M.; Kazemi Matin, R.; Toloo, M. A Two-Stage DEA Model with Partial Impacts between Inputs and Outputs: Application in Refinery Industries. Ann. Oper. Res. 2020, 295, 285–312. [Google Scholar] [CrossRef]
  14. Zhang, S.; Yang, X.; Zhang, J.; Liao, M.; Qi, L. Research on Efficiency of Animation Enterprises Based on Two-Stage DEA Network System Model of Sharing Input Resources. Math. Probl. Eng. 2021, 2021, 1–7. [Google Scholar] [CrossRef]
  15. Tone, K.; Tsutsui, M. Network DEA: A Slacks-Based Measure Approach. Eur. J. Oper. Res. 2009, 197, 243–252. [Google Scholar] [CrossRef]
  16. Bao, W. The Application of Intelligent Algorithms in the Animation Design of 3D Graphics Engines. IJGCMS 2021, 13, 1–12. [Google Scholar] [CrossRef]
  17. Sito, T. Moving Innovation: A History of Computer Animation; The MIT Press: Cambridge, MA, USA, 2013; ISBN 978-0-262-01909-5. [Google Scholar]
  18. Cavalier, S. The World History of Animation; A RotoVision Book; University of California Press: Berkeley, CA, USA, 2011; ISBN 978-0-520-26112-9. [Google Scholar]
  19. Xiong, W.; Lu, H.; Fang, C.; Wang, Z. Research and Implementation of Instant Collaborative Development for 3D Animation Production. In Proceedings of the 2010 2nd International Workshop on Intelligent Systems and Applications, Wuhan, China, 22–23 May 2010; pp. 1–4. [Google Scholar]
  20. Epstein, Z.; Hertzmann, A.; Herman, L.; Mahari, R.; Frank, M.R.; Groh, M.; Schroeder, H.; Smith, A.; Akten, M.; Fjeld, J.; et al. Art and the Science of Generative AI: A Deeper Dive. Science 2023, 380, 1110–1111. [Google Scholar] [CrossRef]
  21. Acemoglu, D.; Restrepo, P. The Wrong Kind of AI? Artificial Intelligence and the Future of Labor Demand. Camb. J. Reg. Econ. Soc. Camb. Political Econ. Soc. 2020, 13, 25–35. [Google Scholar] [CrossRef]
  22. Anantrasirichai, N.; Bull, D. Artificial Intelligence in the Creative Industries: A Review. Artif. Intell. Rev. 2022, 55, 589–656. [Google Scholar] [CrossRef]
  23. Amankwah-Amoah, J.; Abdalla, S.; Mogaji, E.; Elbanna, A.; Dwivedi, Y.K. The Impending Disruption of Creative Industries by Generative AI: Opportunities, Challenges, and Research Agenda. Int. J. Inf. Manag. 2024, 79, 102759. [Google Scholar] [CrossRef]
  24. Jayanthiladevi, A.; Raj, A.G.; Narmadha, R.; Chandran, S.; Shaju, S.; Prasad, K.K. AI in Video Analysis, Production and Streaming Delivery. J. Phys. Conf. Ser. 2020, 1712, 012014. [Google Scholar] [CrossRef]
  25. Rall, D.; Bauer, B.; Fraunholz, T. Towards Democratizing AI: A Comparative Analysis of AI as a Service Platforms and the Open Space for Machine Learning Approach. In Proceedings of the ICCBDC 2023: 2023 7th International Conference on Cloud and Big Data Computing, Manchester, UK, 17–19 August 2023. [Google Scholar]
  26. Barber, A.; Cosker, D.; James, O.; Waine, T.; Patel, R. Camera Tracking in Visual Effects an Industry Perspective of Structure from Motion. In Proceedings of the 2016 Symposium on Digital Production, Anaheim, CA, USA, 23 July 2016; Association for Computing Machinery: New York, NY, USA, 2016; pp. 45–54. [Google Scholar]
  27. Chen, T.; Cao, R.; Li, Z.; Zang, Y.; Sun, L. Deep3DSketch-Im: Rapid High-Fidelity AI 3D Model Generation by Single Freehand Sketches. Front. Inf. Technol. Electron. Eng. 2024, 25, 149–159. [Google Scholar] [CrossRef]
  28. Xu, Z.; Zhou, Y.; Yi, L.; Kalogerakis, E. Morig: Motion-Aware Rigging of Character Meshes from Point Clouds. In Proceedings of the SA ’22: SIGGRAPH Asia 2022, Daegu, Republic of Korea, 6–9 December 2022. [Google Scholar]
  29. Xiao, L.; Nouri, S.; Chapman, M.; Fix, A.; Lanman, D.; Kaplanyan, A. Neural Supersampling for Real-Time Rendering. ACM Trans. Graph. 2020, 39, 142.1–142.12. [Google Scholar] [CrossRef]
  30. Xu, J.; Zhang, X.; Li, H.; Yoo, C.; Pan, Y. Is Everyone an Artist? A Study on User Experience of AI-Based Painting System. Appl. Sci. 2023, 13, 6496. [Google Scholar] [CrossRef]
  31. Zhang, J.; Huang, S.; Tu, Z.; Chen, X.; Zhan, X.; Yu, G.; Shan, Y. TapMo: Shape-Aware Motion Generation of Skeleton-Free Characters. arXiv 2023, arXiv:2310.12678. [Google Scholar]
  32. Antonucci, A.; Papini, G.P.R.; Bevilacqua, P.; Palopoli, L.; Fontanelli, D. Efficient Prediction of Human Motion for Real-Time Robotics Applications with Physics-Inspired Neural Networks. IEEE Access 2022, 10, 144–157. [Google Scholar] [CrossRef]
  33. Liu, Q.; Peng, H. Influence of Artificial Intelligence Technology on Animation Creation. J. Phys. Conf. Ser. 2021, 1881, 032076. [Google Scholar] [CrossRef]
  34. Singh, A. Future of Animated Narrative and the Effects of Ai on Conventional Animation Techniques. In Proceedings of the 2023 7th International Conference on Computation System and Information Technology for Sustainable Solutions (CSITSS), Bangalore, India, 2–4 November 2023; pp. 1–4. [Google Scholar] [CrossRef]
  35. Chung, J.J.Y. Artistic User Expressions in AI-Powered Creativity Support Tools. In Proceedings of the 35th Annual ACM Symposium on User Interface Software and Technology, Bend, OR, USA, 29 October–2 November 2022; pp. 1–4. [Google Scholar]
  36. Sudmann, A. (Ed.) The Democratization of Artificial Intelligence: Net Politics in the Era of Learning Algorithms, 1st ed.; KI-Kritik/AI Critique; Transcript Verlag: Bielefeld, Germany, 2019; Volume 1, ISBN 978-3-8376-4719-8. [Google Scholar]
  37. Song, J.; Yip, D. Exploring the Intersection of AI Art and Film: A Case Study of Giant. In Proceedings of the 2023 IEEE International Conference on Multimedia and Expo Workshops (ICMEW), Brisbane, Australia, 10–14 July 2023; pp. 347–352. [Google Scholar]
  38. Tang, T.; Li, P.; Tang, Q. New Strategies and Practices of Design Education Under the Background of Artificial Intelligence Technology: Online Animation Design Studio. Front. Psychol. 2022, 13, 767295. [Google Scholar] [CrossRef]
  39. Singh, H.; Rastogi, A.; Kaur, K. Artificial Intelligence as a Tool in the Visual Effects and Film Industry. In Recent Advances in Computing Sciences; CRC Press: Boca Raton, FL, USA, 2023; ISBN 978-1-00-340557-3. [Google Scholar]
  40. Bertini, M.; Galteri, L.; Seidenari, L.; Uricchio, T.; Bimbo, A.D. Fast and Effective AI Approaches for Video Quality Improvement. In Proceedings of the 1st Mile-High Video Conference, Denver, CO, USA, 1–3 March 2022; pp. 77–78. [Google Scholar]
  41. Bouaafia, S.; Khemiri, R.; Messaoud, S.; Ben Ahmed, O.; Sayadi, F.E. Deep Learning-Based Video Quality Enhancement for the New Versatile Video Coding. Neural Comput. Appl. 2022, 34, 14135–14149. [Google Scholar] [CrossRef] [PubMed]
  42. Chen, Q.; Tang, Z.; He, D.; Zhao, D.; Wang, J. A Three-Stage Quality Evaluation Method for Experience Products: Taking Animation as an Example. Multimed. Syst. 2024, 30, 203. [Google Scholar] [CrossRef]
  43. Liu, J. Research on the Design and Production of 3D Animation. In Proceedings of the 2nd International Conference on Computer Vision, Image, and Deep Learning, Liuzhou, China, 25–27 June 2021; SPIE: Bellingham, WA, USA, 2021; Volume 11911, pp. 54–59. [Google Scholar]
  44. Yablonsky, S.A. AI-Driven Digital Platform Innovation. Technol. Innov. Manag. Rev. 2020, 10, 4–15. [Google Scholar] [CrossRef]
  45. Yu, W. Creative Industries Agglomeration and Industrial Efficiency in China. Growth Chang. 2018, 49, 677–695. [Google Scholar] [CrossRef]
  46. Li, M.; Sun, H.; Agyeman, F.O.; Su, J.; Hu, W. Efficiency Measurement and Heterogeneity Analysis of Chinese Cultural and Creative Industries: Based on Three-Stage Data Envelopment Analysis Modified by Stochastic Frontier Analysis. Front. Psychol. 2022, 12, 823499. [Google Scholar] [CrossRef] [PubMed]
  47. Yu, T.; Yang, W.; Xu, J.; Pan, Y. Barriers to Industry Adoption of AI Video Generation Tools: A Study Based on the Perspectives of Video Production Professionals in China. Appl. Sci. 2024, 14, 5770. [Google Scholar] [CrossRef]
  48. Gu, R.; Li, H.; Su, C.; Wu, W. Innovative Digital Storytelling with AIGC: Exploration and Discussion of Recent Advances. arXiv 2023, arXiv:2309.14329. [Google Scholar]
  49. Ratner, S.V.; Shaposhnikov, A.M.; Lychev, A.V. Network DEA and Its Applications (2017–2022): A Systematic Literature Review. Mathematics 2023, 11, 2141. [Google Scholar] [CrossRef]
  50. Pinto, C. Measure the Relative Efficiency of a Four-Stage Production Process with NDEA. Int. J. Bus. Manag. 2020, 15, 1–35. [Google Scholar] [CrossRef]
  51. Färe, R.; Grosskopf, S. Network DEA. Socio-Econ. Plan. Sci. 2000, 34, 35–49. [Google Scholar] [CrossRef]
  52. Sharma, H.; Juyal, A.; Das, M. Future of Animation with Artificial Intelligence. In Proceedings of the International Conference on Emerging Trends in Design & Arts, Jaipur, India, 7–8 April 2023; Volume 4, pp. 180–187. [Google Scholar]
  53. He, V.F.; Shrestha, Y.R.; Puranam, P.; Miron-Spektor, E. Searching Together: A Theory of Human-AI Co-Creativity. 2023. [Google Scholar]
  54. Beane, A. 3D Animation Essentials; John Wiley & Sons: Hoboken, NJ, USA, 2012; ISBN 978-1-118-23905-6. [Google Scholar]
  55. Haghbin, A.; Hamedi, M.; Dalirbod, A. Readiness Assessment for Technology Management System Implementation within a Conglomerate. In Proceedings of the 2019 IEEE International Conference on Engineering, Technology and Innovation (ICE/ITMC), Valbonne Sophia-Antipolis, France, 17–19 June 2019; pp. 1–7. [Google Scholar]
  56. Afolabi, M.O.; Dionne, S.; Lewis, H. Are We There Yet? A Review of Creativity Methodologies. 15 July 2024. Available online: https://citeseerx.ist.psu.edu/document?repid=rep1&type=pdf&doi=8d766173f0298182291fda59cb1f0ee694015624 (accessed on 20 October 2024).
  57. Treffinger, D.J. Myth 5: Creativity Is Too Difficult to Measure. Gift. Child Q. 2009, 53, 245–247. [Google Scholar] [CrossRef]
Figure 1. Non-immediate successor flows.
Figure 1. Non-immediate successor flows.
Electronics 13 05001 g001
Figure 2. Four-stage animation production pipeline with AI integration.
Figure 2. Four-stage animation production pipeline with AI integration.
Electronics 13 05001 g002
Figure 3. Multi-stage NDEA model based on animation production index system.
Figure 3. Multi-stage NDEA model based on animation production index system.
Electronics 13 05001 g003
Figure 4. DMU overall efficiencies by project type.
Figure 4. DMU overall efficiencies by project type.
Electronics 13 05001 g004
Figure 5. Efficiencies heat map.
Figure 5. Efficiencies heat map.
Electronics 13 05001 g005
Figure 6. AI usage ratio distribution by stage. The box plots show the distribution of AI usage ratios across different production stages, where red horizontal lines indicate medians and red crosses (+) represent outliers.
Figure 6. AI usage ratio distribution by stage. The box plots show the distribution of AI usage ratios across different production stages, where red horizontal lines indicate medians and red crosses (+) represent outliers.
Electronics 13 05001 g006
Table 1. Information of interviewed experts.
Table 1. Information of interviewed experts.
Expert CodeTitleExperience in Animation Industry
Expert ATechnical Director, animation production company15 years of industry experience
Expert BUniversity animation production teacherPhD in digital media, 7 years in film and television technology
Expert CIndependent animation directorWorked on several award-winning animation projects
Expert DAnimation special effects supervisor8 years experience in special effects production
Expert EAnimation Project ManagerManage multiple large animation projects
Expert FSenior animatorAnimation work for 12 years
Expert GHead of animation property creation10 years experience in asset creation
Expert HVisual effects engineer9 years of work in the field of film and animation visual effects
Expert IAnimation producerResponsible for several international animation projects
Expert JAnimation technical consultantRich experience in technical improvement of animation production process
Table 2. Efficiency index system for 3D animation production with AI technology.
Table 2. Efficiency index system for 3D animation production with AI technology.
First-Stage InputFirst-Stage OutputSecond-Stage InputSecond-Stage OutputThird-Stage InputThird-Stage OutputFourth-Stage InputFourth-Stage Output
Number of staffConcept designsNumber of staffModelsNumber of staffLength (s)Number of staffLength (s)
Time (h)Shots in the storyboardTime (h)CharactersTime (h)Time (h)Quality score
AI Usage HoursAI Usage HoursAI Usage HoursAI Usage Hours
Concept designsShots in the storyboardLength (s)
Characters
Table 3. Variable definitions in the multi-stage NDEA model for animation production.
Table 3. Variable definitions in the multi-stage NDEA model for animation production.
VariableDefinition
D M U j The j-th decision-making unit
z 01 j p Number of staff in stage p of DMU j
z 02 j p Time consumption (hours) in stage p of DMU j
z 03 j p AI usage hours in stage p of DMU j
z 11 j 1 Number of concept designs from stage 1 of DMU j
z 12 j 1 Number of shots in storyboard from stage 1 of DMU j
z 11 j 2 Number of models created in stage 2 of DMU j
z 12 j 2 Number of characters created in stage 2 of DMU j
z 11 j 3 Animation length (seconds) from stage 3 of DMU j
z 11 j 4 Final video length (seconds) from stage 4 of DMU j
z 12 j 4 Quality score of final output in stage 4 of DMU j
θ p Efficiency score of stage p
u p r Weight of the r-th output in stage p
m p i Weight of the i-th input in stage p
g p k Weight of the k-th intermediate product in stage p
w p Weight assigned to stage p
Table 4. Results.
Table 4. Results.
DMU θ θ 1 θ 2 θ 3 θ 4 w1w2w3w4
10.576450.330930.600000.067961.000000.056370.519780.190890.23296
20.230960.266670.050920.037880.830430.031550.396140.344310.22800
30.349710.087950.790400.017910.429960.146480.264710.304730.28407
40.514860.105590.634420.421030.852260.193090.455170.218150.13359
50.236980.203280.036360.049710.833070.048660.362510.353130.23570
60.851751.000001.000000.004760.936820.069920.668980.141360.11974
70.602790.173331.000000.067070.925810.287090.271540.148050.29333
80.679491.000001.000000.006160.860880.046400.488000.299200.16640
90.595700.522571.000000.094641.000000.276330.257100.300840.16573
100.196120.172690.080160.037201.000000.283610.335700.270520.11017
Table 5. AI usage ratios and overall efficiency by project type.
Table 5. AI usage ratios and overall efficiency by project type.
Project Type (DMU)Pre-Production (%)Asset Creation (%)Animation Production (%)Post-Production (%)Overall Efficiency
Game Advertising (DMU6)751030180.85175
Social Media Content (DMU8)806085700.67949
Bank Promotional (DMU7)10123580.60279
Animation Short (DMU9)11110.5957
CG Promotional (DMU4)205540.51486
3D Exhibition (DMU1)70105200.57645
Naked Eye 3D LED Display (DMU3)3551550.34971
University Project (DMU2)60812500.23096
Medium Animation (DMU5)801820120.23698
Anime Series (DMU10)203540200.19612
Projects are arranged in descending order of overall efficiency scores. AI usage ratios represent the percentage of total production time in each stage where AI tools were actively employed.
Disclaimer/Publisher’s Note: The statements, opinions and data contained in all publications are solely those of the individual author(s) and contributor(s) and not of MDPI and/or the editor(s). MDPI and/or the editor(s) disclaim responsibility for any injury to people or property resulting from any ideas, methods, instructions or products referred to in the content.

Share and Cite

MDPI and ACS Style

Chen, Y.; Wang, Y.; Yu, T.; Pan, Y. The Effect of AI on Animation Production Efficiency: An Empirical Investigation Through the Network Data Envelopment Analysis. Electronics 2024, 13, 5001. https://doi.org/10.3390/electronics13245001

AMA Style

Chen Y, Wang Y, Yu T, Pan Y. The Effect of AI on Animation Production Efficiency: An Empirical Investigation Through the Network Data Envelopment Analysis. Electronics. 2024; 13(24):5001. https://doi.org/10.3390/electronics13245001

Chicago/Turabian Style

Chen, Yihui, Yuming Wang, Tao Yu, and Younghwan Pan. 2024. "The Effect of AI on Animation Production Efficiency: An Empirical Investigation Through the Network Data Envelopment Analysis" Electronics 13, no. 24: 5001. https://doi.org/10.3390/electronics13245001

APA Style

Chen, Y., Wang, Y., Yu, T., & Pan, Y. (2024). The Effect of AI on Animation Production Efficiency: An Empirical Investigation Through the Network Data Envelopment Analysis. Electronics, 13(24), 5001. https://doi.org/10.3390/electronics13245001

Note that from the first issue of 2016, this journal uses article numbers instead of page numbers. See further details here.

Article Metrics

Back to TopTop